Что такое асинхронный двигатель?
Прежде чем переходить к модели, алгоритмам и системам управления электроприводом, нужно точно знать, что он собой представляет. Это позволяет выявить в его цепи такие моменты, которые можно будет использовать для организации плавного изменения ключевых характеристик (частота/скорость вращения, напряжение). Соответственно, можно определить параметры контроллера, разработать технологические карты для его размещения в шкафу и обслуживания.
Работа любого асинхронного двигателя базируется на возбуждении на контактных обмотках магнитного поля при подаче электричества от шкафа управления. Оно возникает на статоре – неподвижной части двигателя, которая состоит из кольцевого сердечника (магнитопровода), собранного из отдельных металлических пластин. Каждая из них имеет концентрические пазы на внутренней стороне кольца, которые при совмещении образуют продольные пазы. Они служат для намотки проволоки, составляющей основу статорной обмотки.

Также асинхронный двигатель имеет подвижную часть – ротор, совмещенный с приводным валом. Он также имеет пластинчатый сердечник с пазами, но уже на внешней стороне. Вместо проволоки используются медные прутки, которые по краям замыкаются пластинами (такой вариант двигателя называется с короткозамкнутым ротором).
За счет того, что частоты вращения магнитных полей статора и ротора отличаются, в обмотках последнего за счет индукции наводится электрический ток. Он, в свою очередь, побуждает электромагнитную силу, приводящую ротор в движение (вращение). Разница частот обычно называется скольжением. Его величина составляет порядка 2…10%.
Реверсивный пуск асинхронного двигателя

Рисунок 3. Схема реверсивный пуск асинхронного двигателя с кз ротором. Данная схема дает возможность производить запуск электродвигателя и изменять направленность его вращения. Для запуска необходимо включить автомат QF и нажать SB1 «Пуск», в результате чего ток поступает на магнитный пускатель КМ1, который запитывает статор. АД реверсируется последовательным нажатием кнопок «Стоп» SB3 (КМ1 выключается и двигатель останавливается) и «Реверс» SB2 (срабатывает КМ2 и асинхронный двигатель запускается в реверсивном направлении).
В данной схеме нажатием кнопки реверса меняется чередование фаз питающего напряжения на статоре двигателя, что будет вызывать смену направленности его вращения (реверсом). При помощи нормально замкнутых контактов КМ1 и КМ2 выполнена защита от ошибочного включения сразу двух магнитных пускателей КМ1 и КМ2. Также действуют защиты, аналогичные описанным ранее. Отключить электродвигатель можно кнопкой SB3 и автоматом QF.
Источник
Подключение асинхронного двигателя
Трехфазный переменный ток
Электрическая сеть трехфазного переменного тока получила наиболее широкое распространение среди электрических систем передачи энергии. Главным по сравнению с однофазной и двухфазной системами является ее экономичность. В трехфазной цепи энергия передается по трем проводам, а токи текущие в разных проводах сдвинуты относительно друг друга по фазе на 120°, при этом синусоидальные ЭДС на разных фазах имеют одинаковую частоту и амплитуду.
Трехфазный ток (разница фаз 120°)
Звезда и треугольник
Трехфазная обмотка статора электродвигателя соединяется по схеме в зависимости от напряжения питания сети. Концы трехфазной обмотки могут быть: соединены внутри электродвигателя (из двигателя выходит три провода), выведены наружу (выходит шесть проводов), выведены в распределительную коробку (в коробку выходит шесть проводов, из коробки три).
Фазное напряжение — разница потенциалов между началом и концом одной фазы
Другое определение для соединения «звезда»: фазное напряжение это разница потенциалов между линейным проводом и нейтралью (обратите внимание, что у схемы «треугольник» отсутствует нейтраль)
Линейное напряжение — разность потенциалов между двумя линейными проводами (между фазами).
| Звезда | Треугольник | Обозначение |
|---|---|---|
| Uл, Uф — линейное и фазовое напряжение, В, | ||
| Iл, Iф — линейный и фазовый ток, А, | ||
| S — полная мощность, Вт | ||
| P — активная мощность, Вт |
Внимание: Несмотря на то, что мощность для соединений в звезду и треугольник вычисляется по одной формуле, подключение одного и того же электродвигателя разным способом в одну и туже электрическую сеть приведет к потреблению разной мощности. При этом не правильное подключение электродвигателя, может привести к расплавлению обмоток статора.
Пример: Допустим электродвигатель был подключен по схеме «звезда» к трехфазной сети переменного тока Uл=380 В (соответственно Uф=220 В) и потреблял ток Iл=1 А
Полная потребляемая мощность:
S = 1,73∙380∙1 = 658 Вт.
Теперь изменим схему соединения на «треугольник», линейное напряжение останется таким же Uл=380 В, а фазовое напряжение увеличится в корень из 3 раз Uф=Uл=380 В. Увеличение фазового напряжения приведет к увеличению фазового тока в корень из 3 раз. Таким образом линейный ток схемы «треугольник» будет в три раза больше линейного тока схемы «звезда». А следовательно и потребляемая мощность будет в 3 раза больше:
S = 1,73∙380∙3 = 1975 Вт.
Таким образом, если двигатель рассчитан на подключение к трехфазной сети переменного тока по схеме «звезда», подключение данного электродвигателя по схеме «треугольник» может привести к его поломке.
Если в нормальном режиме электродвигатель подключен по схеме «треугольник», то для уменьшения пусковых токов на время пуска его можно соединить по схеме звезда. При этом вместе с пусковым током уменьшится также пусковой момент.
Подключение электродвигателя по схеме звезда и треугольник
Обозначение выводов статора трехфазного электродвигателя
Обозначение выводов обмоток статора вновь разрабатываемых трехфазных машин согласно ГОСТ 26772-85
| Схема соединения обмоток, наименование фазы и вывода | Обозначение вывода | |
|---|---|---|
| Начало | Конец | |
| Открытая схема (число выводов 6) | ||
| первая фаза | U1 | U2 |
| вторая фаза | V1 | V2 |
| третья фаза | W1 | W2 |
| Соединение в звезду (число выводов 3 или 4) | ||
| первая фаза | U | |
| вторая фаза | V | |
| третья фаза | W | |
| точка звезды (нулевая точка) | N | |
| Соединение в треугольник (число выводов 3) | ||
| первый вывод | U | |
| второй вывод | V | |
| третий вывод | W |
Обозначение выводов обмоток статора ранее разработанных и модернизируемых трехфазных машин согласно ГОСТ 26772-85
| Схема соединения обмоток, наименование фазы и вывода | Обозначение вывода | |
|---|---|---|
| Начало | Конец | |
| Открытая схема (число выводов 6) | ||
| первая фаза | C1 | C4 |
| вторая фаза | C2 | C5 |
| третья фаза | C3 | C6 |
| Соединение звездой (число выводов 3 или 4) | ||
| первая фаза | C1 | |
| вторая фаза | C2 | |
| третья фаза | C3 | |
| нулевая точка | ||
| Соединение треугольником (число выводов 3) | ||
| первый вывод | C1 | |
| второй вывод | C2 | |
| третий вывод | C3 |
Реостатный пуск асинхронного двигателя с кз ротором.
Если невозможно запустить АД с кз ротором в стандартном режиме, используют запуск при сниженном напряжении. С этой целью в цепь статора добавляют сопротивление, реостат или используют автотрансформатор. Автоматический выключатель QF срабатывает и на управляющую и силовую цепь поступает напряжение. После нажатия кнопки SB1 пускатель КМ1 приходит в действие, подавая электроток в цепь статора с включенным сопротивлением. В то же время питание поступает и на реле времени КТ.

Рисунок 2 — Схема асинхронного двигателя с симметричными сопротивлениями (реостатный пуск)
Через определенный временной интервал, задаваемый реле КТ, происходит замыкание контакта КТ. В итоге пускатель КМ2 шунтирует (закорачивает) сопротивление статора. Процедура запуска электродвигателя завершается. Для его выключения необходимо нажать клавишу SB2 и выключить автомат QF.
Как сократить потребление?
Если рассчитанные показатели выше среднероссийского уровня или платить по счету из ЖКХ с каждым месяцем все труднее, то пора задуматься о том, как уменьшить расход электроэнергии.

Рациональными и экономичными будут следующие меры:
Не оставляйте включенным свет в комнатах, где сейчас никого нет;
При выборе бытовой техники и электроприборов обращайте внимание на степень энергосбережения, самыми оптимальными считается наличие на маркировке букв A, B и C;
Включая кондиционер, плотно закрывайте окна и двери, не заставляя устройство работать даром;
Своевременно удаляйте накипь с приборов и посуды, чтобы снизить процесс нагревания воды до 30%;
Размещайте холодильники и морозильники как можно дальше от солнца, отопительных и нагревательных приборов;
Поменяйте обычные лампы на энергосберегающие, высокая цена которых окупится за пару месяцев;
Не оставляйте в розетках шнуры от неработающих приборов, так как даже в выключенном режиме электричество поступает в устройство;
Помните, что количество запущенных процессов на компьютере стимулируют большее потребление энергии;
Не заряжайте телефон, ноутбук или планшет ночью, ведь время зарядки значительно увеличится во время сна, как и количество затраченного света.
Желание контролировать потребление электроэнергии – нормальное явление, ведь расходовать такой дорогой ресурс впустую не захочет ни один человек. Узнав о количестве электричества, которое затрачивает в день тот или иной прибор, можно контролировать поток энергии, снижать нагрузку или экономить на более щадящих режимах.

Советы как избежать лишних затрат
Для того что бы избежать лишних затрат необходимо придерживаться нескольких простых правил:
- не открывать дверцу холодильника без необходимости;
- между задней стенкой холодильника и стеной должно быть расстояние, позволяющее нормально циркулировать воздуху;
- перед тем как помещать горячие продукты в холодильник их необходимо остудить до комнатной температуры;
- раз в месяц морозильную камеру холодильника необходимо чистить от накопившегося слоя льда.
Придерживаясь этих простых правил можно значительно уменьшить энергопотребление холодильника и соответственно затраты.
Управление асинхронным двигателем
Прямое подключение к сети питания
Использование магнитных пускателей позволяет управлять асинхронными электродвигателями путем непосредственного подключения двигателя к сети переменного тока.
С помощью магнитных пускателей можно реализовать схему:
Использование теплового реле позволяет осуществить защиту электродвигателя от величин тока намного превышающих номинальное значение.
Реверсивная схема
Недостатком прямой коммутации обмоток асинхронного электродвигателя с сетью является наличие больших пусковых токов, во время запуска электродвигателя.
Плавный пуск асинхронного электродвигателя
В задачах, где не требуется регулировка скорости электродвигателя во время работы для уменьшения пусковых токов используется устройство плавного пуска.
Устройство плавного пуска защищает асинхронный электродвигатель от повреждений вызванных резким увеличением потребляемой энергии во время пуска путем ограничения пусковых токов. Устройство плавного пуска позволяет обеспечить плавный разгон и торможение асинхронного электродвигателя.
Устройство плавного пуска дешевле и компактнее частотного преобразователе. Применяется там, где регулировка скорости вращения и момента требуется только при запуске.
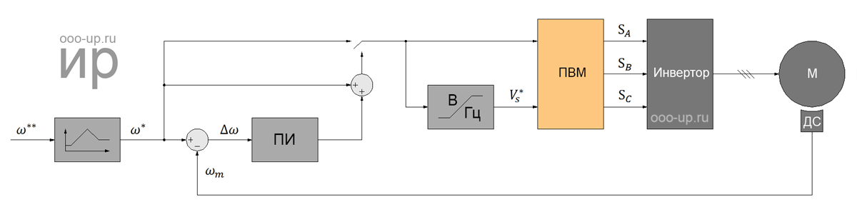
Частотное управление асинхронным электродвигателем
Для регулирования скорости вращения и момента асинхронного двигателя используют частотный преобразователь. Принцип действия частотного преобразователя основан на изменении частоты и напряжения переменного тока.
![]()
Скалярное управление асинхронным двигателем с датчиком скорости
Векторное управление
используется в задачах, где требуется независимо управлять скоростью и моментом электродвигателя (например, лифт), что, в частности, позволяет поддерживать постоянную скорость вращения при изменяющемся моменте нагрузки. При этом векторное управление является самым эффективным управлением с точки зрения КПД и увеличения времени работы электродвигателя.
Среди векторных методов управления асинхронными электродвигателями наиболее широкое применение получили: полеориентированное управление и прямое управление моментом.
![]()
Полеориентированное управления асинхронным электродвигателем по датчику положения ротора
Полеориентированное управление
позволяет плавно и точно управлять параметрами движения (скоростью и моментом), но при этом для его реализации требуется информация о направлениии вектора потокосцепления ротора двигателя.
Прямое управление моментом
имеет простую схему и высокую динамику работы, но при этом высокие пульсации момента и тока.
Оптимальное быстродействие
В системах регулирования скорости промышленного назначения не отмечается трудностей с разгоном, который легко реализуется при помощи системы реле и многоступенчатых реостатов. Когда начинается торможение, требуется вычислить момент начала подачи управляющих сигналов для снижения негативных эффектов.
Указанную задачу решает специальный блок, занимающийся оценкой текущего состояния системы. Опытным путём рассчитывается схема торможения, в управляющее устройство закладывается готовый алгоритм. При помощи датчиков определяется рассогласование между текущим состоянием и моментом начала торможения. Среди данных появляются величины – угловой путь вала до останова и прочие.
Обратная связь по скорости нелинейна и, как правило, не может быть рассчитана, данные об этой зависимости вводятся в память вычислителя. Как результат, согласно имеющейся нагрузке и динамическим показателям системы вырабатывается команда останова в нужный момент времени. Учитываются факторы:
- Отсутствие перегрева обмоток импульсом тока останова.
- Минимизация отдачи в сеть реактивной мощности.
- Продление срока эксплуатации установки.
- Отсутствие условий для создания аварий и механических перегрузок.

В ходе разработки системы управления тиристорным регулятором учитывается факт невосприимчивости асинхронного двигателя к воздействующим факторам на низких оборотах. В этом случае требуется минимальное рассогласование по скорости между полями ротора и статора, обеспечивающими возникновение токов Фуко и, как следствие, наличие потокосцепления. Это существенное ограничение асинхронных двигателей, из-за которого их применение в быту сводится к минимуму.
IV. Тиристорно-импульсная система управления (ТИСУ)
Скорость регулируют за счет плавного изменения среднего напряжения на двигателе, которое зависит от отношения длительности импульса

к длительности периода

(рис. 19.11, а). Машинист управляет тиристорами через специальную систему управления, вырабатывающую импульсы на запуск и отключение тиристоров.
Однотактный тиристорный прерыватель (рис. 19.11, б) работает следующим образом. При открытом зарядном тиристоре Д2 конденсатор С заряжается, через двигатель от источника питания с полярностью, указанной в скобках. По мере заряда конденсатора ток тиристора Д2 спадает до нуля и тиристор закрывается. Включение рабочего тиристора Д1 приводит к подаче напряжения аккумуляторной батареи к двигателю. В то же время конденсатор Сначинает перезаряжаться через открытый тиристор Д1, индуктивность Lи диод Д3;
при этом полярность напряжения на конденсаторе меняется на обратную. При включении Д2 конденсатор разряжается на тиристор Д1; ток разряда направлен встречно прямому току тиристора и последний закрывается. Ширина импульса напряжения, поступающего на двигатель, в данной схеме остается примерно постоянной, а среднее значение напряжения изменяется в зависимости от частоты импульсов запуска тиристора Д1. Ток нагрузки во время паузы поддерживается за счет запасенной двигателем энергии и протекает через диод обратного тока Д4. Пульсация тока, как правило, не превышает 10% от уставки тягового тока (рис. 19.11, в).
Б
![]()
Рис. 19.11. Принципиальные схемы тиристорно-импульсного управления электровозом
олее широкое применение нашли двухтактные схемы ТИСУ, в которых каждый двигатель питается через свой тиристорный преобразователь, что значительно улучшает энергетический режим работы аккумуляторной батареи. При ТИСУ возможны те же режимы торможения, что и при РСУ, но применение тиристорного преобразователя позволяет осуществлять торможение в режиме стабилизации тормозного тока тяговых двигателей. Кроме того, ТИСУ дает возможность комбинировать известные способы торможения, например, электродинамическое с противовключением (рис. 19.11, г). При включенном тиристорном преобразователе ТП осуществляется торможение противовключением; при закрытых же тиристорах происходит электродинамическое торможение и ток двигателя протекает через диод Д и тормозной резистор R. Возможно электрическое торможение вплоть до полной остановки электровоза.
V. Дистанционное управление
Дистанционное управление применяют на рудных шахтах, на которых протягивание вагонеток при погрузке и разгрузке осуществляется электровозом. Простейшая схема изображена на рис. 19.12. Контактный провод орта изолирован от общешахтной контактной сети. У каждого пункта погрузки установлены кнопки П. Электровоз, въехав в орт, останавливается. Машинист устанавливает рукоятки контроллера в положение для движения в необходимом направлении, оставляет электровоз, идет к погрузочному люку и нажимает кнопку П, что вызывает замыкание контактора К и движение электровоза. Сейчас разрабатываются более совершенные с

Рис. 19.12. Принципиальная схема дистанционного управления электровозом:
1, 2 – контактный провод соответственно у въезда и выезда из орта; 3 – изоляционная вставка;
4 – контактный провод орта; 5 – якорь тягового двигателя; 6 – обмотка возбуждения двигателя; 7 – пусковое сопротивление
хемы.
Основные характеристики электроэнергии в бытовых сетях
На сегодняшний день существует несколько критериев, определяющих качество электроэнергии бытовых электрических сетей, имеющих напряжение 220 В. Все эти характеристики четко определены в ГОСТ 32144-2013. К наиболее важным из них относятся:
- Отклонение частоты.
- Медленные изменения, а также колебания и провалы напряжения.
- Несинусоидальность напряжения.
- Несимметрия напряжения в трехфазных сетях.
При обустройстве электрической проводки собственной квартиры нет нужды учитывать все параметры качества электроэнергии. Достаточно знать основные ее характеристики, проверить которые можно с использованием несложных и достаточно дешевых измерительных приборов.

К таким параметрам относится частота питающей сети (постоянный или переменный ток), величина напряжения, а также мощность подключаемых потребителей.
Реостатный пуск асинхронного двигателя с кз ротором.
Если невозможно запустить АД с кз ротором в стандартном режиме, используют запуск при сниженном напряжении. С этой целью в цепь статора добавляют сопротивление, реостат или используют автотрансформатор. Автоматический выключатель QF срабатывает и на управляющую и силовую цепь поступает напряжение. После нажатия кнопки SB1 пускатель КМ1 приходит в действие, подавая электроток в цепь статора с включенным сопротивлением. В то же время питание поступает и на реле времени КТ.
Рисунок 2 — Схема асинхронного двигателя с симметричными сопротивлениями (реостатный пуск)
Через определенный временной интервал, задаваемый реле КТ, происходит замыкание контакта КТ. В итоге пускатель КМ2 шунтирует (закорачивает) сопротивление статора. Процедура запуска электродвигателя завершается. Для его выключения необходимо нажать клавишу SB2 и выключить автомат QF.
Общие сведения о трёхфазном токе и трёхфазном двигателе
| Как известно из курса электротехники, в промышленности трёхфазный ток создаётся трёхфазным генератором, который имеет три обмотки сдвинутые относительно своей геометрической оси на угол 120°, поэтому на выходе каждой из обмоток генератора образуются переменные токи, фазы которых соответственно сдвинуты друг относительно друга также на 120°. График трёхфазного тока представлен на (Рис.2). Конструкция и принцип работы трёхфазного и однофазного асинхронных двигателей почти одинаковы. Разница лишь в обмотках статора. Трехфазные электродвигатели имеют на статоре трёхфазную обмотку, каждая секция обмоток которых сдвинута на 120°. Ротор (подвижная часть) трёхфазного двигателя имеет такую же конструкцию, что и однофазные асинхронные двигатели, т.е. состоит из короткозамкнутой обмотки в виде «беличьего колеса». Статор (неподвижная часть) состоит из сердечника в пазы которого уложены секции обмоток и подключены к контактной колодке двигателя. В отличие от однофазного асинхронного конденсаторного двигателя, трёхфазный двигатель подключённый к трёхфазной сети, не нуждается в пусковом конденсаторе, поскольку сдвиг фаз токов необходимый для образования пускового момента и вращающегося кругового магнитного поля обусловлен самой системой питания. Трёхфазные асинхронные двигатели могут работать так же от однофазной сети, но с потерей мощности примерно на 50% и естественно уже с применением пусковой схемы построенной на конденсаторах. |

| Существуют две классические схемы подключения трёхфазных двигателей – это соединение обмоток статора по схеме «звезда» и «треугольник» (Рис.3) В стиральных машинах применяются трёхфазные асинхронные двигатели обмотки статора которых соединены по схеме «треугольник», т.е.конец первой обмотки соединен с началом второй, конец второй с началом третьей, а конец третьей с началом первой, образуя замкнутый контур. При таком соединении в замкнутый контур нет никакой опасности, так как благодаря сдвигу по фазе между электродвижущими силами на 120° их геометрическая сумма равна нулю и, следовательно тока в контуре быть не может. Все обмотки в трёхфазном двигателе имеют одинаковое электрическое сопротивление, что обеспечивает равномерную нагрузку на каждую фазу. |
Если не вдаваться в подробности основ теории электротехники, отметим главное – электродвигатели с обмотками, соединёнными звездой работают намного мягче, чем электродвигатели с соединением обмоток в треугольник, но нельзя не отметить, что при соединении обмоток звездой двигатель не способен выдать максимальную мощность. Если соединить обмотки треугольником, двигатель выдаст полную паспортную мощность (приблизительно в 1,5 раза выше, чем при соединении звездой), но значения пусковых токов будут высокими.
Управление асинхронным двигателем
- Способы подключения асинхронного электродвигателя к сети питания:
- прямое подключение к сети питания
- подключение от устройства плавного пуска
- подключение от преобразователя частоты
Варианты подключения асинхронного электродвигателя с помощью магнитного пускателя (слева), устройства плавного пуска (посеридине) и частотного преобразователя (справа). Схемы представлены в упрощенном виде. FU1-FU9 — плавкие предохранители, KK1 — тепловое реле, KM1 — магнитный пускатель, L1-L3 — контакты для подключения к сети трехфазного переменного тока, M1-M3 — асинхронные электродвигатели, QF1-QF3 — автоматические выключатели, UZ1 — устройство плавного пуска, UZ2 — преобразователь частоты
Прямое подключение к сети питания
Использование магнитных пускателей позволяет управлять асинхронными электродвигателями путем непосредственного подключения двигателя к сети переменного тока.
С помощью магнитных пускателей можно реализовать схему:
- нереверсивного пуска: пуск и остановка;
- реверсивного пуска: пуск, остановка и реверс.
Использование теплового реле позволяет осуществить защиту электродвигателя от величин тока намного превышающих номинальное значение.
Реверсивная схема
Недостатком прямой коммутации обмоток асинхронного электродвигателя с сетью является наличие больших пусковых токов, во время запуска электродвигателя.
Комплект учебно-лабораторного оборудования «Схемы управления двухскоростным асинхронным двигателем с короткозамкнутым ротором»
Техническое описание
Габариты: не более 650 х 600 х 450 мм.Масса: не более 25 кг.Электропитание: 3 х 380 В, 50 Гц.Потребляемая мощность от сети: не более 750 Вт.Класс защиты от поражения электрическим током: I.
Комплектность
Состав:
- Шкаф электромонтажный с замком.
- Контакторы с контактными приставками – 4 шт.
- Электротепловое реле – 2 шт.
- Токовое реле – 2 шт.
- Световой индикатор фаз.
- Универсальный блок защиты.
- Световые индикаторы – 3 шт.
- Кнопки управления – 8 шт.
- Переключатель.
- Амперметр.
- Вольтметр.
- Блок ввода неисправностей.
- Двухскоростной асинхронный двигатель с короткозамкнутым ротором.
- Комплект учебно-лабораторного оборудования «Схемы управления двухскоростным асинхронным двигателем с короткозамкнутым ротором».
- Интерактивная светодинамическая сенсорная панель.
- Паспорт.
- Руководство по эксплуатации.
- Методические рекомендации по выполнению лабораторных работ.
Лабораторные работы
- Сборка и наладка схемы пуска и торможения.
- Сборка и наладка схемы пуска, реверса и торможения.
- Сборка и наладка схемы тепловой защиты с использованием электротеплового реле.
- Программирование микропроцессорного блока управления и защиты.
- Сборка и наладка схемы тепловой защиты с использованием микропроцессорного блока управления.
- Сборка и наладка схемы защиты от обрыва фазы с использованием микропроцессорного блока управления.
- Сборка и наладка схемы «треугольник – двойная звезда» пуска и торможения.
- Сборка и наладка схемы «треугольник – двойная звезда» пуска, реверса и торможения.
- Сборка и наладка схемы пуска и торможения с помощью пакетного переключателя.
- Поиск неисправностей в системе управления электродвигателем.
Описание:Комплект учебно-лабораторного оборудования представляет собой шкаф с установленными в него элементами управления, защиты и индикации.
Блок ввода неисправностей позволяет вводить 6 неисправностей:
обрыв фазы U,межфазное замыкание U и W,обрыв фазы V,межвитковое замыкание в обмотке V- V1,обрыв фазы W,замыкание фазы W на землю.
Компания ООО «Профкабинет» готова предложить своим клиентам, произвести и поставить учебные Электротехника. Электроника. Электромеханика. Электрооборудование для ВПО, СПО, НПО. Мы предлагаем Вашему вниманию стенд, стоимость комплекта 139200 руб. Стоимость указана актуальная и действует на 1 квартал 2021 года. Мы готовы как к осуществлению поставки оборудования, так и к полному формированию проекта, подготовке всей необходимой документации и укомплектованию лабораторию «под ключ». Наша компания на практике подтверждает свою мобильность и надежность. Качество учебных и лабораторных стендов находится на высоком уровне, вся продукция проходит ОТК. Оборудование производится в нужные для Вас сроки и по доступной цене.
Нашими клиентами уже стали сотни университетов, техникумов, колледжей и училищ по всей России и странам ближнего зарубежья. Надеемся на плодотворное сотрудничество!
Мостовые драйверы
Далее предстояла работа над напряжением 20 вольт на управление затворами. Для этого существуют мостовые драйверы транзисторов, они обеспечивают стабильные импульсы в 20 вольт на затвор и высокую скорость отклика. Сначала у меня были популярные драйверы для маломощных моторов L293D.

Для управления затворами его достаточно, к тому же их очень просто использовать. Один такой драйвер может обеспечить питанием две пары ключей. Поэтому я взял две штуки L293D. Собрал контроллер с этими драйверами, и колесо начало крутиться существенно плавнее, посторонних звуков стало меньше, нагрев транзисторов уменьшился. Но при увеличении оборотов синхронизация с контроллером пропадала, появлялся посторонний звук, колесо дёргалось, вибрировало и полностью останавливалось.
В это же время я наткнулся на два варианта мостовых драйверов:
- HIP4086
- IR2101
Что касается HIP4086, то это полноценный мостовой драйвер, предназначенный для трёхфазного электродвигателя. Мне он показался несколько замороченным, и мои попытки использовать его в контроллере не увенчались успехом: он у меня так и не заработал. Углублённо разбираться в причинах не стал.
А взял я IR2101 — полумостовой драйвер, обеспечивающий работу нижнего и верхнего ключей для одной фазы. Несложно догадаться, что таких драйверов нужно три. К слову, драйвер очень прост в использовании, его подключение происходит безболезненно и легко. Получилась такая схема:

И готовый результат

Собрал контроллер с этим драйвером и запустил двигатель. Ситуация с работой электродвигателя кардинально не поменялась, симптомы остались те же, как и в случае с драйвером L293D.
Управление частотными контроллерами
Современные преобразователи частоты тока/напряжения работают и по скалярному, и по векторному варианту, используя параметрические математические модели, реализованные в программном коде встроенного микроконтроллера. Частотники электронного типа работают на тиристорных мостовых схемах и включают следующие основные компоненты:
- Выпрямитель – тиристорный или транзисторный мост, преобразующий переменный ток в постоянный,
- Инвертор – блок АИМ/ШИМ, работающий по обратному принципу, то есть преобразующий постоянный ток в переменный.
Поскольку такой переход так или иначе влияет на форму графика выходного напряжения, то блочный контроллер/частотник может использовать в схеме дросселя и специальные ЕМС фильтры. Последние применяют для снижения интенсивности электромагнитных помех.
Управление частотными контроллерами
Центральный контроллер обеспечивает параметрическое управление схемой, а также вспомогательными задачами, например, диагностикой состояния, защитой от перегрузок и т. п. Сам частотник обычно монтируется в отдельный шкаф, чтобы уменьшить электромагнитные помехи на оборудование.
В целом, векторное управление, организованное на современном контроллере и преобразователе частоты, позволяет добиться плавного регулирования ключевых величин, а также побочных параметров работы оборудования. Ввиду наличия электромагнитных помех при работе, частотники обычно размещают отдельно от основного электрического шкафа.
Виды возобновляемой энергии в России
Солнечная энергия
Используется и в промышленных масштабах, и у местного населения как резервный или основной источник тепла и электричества. Мощность всех солнечных установок – 400 МВт, из них самые крупные в Самарской, Астраханской, Оренбургской областях и Крыму. Самая мощная СЭС – «Владиславовка» (Крым). Ещё разрабатываются проекты для Сибири и Дальнего Востока.
Ветровая энергетика
Ветровая возобновляемая энергия в России представлена чуть хуже, чем солнечная, хотя и здесь есть промышленные установки. Общая мощность ветровых генераторов в нашей стране – 183,9 МВт (0,08 % от всей энергосистемы). Больше всего установок – в Крыму, а мощнейшая находится в Адыгее – «Адыгейская ВЭС».
Гидроэнергетика
Это самый популярный вариант альтернативного источника энергии в России. Около 200 речных ГЭС вырабатывают до 20% от всей энергии в стране. В заливе Кислая губа в Мурманской области с 1968 года есть приливная электростанция – «Кислогубская ПЭС». Самая крупная ГЭС стоит на реке Енисей – «Саяно-Шушенская».
Геотермальная энергетика
За счёт обилия вулканов этот вид энергетики распространён на Камчатке. Там 40% потребляемой энергии генерируется на геотермальных источниках. По данным учёных, потенциал Камчатки оценивается в 5000 МВт, а вырабатывается только 80 МВт энергии в год. Ещё геотермальные станции есть на Курилах, Ставропольском и Краснодарском крае.
Биотопливо
Наша страна входит в тройку экспортёров пеллет на европейском рынке. В России есть заводы, создающие из остатков древесины пеллеты и брикеты, которыми топят котлы и печки.
Сельскохозяйственные отходы преобразуют в жидкое топливо и биогаз для дизельных двигателей. А вот свалочный газ не используется вообще, его просто выбрасывают в атмосферу, нанося ущерб окружающей среде.
Схема включения асинхронного двигателя с фазным ротором
Рис. 3. Схема пуска асинхронного двигателя с фазным ротором
Используя схему асинхронного двигателя (рис. ) рассмотрим запуск в две ступени который проводится с использованием релейно-контакторной аппаратуры. Одновременно напряжение подается как на силовые цепи, так и на управляющие — замыкается выключатель QF. При подаче напряжения реле времени (обозначены КТ1 и КТ2) в цепи управления срабатывают, размыкая свои контакты. После нажатия кнопки запуска (SB1) срабатывает контактор КМ3 и запускается двигатель с резисторами, которые введены в цепь ротора — в этот момент на контакторах КМ1 и КМ2 питания нет. При подключении контактора КМЗ, из-за потери питания, в цепи контактора КМ1 реле КТ1 замыкает контакт через интервал времени, заданный задержкой времени в реле КТ1. По истечению времени (двигатель разгоняется, ток ротора начинает падать) происходит включение контактора КМ1 — происходит шунтирование первой пусковой ступени резисторов. Ток снова возрастает. но по мере разгона его значение начинает уменьшаться. Одновременно с этим в цепи происходит размыкание реле КТ2, оно теряет питание и с выставленной выдержкой происходит замыкание контакта в цепи контактора КМ2. Происходит шунтирование второй ступени резисторов, включенных в цепь ротора. Двигатель работает в штатном режиме.
Лечение скатами
Как-то в Древнем Риме сын богатого архитектора и начинающий врач, Клавдий Гален прогуливался по берегу Средиземного моря. И тут его глазам предстало весьма странное зрелище – навстречу ему шли два жителя близлежащих деревушек, к головам которых были привязаны электрические скаты! Так история описывает первый известный нам случай применения физиотерапии при помощи живого электричества. Метод был взят Галеном на заметку, и столь необычным способом он спасал от боли после ранений гладиаторов, и даже излечил больную спину самого императора Марка Антония, который вскоре после этого назначил его личным врачом.





























