Анализ особенностей применения КМОП-микросхем
Рис.5 Передаточные характеристики для разных значений питающего напряжения Vcc
В данном разделе рассмотрены различные ситуации, возникающие при разработке цифровых систем с использованием КМОП-микросхем: неиспользуемые входы, параллельное включение элементов для увеличения нагрузочной способности, разводка шин данных, согласование с логическими элементами других семейств.
Рис. 6. Гарантированные значения диапазона напряжений логических уровней для ТТЛ-схем в диапазоне температур как функция напряжения питания V
Неиспользуемые выводы или, проще говоря, неиспользуемые входы не должны оставаться неподключенными. Из-за очень большого входного сопротивления (1012 Ом) плавающий вход может дрейфовать между логическими «нулем» и «единицей», создавая непредсказуемое поведение выхода схемы и связанные с этим проблемы в системе. Все неиспользуемые входы должны быть подключены к шине питания, «общему» проводу или другому используемому входу. Выбор решения не случаен, поскольку надо учитывать возможное влияние на выходную нагрузочную способность схемы. Рассмотрим для примера че-тырехвходовый элемент 4И-НЕ, используемый как двухвходовый логический вентиль 2И-НЕ. Его внутренняя структура показана на рис. 7.
Пусть входы А и В будут неиспользуемыми входами. Если неиспользуемые входы подключены к фиксированному высокому логическому уровню, то входы А и В — к шине питания, чтобы разрешить работу остальных входов. Это приведет к включению нижних А и В транзисторов и выключению соответствующих верхних А и В. В таком случае могут быть включены одновременно не более двух верхних транзисторов. Однако если входы А и В подключены к входу С, входная емкость утроится, но каждый раз, когда на вход С поступает уровень логического «нуля», верхние транзисторы А, В и С включаются, утраивая значение максимального выходного тока уровня логической «единицы». Если на вход D поступает также уровень логического «нуля», все четыре верхних транзистора включены. Таким образом, подключение неиспользуемых входов элемента И-НЕ к шине питания (ИЛИ-НЕ к «общему» проводу) приведет к их включению, но подключение неиспользуемых входов к другим используемым входам гарантирует увеличение выходного вытекающего тока уровня логической «единицы», в случае элемента И-НЕ (или выходного втекающего тока уровня логического «нуля» в случае элемента ИЛИ-НЕ).
Для последовательно включенных транзисторов увеличения выходного тока не происходит. Учитывая это обстоятельство, многовходовый логический элемент может использоваться для непосредственного управления мощной нагрузкой, к примеру, обмоткой реле или лампой накаливания.
В зависимости от типа логического элемента объединение входов гарантирует увеличение нагрузочной способности для вытекающего или втекающего токов, но не двух одновременно. Для того чтобы гарантировать увеличение двух выходных токов, необходимо параллельно включить несколько логических элементов (рис. 8). В таком случае увеличение нагрузочной способности достигается за счет параллельного включения нескольких цепочек транзисторов (рис. 7), что увеличивает соответствующий выходной ток.
Рис. 7. Четырехвходовый логический элемент 4И-НЕ, входящий в состав микросхемы КР1561ЛА1
Для разводки шин данных существуют два основных способа. Первый способ — параллельное соединение обычных буферных КМОП-элементов (например, К561ЛН2). И второй, наиболее предпочтительный, способ — соединение элементов с тремя выходными состояниями.
Ждущий мультивибратор — одновибратор — формирователь импульсов.
Схемы формирователей импульсов на цифровых КМОП микросхемах, онлайн расчёт времязадающих цепей и длительности выходных импульсов. — Почему ждущий? — Почему, почему? Потому что не спит ни днём, ни ночью — он на дежурстве, он ждёт! И ожидает он не трамвая на остановке, а внешнего сигнала запуска для формирования одиночного выходного импульса фиксированной длительности, после чего возвращается в первоначальное состояние самопроизвольно, без каких-либо воздействий и утомительных уговоров. — А почему одновибратор? — Ну, так как, почему? Выдержан, характер нордический, в генерацию, подобно мультивибратору, не впадает, имеет одно устойчивое состояние. Говорили ж Вам — он на дежурстве, он ждёт! — «Говорили ж бабы Вам, пиво с водкой, не для дам!». Второе-то состояние – неустойчивое! — А тут уж, мил-человек, ничего не попишешь, в конце концов, он — одновибратор. У каждого свои недостатки.
Как подключить генератор к Toyota?
Чтобы подключить электрогенератор в Тойота Марк 2, надо совместить выводы от него с соответствующими клеммами на разъеме (буквенными обозначениями). В разных моделях форма разъема может быть круглой, квадратной или овальной. Кроме того, может быть отличие в количестве контактов
Это не важно, главное непременно совместить S, L и IG, для правильной работы. Лучше приобретать запчасть с соответствующей формой разъема, чтобы не пришлось менять его или переделывать соединение
Как выявить нужные контакты разъема без маркировки:
- Для этого используйте 5 ваттный контроллер, один его контакт замкните на массу, другой на клемму разъема;
- Даже с выключенным зажиганием лампочка загорается при замыкании на контакт S;
- При замыкании на L, при включенном зажигании, должна засветиться лампа АКБ на приборной панели;
- При замыкании на контакт IG, индикатор контролера горить с включенным зажиганием, и гаснет с выключенным;
Программа для расчета простого мультивибратора на микросхеме CD4011
В радиолюбительской практике очень часто бывает необходимо собрать простой и дешевый генератор импульсов. Проще всего собрать его на одной из самых распространённых КМОП микросхем типа CD4011 (советский аналог К561ЛА7). Такой генератор импульсов можно использовать в различных импульсных устройствах, таких как преобразователи напряжения, тестеры для проверки различных радиосхем, генераторы для прозвони электрических цепей и т.д.
Микросхема CD4011 входит в состав очень распространенной и очень старой 4000-й серии микросхем (в СССР это серия К561). 4011 — это наверно самая распространенная среди радиолюбителей микросхема данной серии, так как содержит в одном корпусе четыре логических элемента 2И-НЕ (NAND). А как известно из теории цифровой техники, на логических элементах 2И-НЕ можно построить абсолютно любые более сложные логические схемы, то есть элемент NAND представляет собой универсальный «кирпичик» цифровой техники.
Микросхема CD4011 очень удобна тем, что работает в относительно широком диапазоне питающих напряжений. Теоретически, работоспособность сохраняется при изменении напряжения питания от 3 до 18 вольт. Но в реальных схемах желательно использовать эти микросхемы при напряжении питания не ниже 5 и не выше 15 вольт. Из недостатков серии 4000 — не очень высокое быстродействие. Реальная граничная рабочая частота зависит от напряжения питания. При максимальном напряжении рабочая частота не выше 10..15 мегагерц. При напряжении питания 3..5 вольт — это примерно 2 — 3 мегагерца. Тем не менее для многих применений этого вполне достаточно. Мне нравится использовать генератор прямоугольных импульсов на этой микросхеме в дешевых повышающих преобразователях напряжения для управления ключевым MOSFET транзистором. Мультивибратор на логической микросхеме обеспечивает лучшую форму выходных прямоугольных импульсов, чем например известная схема мультивибратора на двух транзисторах, и кроме того, содержит меньше деталей.

Распиновка микросхемы CD4011 (К561ЛА7)
Логические уровни КМОП-микросхем
Логические уровни КМОП-микросхем существенно отличаются от . При отсутствии тока нагрузки напряжение на выходе КМОП-микросхемы совпадает с напряжением
питания (логический уровень единицы) или с потенциалом общего провода (логический уровень нуля). При увеличении тока нагрузки
напряжение логической единицы может уменьшается на 2,8В от напряжения питания (Uп=15В). Допустимый уровень напряжения
на выходе цифровой КМОП микросхемы (серия микросхем К561) при пятивольтовом питании показан на рисунке 9.

Как уже говорилось ранее, напряжение на входе цифровой микросхемы по сравнению с выходом обычно допускается в больших
пределах. Для КМОП-микросхем договорились о 30% запасе. Границы уровней логического нуля и единицы для КМОП-микросхем
при пятивольтовом питании приведены на рисунке 10.

Доработка генератора ГУК-1
FM модуляция в генераторе ГУК-1.
Еще одна идея модернизации генератора ГУК-1, я ее не пробовал, потому, как у меня собственного генератора нет, но по идее все должно работать. Эта доработка позволяет настраивать узлы, как приемной, так и передающей аппаратуры, работающей с применением частотной модуляции, например радиостанций СВ диапазона
И, что не маловажно, с помощью резистора Rп можно подстраивать несущую частоту. Напряжение, которое используется для смещения варикапов должно быть обязательно стабилизированным
Для этих целей можно использовать однокристальные трехвыводные стабилизаторы на напряжение 5В и небольшим падением напряжения на самом стабилизаторе. В крайнем случае можно собрать параметрический стабилизатор, состоящий из резистора и стабилитрона КС156А. Прикинем величину резистора в цепи стабилитрона. Ток стабилизации КС156А лежит в пределах от 3ма до 55ма. Выберем начальный ток стабилитрона 20ма. Значит при напряжении питания 9В и напряжении стабилизации стабилитрона 5.6В, на резисторе при токе в 20ма должно упасть 9 — 5,6 = 3,4В. R = U/I = 3,4/0,02 = 170 Ом. При необходимости величину резистора можно изменить. Глубина модуляции регулируется все тем же переменным резистором R8 — регулятор выходного напряжения НЧ. При необходимости изменить пределы регулировки глубины модуляции, можно подобрать номинал резистора R*.
Логические КМОП (КМДП) элементы «И»
Схема логического элемента «И-НЕ» на КМОП микросхемах практически совпадает с упрощенной
схемой «И» на ключах с электронным управлением, которую мы рассматривали ранее. Отличие заключается в том, что
нагрузка подключается не к общему проводу схемы, а к источнику питания. Это формирует инверсию выходного сигнала. Принципиальная
схема логического элемента «2И-НЕ», выполненного на комплементарных МОП
транзисторах (КМОП или КМДП), приведена на рисунке 3.
«2И-НЕ»
В этой схеме можно было бы применить в верхнем плече обыкновенный резистор,
однако при формировании низкого уровня сигнала схема постоянно потребляла бы ток. Вместо этого, в качестве нагрузки
используются p-МОП транзисторы. Эти транзисторы образуют активную нагрузку. Если на выходе требуется сформировать
высокий потенциал, то транзисторы открываются, а если низкий — то закрываются.
Обратите внимание, что КМОП топология логического элемента «2И-НЕ» получается еще проще. В качестве нижних двух полевых
транзисторов используется единый n канал, на котором формируется два затвора (двухзатворный полевой транзистор)
Упрощенная
топология логического элемента «2И-НЕ» на комплементарных МОП транзисторах приведена в и показана на
рисунке 4.
«2И-НЕ»
Такая топология позволяет занимать на кристалле интегральной микросхемы минимальное место и получать максимальную
плотность логических элементов. Способом, подобным приведенному на рисунке 4 легко могут быть получены логические
элементы «3И-НЕ», «4И-НЕ», «8И-НЕ» и т.д.
В приведённой на рисунке 3 схеме логического КМОП-элемента «2И-НЕ», ток от источника питания на выход
КМОП-микросхемы будет поступать через один из транзисторов, если хотя бы на одном из входов (или на обоих сразу)
будет присутствовать низкий потенциал (уровень логического нуля). Если же на обоих входах логического КМОП-элемента
«И» будет присутствовать уровень логической единицы, то оба p-МОП транзистора будут закрыты и на выходе
КМОП микросхемы сформируется низкий потенциал. В этой схеме, так же как и в схеме, приведенной на рисунке 1,
если транзисторы верхнего плеча будут открыты, то транзисторы нижнего плеча будут закрыты, поэтому в статическом
состоянии ток КМОП-микросхемой от источника питания потребляться не будет.
Условно-графическое изображение КМОП логического элемента «2И-НЕ»
не отличается от УГО ТТЛ, ДТЛ или ЭСЛ логических элементов и показано на рисунке 5, а таблица истинности
приведена в таблице 1. В таблице 1 входы обозначены как x1 и x2, а выход —
F.
Самодельные приборы для заряда
Самостоятельно сделать зарядку для шуруповёрта на 12 вольт своими руками, по аналогии с той, что применяется в ЗУ Интерскол, довольно просто. Для этого потребуется воспользоваться способностью термореле разрывать контакт при достижении определённой температуры.
В схеме R1 и VD2 представляют собой датчик прохождения тока заряда, R1 предназначен для защиты диода VD2. При подаче напряжения транзистор VT1 открывается, через него проходит ток и светодиод LH1 начинает светиться. Величина напряжения падает на цепочке R1, D1 и прикладывается к аккумулятору. Ток заряда проходит через термореле. Как только температура аккумулятора, к которому подключено тепловое реле, превысит допустимое значение, оно срабатывает. Контакты реле переключаются, и ток заряда начинает протекать через сопротивление R4, светодиод LH2 загорается, сообщая об окончании заряда.
Схема на двух транзисторах
Ещё одно простое устройство можно выполнить на доступных элементах. Эта схема работает на двух транзисторах КТ829 и КТ361.
Величина тока заряда управляется транзистором КТ361 к коллектору, которого подключён светодиод. Этот транзистор также управляет состоянием составного элемента КТ829. Как только ёмкость батареи начинает увеличиваться, ток заряда уменьшается и светодиод соответственно плавно гаснет. Сопротивлением R1 задаётся максимальный ток.
Момент полного заряда батареи определяется необходимым напряжением на ней. Требуемая величина выставляется переменным резистором на 10 кОм. Чтобы её проверить, понадобится поставить вольтметр на клеммах подключения батареи, не подключая её саму. В качестве источника постоянного напряжения используется любой выпрямительный блок, рассчитанный на ток не менее одного ампера.
Использование специализированной микросхемы
Производители шуруповёртов стараются снизить цены на свою продукцию, часто это достигается путём упрощения схемы ЗУ. Но такие действия приводят к быстрому выходу из строя самой батареи. Применяя универсальную микросхему, предназначенную именно для ЗУ компании MAXIM MAX713, можно добиться хороших показателей процесса заряда. Вот как выглядит схема зарядного устройства для шуруповёрта на 18 вольт:
Микросхема MAX713 позволяет заряжать никель-кадмиевые и никель-металл-гидридные аккумуляторы в режиме быстрого заряда, током до 4 C. Она умеет отслеживать параметры батареи и при необходимости снижать ток автоматически. По окончании зарядки схема на основе микросхемы практически не потребляет энергии от аккумулятора. Может прерывать свою работу по времени или при срабатывании термодатчика.
HL1 служит для индикации питания, а HL2 — для отображения быстрого заряда. Настройка схемы заключается в следующем. Для начала выбирается зарядный ток, обычно его значение составляет величину равную 0,5 C, где C — ёмкость аккумулятора в амперчасах. Вывод PGM1 соединяется с плюсом напряжения питания (+U). Мощность выходного транзистора рассчитывается по формуле P=(Uвх — Uбат)*Iзар, где:
- Uвх – наибольшее напряжение на входе;
- Uбат – напряжение на аккумулятор;
- Iзар – зарядный ток.
Сопротивление R1 и R6 рассчитывается по формулам: R1=(Uвх-5)/5, R6=0.25/Iзар. Выбор времени, через которое зарядный ток отключится, определяется подключением контактов PGM2 и PGM3 к разным выводам. Так, для 22 минут PGM2 оставляется неподключенным, а PGM3 соединяется с +U, для 90 минут PGM3 коммутируется с 16 ногой микросхемы REF. Когда понадобится увеличить время зарядки до 180 минут PGM3 закорачивают с 12 ногой MAX713. Наибольшее время 264 минуты достигается соединением PGM2 со второй ногой, а PGM3 с 12 ногой микросхемы.
Генератор НЧ радиолюбителя-конструктора
Генератор НЧ является одним из самых необходимых приборов в радиолюбительской лаборатории. С его помощью можно налаживать различные усилители, снимать АЧХ, проводить эксперименты. Генератор НЧ может быть источником НЧ сигнала, необходимого для работы других приборов ( измерительных мостов, модуляторов и др. )
Желательно чтобы генератор вырабатывал не только синусоидальное, но и прямоугольное напряжение, логического уровня, скважность и амплитуду которого можно регулировать.Принципиальная схема генератора показана на Рис.1. Схема состоит из низкочастотного синусоидального генератора на операционном усилителе А1 и формирователя прямоугольных импульсов на микросхеме D1
Схема синусоидального генератора традиционная. Операционный усилитель, при помощи положительной обратной связи ( С1-С3, R3, R4, R5, C4-C6 ) выполненной по схеме моста Винна, приведён в режим генерации. Избыточная глубина положительной обратной связи, приводящая к искажению выходного синусоидального сигнала, компенсируется отрицательной ОС R1-R2. Причём R1 подстроечный, чтобы с его помощью можно было установить величину ОС такой, при которой на выходе операционного усилителя неискажённый синусоидальный сигнал наибольшей амплитуды. Лампа накаливания включена на выходе ОУ в его цепи обратной связи. Вместе с резистором R16 лампа образует делитель напряжения, коэффициент деления которого зависит от протекающего через него тока ( лампа Н1 выполняет функции терморезистора, увеличивая своё сопротивление от нагрева, вызванного протекающим током ). Частота устанавливается двумя органами управления, – переключателем S1 выбирают один из трёх поддиапазонов «20-200 Гц», «200-2000 Гц» и «2000-20000 Гц». Реально диапазоны немного шире и частично перекрывают друг друга. Плавная настройка частоты производится сдвоенным переменным резистором R5. Желательно чтобы резистор был с линейным законом изменения сопротивления. Сопротивления и законы изменения составных частей R5 должны быть строго одинаковыми, поэтому применение самодельных сдвоенных резисторов ( сделанных из двух одиночных ) недопустимо. От точности равенства сопротивлений R5 сильно зависит коэффициент нелинейных искажений синусоидального сигнала. На оси переменного резистора закреплена ручка со стрелкой и простая шкала для установки частоты. Для точной установки частоты используют цифровой частотомер. Выходное напряжение плавно регулируют переменным резистором R6. С этого резистора поступает НЧ напряжение на милливольтметр, чтобы можно было установить необходимое выходное напряжение. Понизить установленное значение в 10 и 100 раз можно при помощи аттенюатора на резисторах R12-R14. Максимальное выходное напряжение НЧ генератора 1,0V. Для формирования импульсов служит ключ на транзисторе VT2 и три логических элемента на микросхеме D1. Выходной уровень КМОП логики. Транзистор VT2 включён по схеме ключа. Это значит, что при достижении на эго базе напряжения определённого уровня он лавинообразно открывается. На базу транзистора переменное напряжение с выхода генератора подаётся через делитель R9-R10. При помощи R9 можно установить величину минимального напряжения, при котором открывается VT2. Благодаря диоду VD1, который создаёт на эмиттере транзистора небольшое отрицательное напряжение смещения, этот порог можно устанавливать от 0,1 до 1V. То есть, до максимального значения выходного напряжения генератора. В зависимости от того, как установлен этот порок, транзистор VT2 будет открываться и закрываться на определённых участках положительной полуволны низкочастотного напряжения. И от этого будет зависеть ширина импульсов, возникающих на коллекторе транзистора. Окончательно прямоугольную форму импульсам предают элементы микросхемы D1. С гнёзд Х4 и Х5 можно снимать противофазные импульсы. Регулируют амплитуду выходных прямоугольных импульсов изменяя напряжение питания микросхемы D1 в пределах от 9,5 до 3,5V. Регулятор напряжения выполнен на транзисторе VT1. Выключают генератор тумблером на два положения S2, отключающим генератор от источника двуполярного напряжения ±10V.
Источник
Одновибратор на логических элементах К155ЛА3
Одновибратором именуют генератор, вырабатывающий одиночные электрические импульсы. Алгоритм работы одновибратора таков: при поступлении на вход одновибратора электрического сигнала, схема выдает на выходе короткий импульс, продолжительность которого определяется номиналами RC цепи.
После окончания формирования выходного импульса, одновибратор вновь возвращается в свое первоначальное состояние, и процесс повторяется при поступлении нового сигнала на его входе. Поэтому данный одновибратор еще именуют ждущим мультивибратором.
На практике применяется множество разновидностей одновибраторов, таких как одновибратор на транзисторах, операционных усилителях и одновибратор на логических элементах.
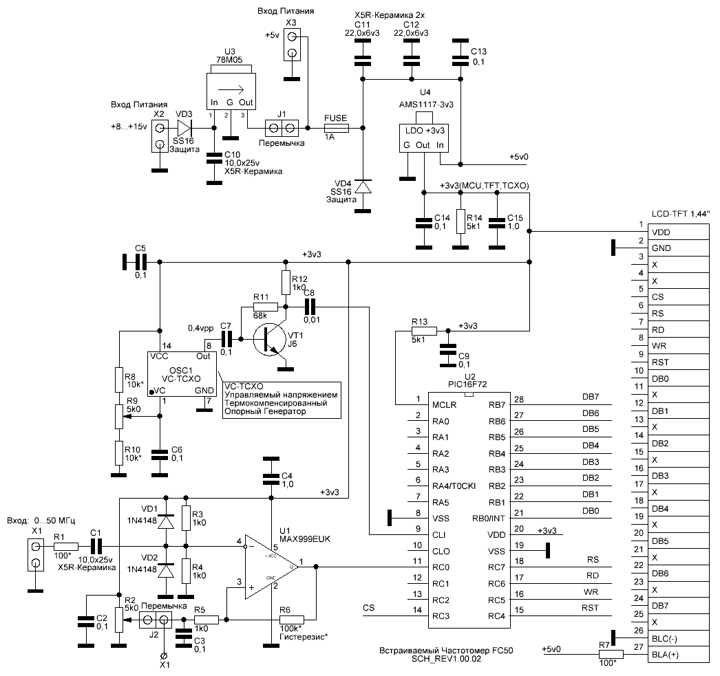
FC50 — Частотомер встраиваемый от 1 Гц до 50 МГц.
Частотомер собран, настроен, проверен. Готовое решение для Ваших конструкций, экспериментов.
Технические характеристики частотомера FC50:
параметр
| минимум | норма | максимум | |
| Диапазон измеряемых частот | 1 Гц. | — | 50 МГц. |
| Дискретность отсчета частоты от 0 до 50 МГц | — | 1 Гц. | — |
| Уровень входного сигнала для входа «B» (от 0 до 50 МГц). | 0,6 В. | 5 В. | |
| Период обновления показаний | — | 1 раз/сек | — |
| Напряжение питания (разъём «+5v») | +4,5 В. | +5,0 В. | +5,5 В. |
| Напряжение питания (разъём «+8…15v») | +8,0 В. | +15,0 В. | |
| Стабильность частоты @19,2МГц, при температуре -20С…+80С | 2ppm (TCXO) |
Габариты печатной платы частотомера FC50: 45мм*46мм. Дисплей цветной TFT LCD с подсветкой (диагональ 1,44″ = 3,65 см). * Верхний предел входного сигнала ограничен мощностью рассеивания защитных диодов 1N4148WS (0,2 Вт*2шт).
Особенности частотомера FC50:
| Термокомпенсированный опорный генератор TCXO. |
| Заводская калибровка. |
| Дискретность измерения частоты 1 Гц, в диапазоне 1 Гц… 50 МГц. Входной сигнал обрабатывается высокоскоростным компаратором (MAX999EUK). |
| Цветной TFT дисплей с экономичной подсветкой. |
| Мы не используем электролитические конденсаторы. Вместо электролитических конденсаторов, мы применяем современные высококачественные SMD керамические конденсаторы значительных емкостей. |
| Конструктив встраиваемого прибора. Частотомер оптимизирован для встраивания в плоскую переднюю панель любого корпуса. В комплекте поставляются нейлоновые изолирующие стойки М3*8мм., для обеспечения зазора между передней панелью и печатной платой частотомера. |
| Мы не используем технологии запрограммированного старения, широко распространившиеся в современной технике. |
| Частотомер FC50 разработан изготавливается в России. Собственное автоматизированное мелкосерийное производство. |
| Высокое качество. |
Принципиальная схема частотомера FC50:
![]()
Краткое описание частотомера FC50:
Измеряемый сигнал с входа X1, через RC цепочку R1C1 подаётся на инвертирующий вход высокоскоростного компаратора U1 (MAX999). Исходно, компаратор MAX999 имеет встроенный аппаратный гистерезис 3,5 мВ, недостаточный для стабильной работы этого узла. Поэтому, резистором R6 значение гистерезиса увеличено до 100…200 мВ, что обеспечивает оптимальную стабильность входного формирователя. Подстроечным резистором R2 осуществляется подстройка порога срабатывания компаратора для обеспечения максимальной чувствительности входа. Сформированный компаратором сигнал поступает на вход таймера/счётчика микроконтроллера U2.
В качестве опорного генератора, используется VC-TCXO (управляемый напряжением термо-компенсированный опорный генератор), обеспечивающий высокую стабильность опорной частоты (+/-2ppm или лучше), без применения дополнительных мер по термостабилизации. Транзистор VT1 усиливает амплитуду сигнала с опорного генератора (0,4 vpp) до уровня, необходимого для работы микроконтроллера U2. При необходимости, частотомер можно откалибровать самостоятельно, подключив ко входу эталон частоты и вращая движок резистора R9 «калибровка».
Резистор R7 устанавливает яркость свечения подсветки LCD-TFT дисплея, с расчётом, чтобы прямой ток не превышал 20 мА.
Узел питания частотомера FC50 состоит из двух ступеней линейных стабилизаторов. Входное напряжение +8…+15 В, через диод VD3 защиты от переполюсовки напряжения питания, подаётся на вход первого линейного стабилизатора напряжения U3, понижающего напряжение питания до безопасного уровня +5 В. Далее, напряжение +5 В, подаётся на вход прецизионного стабилизатора U4, понижающего напряжение до уровня +3,3 В. Все узлы частотомера (исключая светодиод подсветки дисплея LCD-TFT), питаются от напряжения +3,3 В. При необходимости, частотомер может питаться от напряжения +5 В, подаваемого в обход стабилизатора U3, непосредственно на вход X3. В этом случае, защита от переполюсовки питания осуществляется диодом VD4 и плавкой перемычкой «FUSE». При постоянном питании устройства от напряжения +5 В, через контакты X3, ток потребления частотомера можно несколько снизить, разрезав перемычку J1, и тем самым отключив выход стабилизатора U3.
CD4060 Working Principle
The CD4060 IC has an in-built oscillator module. As it is a binary counter, therefore on every negative transition of clock pulse, the counter value gets incremented by 1 in binary numbers. The reset input should always be grounded or connected to the negative power supply. If a positive signal (1 or HIGH) is applied to this input, it will reset the counter or oscillations to start from beginning. The effect of reset value and clock pulse is shown in the table below where X is the don’t care condition.
Truth Table
| RESET | Counter Value | |
|---|---|---|
| X | 1 | Reset Counter to 0 value |
| Negative Transition | Value in counter is advanced by 1 step | |
| Positive Transition | No change |
Как использовать CD4060
Прежде всего, нам необходимо подключить вывод VDD к положительной клемме питания, а вывод GND — к отрицательной клемме питания. Мы можем использовать источник питания с напряжением от 3 до 15 В. Хотя некоторые версии микросхемы 4060 поддерживают напряжение до 20В. Все это можно уточнить в datasheet на CD4060
Чтобы активировать генератор, подключите резистор Rt к выводу REXT, конденсатор Ct к выводу CEXT и резистор R2 к выводу CLK и соедините все оставшиеся свободные выводы Rt, Ct и R2 вместе:
Расчет частоты работы генератора можно рассчитать по следующей формуле:
f (Гц) = 1 / ( 2,3 * Ct * Rt )
Обратите внимание, что сопротивление резистора Rt должно быть намного ниже сопротивления R2, чтобы формула была правильной. Если мы хотим сбросить счетчик обратно на ноль, то на вывод RST (сброс) необходимо подать высокий уровень
В обычной ситуации, чтобы микросхема работала на RST должен быть низкий уровень
Если мы хотим сбросить счетчик обратно на ноль, то на вывод RST (сброс) необходимо подать высокий уровень. В обычной ситуации, чтобы микросхема работала на RST должен быть низкий уровень.
Используйте любой из Q-контактов в качестве выходного сигнала для управления всем тем, чем вы хотите управлять. Выход становятся высокими после того, как:
- Q3 становится высоким после 2 3 = 8 тактовых импульсов
- Q4 становится высоким после 2 4 = 16 тактовых импульсов
- Q5 становится высоким после 2 5 = 32 тактовых импульсов
- Q6 становится высоким после 2 6 = 64 тактовых импульсов
- Q7 становится высоким после 2 7 = 128 тактовых импульсов
- Q8 становится высоким после 2 8 = 256 тактовых импульсов
- Q9 становится высоким после 2 9 = 512 тактовых импульсов
- Q11 становится высоким после 2 11 = 2048 тактовых импульсов
- Q12 становится высоким после 2 12 = 4096 тактовых импульсов
- Q13 становится высоким после 2 13 = 8192 тактовых импульсов





























