Использование[править | править код]
Сравнение сигналовправить | править код
Компаратор имеет два входа: один сзади (сигнал А) и один сбоку (сигнал Б). Если к обеим боковым сторонам подведен сигнал, сигналом Б считается более сильный из них. Существует два режима вывода, переключаемые щелчком правой кнопки мыши на компараторе.
- В первом режиме (факел спереди не горит, режим по умолчанию) компаратор сравнивает сигнал А с сигналом Б и пропускает сигнал А только если А≥Б. Если А слабее Б, на выходе будет ноль.
- Во втором режиме (факел спереди горит) компаратор «вычитает» сигнал Б из сигнала А, выдавая на выход сигнал с силой, равной разности входов (А−Б).
Определение заполненности контейнеровправить | править код
Компаратор, у задней стороны которого находится контейнер, позволяет снимать с него сигнал, зависящий от заполненности хранилища. Доступные контейнеры включают в себя: обычные и двойные сундуки, сундуки-ловушки, печи, варочные стойки, раздатчики, выбрасыватели, загрузочные воронки, нажимные рельсы с вагонеткой с сундуком или воронкой на них и якоря возрождения. При этом можно размещать компаратор через 1 полный блок, но только если компаратор находится на одной линии с контейнером. Если контейнер пуст, на выходе будет ноль. Если контейнер содержит что-либо, выходной сигнал рассчитывается по следующей формуле:
| A | = | 1 | + | ( | N1 V1 | + | N2 V2 | + | … | + | Nn Vn | ) | × | 14 n |
| Где: | ||
| A | — | сила сигнала (С округлением в меньшую сторону) |
| N1…n | — | количество предметов в слоте |
| V1…n | — | размер полной стопки для данного предмета |
| n | — | количество слотов в контейнере |
Это означает, что сила сигнала зависит не напрямую от количества предметов в контейнере, а от его заполненности. Так, предмет, который нельзя сложить в стопку, полная стопка предметов, складывающихся по 16 предметов, и полная стопка предметов, складывающихся по 64 предмета, занимают одинаковый объём и на выходе дают одинаковый сигнал (например, раздатчик с 9 вагонетками выдаст максимальный сигнал — 15).
Определение пластинкиправить | править код
Компаратор, подключённый входом к проигрывателю, в котором находится пластинка, дает сигнал с силой, зависящей от порядкового номера используемой пластинки.
| Сигнал | Пластинка |
|---|---|
| нет | |
| 1 | 13 |
| 2 | cat |
| 3 | blocks |
| 4 | chirp |
| 5 | far |
| 6 | mall |
| 7 | mellohi |
| 8 | stal |
| 9 | strad |
| 10 | ward |
| 11 | 11 |
| 12 | wait |
| 13 | Pigstep |
| 14 | не используется |
| 15 | не используется |
Взаимодействие с командным блокомправить | править код
Если компаратор подключён входом к командному блоку, в котором введена команда , при обновлении командного блока будет выдаваться сигнал, соответствующий количеству сущностей на сервере, соответствующих аргументу команды.
Если же в командном блоке введена любая другая команда, при её успешном выполнении будет выдаваться сигнал силой 1.
Взаимодействие с тортомправить | править код
Если компаратор подключён входом к торту, он будет выдавать сигнал, пропорциональный количеству оставшегося торта. Каждый кусок торта добавляет 2 к силе выходного сигнала. Таким образом, полный торт выдаёт через компаратор сигнал силы 14.
Взаимодействие с котломправить | править код
Если компаратор подключён входом к котлу, он будет выдавать сигнал, пропорциональный количеству воды в котле. Пустой котёл выдаёт сигнал силы 0. Каждая треть воды в котле добавляет 1 к выходному сигналу.
Взаимодействие с рамкойправить | править код
Компаратор может быть использован для определения угла поворота предмета в рамке, а также определения того, содержится ли там какой-либо предмет вообще. Чтобы считывать сигнал с рамки, компаратор должен быть подключен к блоку, на котором висит рамка, с противоположной от неё стороне. Пустая рамка выдаёт нулевой сигнал. Неповёрнутый предмет в рамке выдаёт сигнал силы 1. Каждые 45° поворота добавляют 1 к силе выходного сигнала.
Другоеправить | править код
- Компаратор пропускает сигнал только в одну сторону, а потому может быть использован как диод. Но в отличие от повторителя, компаратор не усиливает сигнал.
- Если поставить два компаратора в кольцо, потом подать и снять сигнал с этого кольца, то сигнал будет плавно затухать со скоростью длина провода минус 1 за 0,1 секунды (для каждого участка). Это позволяет сделать более компактную линию поддержки сигнала, чем на повторителях.
- Компаратор, подключённый к рамке портала Края, выдаёт сигнал силы 15, если в рамке расположено око Края, и 0, если рамка пуста.
- Задержка компаратора равна 0,1 секунды или двум тактам.
Схема эквивалента компаратора напряжения с однополярным источником питания

Принципиальная схема «компаратор напряжения» эквивалентна работе операционного усилителя, например, LM358 или LM324, имеющим на выходе два транзистора типа NPN (см. выше). Таким образом, можно сделать все 4 выхода ОУ (LM339) с открытым коллектором. Каждый такой выход может выдерживать ток нагрузки 15 мА и напряжение до 50 вольт.
Выход включается или выключается в зависимости от относительных напряжений на плюсовом (+) и минусовом (-) входах компаратора. Входы компаратора крайне чувствительны и разница напряжения между ними всего лишь в несколько милливольт приводит к переключению его выхода.
Параметры компараторов
Параметры, характеризующие качество компараторов, можно разделить на три группы: точностные, динамические и эксплуатационные.
Компаратор характеризуется теми же точностными
параметрами, что и ОУ.
Основным динамическим
параметром компаратора является время переключения tп. Это промежуток времени от начала сравнения до момента, когда выходное напряжение компаратора достигает противоположного логического уровня. Время переключения замеряется при постоянном опорном напряжении, подаваемом на один из входов компаратора и скачке входного напряжения Uвх, подаваемого на другой вход. Это время зависит от величины превышения Uвх над опорным напряжением. На рис. 8 приведены переходные характеристики компаратора mА710 для различных значений дифференциального входного напряжения Uд при общем скачке входного напряжения в 100 мВ. Время переключения компаратора tп можно разбить на две составляющие: время задержки tз и время нарастания до порога срабатывания логической схемы tн. В справочниках обычно приводится время переключения для значения дифференциального напряжения, равного 5 мВ после скачка.
Рис. 8. Переходная характеристика компаратора m А710 при различных превышениях скачка входного напряжения Uд над опорным: 1 – на 2 мВ; 2 – на 5 мВ; 3 – на 10 мВ; 4 – на 20 мВ
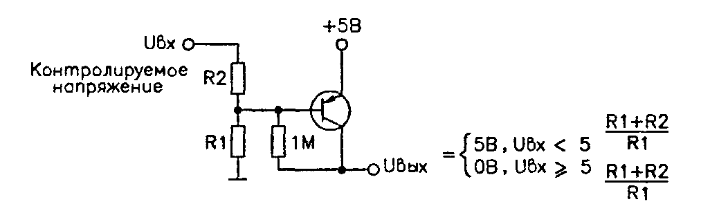
Для сравнения двух напряжений не обязательно обращаться к операционному усилителю. С подобной задачей вполне может справиться простая и дешевая схема компаратора на транзисторе, которая представлена на рис. 1.
![]()
Рис. 1. Схема компаратора на транзисторе.
Транзистор p-n-p типа сравнивает опорное напряжение на эмиттере с частью контролируемого напряжения, поданной на базу через резистивный делитель R1R2.
Когда напряжение на базе падает ниже опорного, транзистор открывается и выход компаратора (коллектор транзистора) переходит в состояние с высоким потенциалом. Такая схема может использоваться, например, для контроля напряжения батареи питания.
Компара́тор
аналоговых сигналов (от лат. comparare «сравнивать») — сравнивающее устройство : электронная схема, принимающая на свои входы два аналоговых сигнала и выдающая сигнал высокого уровня, если сигнал на неинвертирующем входе («+») больше, чем на инвертирующем (инверсном) входе («−»), и сигнал низкого уровня, если сигнал на неинвертирующем входе меньше, чем на инверсном входе. Значение выходного сигнала компаратора при равенстве входных напряжений, в общем случае не определено. Обычно в логических схемах сигналу высокого уровня приписывается значение логической 1, а низкому — логического 0.
Схема работы компаратора и применение
Обычно в электронике компаратор используется для сравнения двух напряжений или токов, подаваемых на два входа компаратора. Это означает, что он берет два входных напряжения, затем сравнивает их и выдает дифференциальное выходное напряжение высокого или низкого уровня. Компаратор используется для определения момента, когда произвольно изменяющийся входной сигнал достигает опорного уровня или определенного порогового уровня. Компаратор может быть разработан с использованием различных компонентов, таких как диоды, транзисторы, операционные усилители . Компараторы используются во многих электронных приложениях для управления логическими схемами.
Символ компаратора
Операционный усилитель как компаратор
Когда мы внимательно посмотрим на символ компаратора, мы узнаем его как операционного усилителя (операционного усилителя) символ , так что отличает этот компаратор от операционного усилителя; Операционный усилитель предназначен для приема аналоговых сигналов и вывода аналогового сигнала, тогда как компаратор выдает только выходной сигнал в виде цифрового сигнала; хотя в качестве компараторов можно использовать обычный операционный усилитель (операционные усилители, такие как LM324, LM358 и LM741, не могут использоваться непосредственно в схемах компаратора напряжения.
Операционные усилители часто могут использоваться в качестве компараторов напряжения, если к выходу усилителя добавлен диод или транзистор), но реальный компаратор разработан так, чтобы иметь более быстрое время переключения по сравнению с многоцелевыми операционными усилителями. Таким образом, можно сказать, что компаратор – это модифицированная версия операционных усилителей, специально разработанная для работы с цифровым выходом.
Сравнение выходной схемы операционного усилителя и компаратора
Базовая схема работы компаратора
Схема компаратора работает, просто принимая два аналоговых входных сигнала, сравнивая их и затем вырабатывая логический выход с высоким «1» или низким «0».
Цепь неинвертирующего компаратора Схема неинвертирующего компаратора
Путем подачи аналогового сигнала на вход + компаратора, называемый «неинвертирующим», и – вход, называемый «инвертирующим», схема компаратора будет сравнивать эти два аналоговых сигнала, если аналоговый вход на неинвертирующем входе больше, чем аналоговый вход на при инвертировании выходной сигнал перейдет в высокий логический уровень, и это заставит с транзистор открытым коллектором Q8 на эквивалентной схеме LM339, приведенной выше, включиться. Когда аналоговый вход на неинвертирующем входе меньше аналогового входа на инвертирующем входе, тогда на выходе компаратора будет низкий логический уровень.
Это выключит транзистор Q8. Как мы видели на изображении эквивалентной схемы LM339 выше, LM339 использует на выходе транзистор с открытым коллектором Q8, поэтому мы должны использовать «подтягивающий» резистор, который подключен к выводу коллектора Q8 с помощью Vcc, чтобы заставить этот транзистор Q8 работать. Согласно таблице данных LM339, максимальный ток, который может протекать через этот транзистор Q8 (выходной ток стока), составляет около 18 мА. V- можно рассчитать следующим образом.
V- = R2.Vcc / (R1 + R2)
Неинвертирующий вход компаратора подключен к потенциометру 10 K, который также формирует схему делителя напряжения, где мы можем регулировать начало напряжения V + с Vcc до 0 вольт. Во-первых, когда V + равно Vcc, выход компаратора перейдет в высокий логический уровень (Vout = Vcc), потому что V + больше, чем V-.
Это выключит транзистор Q8 и погаснет светодиод . Когда напряжение V + падает ниже V- вольт, выход компаратора переходит в низкий логический уровень (Vout = GND), что включает транзистор Q8 и загорается светодиод.

Путем замены аналогового входа; делитель напряжения R1 и R2, подключенный к неинвертирующему входу (V +), и потенциометр, подключенный к инвертирующему входу (V-), мы получим противоположный выходной результат.
Схема инвертирующего компаратора
Опять же, используя принцип делителя напряжения, напряжение на неинвертирующем входе (V +) составляет около V- вольт, поэтому, если мы начинаем инвертирующее входное напряжение (V-) с Vcc вольт, V + ниже, чем V-, это включит транзистор Q8, выход компаратора перейдет в низкий логический уровень. Когда мы регулируем V- ниже V +. После выключения транзистора Q8 выход компаратора перейдет в высокий логический уровень, потому что теперь V + больше, чем V-, и светодиод погаснет.

Процессы переключения компараторов
Если входной сигнал будет изменяться очень медленно, то при достижении уровня входного сигнала опорному, выход компаратора может многократно с большой частотой менять свое состояние под действием незначительных помех (так называемый «дребезг»). Для устранения этого явления в схему компаратора вводят положительную обратную связь (ПОС), которая обеспечивает характеристике компаратора небольшой гистерезис, то есть небольшую разницу между входными напряжениями включения и отключения компаратора. Некоторые типы компараторов уже имеют встроенную, упомянутую выше ПОС. Её можно так же ввести в схему компаратора при необходимости, например, как изображено на рисунке ниже.

Рисунок 3. Схема включения в компаратор ПОС (гистерезиса).
На рисунке 3 приведена схема включения компаратора с открытым коллектором на выходе, переходная характеристика которой имеет гистерезис (рис. 3б). Пороговые напряжения для этой схемы определяются по формулам;
Хотя гистерезис вносит небольшую задержку в переключении компаратора, но благодаря ему, существенно уменьшается или даже устраняется полностью «дребезг» выходного напряжения.
Эта статья содержит основную информацию о работе компараторов напряжения построенных на интегральных микросхемах и может быть использована в качестве справочного материала для построения различных схем.
В электронике, компаратор представляет собой устройство, которое сравнивает между собой два электрических сигнала и выводит цифровой сигнал, указывающий на увеличение одного входного сигнала над другим. Компаратор имеет два аналоговых входа и один цифровой выход.
Компаратор, как правило, построен на дифференциальном усилителе с высоким коэффициентом усиления. Компараторы широко используются в устройствах, которые измеряют и оцифровывают аналоговые сигналы, например, в аналого-цифровых преобразователях (АЦП)
Примеры работы компаратора приведены на основе микросхемы LM339 (счетверенный компаратора напряжений) и LM393 (сдвоенный компаратор напряжения). Эти две микросхемы по своему функционалу идентичны. Компаратор напряжения LM311 так же может быть использован в данных примерах, но он имеет ряд функциональных особенностей.
Схемотехника компараторов
Схемотехнически простейший компаратор представляет собой дифференциальный усилитель с высоким коэффициентом усиления (в идеале — бесконечным). Обычно в качестве компараторов напряжения в современной электронике применяют микросхемы операционных усилителей (ОУ). Но существуют и выпускаются специализированные для применения в качестве компараторов микросхемы.
Микросхема компаратора отличается от обычного линейного (ОУ) устройством и входного, и выходного каскадов:
Входной каскад компаратора должен выдерживать широкий диапазон дифференциальных входных напряжений (между инвертирующим и неинвертирующим входами), вплоть до значений питающих напряжений, а также полный диапазон синфазных напряжений.
Выходной каскад компаратора обычно конструируют совместимым по логическим уровням и токам с распространённым типом входов логических схем (технологий ТТЛ, ЭСЛ и т. п.). Возможны исполнения выходного каскада компаратора на одиночном транзисторе с , что обеспечивает одновременную совместимость с ТТЛ и КМОП логическими микросхемами.
Микросхемы компараторов не рассчитаны для работы с отрицательной обратной связью как ОУ и при их применении отрицательная обратная связь не используется. И наоборот, для формирования гистерезисной передаточной характеристики компараторы часто охватывают положительной обратной связью
Эта мера позволяет избежать быстрых нежелательных переключений состояния выхода, обусловленном шумами во входном сигнале, при медленно изменяющемся входном сигнале.
При проектировании микросхем компараторов уделяется особое внимание быстрому восстановлению входного каскада после перегрузки и смены знака разности входных напряжений. В быстродействующих компараторах для повышения быстродействия схемотехнически не допускают захода биполярных транзисторов в выходном каскаде в режим насыщения.. Компараторы охваченные положительной обратной связью имеют гистерезис и по сути являются двухпороговыми компараторами, часто такой компаратор называют триггером Шмитта.
Компараторы охваченные положительной обратной связью имеют гистерезис и по сути являются двухпороговыми компараторами, часто такой компаратор называют триггером Шмитта.
При равенстве входных напряжений реальные компараторы и ОУ, включенные по схеме компараторов дают хаотически изменяющийся выходной сигнал из-за собственных шумов и шумов входных сигналов. Обычная мера подавления такого хаотического переключения — введение положительной обратной связи для получения гистерезисной передаточной характеристики.
При программном моделировании компаратора возникает проблема выходного напряжения компаратора при одинаковых напряжениях на обоих входах компаратора. В этой точке компаратор находится в состоянии неустойчивого равновесия. Проблему можно решить множеством разных способов, описанных в подразделе «программный компаратор».
Программное моделирование компаратора
В программах в качестве первого приближения можно использовать простейшую модель асимметричного компаратора, в котором третье значение с равными величинами сравниваемых входных переменных постоянно приписывается к «0» или к «1», в примере, приведенном ниже, третье значение постоянно приписывается к «0»:
DEFINT Y DEFSNG X Xref=2.5 Xin=2.6 IF Xin>Xref THEN Y=1 ELSE Y=0 'Асимметричный компаратор PRINT Y
В более сложных моделях симметричных компараторов третье значение можно, в рамках двоичной логики:
- приписать к «0» или к «1» постоянно,
- приписывать к «0» или к «1» случайным образом динамически,
- учитывать предыдущее значение и считать равенство недостаточным для переключения,
- учитывать первую производную и её равенство нулю считать недостаточным для переключения,
или выйти за рамки двоичной логики и:
- для учёта третьего значения (равенство) применить соответствующую троичную функцию из чёткой троичной логики с чётким третьим значением.
Существующая проблема третьего состояния при программном моделировании, когда два числа, представленные кодовыми словами, могут быть в точности равны, на практике не имеет места: два напряжения не могут в точности совпадать, так как, во-первых, аналоговое напряжение величина неквантуемая, а во-вторых, существует шум, напряжение смещения входов компаратора, и иные возмущения, разрешающие неоднозначность даже в случае равенства входных напряжений аналогового компаратора.
Обозначение и технические характеристики
Компаратор – это устройство, которое сравнивает два разных напряжения и силу тока, выдает конечный силовой сигнал, указывая на большее из них, одновременно производя расчет соотношения. У него есть две аналоговые вводные клеммы с положительным и отрицательным сигналом и один двоичный цифровой выход, как и у АЦП. Для отображения сигнала используется специальный индикатор.
УГО отображение компаратора выглядите следующим образом:

Фото — УГО компаратора
Изначально использовался только интегрированный компаратор напряжения (MAX 961ESA, PIC 16f628a), который известен как высокоскоростной. Он требует определенного дифференциального напряжения в определенном диапазоне, который существенно ниже, чем напряжение сети питания. Эти приборы не допускают никаких других внешних сигналов, которые находятся вне диапазона напряжения сети.
Сейчас гораздо чаще используется аналоговый цифровой компаратор (Attiny/ Atmega 2313), у которого транзисторный ввод. У него вводный потенциал сигнала находится в диапазоне менее 0,3 Вольт и не поднимается выше. Устройство может быть также ультра быстрого типа (стереокомпаратор), благодаря чему входной сигнал меньше обозначенного диапазона, к примеру, 0,2 Вольта. Как правило, используемый диапазон ограничивается только конкретным входным напряжением.

Фото — Компаратор
Помимо простого прибора, также существует видеоспектральный компаратор на ОУ (операционном усилителе). Это прибор, у которого очень тонко сбалансирована разница входа и высокого сопротивления сигнала. Благодаря такой характеристики, операционный компаратор используется в низкопроводимых схемах с небольшим вольтажем.

Фото — схема компаратора
В теории, частотный операционный усилитель работает в конфигурации с открытым контуром (без отрицательной обратной связи) и может быть использован в качестве компаратора низкой производительности. Но при этом, не инвертирующий вход (+ V) находится на более высоком напряжении, чем на инвертирующий (V-). Высокое усиление, выходящее из операционного усилителя, провоцирует выход низкого напряжения на входе в устройство.
Когда неинвертирующий вход падает ниже инвертирующего входа, выходной сигнал насыщается при отрицательном уровне питания, то он все равно может проводить импульсы. Выходное напряжение ОУ ограничивается только напряжением питания. Принципиальная электрическая схема ОУ работает в линейном режиме с отрицательной обратной связью, с помощью сбалансированного сплит-источника питания (питание от ± V S ). Многие приборы, работающие с компаратором, также имеют свойство фиксировать полученные данные при помощи видео-, фото- или документальной записи. Эти электронные принципы не работают в системах, где используются разомкнутые контуры и низкопроводящие элементы.

Фото — простой компаратор
Но у компараторного усилителя существует несколько существенных недостатков:
- Операционные усилители предназначены для работы в линейном режиме с отрицательной обратной связью. Но при этом, ОУ имеет более длительный режим восстановления;
- Почти все операционные усилители имеют конденсатор внутренней компенсации, который ограничивает скорость нарастания выходного напряжения для высокочастотных сигналов. Исходя из этого, данная схема немного задерживает импульс;
- Компаратор не имеет внутреннего гистерезиса.
Из-за этих недостатков, компаратор для управления различными схемами, в большинстве случаев, используется без усилителя, исключением является генератор.
Компаратор предназначен для производственных процессов с ограниченным выходным напряжением, которое легко взаимодействует с цифровой логикой. Поэтому его часто используются в различных термических приборах (терморегулятор, реле температуры). Также его применяют для сравнения сигналов и сопротивлений таких устройств, как таймер, стабилизатор и прочая схемотехника.

Фото — аналоговый компаратор
Видео: компараторы
Параметры прибора
На самом деле, прибор можно расценивать как простейший вольтметр. КН, подобно цифровому прибору, обладает рядом эксплуатационных качеств, подразделяемые на 2 разновидности: статические и динамические.

Параметры прибора
Первые обладают следующими характеристиками:
- Максимальная чувствительность по отношению к пороговым размерам сигнала, которые КН устанавливает на входе и заменяет потенциал выхода устройства на логический «0» либо «1».
- Размер смещения устанавливается передаточным фактором прибора в отношении установленного образцового положения.
- Входной ток — предельное значение, способное протекать с использованием любого вывода, при этом, не нанеся повреждение прибору.
- Выходной ток — размер тока, во время перехода измерителя в положение «1».
- Разность токов — результат, определяемый при вычитании токовых данных.
- Гистерезис — разница в уровнях входящего сигнала, которая приводит к изменению стабильного выходного состояния.
- Коэффициент понижения сигнала рассчитывается по отношению к дифференциальному сигналу, которые приводят к смене варианта функционирования измерителя.
- Наименьшая и наибольшая номинальная температура — интервал, в котором технологические характеристики прибора не будут изменяться.
Гистерезис компаратораОбратите внимание! Все основные параметры КН изображаются в форме параметров переходного типа. Это диаграмма, где по оси Х обозначается время, а Y — напряжение в вольтах
Что такое выход с открытым коллектором?
Транзистор подключен как Т3, который выводится из коллектора, он называется выходом с открытым коллектором (англ. Open Collector , OC). У большинства компараторов есть такой выход. Обычно между этим выходом и положительным полюсом источника питания подключается резистор, который позволяет получить соответствующее выходное напряжение.
Открытый коллектор — это распространенный тип вывода в системах с двумя состояниями. Одно из состояний — низкое — сигнализируется замыканием этого выхода на массу системы, что реализуется встроенным выходным транзистором. Второе состояние, высокое, — это засорение этого транзистора. Оно определяется как высокое, потому что коллектор этого транзистора обычно подключен к нагрузке, подключенной с другой стороны к положительной шине питания. Когда через него не протекает ток, на нем нет падения напряжения, поэтому потенциал коллектора транзистора равен напряжению питания.
Принцип работы выхода типа OC
Преимущество этого типа выхода состоит в том, что на нагрузку может подаваться напряжение, отличное от напряжения остальной схемы. Это может быть, например, реле с катушкой на напряжение 12 В, тогда как остальная электроника получает 5 В. Переключение этого реле будет происходить в низком состоянии после насыщения выходного транзистора. В свою очередь, чтобы выключить его, достаточно прервать протекание тока (засорение транзистора).
| В предыдущих рассуждениях мы сознательно опустили этот резистор, который представляет собой нагрузку, подключенную к выходу компаратора, чтобы не усложнять описание. |
Компаратор с гистерезисом и без гистерезиса
Исходные данные для расчета представлены в таблицах 74 и 75.
Таблица 74. Исходные данные для расчета компаратора
| Вход | Выход | Питание | ||||
|---|---|---|---|---|---|---|
| ViMin | ViMax | VoMin | VoMax | Vcc | Vee | Vref |
| 0 В | 5 В | 0 В | 5 В | 5 В | 0 В | 5 В |
Таблица 75. Пороговые значения
| Нижний порог переключения VL | Верхний порог переключения VH | VH – VL |
|---|---|---|
| 2,3 В | 2,7 В | 0,4 В |
Описание схемы
Компараторы используются, чтобы сравнить два входных сигнала и сформировать выходной сигнал в зависимости от того, какой из входных сигналов больше (рисунок 84). Шум или дребезг входных сигналов могут привести к множественным переключениям компаратора. Для борьбы с такими переключениями используется гистерезис, устанавливающий верхнюю и нижнюю границу переключения.

Рис. 84. Схемы компараторов с гистерезисом (слева) и без гистерезиса (справа)
Рекомендуем обратить внимание:
- следует использовать компаратор с минимальным собственным током потребления;
- точность задания пороговых значений гистерезиса определяется точностью номиналов резисторов;
- задержка срабатывания определяется параметрами используемого компаратора.
Порядок расчета компаратора с гистерезисом
- Выбираем значение резистора R1 = 100 кОм. Значения пороговых напряжений были определены в таблице исходных данных (таблица 74): VL = 2,3 В, VH = 2,7 В.
- Рассчитаем R2 по формуле 1:
Рассчитаем R3 по формуле 2:
Проверяем полученное значение гистерезиса, согласно формуле 3:
Моделирование схемы
Временные диаграммы работы схемы представлены на рисунках 85 и 86.

Рис. 85. Временные диаграммы работы схемы: шум присутствует только в начальный короткий интервал времени 0…120 мкс

Рис. 86. Увеличенная осциллограмма напряжений: интервал 40…110 мкс
Рекомендации
Параметры компаратора, используемого в расчете, приведены в таблице 76.
Таблица 76. Параметры компаратора, используемого в расчете
| 2,7…5,5 В | |
|---|---|
| VinCM | Vee – 200 мВ…Vсс + 200 мВ |
| Vout | Vee + 230 мВ…Vcc – 210 мВ (при 4 мА) |
| Vos | 1 мВ |
| Iq | 40 мкА |
| Ib | 1 пА |
| UGBW | – |
| SR | – |
| Число каналов | 1, 2 |
Нумерация выводов
Сразу стоит запомнить:
1) Каждый вывод такой схемы имеет свой номер.
2) Выводы всех интегральных схем, выпускаемых в этих корпусах, пронумерованы одинаково — начните с первого вывода и опуститесь вниз, затем перейдите к другой стороне схемы и поднимитесь.
3) Нам нужно знать, как найти первый вывод (ножку) — здесь все очень просто. Мы всегда смотрим на такую систему сверху (ножки направлены вниз). Затем на одной стороне корпуса находим бороздку или холмик. Вывод слева от этой отметки является номером 1.
Универсальный способ нумерации выводов интегральной схемы
Идентично биполярным транзисторам, в одном корпусе может быть несколько электронных компонентов. Поэтому всегда нужно проверять маркировку: в данном случае, имя элемента будет просто напечатано на корпусе. Конечно, на корпусе могут быть какие-то дополнительные знаки, но должен совпадать главный — „311”.






























