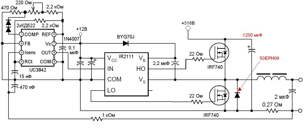
Простой импульсный БП для УМЗЧ
Представляю вашему вниманию испытанную мной схему достаточно простого импульсного сетевого блока питания УМЗЧ. Мощность блока составляет около 180Вт.
Входное напряжение – 220В;
Выходное напряжение – +-25В;
Частота преобразования – 27кГц;
Максимальный ток нагрузки – 3,5А.
Схема блока
достаточно проста:
Она представляет из себя полумостовой инвертор с переключающим насыщаюшимся трансформатором. Конденсаторы С1 и С2 образуют делитель напряжения для одной половины полумоста, а так же сглаживают пульсации сетевого напряжения.
Второй половиной полумоста являются транзисторы VT1 и VT2, управляемые переключающим трансформатором Т2.
В диагональ моста включена первичная обмотка силового трансформатора Т1, который рассчитан так что он не насыщается во время работы.
Кратко принцип его работы. Конденсатор С7 заряжается через резистор R3, при этом напряжение на коллекторе транзистора VT3 пилообразно растёт. При достижении этого напряжения примерно 50 – 70В, транзистор лавинообразно открывается, и конденсатор разряжается через транзистор VT3 на базу транзистора VT2 и обмотку III трансформатора Т2, тем самым запуская преобразователь.
Конструкция и детали
Блок питания собран на печатной плате из одностороннего стеклотекстолита. Чертёж платы не привожу, так как у каждого в заначке свои детали. Ограничусь лишь фото своей платы:
По моему, утюжить такую плату не имеет смысла, она не слишком сложная.
В качестве транзисторов VT1 и VT2 можно применить отечественные КТ812, КТ704, КТ838, КТ839, КТ840, то есть с граничным напряжением коллектор-эмиттер не менее 300В, из импортных знаю только J13007 и J13009, они применяются в компьютерных БП. Диоды можно заменить любыми другими мощными импульсными или с барьером шоттки, я, например, использовал импортные FR302.
Трансформатор Т1 намотан на двух сложенных кольцах К32Х19Х7 из феррита марки М2000НМ, первичная обмотка намотана равномерно по всему кольцу и составляет 82 витка провода ПЭВ-1 0,56.
Перед намоткой необходимо скруглить острые кромки колец алмазным надфилем или мелкой наждачной бумагой и обмотать слоем фторопластовой ленты, толщиной 0,2 мм, так же нужно обмотать и первичную обмотку.
Трансформатор Т2 намотан на кольце К10Х6Х5 из феррита той же марки. Все обмотки намотаны проводом МГТФ 0,05. Обмотка I состоит из десяти витков, а обмотки II и III намотаны одновременно в два провода и составляют шесть витков.
Наладка БП
ВНИМАНИЕ!!! ПЕРВИЧНЫЕ ЦЕПИ БП НАХОДЯТСЯ ПОД СЕТЕВЫМ НАПРЯЖЕНИЕМ, ПОЭТОМУ НУЖНО СОБЛЮДАТЬ МЕРЫ ПРЕДОСТОРОЖНОСТИ ПРИ НАЛАДКЕ И ЭКСПЛУАТАЦИИ. Первый запуск блока желательно производить подключив его через токоограничивающий резистор, представляющий из себя лампу накаливания мощностью 200Вт и напряжением 220В
Первый запуск блока желательно производить подключив его через токоограничивающий резистор, представляющий из себя лампу накаливания мощностью 200Вт и напряжением 220В.
Как правило, правильно собранный БП в наладке не нуждается, исключение составляет лишь транзистор VT3. Проверить релаксатор можно подключив эмиттер транзистора к минусовому полюсу.
После включения блока, на коллекторе транзистора должны наблюдаться пилообразные импульсы частотой около 5Гц.
Работа стабилизаторов тока
Качественное питание всех электротехнических устройств можно гарантированно обеспечить лишь, используя стабилизатор тока. С его помощью компенсируются скачки и перепады в сети, увеличивается срок эксплуатации приборов и оборудования.
Основной функцией стабилизатора является автоматическая поддержка тока потребителя с точно заданными параметрами. Кроме скачков тока, удается компенсировать изменяющуюся мощность нагрузки и температуру окружающей среды. Например, с увеличением мощности, потребляемой оборудованием, произойдет соответствующее изменение потребляемого тока. В результате, произойдет падение напряжения на сопротивлении проводки и источника тока. То есть, с увеличением внутреннего сопротивления, будут более заметны изменения напряжения при увеличении токовой нагрузки.

В состав компенсационного стабилизатора тока с автоматической регулировкой входит цепь отрицательной обратной связи. Изменение соответствующих параметров регулирующего элемента позволяет достичь необходимой стабилизации. На элемент оказывает воздействие импульс обратной связи. Данное явление известно, как функция выходного тока. В зависимости от регулировок, стабилизаторы разделяются на непрерывные, импульсные и смешанные.
Среди множества стабилизаторов очень популярны стабилизаторы тока на полевых транзисторах. Подключение транзистора в данной схеме осуществляется последовательно сопротивлению нагрузки. Это приводит к незначительным изменениям тока нагрузки, в то время, как входное напряжение подвержено существенным изменениям.
Лабораторный блок питания 30в 5а, результат
Плата управления собранная на макетке.
Плата основного диодного моста.
Транзисторы установлены на радиатор от Cooler Master CMDK8, этот боксовый куллер способен рассеивать мощность до 95 Вт.
Внутри блока расположен 80мм дополнительный вентилятор, охлаждающий диодный мост и трансформатор, а также обдувающий радиатор транзисторов с тыльной стороны.
Все это добро засунуто в добротный радиолюбительский корпус, оставшийся со времен СССР. Вот таким вышел у нас лабораторный блок питания своими руками.
Подключение цифрового вольтамперметра избавило нас от измерительных стрелочных приборов.
Демонстрация работы:
В работе с максимальным током в 5 А транзисторы остаются теплыми благодаря хорошей системе охлаждения, температура основного диодного моста также в норме, т.к. там используются мощные диоды Шоттки и вентилятор, который охлаждает этот мост и трансформатор. При полной нагрузке все таки происходит небольшой нагрев трансформатора. Вес блока составил порядка 4 кг.
Уже изготовив данный блок, пришла идея, как можно немного переделать схему и получить этот лабораторный блок питания с нуля вольт. Но это уже будет другая история…
Схемы и расчеты
Наибольшее применение ИС нашли в источниках питания светодиодов. Рассмотрим простейшую схему стабилизатора тока (драйвера), состоящую всего из двух компонентов: микросхемы и резистора.

Если рассматривать самую популярную ИМ, Lm317t, то сопротивление резистора рассчитывают по формуле: R=1,25/I (1), где I – выходной ток стабилизатора, значение которого регламентируется паспортными данными на LM317 и должно быть в диапазоне 0,01-1,5 А. Отсюда следует, что сопротивление резистора может быть в диапазоне 0,8-120 Ом. Мощность, рассеиваемая на резисторе, рассчитывается по формуле: PR=I2×R (2). Включение и расчеты ИМ lm350, lm338 полностью аналогичны.
Постоянные резисторы производятся с небольшим разбросом значения сопротивления, поэтому получить нужное значение выходного тока не всегда возможно. Для этой цели в схему устанавливается дополнительный подстроечный резистор соответствующей мощности.

При стабилизации выходного тока более 20% от максимального значения, на микросхеме выделяется много тепла, поэтому ее необходимо снабдить радиатором.
Бестрансформаторный блок питания с регулируемым выходным напряжением
Предлагаемый позволяет в широких пределах плавно изменять выходное напряжение (рис. 6.11). Его особенность заключается в использовании регулируемой отрицательной обратной связи с выхода блока на транзисторный каскад VTI, включенный параллельно выходу диодного моста. Этот каскад является параллельным регулирующим элементом и управляется сигналом с выхода однокаскадного усилителя на VT2. Выходной сигнал VT2 зависит от разности напряжений, подаваемых с переменного резистора R7, включенного параллельно выходу , и источника опорного напряжения на диодах VD3, VD4.
По существу, схема представляет собой регулируемый параллельный стабилизатор. Роль балластного резистора играет гасящий конденсатор С1, роль параллельного управляемого элемента — транзистор VT1. Работает этот блок питания следующим образом. При включении в сеть транзисторы VT1 и VT2 заперты, через диод VD2 происходит заряд накопительного конденсатора С2. При достижении на базе транзистора VT2 напряжения, равного опорному на диодах VD3, VD4, транзисторы VT2, VT1 начинают отпираться. Транзистор VT1 шунтирует выход диодного моста, и его выходное напряжение начинает падать, что приводит к уменьшению напряжения на накопительном конденсаторе С2 и к запиранию транзисторов VT2 и VT1. Это, в свою очередь, вызывает уменьшение шунтирования выхода диодного моста, увеличение напряжения на С2 и отпирание VT2, VT1, и т.д.
За счет действующей таким образом отрицательной обратной связи выходное напряжение остается постоянным (стабилизированным) при включенной нагрузке R9 и без нее, на холостом ходу. Его величина зависит от положения движка потенциометра R7. Верхнему (по схеме) положению движка соответствует большее выходное напряжение. Максимальная выходная мощность приведенного устройства равна 2 Вт. Пределы регулировки выходного напряжения — от 16 до 26 В, а при закороченном диоде VD4 пределы регулировки — от 15 до 19,5 В. В этих диапазонах при отключении R9 (сброс нагрузки) увеличение выходного напряжения не превышает одного процента.
VT1 работает в переменном режиме: при работе на нагрузку R9 — в линейном режиме; на холостом ходу — в режиме широтно-им-пульсной модуляции (ШИМ) с частотой пульсации напряжения на конденсаторе С2 — 100 Гц. При этом импульсы напряжения на коллекторе транзистора VT1 имеют пологие фронты. Линейный режим является облегченным, транзистор VT1 нагревается мало и может работать практически без радиатора.
Небольшой нагрев имеет место в нижнем положении движка потенциометра R7 при минимальном выходном напряжении. На холостом ходу, с отключенной нагрузкой R9, тепловой режим транзистора VT1 ухудшается в верхнем положении движка R7. В этом случае транзистор VT1 должен быть установлен на небольшой радиатор, например, в виде алюминиевой пластинки квадратной формы со стороной 3 см, толщиной 1…2 мм.
Регулирующий транзистор VT1 — средней мощности, с большим коэффициентом передачи (составной). Его коллекторный ток должен быть в 2…3 раза больше максимального тока нагрузки. Коллекторное напряжение VT1 должно быть не меньше максимального выходного напряжения блока питания. В качестве VT1 могут быть использованы n-p-п транзисторы КТ972А, КТ829А, КТ827А и т.д. Транзистор VT2 работает в режиме малых токов, поэтому годится любой маломощный р-п-р транзистор — КТ203А…В, КТ361А…Г, КТЗ 1 ЗА/Б, КТ209А/Б. По принципу приведенной схемы могут быть построены аналогичные блоки питания на другие требуемые значения мощности.
Технические характеристики
TDA2822M не требует для работы больших напряжений и обладает высоким коэффициентом усиления (до 41 дБ). Выходная мощность (PO) зависит он конфигурации системы и её электронной обвязки. Чаще всего для включения схемы используют номинальные для неё 9 В (иногда обычную крону). При таком питании можно получить заявленные производителем 1,0-1,4 Вт на стандартные 8-ми омные колонки, но с достаточно большими уровнями гармонических искажений в 10 % (TDA), не приемлемыми для прослушивания музыки.
При питании от 6 В на 8-ми омных динамиках можно получить до 300-380 мВт, но тоже с высокими TDA до 10 %. Некоторые радиолюбители заявляют о получении выходной мощностью в 2 Вт при питания в 12 В, но не учитывают работу устройства на предельных своих возможностей. В техническом описании (datasheet) данные о таких экстремальных режимах эксплуатации (с напряжением более 9 В), производителями не представлены. Приведем максимально возможные значения параметров.
Максимальные параметры
Абсолютные (предельно допустимые) значения параметров для TDA2822M:
- напряжение питания (VS) до 15 В;
- выходной ток (IO) до 1 А;
- рассеиваемая мощность (Ptot) до 1.4 Вт (при TCASE до 50 °C);
- диапазон рабочих температур (TA) от -20 до 70 °C;
- температура хранения (Tstg) от -40 до +150 °C.
Не стоит превышать предельно допустимые значения параметров. Это приведёт к появлению высоких искажений, сильному нагреву микросхемы и вероятности скорого выхода её строя. Для охлаждения можно использовать небольшой радиатор, хотя в большинстве случаев он не нужен.
Слушать музыку с искажениями — не самое приятное занятие. Для получения приемлемого качества звучания и уменьшение уровня TDA чаще всего уменьшают выходную мощность (PO). Например при работе усилителя в мостовом режиме, для уменьшения TDA до 0,2% в 8-ми омной нагрузке, необходимо снизить PO до 0,5 Вт.
Cхемы включения
Многие параметры зависят не только от напряжения питания но и от того, какая схема включения у TDA2822M. На рисунке представлены её два основных варианта применения. Слева для работы двух каналов (стерео), а справа в одноканальном (режим моста). Последний можно использовать, например, для подключения сабвуфера.
Электрические характеристики
Рассмотрим электрические характеристики TDA2822M из datasheet (на русском языке). Производители приводя их в отдельных таблицах для разных схем включения. Номинальное напряжение питания (VS) 6 В, если не указано иного. Температура устройства не должна превышать +25°C. Дополнительные режимы измерений указаны в отдельном столбце. Вот параметры при работе в режиме стерео.
Ниже представлены электрические параметры при работе устройства в мостовой схеме. Рабочая температура и номинальное напряжение такие же, как и при включении в стерео режиме.
Аналоги
У TDA2822M есть современный аналог от южнокорейской компании Samsung — микросхема КА2209. Чаще всего именно её предлагают как альтернативу. Из импортных устройств также можно рекомендовать NJM2073. Из отечественных, идентичной по параметрам считается 174УН22, и более старые 174УН34 и 174УН31, но они уже давно не выпускаются.
Критерии подбора
Главным критерием деления лабораторных блоков является — страна производства. Все приборы подразделяются на отечественные и импортные, большинство вторых изготавливаются в Китае. Главным их преимуществом является доступная стоимость, а недостатком — отсутствие или нехватка ряда документов. В любом случае, каждая модель данного вида приборов, несмотря на страну изготовления, нуждается в проверке надежности, поэтому контроль качества существует на каждом производстве. Правда лучшие модели обладают усиленной защитой от замыканий. Отечественные приборы обладают наиболее полным комплектом документации, что, к сожалению, повышает их стоимость.
Видео — Зачем нужен лабораторный блок питания дома и что с ним делать
Для того, чтобы не ошибиться в выборе устройства, необходимо изначально понять, в чем отличия лабораторного блока питания простого, а также понять различие в терминологии.
Лабораторный БП в отличие от простого формирует регулярный поток по одному каналу или нескольким. Также, он обладает дисплеем, блоком управления и защитой, которые отсутствуют у простого БП.
Блоки питания подразделяются на два типа — первичные и вторичные. Первичные преобразуют неэлектрическую энергию в электрическую, а вторичные — преобразуют электроэнергию для достижения нужных параметров. Лабораторные БП относятся ко второму типу.

Лабораторные БП относятся к вторичному типу питания
Классификация лабораторных источников питания
Лабораторные источники питания можно классифицировать по самым разным параметрам. Наиболее популярный метод классификации – по принципу действия, в соответствии с которым все источники питания можно разделить на импульсные и линейные. Последние также называют трансформаторными.
Каждый из типов блоков имеет свои преимущества. Так, к примеру, импульсный блок питания характеризуется высоким коэффициентом полезного действия и значительно большей мощностью по сравнению с трансформаторными агрегатами. В тоже время линейный источник питания обладает такими достоинствами как простота и надежность конструкции, а также низкая стоимость ремонта и ценовая доступность запчастей.
Какие бывают

Чтобы не допустить ошибки при выборе, необходимо четко и ясно понимать суть определений и видеть между ними разницу. Разберемся, в чем отличие лабораторных от обычных блоков питания, и что такое источник питания вообще:
- Простой блок питания – устройство электронного типа, используемое с целью сформировать заранее заданный показатель в одном или нескольких каналах. Отсутствует дисплей и блок управления. Типичным представителем является БП для компьютера небольшой мощности.
- Лабораторный БП регулярно формирует поток по одному или нескольким каналам. Оснащен дисплеем, защитой от некорректного использования, элементами управления, другим полезным функционалом.
Виды источников питания таковы:
- первичные;
- вторичные.
Представители первого варианта осуществляют преобразование неэлектрических видов энергии в электрическую. К ним относятся батарейки, солнечные батареи, ветрогенераторы и многое другое. Вторичные ИП служат для преобразования одного вида электроэнергии в другой с целью обеспечить желательные параметры частоты, пульсаций и тому подобное. К этой группе относятся:
- преобразователь АС/DC;
- преобразователь DC/DC;
- трансформаторы;
- стабилизаторы потоков;
- ЛБП.
Касательно лабораторных блоков питания, они разнятся характеристиками и разновидностями. Остановимся на этом вопросе более подробно:
РазличияОписание
| По принципу функционирования | Импульсные и линейные. |
| Рабочие диапазоны | Наличие автоматического ограничения мощности или фиксированные. |
| Количеством каналов | Многоканальные и одноканальные. |
| Наличием защиты | С функцией защиты от перегрева, перепадов, от перегрузки по току и так далее. |
| Мощностью | Значительной мощности или стандартные. |
| Способами изоляции каналов | Неизолированные или изолированные гальваническим путем. |
| Выходным сигналом | Переменным или постоянным напряжением и током. |
| Способами управления | Программное наряду с ручным или просто ручное. |
| Дополнительным функционалом | Наличие встроенного презиционного мультиметра, доводит до нужного уровня потоки в проводах подключения, изменяет выход установленных значений, активизирует выход по таймеру, присутствие встроенной электронной нагрузки и так далее. |
| Степенью надежности | Продуманный внешний вид, качественность элементной базы, тщательный выходной контроль. |
Особенности подключения
На lm317t схема включения довольно проста, состоит из минимального количества компонентов. При этом их число зависит от назначения устройства. Если изготавливается стабилизатор напряжения, для него потребуются следующие детали:
Rs – шунтирующее сопротивление, выполняющее также роль балласта. Выбирается значением около 0,2 Ом, если требуется обеспечить максимальный выходной ток до 1,5 А.
Резистивный делить с R1, R2, подключенный к выходу и корпусу, а со средней точки поступает регулирующее напряжение, образуя глубокую обратную связь. Благодаря чему достигается минимальный коэффициент пульсаций и высокая стабильность выходного напряжения. Их сопротивление выбирается исходя из соотношения 1:10: R1=240 Ом, R2=2,4 кОм. Это типовая схема стабилизатора напряжения с выходным напряжением 12 В.
Если требуется сконструировать стабилизатор тока, для этого понадобится еще меньше компонентов:
R1, являющееся шунтом. Им задается выходной ток, который не должен превышать 1,5 А.
Чтобы правильно рассчитать схему того или другого устройства, всегда можно использовать калькулятор lm317. Что касается расчета Rs, то его можно определить по обычной формуле: Iвых. = Uоп/R1. На lm317 стабилизатор тока светодиода получается достаточно качественный, который может быть изготовлен нескольких типов в зависимости от мощности LED:
- для подключения одноватного светодиода с током потребления 350мА необходимо использовать Rs = 3,6 Ом. Его мощность выбирается не менее 0,5 Вт;
- для питания трехватных светодиодов потребуется резистор сопротивлением 1,2 Ом, ток составит 1 А, а мощность рассеивания не менее 1,2 Вт.
На lm317 стабилизатор тока светодиода получается достаточно надежный, но важно правильно рассчитать сопротивление шунта и выбрать его мощность. А поможет в этом деле калькулятор. Также на светодиодах и на основе этой МС изготавливают различные мощные светильники и самодельные прожекторы
Также на светодиодах и на основе этой МС изготавливают различные мощные светильники и самодельные прожекторы.
Таблица параметров разных вариантов исполнения LM317:
| Part Number | Корпус | Рабочая температура | Макс. ток нагрузки | Напряжение стабилизации | Макс. входное напряжение | Маркировка на корпусе | Производитель |
| LM317K | TO-3 | 0…+125 °C | 1.5 A | 1.2 … 37 V | 40 V | LM317K STEEL P+ | |
| LM317AH | TO-39 | -40…+125 °C | 0.5 A | 1.2 … 37 V | 40 V | LM317AH P+ | |
| LM317H | TO-39 | 0…+125 °C | 0.5 A | 1.2 … 37 V | 40 V | LM317H P+ | |
| LM317AT | TO-220 | -40…+125 °C | 1.5 A | 1.2 … 37 V | 40 V | LM317AT P+ | |
| LM317BT | TO-220 | -40…+125 °C | 1.5 A | 1.2 … 37 V | 40 V | LM317B |
|
| LM317T | TO-220 | 0…+125 °C | 1.5 A | 1.2 … 37 V | 40 V | LM317T |
|
| LM317S | TO-263-3 (D2PAK-3) | 0…+125 °C | 1.5 A | 1.2 … 37 V | 40 V | LM317S P+ | |
| LM317EMP | SOT-223 | 0…+125 °C | 1 A | 1.2 … 37 V | 40 V | N01A | |
| LM317AEMP | SOT-223 | -40…+125 °C | 1 A | 1.2 … 37 V | 40 V | N07A | |
| LM317MDT | TO-252-3 (DPAK-3) | 0…+125 °C | 0.5 A | 1.2 … 37 V | 40 V | LM317MDT | |
| LM317AMDT | TO-252-3 (DPAK-3) | -40…+125 °C | 0.5 A | 1.2 … 37 V | 40 V | LM317AMDT | |
| LM317D2T-TR | TO-263-3 (D2PAK-3) | 0…+125 °C | 1.5 A | 1.2 … 37 V | 40 V | LM317D2T |
|
| LM317BD2T | TO-263-3 (D2PAK-3) | -40…+125 °C | 1.5 A | 1.2 … 37 V | 40 V | LM317BD2T | |
| LM317P | TO-220FP | 0…+125 °C | 1.5 A | 1.2 … 37 V | 40 V | LM317P | |
| LM317KTE | KTE (R-PSFM-G3) | 0…+125 °C | 1.5 A | 1.2 … 37 V | 40 V | LM317 | |
| LM317KTT | TO-263-3 (D2PAK-3) | 0…+125 °C | 1.5 A | 1.2 … 37 V | 40 V | LM317 | |
| LM317DCY | SOT-223 | 0…+125 °C | 1.5 A | 1.2 … 37 V | 40 V | L3 | |
| LM317KC | TO-220 | 0…+125 °C | 1.5 A | 1.2 … 37 V | 40 V | LM317 | |
| LM317MDT | TO-252-3 (DPAK-3) | 0…+125 °C | 0.5 A | 1.2 … 37 V | 40 V | LM317M | |
| LM317MT | TO-220 | 0…+125 °C | 0.5 A | 1.2 … 37 V | 40 V | LM317M | |
| LM317LCD | SOIC-8 | 0…+125 °C | 0.1 A | 1.25 … 32 V | 35 V | L317LC | |
| LM317LCLP | TO-92 | 0…+125 °C | 0.1 A | 1.25 … 32 V | 35 V | L317LC | |
| LM317LCPK | SOT-89 | 0…+125 °C | 0.1 A | 1.25 … 32 V | 35 V | LA | |
| LM317LCPW | TSSOP-8 | 0…+125 °C | 0.1 A | 1.25 … 32 V | 35 V | L317LC | |
| LM317LID | SOIC-8 | -40…+125 °C | 0.1 A | 1.25 … 32 V | 35 V | L317LI | |
| LM317LILP | TO-92 | -40…+125 °C | 0.1 A | 1.25 … 32 V | 35 V | L317LI | |
| LM317LIPK | SOT-89 | -40…+125 °C | 0.1 A | 1.25 … 32 V | 35 V | LB | |
| LM317LIPW | TSSOP-8 | -40…+125 °C | 0.1 A | 1.25 … 32 V | 35 V | L317LI | |
| LM317LD | SO-8 | 0…+125 °C | 0.1 A | 1.2 … 37 V | 40 V | LM317L | |
| LM317LZ | TO-92 | 0…+125 °C | 0.1 A | 1.2 … 37 V | 40 V | LM317LZ | |
| LM317MABDTG | TO-252-3 (DPAK-3) | -40…+125 °C | 0.5 A | 1.2 … 37 V | 40 V | 317ABG | |
| LM317MABTG | TO-220 | -40…+125 °C | 0.5 A | 1.2 … 37 V | 40 V | LM317MABT | |
| LM317MADTRKG | TO-252-3 (DPAK-3) | 0…+125 °C | 0.5 A | 1.2 … 37 V | 40 V | 317MAG | |
| LM317MBDTG | TO-252-3 (DPAK-3) | -40…+125 °C | 0.5 A | 1.2 … 37 V | 40 V | 317MBG | |
| LM317MBSTT3G | SOT−223 | -40…+125 °C | 0.5 A | 1.2 … 37 V | 40 V | 317MB | |
| LM317MBTG | TO-220 | -40…+125 °C | 0.5 A | 1.2 … 37 V | 40 V | LM317MBT | |
| LM317MDTG | TO-252-3 (DPAK-3) | 0…+125 °C | 0.5 A | 1.2 … 37 V | 40 V | 317MG | |
| LM317MSTT3G | SOT−223 | 0…+125 °C | 0.5 A | 1.2 … 37 V | 40 V | 317M | |
| LM317MTG | TO-220 | 0…+125 °C | 0.5 A | 1.2 … 37 V | 40 V | LM317MT | |
| LM317HV | TO-3 | 0…+125 °C | 1.5 A | 1.25 … 57 V | 60 V | LM317HV | |
| LM317HVT | TO-220 | 0…+125 °C | 1.5 A | 1.25 … 57 V | 60 V | LM317HVT P+ |
В зависимости от схемы включения LM317 может использоваться в качестве стабилизатора напряжения или тока.

Рассчитать величину резисторов R1 и R2, для требуемого выходного напряжения, можно в программе Calc LM317 (395 КБ).
Типовая схема включения LM317 в режиме стабилизации тока:

Рассчитать сопротивление резистора R1 для нужного тока также можно в программе Calc LM317.
Помогла ли вам статья?
ДаНе особо
Выбор схемы включения
На практике применяют разные инженерные решения. В частности, для подключения светодиодных светильников производители предлагают импульсные источники питания. Эти устройства выполняют свои функции с помощью частотного преобразования и модуляции сигнала. Для управления ключом устанавливают микросхемы. Для дозированного накопления энергии используют дроссель.
Импульсный стабилизатор тока
Для упрощения в данной статье рассмотрена линейная стабилизация. Устройства, созданные по этой схеме, не создают сильные электромагнитные помехи. В этом – главное отличие от импульсных аналогов.
Схема блока питания с релейной защитой

Как только падение напряжения на R2 достигает 0,7 В, схема начинает работать деактивируя выход источника через реле и активируя красный светодиод и зуммер, указывающие, что произошла проблема. Чтобы сбросить защиту, просто нажмите кнопку сброса. Такой метод часто предпочтительнее автоматического режима за счёт более высокой безопасности для подключенных микросхем.

Диоды D6, D7 и D8 компенсируют падение напряжения на SCR TIC106, а R3 ограничивает часть тока, протекающего через регулятор напряжения LM350T, в этой конфигурации U1 будет потреблять около 1,7 А, а Q1 будет отвечать за остальную часть проходящего тока 2,3 А, таким образом оба радиоэлемента работают в нормальном тепловом режиме.

Максимальный ток цепи рассчитывается по закону Ома U = R x I, где U соответствует фиксированному значению 0,7 В: для тока 4 А будет 0,7 = R x 4, что дает R = 0,17 Ом, это будет значение R2 и оно определяет, какой ток будет у источника. Дальше приведены некоторые значения R3 для ограничения тока регуляторов LM350T и LM317T: с 1R lM350 будет потреблять 1,2 А, а у другой будет 1 А. При 0,68R – 1,7 А, при 0,56R – близко к 2 А. Остальное будет от транзистора зависеть.

Если нужен только светодиод, указывающий на ситуацию с замыканием, припаяйте только R6 и D4 (Led2), а при пайке R7, D5 и Buzzer будет только звуковой индикатор, или если нужен только мигающий светодиод, добавьте небольшую схему, создающую мигание. В общем используйте те варианты, которые считаете оптимальными.

В источнике питания также есть цепь, образованная NTC и LM741, которая контролирует температуру радиатора и активирует светодиод, указывающий что вентилятор начал работать. Но лучше просто поставьте теплоотвод с запасом, чтоб меньше шумело и было надёжнее.
Общее описание

Слово «лабораторные» применяется неспроста, так как их главное предназначение – помогать в лабораториях. Они «живут» там постоянно и даже не транспортируются для проведения ремонта в посторонних помещениях. Специалисты не рекомендуют использовать устройство на открытом воздухе или в автомобиле. Лабораторные также подразумевают корректировку параметров и точную установку показателей.
Продукция российского производства имеет сертификаты соответствия, проходит регулярные поверки, что приводит к удорожанию ее использования. Данные БП могут допустить незначительную погрешность, отличаются надежностью и эффективностью работы, а также длительным сроком эксплуатации.
Базовая конфигурация
Главная задача стабилизатора — обеспечить постоянство выходного напряжения и подавление пульсаций.
Конструкция стабилизатора основана на простейшей схеме, но каждый её элемент я выбирал так, чтобы он идеально выполнял свою функцию:Для максимального подавления входных шумов сопротивление резистора R должно быть максимально, а в внутреннее сопротивление источника опорного напряжения Vref как можно ниже. Да и работать формирователь опорного напряжения будет лучше, если его питать от высокоомного источника. Таким требованиям отвечает источник стабильного тока (ГСТ).
Для высоковольтного стабилизатора я использовал ГСТ на двух транзисторах, что обеспечивает большую стабильность тока при колебаниях питающего напряжения.
Для низковольтных стабилизаторов можно использовать аналогичную схему или просто одиночный диод.
Для высоковольтных стабилизаторов я выбрал значение тока ГСТ около 5мА. Для низковольтных стабилизаторов можно выбрать значение поменьше.
Микросхеме TL431 для нормальной работы требуется минимум 2 мА.
Важное замечание: ГСТ на двух транзисторах может иногда возбуждаться, если использовать высокочастотные транзисторы. Поэтому я выбрал транзисторы MJ340/350 которые, как показывает мой опыт, работают стабильно. Стабилитроны довольно шумные и кроме того имеют плохой температурный коэффициент
Выходное напряжение при их использовании будет меняться в зависимости от температуры окружающей среды, а если в вашем усилителе активная вентиляция, то тем более. Кроме того, стабильность их внутреннего сопротивления тоже оставляет желать лучшего
Стабилитроны довольно шумные и кроме того имеют плохой температурный коэффициент. Выходное напряжение при их использовании будет меняться в зависимости от температуры окружающей среды, а если в вашем усилителе активная вентиляция, то тем более. Кроме того, стабильность их внутреннего сопротивления тоже оставляет желать лучшего.
Вместо них я использовал TL431 в качестве источника опорного напряжения, так как их шумовые характеристики весьма достойны, они имеют низкое выходное сопротивление и довольно широкий диапазон выходных напряжений, которое устанавливается с помощью простого делителя.
Определение стабильности петли обратной связи экспериментальным путем
Стабильность поведения контура обратной связи можно определить экспериментально с помощью прибора для построения диаграммы Боде (получения логарифмической амплитудно-фазовой частотной характеристики), которая является представлением частотного отклика линейной стационарной системы в логарифмическом масштабе. Для того чтобы ввести сигнал возмущения в контур управления, можно использовать внешний генератор синусоидального сигнала со звуковым трансформатором, через который и подается возмущающий сигнал (рис. 14). Частота этого внешнего синусоидального сигнала линейно возрастает вплоть до уровня возмущения на выходе, равного по уровню возмущающему сигналу. Усиление в данном случае равно 1, и, таким образом, частота возмущающего сигнала должна быть равна частоте перехода fc контура обратной связи. Разность фаз между возмущающим сигналом и выходным сигналом и является запасом по фазе. При дальнейшем увеличении частоты до тех пор, пока разность фаз не достигнет –180°, может быть найден запас по усилению.

Рис. 14. Схема для экспериментального построения диаграммы Боде
Немного теории:
Стабилизаторы бывают линейные и импульсные. Линейный стабилизатор представляет собой делитель напряжения, на вход которого подаётся входное (нестабильное) напряжение, а выходное (стабилизированное) напряжение снимается с нижнего плеча делителя. Стабилизация осуществляется путём изменения сопротивления одного из плеч делителя: сопротивление постоянно поддерживается таким, чтобы напряжение на выходе стабилизатора находилось в установленных пределах. При большом отношении величин входного/выходного напряжений линейный стабилизатор имеет низкий КПД, так как большая часть мощности Pрасс = (Uin — Uout) * It рассеивается в виде тепла на регулирующем элементе. Поэтому регулирующий элемент должен иметь возможность рассеивать достаточную мощность, то есть должен быть установлен на радиатор нужной площади. Преимущество линейного стабилизатора — простота, отсутствие помех и небольшое количество используемых деталей. Недостаток — низкий КПД, большое тепловыделение. Импульсный стабилизатор напряжения — это стабилизатор напряжения, в котором регулирующий элемент работает в ключевом режиме, то есть бо́льшую часть времени он находится либо в режиме отсечки, когда его сопротивление максимально, либо в режиме насыщения — с минимальным сопротивлением, а значит, может рассматриваться как ключ. Плавное изменение напряжения происходит благодаря наличию интегрирующего элемента: напряжение повышается по мере накопления им энергии и снижается по мере отдачи её в нагрузку. Такой режим работы позволяет значительно снизить потери энергии, а также улучшить массогабаритные показатели, однако имеет свои особенности. Преимущество импульсного стабилизатора — высокий КПД, низкое тепловыделение. Недостаток — бОльшее количество элементов, наличие помех.






























