Микросхема СА3162Е
Но существуют и другие микросхемы аналогичного действия. Например, есть микросхема СА3162Е, которая предназначена для создания измерителя аналоговой величины с отображением результата на трехразрядном цифровом индикаторе.
Микросхема СА3162Е представляет собой АЦП с максимальным входным напряжением 999 mV (при этом показания «999») и логической схемой, которая выдает сведения о результате измерения в виде трех поочередно меняющихся двоично-десятичных четырехразрядных кодов на параллельном выходе и трех выходах для опроса разрядов схемы динамической индикации.
Чтобы получить законченный прибор нужно добавить дешифратор для работы на семисегментный индикатор и сборку из трех семисегментных индикаторов, включенных в матрицу для динамической индикации, а так же, трех управляющих ключей.
Тип индикаторов может быть любым, -светодиодные, люминесцентные, газоразрядные, жидкокристаллические, все зависит от схемы выходного узла на дешифраторе и ключах. Здесь используется светодиодная индикация на табло из трех семисегментных индикаторов с общими анодами.
Индикаторые включены по схеме динамической матрицы, то есть, все их сегментные (катодные) выводы включены параллельно. А для опроса, то есть, последовательного переключения, используются общие анодные выводы.
Вольтметр и амперметр для блока питания из мультиметра M830B
Вольтметр и амперметр для блока питания из мультиметра
Идея переделки мультиметра для контроля напряжения и тока, возникла во время изготовления блока питания. Для индикации напряжения предполагалась применить стрелочный индикатор. Уже и разобрал его, нарисовал новую шкалу, но подумал и решил, что цифровой индикатор будет гораздо лучше смотреться. Как-то в журнале «Радио» была статья переделки компьютерного блока питания и там для контроля выходного напряжения и тока применялась микросхема АЦП КР572ПВ2А, а для отображения информации служили светодиодные цифровые индикаторы. Так как стоимость микросхемы, индикаторов и деталей сравнима с ценой мультиметра, то было принято решение о переделке мультиметра для контроля напряжения и тока в блоке питания.
Основным смыслом переделки было уменьшение размеров платы с индикатором, т.е. просто часть платы надо было отрезать. Для переделки был приобретен самый простой и дешевый китайский мультиметр M830B. Схему мультиметра M830B можно скачать в нашем файловом архиве. Предел измерения величины напряжения нашей конструкции составит 200 В, а предел по току 10 А. Для выбора режима измерения «Напряжение» — «Ток» используется переключатель S1 с двумя группами контактов. На схеме показано положение переключателя в режиме измерения напряжения.
Вначале надо разобрать мультиметр и вытащить плату. Вид платы со стороны деталей вы можете увидеть на фотке.
Наша конструкция будет размещена на дв ух платах. Одна плата с индикатором, другая плата с деталями входной части мультиметра и дополнительным ст абилизатором на 9 вольт. Схема второй платы приведена на картинке. В качестве резисторов делителя используются выпаянные резисторы с платы мультиметра. Их обо значение на схеме, соответствует обозначени ям на плате мультиметра M830B.
Также на схеме пр иведены дополнительные пояснения. Буквы в кружочках соответствуют точкам подключения одной платы к другой. Для питания конструкции используется маломощный стабилизатор напряжения, который подключается к отдельной обмотке трансформатора.
Собственно при ступим.
Выпаиваем R1 8, R9, R6, R5. Рез и с то ры R 6 и R5 сохраняем для входной части нашей конструкции.
Отрезаем верхний контакт R10 от схемы и вырезаем часть дорожки(на фотке помечено крестиками). Выпаиваем R10.
Выпаиваем R12 и R11.
R12 и R11 соединяем последовательно. И припаиваем одним концом к верхнему контакту R10, а другим к отрезанной от R10 дорожке. Выпаиваем R20 и запаиваем его на место R9.
Выпаиваем R16 и сверлим для него новые отверстия (см. фотку)
Переворачиваем плату индикатором к себе.
Ближний от индикатора контакт R9(теперь там R20) отрезаем от схемы(помечено крестиком). Дальние от индикатора контакты R9(теперь там R20) и R19 соединяем вместе (со стороны индикатора), на фотке обозначено красной перемычкой.
Верхний контакт R10 (там теперь R11 и R12) соединяем с нижним контактом R13, на фотке обозначено красной перемычкой.
Удаляем часть дорожек помеченных крестиками. И припаиваем перемычку к ближнему от индикатора контакту R9(теперь там R20), взамен удаленной дорожки.
Удаляем помеченные крестиком дорожки, и подготавливаем контактные пятачки для распайки со второй платой, на фотке указаны стрелочками.
Припаиваем перемычку.
Припаиваем контактные провода от второй платы, соблюдая соответствие букв(a-A, b-B и т.д.)
На этой фотке конструкция встроена в блок питания, для которого и создавалась. При подключенной нагрузке, нажатием кнопки «Напряжение-Ток», на индикаторе высвечивается значение протекающего тока.
Налаживание
В общем-то оно совсем несложное. Начнем с вольтметра. Сначала замкнем между собой выводы 10 и 11 D1, и подстройкой R4 выставим нулевые показания. Затем, убираем перемычку, замыкающую выводы 11-10 и подключаем к клеммам «нагрузка» образцовый прибор, например, мультиметр.
Регулируя напряжение на выходе источника, резистором R5 настраиваем калибровку прибора так, чтобы его показания совпадали с показаниями мультиметра. Далее, налаживаем амперметр. Сначала, не подключая нагрузку, регулировкой резистора R5 устанавливаем его показания на ноль. Теперь потребуется постоянный резистор сопротивлением 20 От и мощностью не ниже 5W.
Устанавливаем на блоке питания напряжение 10V и подключаем этот резистор в качестве нагрузки. Подстраиваем R5 так чтобы амперметр показал 0,50 А.
Можно выполнить калибровку и по образцовому амперметру, но мне показалось удобнее с резистором, хотя конечно на качество калибровки очень влияет погрешность сопротивления резистора.
По этой же схеме можно сделать и автомобильный вольтметр. Схема такого прибора показана на рисунке 4. Схема от показанной на рисунке 1 отличается только входом и схемой питания. Этот прибор теперь питается от измеряемого напряжения, то есть, измеряет напряжение, поступающее на него как питающее.
Напряжение от бортовой сети автомобиля через делитель R1-R2-R3 поступает на вход микросхемы D1. Параметры этого делителя такие же как в схеме на рисунке 1, то есть для измерения в пределах 0. 99.9V.
Но в автомобиле напряжение редко бывает более 18V (больше 14,5V уже неисправность). И редко опускается ниже 6V, разве только падает до нуля при полном отключении. Поэтому прибор реально работает в интервале 7. 16V. Питание 5V формируется из того же источника, с помощью стабилизатора А1.
Ещё одна маленькая победа Китай-прома над отечественным радиолюбительством произошла в области А/В-метров. Уже несколько лет как стали очень популярны мини LED индикаторы напряжения. Их уже можно увидеть во многих самодельных конструкциях и делание цифрового вольтметра / амперметра на микроконтроллере с нуля уже скорее проходит по категории «мазохизм», если конечно не требуются особые свойства или точность. Значит имеет смысл взглянуть на такие модули по-пристальнее, выбрав самые маленькие из них трех разных цветов для теста.


Подключение прибора
На рисунке 3 показана схема подключения измерителей в лабораторном источнике.

Рис. 3. Схема подключения измерителей в лабораторном источнике.
![]()
Рис.4. Самодельный автомобильный вольтметр на микросхемах.
Пожалуй, самое труднодоставаемое — это микросхемы СА3162Е. Из аналогов мне известна только NTE2054. Возможно есть и другие аналоги, о которых мне не известно.
С остальным значительно проще. Как уже сказано, выходную схему можно сделать на любом дешифраторе и соответствующих индикаторах. Например, если индикаторы будут с общим катодом, то нужно КР514ИД2 заменить на КР514ИД1 (цоколевка такая же), а транзисторы VТ1-VТЗ перетащить вниз, подсоединив их коллектора к минусу питания, а эмиттеры к общим катодам индикаторов. Можно использовать дешифраторы КМОП-логики, подтянув их входы к плюсу питания при помощи резисторов.
Устройство Торех
Указанный амперметр (цифровой) производится с повышенной проводимостью тока. Максимальное давление устройство выдерживает в 80 кПа. Минимальная допустимая температура амперметра равняется -10 градусов. Повышенной влажности указанный измерительный прибор не боится. Устанавливать его рекомендуется рядом с источником тока. Коэффициент деления равняется только 0.8. Максимальное давление амперметр (цифровой) выдерживает в 12 кПа. Потребляемый ток устройства составляет около 0.6 А. Триод используется фазового типа. Для бытового использования данная модификация подходит.
Поделиться в соцсетях
На этом рисунке изображена схема подключения вольтметра и амперметра с отдельным токоизмерительным шунтом к блоку питания.
Параметры не ниже выходных БП: Uвх — Никакого спама, только полезные идеи!
Питание прибора должно находиться в рамках 4, В. Это и послужило поводом для написания данной статьи, ведь, скорее всего, мы не одни, которые столкнулись с вопросами подключения WR к цепям измерения.
Нижний начинается не от 0, и даже верхний предел вызывает сомнения, в даташите на HT Holtek он ограничен 24V, оригинального даташита не нашел. Также в Интернете встречаются иные модификации этого модуля, но суть переделок от этого не меняется — если Вам попался не такой модуль, просто скорректируйте схему по плате, выпаяв индикатор или прозвонив цепи тестером и вперед! С2 — предположительно 0. Первые три шнура чаще всего объединены для удобства.
Метки: вольтметр, амперметр
На этом рисунке изображена схема подключения вольтметра амперметра первой модели к зарядному устройству из компьютерного блока питания. Поэтому я решил написать специально отдельную статью, в которой подробно расскажу, как и каким образом подключить китайский вольтметр амперметр к зарядному устройству или самодельному регулируемому блоку питания. Таким же образом нужно соединить тонкий красный и желтый контакты. Потребление энергии менее 20 мА.
Подав питание на схему, индикатор начнет светиться. Большинство моделей имеют на своем корпусе специальные резисторы. Не сразу и не вовремя выяснилось, что вход питания у него гальванически связан с минусовым входом шунта. Толстые провода: Черный минус амперметра, синий выход амперметра, красный вход вольтметра. Вывод — вполне сносный измерительный прибор, позволит примерно понять проходящий ток и измерить напряжение, но только до 24 вольт.
Как подключить вольтамперметр к зарядному устройству — подборка схем
Разрешение 0,28 дюйма. Также BY42A можно встретить в двух вариантах исполнения платы, но цветовая маркировка проводов остается прежней. На AliExpress предлагается похожий измеритель на стм8с, но если посмотреть распиновку, это не он. Минус внешнего источника подать на общий провод схемы. Данный вольтметр, амперметр удобен еще и тем, что он реализуется в уже откалиброванном состоянии.
Это вносит ощутимую погрешность при питании индикатора от того-же источника, с которого измеряется ток погрешность вплоть до ампера с моим шунтом на 50А! Дело в том, что если подключить вольтметр амперметр к регулируемому выходу блока питания, то при понижении напряжения менее 4. Достаточно будет подключить зарядное, где установлен вольтамперметр к батареи, и мы увидим какое сейчас на ней напряжение. Здесь весьма часто протягивает руку помощи Алиэкспресс, оперативно поставляя китайские цифровые измерительные приборы. Вольтметр 100V + амперметр 50А подключаем шунт digital voltmeter ammeter
Для чего нужен шунт
Шунт необходим для того, чтобы правильно измерить сопротивление в тех случаях, если амперметр не предназначен для измерения таких величин. Если домашний мастер часто имеет дело с такими величинами, есть смысл изготовить шунт для амперметра своими руками. Шунтирование значительно повышает точность и эффективность его работы
Это важное и нужное устройство для тех, кто часто пользуется тестером. Обычно его используют владельцы классического амперметра 91с16
Вот основные преимущества самодельного шунта:
- Позволяет измерить сопротивление там, где у фабричного или самодельного амперметра не хватает делений на шкале;
- Помогает адаптировать зарубежные амперметры к российским электрическим цепям;
- Точность тестера значительно увеличивается;
- Защищает тестер от поломок и продлевает срок его службы. Любая ситуация, когда тестер «зашкаливает» является стрессом для прибора. Если амперметр «зашкаливает» часто (обычно так бывает, если он отсутствует), прибор быстро выходит из строя, а починить его непросто (легче купить новый).
Порядок изготовления
С самостоятельным изготовлением шунта легко справится даже первокурсник профессионально-технического училища или начинающий электрик-любитель. Если подключить это устройство соответствующим образом, оно значительно увеличит точность амперметра и прослужит долго. В первую очередь необходимо произвести расчет шунта для амперметра постоянного тока. Узнать о том, как производить расчеты, можно через интернет или из специализированной литературы, адресованной домашним электрикам. Рассчитать шунт можно с помощью калькулятора.
Для этого нужно просто подставить конкретные значения в готовую формулу. Для того чтобы воспользоваться схемой расчета, необходимо знать реальные напряжение и сопротивление, на которые рассчитан конкретный тестер, а также представлять себе тот диапазон, до которого нужно расширить возможности тестера (это зависит от того, с какими именно приборами чаще всего приходится иметь дело домашнему электрику).
Для изготовления прекрасно подойдут такие материалы:
- Стальная скрепка;
- Моток медной проволоки;
- Манганин;
- Медный провод.
По сути, шунт — это источник дополнительного сопротивления, снабженный четырьмя зажимами и подсоединенный к прибору. Если для его изготовления используется стальная или медная проволока, не стоит скручивать его в виде спирали.
Как переделать вольтметр постоянного напряжения в переменное
Показанная на рисунке №1 схема – это вольтметр постоянного тока. Чтобы его сделать переменным или, как говорят специалисты, пульсирующим, необходимо в конструкцию установить выпрямитель, с помощью которого постоянное напряжение преобразуется в переменное. На рисунке №2 вольтметр переменного тока показан схематически.
Данная схема работает так:
- когда на левом зажиме находится положительная полуволна, то открывается диод D1, D2 в этом случае закрыт;
- напряжение проходит через амперметр к правому зажиму;
- когда положительная полуволна находится на правом конце, то D1 закрывается, и напряжение через амперметр не проходит.
В схему обязательно добавляется резистор Rд, сопротивление которого рассчитывается точно так же, как и остальные элементы. Правда, его расчетное значение делится на коэффициент, равный 2,5-3. Это в том случае, если в вольтметр устанавливается однополупериодный выпрямитель. Если используется двухполупериодный выпрямитель, то значение сопротивления делится на коэффициент: 1,25-1,5. Кстати, схема последнего изображена на рисунке №3.
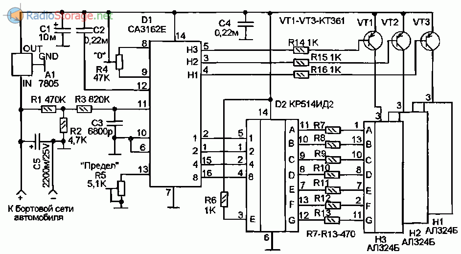
Для сборки вольтметра необходимы следующие компоненты:
- микросхемы СА31162 и КР514ИД2;
- транзисторы КТ361 – 3 шт.;
- резисторы постоянные мощностью 0,125 Вт, номиналом: 1кОм – 4 шт.; 470 Ом – 7 шт.; 470 кОм – 1 шт.; 4,7 кОм – 1 шт.; 820 кОм – 1 шт.;
- переменные резисторы: 5,1 кОм (регулировка режима «предел») и 47 кОм (регулировка «установка нуля»)
- конденсаторы: 0,22 мФ – 2шт.; 6800 пФ; электролитический на 100 мФ*150 В;
- индикаторы АЛ324Б – 3 шт.
Детали можно брать б/у, с выводами достаточной длины для успешного монтажа. Транзисторы ключей подбираются с одинаковыми сопротивлениями переходов или с близкими значениями.
Налаживание цифрового вольтметра и амперметра
В общем-то оно совсем несложное. Начнем с вольтметра. Сначала замкнем между собой выводы 10 и 11 D1, а подстройкой R4 выставим нулевые показания. Затем, убираем перемычку, замыкающую выводы 11–10 и подключаем к клеммам «нагрузка» образцовый прибор, например, мультиметр.
Регулируя напряжение на выходе источника, резистором R5 настраиваем калибровку прибора так, чтобы его показания совпадали с показаниями мультиметра. Далее налаживаем амперметр. Сначала, не подключая нагрузку, регулировкой резистора R5 устанавливаем его показания на ноль. Теперь потребуется постоянный резистор сопротивлением 20 От и мощностью не ниже 5W.
Устанавливаем на блоке питания напряжение 10V и подключаем этот резистор в качестве нагрузки. Подстраиваем R5 так чтобы амперметр показал 0,50 А.
Можно выполнить калибровку и по образцовому амперметру, но нам показалось удобнее с резистором, хотя конечно на качество калибровки очень влияет погрешность сопротивления резистора.
Таким же образом можно сделать и автомобильный вольтметр:
От первой схемы эта отличается только входом и схемой питания. Такой прибор теперь питается от измеряемого напряжения, то есть измеряет напряжение, поступающее на него как питающее.
Напряжение от бортовой сети автомобиля через делитель R1-R2-R3 поступает на вход микросхемы D1. Параметры этого делителя такие же как в первой схеме, то есть для измерения в пределах 0. 99.9V.
Но в автомобиле напряжение редко бывает более 18V (больше 14,5V уже неисправность). И редко опускается ниже 6V, разве только падает до нуля при полном отключении. Поэтому прибор реально работает в интервале 7. 16V. Питание 5V формируется из того же источника, с помощью стабилизатора А1.
Видео о создании цифрового вольтметра своими руками:
Простая схема вольтметра включает в себя измерительный блок и набор резисторов. Это минимальный комплект, пригодный только для того, чтобы провести предварительные замеры. Подобным тестером можно измерить напряжение в розетке или уровень заряда аккумуляторной батареи. Приборы, обеспечивающие высокий класс измерений, требуют более сложной принципиальной схемы. Изготовление самодельного цифрового вольтметра вполне по силам тем, кто может держать в руках паяльник и знает графическое изображение радиоэлементов.
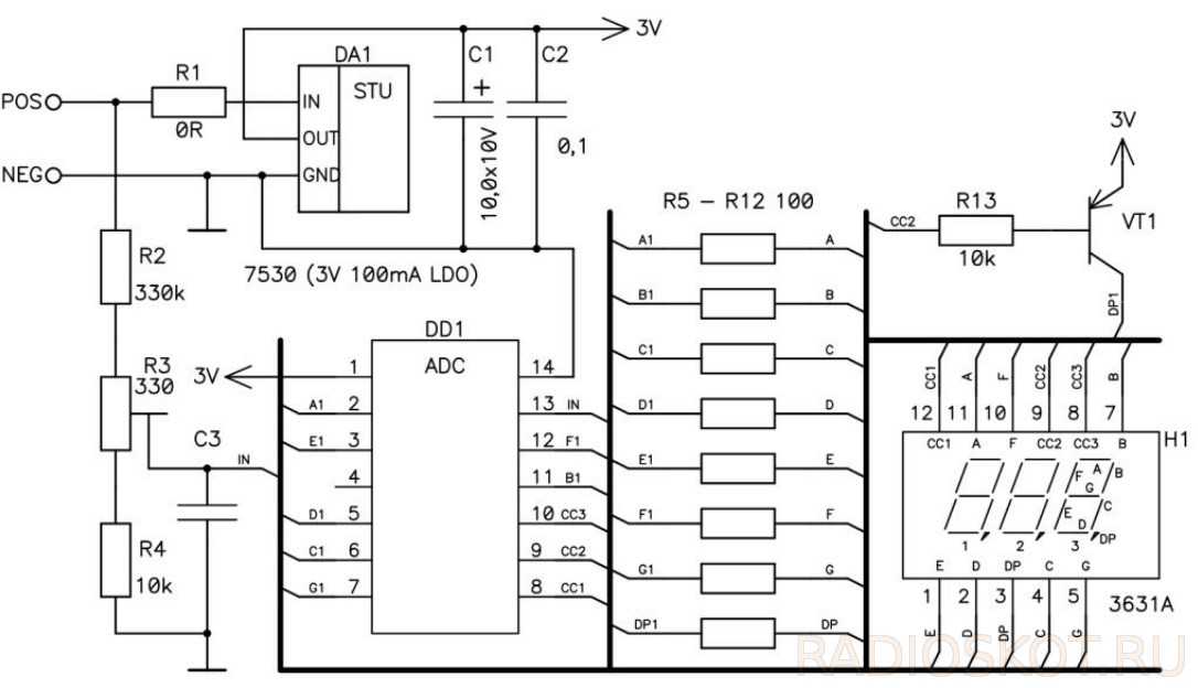
Микросхема СА3162Е
Но существуют и другие микросхемы аналогичного действия. Например, есть микросхема СА3162Е, которая предназначена для создания измерителя аналоговой величины с отображением результата на трехразрядном цифровом индикаторе.
Микросхема СА3162Е представляет собой АЦП с максимальным входным напряжением 999 mV (при этом показания «999») и логической схемой, которая выдает сведения о результате измерения в виде трех поочередно меняющихся двоично-десятичных четырехразрядных кодов на параллельном выходе и трех выходах для опроса разрядов схемы динамической индикации.
Чтобы получить законченный прибор нужно добавить дешифратор для работы на семисегментный индикатор и сборку из трех семисегментных индикаторов, включенных в матрицу для динамической индикации, а так же, трех управляющих ключей.
Тип индикаторов может быть любым, -светодиодные, люминесцентные, газоразрядные, жидкокристаллические, все зависит от схемы выходного узла на дешифраторе и ключах. Здесь используется светодиодная индикация на табло из трех семисегментных индикаторов с общими анодами.
Индикаторые включены по схеме динамической матрицы, то есть, все их сегментные (катодные) выводы включены параллельно. А для опроса, то есть, последовательного переключения, используются общие анодные выводы.
Схема вольтметра LM3914
Здесь мы собираемся разработать простой вольтметр. Это просто, потому что он включает в себя только одну микросхему – LM3914 . LM3914 – это микросхема, которая управляет 10 светодиодами на основе значения линейного входного напряжения.
Микросхема обеспечивает десятичный вывод, загораясь необходимым светодиодом в зависимости от значения входного напряжения. Максимальный измерения входного напряжения изменяется в зависимости от опорного напряжения и напряжения питания, мы обсудим, что в более поздней части статьи.
Эта микросхема может быть модифицирована для цепи защиты аккумулятора, цепи амперметра и т. Д., Но здесь мы используем ее для вольтметра. LM3914 – это 10-ступенчатый вольтметр, который означает, что он показывает изменения в 10-битном режиме. Чип измеряет входное напряжение измерения в качестве параметра и сравнивает его со ссылкой, каждый раз, когда напряжение пересекает определенную часть ссылки соответствующий светодиод светится.
Микросхема запрограммирована для непосредственного управления светодиодом, поэтому дополнительное сопротивление не требуется.
Компоненты
Блок питания (5 В)
1K резистор (3 шт.)
10К резистор (2 шт)
LM3914 IC
10 светодиодов
0,1 мкФ конденсатор (2 шт.).
Макет и соединительные провода
Принципиальная схема и рабочая
Внутренняя схема LM3914 показана на рисунке ниже:

Как уже говорилось, LM3914 представляет собой 10-ступенчатый измерительный блок.Это показано на внутренней схеме выше. LM3914 – это комбинация из 10 компараторов. Каждый компаратор представляет собой операционный усилитель с опорным напряжением на своем отрицательном выводе.
Теперь главное здесь в том, что измеряемое напряжение не может быть выше, чем опорное напряжение или напряжение питания чипа. Об этом всегда следует помнить. Для достижения более высокого измерительного напряжения с сохранением входной постоянной мы будем использовать схему делителя напряжения сопротивления. Он просто делит напряжение на основе резисторов.
Рассмотрим схему, образованную сетью, показанной на рисунке:

Итак, при входном напряжении 15 В, R1 = 11 К, R2 = 1 К, мы имеем Vout = 15 (1/11) = 1,5 В (приблизительно).
Опорное напряжение выбирается в зависимости от требований. Контрольное значение должно быть максимальное измеряемое напряжение, мы будем применять к микросхеме. Если мы измеряем переменное напряжение с пиковым напряжением 20 В, мы должны выбрать эталон 20 В.
Ссылка выбрана по уравнению:

Поскольку мы хотим измерять напряжения от 0 до 15, нам нужно выбрать R2 = 11K = 10K + 1K, R1 = 1K.
С этим мы выбрали опорное напряжение для Vref = 1,25 * 12 = 1. Так что у нас максимальное входное напряжение до 15В.
Тем не менее, важно помнить, что выше, опорное значение больше шага напряжение и уменьшить разрешение. Скажем, со ссылкой на 20В у нас есть шаг 2В, любое напряжение между 2В-4В не поддается измерению
Таким образом, при более высоком напряжении мы имеем меньшую точность.
Поскольку микросхема является 10-ступенчатой, а напряжение составляет 0-15 В, мы имеем 1.Шаг 5В. Таким образом, с каждым шагом 1,5 В в измеряемом напряжении светится дополнительный светодиод.
Соединения, которые сделаны для вольтметра LM3914, схема приведены ниже:
PIN3 —————————- + 5В питание
PIN2 ——————————– заземление
PIN5 —————————– + переменное напряжение
PIN1,10,11,12,13,14,15,16,17,18 ——————- подключен к LEDS
Измерительный уровень для светодиодов идет как,
+1.5 В, + 3,0 В, + 4,5 В, + 6,0 В, + 7,5 В, + 9,0 В, + 10,5 В, + 12,0 В, + 13,5 В, + 15,0 В.
Скажите, что измерительное напряжение составляет 10 В, светится шестой светодиод. Скажем, измерительное напряжение 12,5 В, светится девятый светодиод. Таким образом, с шагом 1,5 В мы можем измерить до 15 В.
Электрическая схема цифрового ампервольтметра для БП

В первой и второй строчке отображается усредненное значение напряжения и тока из 300 замеров АЦП. Это сделано для большей точности измерения. В третьей строчке выводится сопротивление нагрузки, рассчитанное по закону Ома. Хотел сперва сделать, чтоб выводилась потребляемая мощность, но сделал сопротивление. Может позже переделаю на мощность. В четвертой строчке выводится температура измеряемая датчиком DS18B20
. Он запрограммирован измерять температуру от 0 до 99 градусов Цельсия. Его надо установить на радиатор выходного транзистора, или на какой нибудь другой элемент схемы, где есть сильный нагрев.


К микроконтроллеру можно так же подключить кулер для охлаждения радиатора транзистора. Он будет изменять свои обороты при изменении температуры измеряемой датчиком DS18B20
. На ножке PB3
присутствует ШИМ сигнал. Кулер подключается к этому выводу через силовой ключ. В качестве силового ключа лучше всего использовать MOSFET транзистор. При температуре в 90 градусов у вентилятора будут максимальные обороты. Датчик температуры можно и не устанавливать. В этом случае в четвертой строчке просто высветится надпись OFF
. Кулер подключаем на прямую. На выходе PB3
будет 0.


В архиве есть два варианта прошивки. Одна на максимально измеряемый ток в 5 ампер, а вторая до 10 ампер. Максимально измеряемое напряжение – 30 вольт. Коэффициент усиления ОУ LM358
по расчетам выбран 10. Для разных прошивок нужно подобрать шунт. Не у всех есть возможность измерять сотые доли ома и прецизионные резисторы. Поэтому в схеме есть два подстроечных резистора. Ними можно подкорректировать показания измерений.

Там-же в архиве есть и печатная плата. Есть небольшие различия на фото — там она немножко подправленная. Удалена одна перемычка и размер меньше по высоте на 5 мм. Стабильность показаний ампервольтметра высокая. Иногда плавает только на сотые доли. Хотя сравнивал всего лишь с моим китайским тестером. Для меня этого вполне хватит.

Всем спасибо за внимание. Все вопросы задаем на форуме
Показометр сделал Бухарь
.
Обсудить статью ЦИФРОВОЙ АМПЕРВОЛЬТМЕТР
При работе с различными электронными изделиями возникает потребность измерять режимы или распределение переменных напряжений на отдельных элементах схемы. Обычные мультиметры, включённые в режиме AC, могут фиксировать лишь большие значения этого параметра с высокой степенью погрешности. При необходимости снятия небольших по величине показаний желательно иметь милливольтметр переменного тока, позволяющий производить измерения с точностью до милливольта.
Для того чтобы изготовить цифровой вольтметр своими руками, нужен определённый опыт работы с электронными компонентами, а также умение хорошо управляться с электрическим паяльником. Лишь в этом случае можно быть уверенным в успехе сборочных операций, осуществляемых самостоятельно в домашних условиях.
Цифровой амперметр и вольтметр для блока питания
На рисунке 1 представлена схема цифрового амперметра и вольтметра, которая может быть использована, как дополнение к схемам блоков питания, преобразователей, зарядных устройств и т.д. Цифровая часть схемы выполнена на микроконтроллере PIC16F873A. Программа обеспечивает измерение напряжения 0. 50 В, измеряемый ток — 0. 5 А.

Для отображения информации используются светодиодные индикаторы с общим катодом. Один из операционных усилителей микросхемы LM358 используется в качестве повторителя напряжения и служит для защиты контроллера при внештатных ситуациях. Все-таки цена контроллера не так уж и мала. Измерение тока производится косвенным образом, при помощи преобразователя ток-напряжение, выполненного операционном усилителе DA1.2 микросхемы LM358 и транзисторе VT1 – КТ515В. Почитать о таком преобразователе еще можно здесь и здесь. Датчиком тока в этой схеме служит резистор R3. Преимуществом такой схемы измерения тока состоит в том, что здесь отпадает необходимость точной подгонки миллиомного резистора. Скорректировать показания амперметра можно просто триммером R1 и в довольно широких пределах. Сигнал тока нагрузки для дальнейшей оцифровки снимается с нагрузочного резистора преобразователя R2. Напряжение на конденсаторе фильтра стоящем после выпрямителя вашего блока (вход стабилизатора, точка 3 на схеме)питания не должно быть более 32 вольт, это обусловлено максимальным напряжением питания ОУ. Максимальное входное напряжение микросхемного стабилизатора КР142ЕН12А – тридцать семь вольт.
Регулировка вольтамперметра заключается в следующем. После всех процедур — сборки, программирования, проверки на соответствие на собранное вами произведение подают напряжение питания. Резистором R8 выставляют на выходе стабилизатора КР142ЕН12А напряжение 5,12 В. После этого вставляют в панельку запрограммированный микроконтроллер. Измеряют напряжение в точке 2 мультиметром, которому вы доверяете, и резистором R7 добиваются одинаковых показаний. После этого к выходу (точка 2) подключают нагрузку с контрольным амперметром. Равенства показаний обоих приборов в данном случае добиваются при помощи резистора R1.
Резистор-датчик тока можно изготовить самому, используя для этого, например, стальную проволоку. Для расчета параметров этого резистора можно использовать программу «Программа для работы с проволокой» Программу скачали? Открыли? Значит так, нам нужен резистор номиналом в 0,05 Ом. Для его изготовления выберем стальную проволоку диаметром 0,7мм – у меня она такая, да еще и не ржавеющая. С помощью программы вычисляем необходимую длину отрезка, имеющего такое сопротивление. Смотрим скрин окна данной программы.

И так нам нужен отрезок стальной нержавеющей проволоки диаметром 0,7мм и длиной всего 11 сантиметров. Не надо этот отрезок свивать в спираль и концентрировать все тепло в одной точке. Вроде все. Что не понятно, прошу на форум. Успехов. К.В.Ю. Чуть не забыл про файлы.






























