Принцип работы компаратора (для любознательных)
Иногда, юные электронщики используют юмористический термин «магический треугольник», т.к. они еще не знакомы с внутренней структурой схемы. Чтобы полностью понять, как работает компаратор, нужно хорошо знать транзисторы — внутри компаратора нет никакого волшебства.
Ниже представлена простейшая принципиальная схема компаратора. Схема ужасная, но она будет работать. Следующая информация должна рассматриваться чисто из любопытства — мы не будем использовать этот тип компараторов.
Построение простого компаратора на транзисторах
| Компараторы, продаваемые как интегральные схемы, содержат дюжину и более транзисторов, поэтому они не удобны при ручном анализе работы. |
Транзисторы Т1 и Т2 образуют так называемую дифференциальную схему, которая находится на входе каждого компаратора. Ее преимущество в том, что она позволяет изучать дифференциальное напряжение, ведь здесь важна только разница напряжений между их базами.
Если напряжение на Т1 ниже, чем на Т2, первый транзистор открывается, а второй забивается. Это связано со свойствами транзистора PNP — для его открытия необходим базовый потенциал ниже, чем у эмиттера. База T1 будет снижать потенциал эмиттеров ниже, чем база T2, вызывая засорение T2. Весь ток от резистора будет проходить через коллектор T1.
Транзисторы Т1 и Т2 постоянно конкурируют друг с другом за ток от резистора R1. Тот, кто побеждает (то есть начинает проводить ток от эмиттера к коллектору), устанавливает напряжение эмиттер-база около 0,7 В. Если его «противник» не проводит ток, его напряжение эмиттер-база ниже.
Если в ситуации, показанной ниже, транзистор T2 с базовым потенциалом 2,5 В должен был проводить ток, то его потенциал эмиттера был бы 3,2 В или 0,7 В. Однако тогда, напряжение эмиттер-база транзистора T1, поскольку их эмиттеры соединены, будет до 3,2 В — 2 В = 1,2 В, поэтому он будет проводить гораздо больший ток.
Простой компаратор — текущий путь в первой ситуации
| В такой схеме проводящим может быть только один транзистор. Ситуация, в которой ток протекает через оба транзистора одновременно, невозможна. |
В схеме напряжений, которую мы только что предположили, Т1 должен проводить ток. Потенциал эмиттера будет 2,7 В. Тогда напряжение эмиттер-база в транзисторе Т2 будет всего 2,7 В — 2,5 В = 0,2 В. Следовательно, Т2 останется забитым. Весь ток от R1 будет течь на землю через коллектор T1. Ток не будет течь в базу T3, и этот транзистор также будет забит.
Теперь поменяем местами провода, подающие напряжение на входы компаратора. Дифференциальное напряжение по-прежнему составляет 0,5 В, но его знак изменился. Теперь потенциал базы Т2 составляет 2 В, а Т1 — 2,5 В. Теперь можно сделать вывод, что Т2 придется открывать. Его напряжение эмиттер-база будет 0,7 В, а Т1 — 0,2 В, поэтому он останется забитым.
Простой компаратор — путь тока во второй ситуации
Весь ток от резистора R1 будет протекать через эмиттер T2 на базу T3. Этот транзистор, пока забитый, но сможет открыться и через его коллектор сможет протекать ток, например, от дополнительного резистора (подробнее об этой теме чуть позже), к земле системы. Если ток коллектора достаточно низкий, транзистор может насыщаться.
Таким образом, эта простая схема действует как реальный компаратор. Когда потенциал входа, отмеченного знаком «+», выше, чем «-», состояние выхода высокое (выходной транзистор забит). Если входной потенциал «-» выше, чем «+», выход будет закорочен на массу (выходной транзистор открыт).
Модификации и группы
| Тип | PC | UCB | UCE | UBE | IC | TJ | fT | hFE | Группы по hFE | Врем. параметры: ton / tstg / tf мкс | Корпус |
|---|---|---|---|---|---|---|---|---|---|---|---|
| 13001-0 | 0,8 | 700 | 400 | 9 | 0,4 | 150 | ˃ 5 | 8…30 | — | 0,7 / 1,8 / 0,6 | TO-92T |
| 13001-2 | 0,8 | 700 | 400 | 9 | 0,45 | 150 | ˃ 5 | 8…30 | — | 0,7 / 2,0 / 0,6 | TO-92T |
| 13001-A | 0,8 | 600 | 400 | 9 | 0,5 | 150 | ˃5 | 8…30 | — | 0,7 / 2,5 / 0,6 | TO-92T |
| 3DD13001 | 0,75 | 600 | 400 | 7 | 0,2 | 150 | ˃8 | 5…26 | Группы A/B | — / 1,5 / 0,3 | TO-92 |
| 3DD13001A1 | 0,8 | 600 | 400 | 9 | 0,25 | 150 | ˃5 | 15…30 | — | 0,8 / 1 / 1 | TO-92 |
| 3DD13001P | 0,6 | 600 | 400 | 9 | 0,17 | 150 | ˃5 | 15…30 | — | 1 / 3 / 1 | TO-92 |
| 3DD13001P1 | 0,6 | 600 | 400 | 9 | 0,2 | 150 | ˃5 | 15…30 | — | 1 / 3 / 1 | TO-92 |
| 3DD13001A1 | 0,8 | 600 | 400 | 9 | 0,25 | 150 | ˃5 | 15…30 | — | 1 / 3 / 1 | TO-92 |
| ALJ13001 | 1 | 600 | 400 | 7 | 0,2 | 150 | ˃8 | 10…40 | 10 групп без обозначения | — / 1,5 / 0,3 | TO-92 |
| CD13001 | 0,9 | 500 | 400 | 9 | 0,5 | 150 | — | — | 6 групп A/B/C/…/F | — / 1,5 / 0,3 | TO-92 |
| CS13001 | 0,75 | 700 | 480 | 9 | 0,2 | 150 | — | 8…30 | 4 группы без обозначения | — | TO-92 |
| HMJE13001 | 1 | 600 | 400 | 6 | 0,3 | 150 | — | 8…36 | — | — | TO-92 |
| MJ13001A | 0,625 | 500 | 400 | 8 | 0,5 | 150 | ˃10 | 8…40 | — | — | TO-92 |
| MJE13001 | 0,75 | 600 | 400 | 7 | 0,2 | 150 | ˃8 | 10…70 | 12 групп A/B/C…/L | — | TO-92, SOT-89 |
| MJE13001A1 | 0,8 | 600 | 400 | 9 | 0,17 | 150 | ˃5 | 10…40 | — | — / 3 / 1,2 | TO-92 |
| MJE13001A2 | 0,8 | 600 | 400 | 9 | 0,17 | 150 | ˃5 | 10…40 | — | — / 3 / 1,2 | TO-92L |
| MJE13001AH | 1 | 700 | 480 | 9 | 0,3 | 150 | — | 5…30 | — | — / 2 / 0,8 | TO-92(S) |
| MJE13001B1 | 1 | 600 | 400 | 9 | 0,2 | 150 | ˃5 | 10…40 | — | — / 3 / 0,6 | TO-92 |
| MJE13001C1 | 1 | 600 | 400 | 9 | 0,25 | 150 | ˃5 | 10…40 | — | — / 3 / 0,6 | TO-92 |
| MJE13001C2 | 1 | 600 | 400 | 9 | 0,25 | 150 | ˃5 | 10…40 | — | — / 3 / 0,6 | TO-92L |
| MJE13001DE1 | 1 | 600 | 400 | 9 | 0,5 | 150 | ˃5 | 10…40 | — | — / 3 / 0,8 | TO-92 |
| MJE13001E1 | 1 | 600 | 400 | 9 | 0,45 | 150 | ˃5 | 10…40 | — | — / 3 / 0,6 | TO-92 |
| MJE13001E2 | 1 | 600 | 400 | 9 | 0,45 | 150 | ˃5 | 10…40 | — / 3 / 0,6 | TO-92L | |
| MJE13001H | 1 | 700 | 480 | 9 | 0,18 | 150 | — | 5…30 | — | — | TO-92(S) |
| MJE13001P | 0,75 | 600 | 400 | 7 | 0,2 | 150 | ˃8 | 5…70 | 12 групп A/B/C…/L | — / 1,5 / 0,3 | TO-92 |
| SBN13001 | 0,6 | 600 | 400 | 9 | 0.5 | 150 | — | 10…40 | — | — / 2 / 0,8 | TO-92 |
| SXW13001 | 9 | 600 | 400 | — | 0.5 | — | — | 8…70 | — | — | TO-92 |
| SXW13001 | 10 | 600 | 400 | — | 0.5 | — | — | 10…40 | — | — | TO-126 |
| XW13001 | 7 | 600 | 400 | — | 0,25 | — | — | 8…70 | — | — | TO-92 |
| Исполнение SMD | |||||||||||
| MJD13001 | 0,3 | 700 | 400 | 8 | 0,2 | 150 | ˃8 | 10…40 | 6 групп A/B/C/…/F | — / 2,4 / 0,9 | SOT-23 |
| MJE13001A0 | 0,5 | 600 | 400 | 9 | 0,17 | 150 | ˃5 | 10…40 | — | — / 3 / 1,2 | SOT-23 |
| MJE13001AT | 0,8 | 600 | 400 | 9 | 0,17 | 150 | ˃5 | 10…40 | — | — / 3 / 1,2 | SOT-89 |
| MJE13001C0 | 0,65 | 600 | 400 | 9 | 0,25 | 150 | ˃5 | 10…40 | — | — / 3 / 0,6 | SOT-23 |
| MJE13001CT | 1 | 600 | 400 | 9 | 0,25 | 150 | ˃5 | 10…40 | — | — / 3 / 0,6 | SOT-89 |
Примечание. Маркировка:
- MJE13001A0, MJE13001AT — H01A.
- MJE13001C0, MJE13001CT — H01C.
P-канальные MOSFET транзисторы одноканальные
SOT-23
|
-20 В |
P-Channel, -20V, 2.6A, 135 mOhm, 2.5V Drive capable, SOT-23 |
|
|
P-Channel, -20V, 4.3A, 54 mOhm, 2.5V Drive capable, SOT-23 |
||
|
-30 В |
P-Channel, -30V, 1A, 150 mOhm, SOT-23 |
|
|
P-Channel, -30V, 3.6A, 64 mOhm, SOT-23 |
PQFN 2×2 мм, 3×3 мм
|
-20 В |
P-Channel, -20V, 8.5A, 31 mOhm, 2.5V Capable PQFN2x2 |
|
|
-30 В |
||
|
P-Channel, -30V, 10A, 15 mOhm, PQFN33 |
||
|
P-Channel, -30V, 8.5A, 37 mOhm, PQFN2x2 |
SO-8 и TSOP-6
|
-30 В |
IRFTS9342TRPBF |
P-Channel, -30V, 6A, 39 mOhm, TSOP-6 |
|
P-Channel, -30V, 5.4A, 59 mOhm, SO-8 |
||
|
P-Channel, -30V, 7.5A, 19 mOhm, SO-8 |
||
|
P-Channel, -30V, 9A, 17.5 mOhm, SO-8 |
||
|
P-Channel, -30V, 10A, 12 mOhm, SO-8 |
||
|
P-Channel, -30V, 15A, 7.2 mOhm, SO-8 |
||
|
P-Channel, -30V, 16A, 6.6 mOhm, SO-8 |
||
|
P-Channel, -30V, 21A, 4.6 mOhm, SO-8 |
PQFN 5×6мм
|
-30 В |
P-Channel, -30V, 23A, 4.6 mOhm, PQFN5X6 |
Симисторный ключ
Для гальванической развязки цепей управления и питания лучше
использовать оптопару или специальный симисторный драйвер. Например,
MOC3023M или MOC3052.
Эти оптопары состоят из инфракрасного светодиода и фотосимистора. Этот
фотосимистор можно использовать для управления мощным симисторным
ключом.
В MOC3052 падение напряжения на светодиоде равно 3 В, а ток — 60 мА,
поэтому при подключении к микроконтроллеру, возможно, придётся
использовать дополнительный транзисторный ключ.
Встроенный симистор же рассчитан на напряжение до 600 В и ток до
1 А. Этого достаточно для управления мощными бытовыми приборами через
второй силовой симистор.
Рассмотрим схему управления резистивной нагрузкой (например, лампой
накаливания).
Таким образом, эта оптопара выступает в роли драйвера
симистора.
Существуют и драйверы с детектором нуля — например, MOC3061. Они
переключаются только в начале периода, что снижает помехи в
электросети.
Резисторы R1 и R2 рассчитываются как обычно. Сопротивление же
резистора R3 определяется исходя из пикового напряжения в сети питания
и отпирающего тока силового симистора. Если взять слишком большое —
симистор не откроется, слишком маленькое — ток будет течь
напрасно. Резистор может потребоваться мощный.
Нелишним будет напомнить, что 230 В в электросети (текущий стандарт для
России, Украины и многих других стран) — это значение
действующего напряжения. Пиковое напряжение равно \(\sqrt2 \cdot 230 \approx
325\,\textrm{В}\).
Питание схем с помощью Dc Dc преобразователей
Если питание аппаратуры осуществляется от гальванических элементов или аккумуляторов, то преобразование напряжения до нужного уровня возможно лишь с помощью Dc Dc преобразователей.
Идея достаточно проста: постоянное напряжение преобразуется в переменное, как правило, с частотой несколько десятков и даже сотен килогерц, повышается (понижается), а затем выпрямляется и подается в нагрузку. Такие преобразователи часто называются импульсными.
В качестве примера можно привести повышающий преобразователь из 1,5 В до 5 В (выходное напряжение компьютерного USB).
Dc Dc преобразователь 1,5 В / 5 В
Импульсные преобразователи хороши тем, что имеют высокий КПД, в пределах 60..90%. Еще одно достоинство импульсных преобразователей широкий диапазон входных напряжений: входное напряжение может быть ниже выходного или намного выше.
Маркировка и цоколёвка
Данный прибор имеет структуру n — p — n . Выводы элемента слева-направо, при обращении лицевой части транзистора к нам(плоская сторона с маркировкой), имеют такой порядок – “коллектор-база-эмиттер”. Цоколёвку КТ3102 нужно знать и учитывать её при пайке прибора. Ошибка при пайке может повредить весь транзистор.
Маркировка транзисторов применяется для различия одного типа прибора от другого. Например, различия между типом А и Б. В случае КТ3102, маркировка имеет следующую структуру:
- Зелёный кружок на лицевой стороне означает тип транзистора. В нашем случае – КТ3102.
- Кружок сверху означает букву прибора (А, Б, В и т.д). Применяются следующие обозначения :
А – красный или бордовый. Б – жёлтый. В – зелёный. Г – голубой. Д – синий. Е – белый. Ж – тёмно-коричневый.
На некоторых приборах вместо цветовых обозначений, маркировка пишется словами. Например, 3102 EM. Подобные обозначения удобнее цветных.
Знание маркировки транзистора позволит правильно подобрать нужный элемент, согласно требуемым параметрам.
Транзисторы КТ315А, КТ315Б, КТ315В, КТ315Г, КТ315Д, КТ315И, КТ315Ж.
Т ранзисторы КТ315 — кремниевые, маломощные высокочастотные, структуры — n-p-n. Корпус пластиковый — желтого, красного, темно — зеленого, оранжевого цветов. Масса — около 0,18г. Маркировка буквенно — цифровая, либо буквенная. Цоколевка легко определяется с помощью буквы, обозначающей подкласс транзистора. Она распологается напротив вывода эмиттера. Вывод коллектора — посередине, базы — оставшийся, крайний.
Наиболее широко распространенный отечественный транзистор. При изготовлении КТ315 впервые массово была применена планарно — эпитаксиальная технология. На пластине из материала n — проводимости формировался участок базы, проводимостью — p, затем, уже в нем — n участок эмиттера. Эта технология способствовала значительному удешевлению производства, при меньшем разбросе параметрических характеристик, по тому времени — довольно высоких.
Благодаря плоской форме корпуса и выводов КТ315 хорошо подходит для поверхностного монтажа. Таким образом, применение КТ315 позволило в свое время значительно уменьшить размеры элементов ТТЛ советских ЭВМ второго поколения. Область применения КТ315 черезвычайно широка, кроме элементов логики это — низкочастотные, среднечастотные, высокочастотные усилители, генераторы, все что сотавляло основу огромного количества бытовых и промышленных электронных устройств советской эпохи.
Разработка КТ315 была отмечена в 1973 г. Государственной премией СССР. Примечательно, что КТ315 до сих пор производятся в Белоруссии, в корпусе ТО-92.
Наиболее важные параметры.
Граничная частота передачи тока — 250 МГц. Коэффициент передачи тока у транзисторов КТ315А, КТ315В, КТ315Д — от 20 до 90. У транзисторов КТ315Б,КТ315Г,КТ315Е — от 50 до 350. У транзистора КТ315Ж, — от 30 до 250. У транзистора КТ315Ж, не менее 30.
Максимальное напряжение коллектор — эмиттер. транзистора КТ315А — 25в. Транзистора КТ315Б — 20в, транзистора КТ315Ж — 15в. У транзисторов КТ315В, КТ315Д — 40 в. у транзисторов КТ315Г, КТ315Е — 35 в. У транзистора КТ315И — 60 в.
Напряжение насыщения база — эмиттер при токе коллектора 20 мА, а токе базы — 2 мА: У транзисторов КТ315А, КТ315Б, КТ315В, КТ315Г — 1,1 в. У транзисторов КТ315Д, КТ315Е — 1,5 в. У транзисторов КТ315Ж — 0,9 в.
Напряжение насыщения коллектор — эмиттер при токе коллектора 20 мА, а токе базы 2 мА: У транзисторов КТ315А, КТ315Б, КТ315В, КТ315Г — 0,4 в. У транзисторов КТ315Д, КТ315Е — 1 в. У транзисторов КТ315Ж — 0,5 в.
Максимальное напряжение эмиттер-база — 6 в.
Обратный ток коллектор-эмиттер при предельном напряжении : У транзисторов КТ315А, КТ315Б, КТ315В, КТ315Г, КТ315Д, КТ315Е — 1 мкА. У транзисторов КТ315Ж — 10 мкА. У транзисторов КТ315И — 100 мкА.
Обратный ток коллектора при напряжении колектор-база 10в — 1 мкА.
Максимальный ток коллектора. У транзисторов КТ315А, КТ315Б, КТ315В, КТ315Г, КТ315Д, КТ315Е — 100 мА. У транзисторов КТ315Ж, КТ315И — 50 мА.
Емкость коллекторного перехода при напряжении коллектор-база 10 в, не более: У транзисторов КТ315А, КТ315Б, КТ315В, КТ315Г,КТ315Д, КТ315Е, КТ315И — 7 пФ. У транзисторов КТ315Ж — 10 пФ.
Рассеиваемая мощность коллектора.
У транзисторов КТ315А, КТ315Б, КТ315В, КТ315Г, КТ315Д, КТ315Е — 150 мВт. У транзисторов КТ315Ж, КТ315И — 100 мВт.
Зарубежные аналоги транзисторов КТ315.
Прямых зарубежных аналогов у КТ315 нет. Наиболее близкий аналог(полное совпадение параметров) транзистора КТ315А — BFP719.
Аналог КТ315Б — 2SC633. Параметры этих транзисторов в основном совпадают, но у 2SC633 несколько ниже граничная частота передачи тока — 200МГц.
Аналог КТ315Г — BFP722, КТ315Д — BC546B
Где применяются
Существует 2 вида схем ОУ, которые различаются способом подключения. Главный недостаток ОУ — непостоянство Kу, зависящего от режима функционирования. Основные сферы применения — усилители: инвертирующий (ИУ) и неинвертирующий (НИУ). В схеме НИУ Kу по U задается резисторами (сигнал нужно подавать на вход). ОУ содержит ООС последовательного типа. Эта связь выполнена на одном из резисторов. Она подается только на V-.
В ИУ происходит сдвиг сигналов по фазе. Для изменения знака выходного отрицательного напряжения необходима параллельная ОС по U. Вход, который является неинвертирующим, нужно заземлить. Входной сигнал через резистор подается на инвертирующий вход. Если неинвертирующий вход уходит на землю, то разность U между входами ОУ равна 0.
Можно выделить устройства, в которых применяются ОУ:
- Предусилители.
- Усилители звуковых и видеочастотных сигналов.
- Компараторы U.
- Дифусилители.
- Диференциаторы.
- Интеграторы.
- Фильтрующие элементы.
- Выпрямители (повышенная точность выходных параметров).
- Стабилизаторы U и I.
- Вычислители аналогового типа.
- АЦП (аналого-цифровые преобразователи).
- ЦАП (цифро-аналоговые преобразователи).
- Устройства для генерации различных сигналов.
- Компьютерная техника.
Операционные усилители и их применение получили широкое распространение в различной аппаратуре.
Что такое биполярный транзистор и какие схемы включения существуют
Что такое триггер, для чего он нужен, их классификация и принцип работы
Что такое аттенюатор, принцип его работы и где применяется
Что такое компаратор напряжения и для чего он нужен
Как работает микросхема TL431, схемы включения, описание характеристик и проверка на работоспособность
Что такое делитель напряжения и как его рассчитать?
Схемы питания операционных усилителей
Схем включения ОУ существует большое количество, и они не ограничиваются представленными в статье.
Данной схеме присуще высокое входное сопротивление, и напротив, низкий показатель на входе.
Напряжение попадает на инвертирующий вход, а прямой вход, в свою очередь, заземлён.
Работа от однополярного источника питания
Двухполярное питание в настоящее время задействуется в работе крайне редко, поэтому на замену пришёл другой способ – работа от однополярного источника питания. В цепь вводится дополнительная деталь – цепь дополнительного смещения.
Работа от двухполярного источника питания
Основополагающей составляющей ОУ выступает дифференциальный каскад, поддерживающийся при помощи транзисторов. Для снабжения прибора питанием необходим источник с отрицательным и положительным напряжением. Единицы измерения должны совпадать по обоим показателям.
В стандартную схему подключения операционных усилителей входит несколько составляющих: два конденсатора, двухполярный источник питания, а также защитные диоды.
Последние из перечисленных составляющих являются необязательными, но для того чтобы понять, как работает операционный усилитель, лучше учесть это в схеме.
При подключении конденсаторов следует учитывать, что оно должно быть максимально близко к выходам схемы. Составляющие отвечают за развязку шин.
Драйвер полевого транзистора
Если всё же требуется подключать нагрузку к n-канальному транзистору
между стоком и землёй, то решение есть. Можно использовать готовую
микросхему — драйвер верхнего плеча. Верхнего — потому что транзистор
сверху.
Выпускаются и драйверы сразу верхнего и нижнего плеч (например,
IR2151) для построения двухтактной схемы, но для простого включения
нагрузки это не требуется. Это нужно, если нагрузку нельзя оставлять
«висеть в воздухе», а требуется обязательно подтягивать к земле.
Рассмотрим схему драйвера верхнего плеча на примере IR2117.
Схема не сильно сложная, а использование драйвера позволяет наиболее
эффективно использовать транзистор.
Передача и усиление сигнала управления
Сигналы управления, формируемые центральным процессором, информация о состоянии вторичных каскадов (статус и ошибка), а также выходные сигналы датчиков (ток, напряжение, температура, напряжение DC-шины) должны передаваться между узлами драйвера, имеющими различный потенциальный уровень.
В подавляющем большинстве выпускаемых драйверов для потенциальной развязки используются импульсные трансформаторы, оптопары или «квази-потенциальные» изоляторы, к которым относятся каскады сдвига уровня с бутстрепным питанием каналов верхнего уровня.
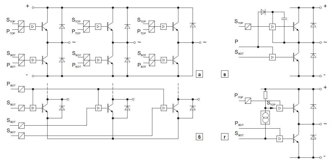
На рис. 13 показаны базовые схемы передачи сигналов управления. Самая сложная конфигурация, используемая в преобразователях высокой мощности (рис. 13а), обеспечивает потенциальную развязку импульсов S и энергии управления Р по каждому каналу. Такая топология является наиболее предпочтительной, она отличается высокой помехозащищенностью и минимальным уровнем взаимного влияния ключей.

Рис. 13. Принципы передачи энергии управления:
а) полная схема для применений высокой мощности;
б) общий источник питания для драйверов ключей ВОТ;
в) принцип бутстрепного питания;
г) принцип сдвига уровня (STOP, SBOT: сигналы управления для ключей TOP/BOT; PTOP, PBOT: передача энергии управления для ключей TOP/BOT)
Вариант на рис. 13б содержит раздельные каналы потенциальной изоляции для всех драйверов ТОР и только один общий изолятор для драйверов нижнего уровня ВОТ. Как правило, такая структура применяется в маломощных схемах, кроме этого, она широко распространена в интеллектуальных модулях (IPM).
Принцип «бутстрепного» питания, позволяющий передавать энергию управления транзисторам верхнего плеча без потенциальной изоляции, поясняется на рис. 13в. На рис. 13г показан каскад сдвига уровня, транслирующий контрольный сигнал STOP без гальванической развязки посредством высоковольтного источника тока. Подобная топология, как правило, применяется в монолитных интегральных схемах драйверов.
Наиболее важным требованием, предъявляемым к каскадам гальванической развязки, является высокая статическая прочность изоляции (2,5-4,5 кВ в соответствии со стандартами) и иммунитет к наведенным фронтам dv/dt (15-100 кВ/мкс). Последнее требование выполняется за счет применения изоляционных барьеров со сверхнизкой проходной емкостью (1-10 пФ) между первичными и вторичными каскадами. Это позволяет минимизировать или даже полностью устранить влияние помех, вызванных коммутационными токами смещения.

Рис. 14. Эквивалентные емкости полумостового каскада с потенциальной изоляцией
(Cps1: емкость между первичным и вторичным каскадом канала ВОТ; Cps2: емкость между первичным и вторичным каскадом канала ТОР; Css: емкость между вторичными каскадами каналов ТОР и ВОТ]
Регулировка коэффициента усиления
В прошлой конструкции имеется один недостаток – нет возможности произвести регулировку коэффициента усиления. Причина – сложность реализации, ведь нужно использовать сразу два переменных резистора. Но если вдруг возникла необходимость проводить регулировку коэффициента, можно использовать схему конструкции на трех операционниках:

Здесь корректировка происходит при помощи переменного резистора R2. Обязательно нужно учесть, чтобы были выполнены такие равенства:
- R3=R1.
- R4=R5=R6=R7.
В этом случае k=(1+2*R1/R2).
Напряжение на выходе усилителя U(out)=(1+2*R1/R2)*(Uin1-Uin2).
Как работает вышеуказанная схема?
На макетной плате есть делитель напряжения (R3 и R4), благодаря которому, на инвертирующем входе LM311 напряжение составляет около 3 В. Аналогичный делитель подключен к инвертирующему входу, но есть потенциометр, который влияет на сопротивление всего делителя, что позволяет вручную настроить подключение на небольшой диапазон (в диапазоне от ~ 2,4 В до ~ 3,6 В). Благодаря этому мы можем наблюдать, как LM311 ведет себя при разных напряжениях на неинвертирующем входе.
Включаем питание и наблюдаем за диодом, медленно поворачивая потенциометр. При низком состоянии светодиод должен гореть, а при высоком — нет.
![]() |
![]() |
| Низкое состояние на выходе — светодиод горит | Высокое состояние на выходе — светодиод не горит |
В случае, когда потенциометр повернут в крайнее положение, на неинвертирующем входе будет около 2,4 В, что меньше 3 В на инвертирующем входе. Компаратор сравнивает напряжение на обоих входах. Итак, вспомним фрагмент из предыдущего описания:
Если напряжение на неинвертирующем входе ниже, чем на инвертирующем, то напряжение на выходе близко к отрицательному полюсу питания (например, к земле, 0 в).
Таким образом, в этой ситуации на выходе компаратора отображается потенциал, близкий к 0 В. Для упрощения — масса, то есть «минус от батареи». Следовательно, диод, подключенный к выходу компаратора, включен, потому что он подключен анодом (через резистор) к положительной шине питания, поэтому, когда на катоде с выхода компаратора появляется «минус», ток будет протекать и диод будет гореть.
После поворота потенциометра в другую сторону неинвертирующий вход будет иметь более высокое напряжение, поэтому на выходе компаратора мы получим напряжения, близкие к положительной шине питания. Проще говоря, будет «аккумулятор плюс». В этой ситуации светодиод будет подключен к плюсу «с двух сторон» (анод через резистор батареи и катод компаратора) и, следовательно, не будет гореть.
Справка об аналогах биполярного низкочастотного npn транзистора MJE13009.
Эта страница содержит информацию об аналогах биполярного низкочастотного npn транзистора MJE13009 .
Перед заменой транзистора на аналогичный, !ОБЯЗАТЕЛЬНО! сравните параметры оригинального транзистора и предлагаемого на странице аналога. Решение о замене принимайте после сравнения характеристик, с учетом конкретной схемы применения и режима работы прибора.
Можно попробовать заменить транзистор MJE13009 транзистором 2SC2335;
транзистором 2SC3346; транзистором 2SC3306; транзистором 2SC2898; транзистором 2SC3257; транзистором BUL74A; транзистором BUW72; транзистором 2SC3346; транзистором 2SC3306; транзистором 2SC2898; транзистором 2SC3257;
Аналоги
Для замены подойдут транзисторы кремниевые, со структурой NPN, эпитаксиально-планарные, примененяемые в пускорегулирующих устройствах осветительной аппаратуры, преобразователях напряжения, импульсных регуляторах и других переключающих устройствах.
Отечественное производство
| Тип | PC | UCB | UCE | UBE | IC | TJ | fT | hFE | Врем. параметры: ton / tstg / tf мкс | Корпус |
|---|---|---|---|---|---|---|---|---|---|---|
| 13001-0 | 0,8 | 700 | 400 | 9 | 0,4 | 150 | 5 | 8…30 | 0,7 / 1,8 / 0,6 | TO-92 |
| КТ538А | 0,7 | 600 | 400 | 9 | 0,5 | 125 | 4 | 5 | — | TO-92 |
| 2Т506А/Б | 0,8 | 800/600 | 800/600 | 5 | 2 | 150 | 17 | 30 | 0,25 / 1,56 / 0,5 | TO-39 |
| КТ8270А | 7 | 600 | 400 | 9 | 0,5 | 125 | 4 | 10 | — | TO-126 |
Зарубежное производство
| Тип | PC | UCB | UCE | UBE | IC | TJ | fT | hFE | Врем. параметры: ton / tstg / tf мкс | Корпус |
|---|---|---|---|---|---|---|---|---|---|---|
| 13001-0 | 0,8 | 600 | 400 | 9 | 0,5 | 150 | 5 | 8…30 | 0,7 / 1,8 / 0,6 | TO-92 |
| 3DD6012A1 | 0,8 | 900 | 500 | 9 | 1,5 | 150 | 5 | 5 | 1 / 2 /1,5 | TO-92 |
| BU103AH | 0,8 | 900 | 600 | 9 | 1,6 | 150 | 5 | 15 | 1 / 3 / 0,8 | TO-92 |
| BU103DH | 0,8 | 800 | 500 | 9 | 1,6 | 150 | 5 | 20 | 1 / 3,5 / 0,8 | TO-92 |
| BUJ100 | 2 | 700 | 700 | — | 1 | 150 | — | 14 | 0,88 / 1,2 / 0,3 | TO-92 |
| CS13002 | 9,9 | 700 | 480 | 9 | 1 | 150 | — | 8 | — | TO-92 |
| CS13003 | 0,9 | 700 | 480 | 9 | 1,5 | 150 | — | 8 | — | TO-92 |
| KSB13003H | 1,1 | 900 | 530 | 9 | 1,5 | 150 | 4 | 20 | 1,1 / 4 / 0,7 | TO-92 |
| KSB13003HR | 1,1 | 900 | 530 | 9 | 1,5 | 150 | 4 | 20 | 1,1 / 4 / 0,7 | TO-92 |
| KTC3003HV | 1,1 | 900 | 530 | 9 | 1,5 | 150 | 4 | 20 | 1,1 / 3 / 0,7 | TO-92 |
| MJE13002AHT | 1,2 | 850 | 500 | 9 | 1,5 | 150 | — | 20 | — | TO-92(S) |
| MJE13003HT | 1,3 | 850 | 500 | 9 | 2 | 150 | — | 20 | — | TO-92 |
| MJE13003J1 | 1 | 900 | 550 | 9 | 1,5 | 150 | 5 | 10 | — / 6 / 1,2 | TO-92 |
| MJE13003J1G | 1 | 900 | 550 | 9 | 1,5 | 150 | 5 | 10 | — | TO-92 |
| MJE13003L1 | 1 | 900 | 530 | 9 | 1,5 | 150 | 5 | 10 | — / 5 / 1,2 | TO-92 |
| STD5915 | 1,1 | 900 | 530 | 9 | 1,5 | 150 | 4 | 20 | 1,1 / 4 / 0,7 | TO-92 |
| STX616 | 2,8 | 980 | 500 | 12 | 1,5 | 150 | — | 25 | 0,2 / 5 / 0,65 | TO-92 |
Примечания:
- Для транзистора MJE13002AHT возможны также корпуса: TO-126(S), TO-251(S), SOT-89.
- Данные в таблицах взяты из даташип-производителя.
Откуда берутся помехи?
Компаратор на самом деле называется дифференциальным усилителем напряжения. Коэффициент усиления LM311 достигает 200 В / мВ, что означает, что 1 мВ дифференциального напряжения на входах усиливается до 200 В на выходе. Но успокойтесь: такого высокого напряжения на выходе этой схемы нет — это просто пропорциональные расчеты.
| В этом случае, схема питается от 6 В, поэтому для полного переключения этой схемы достаточно (теоретически) 30 мкВ дифференциального напряжения. |
Что, если нам удастся установить, например, около десятка микровольт дифференциального напряжения? Это очень сложно, но возможно — медленно поворачивая потенциометр, однажды мы найдем такую настройку. Затем схема делает то, что может, т.е. усиливает, но не может полностью переключить диод. Дифференциальное напряжение слишком мало, чтобы решить, положительное оно или отрицательное. Тогда мы можем сказать, что мы находимся в переходной зоне компаратора.
Доработка схемы
Если вход схемы подключен к push-pull выходу, то особой доработки не
требуется. Рассмотрим случай, когда вход — это просто выключатель,
который либо подтягивает базу к питанию, либо оставляет её «висеть в
воздухе». Тогда для надёжного закрытия транзистора нужно добавить ещё
один резистор, выравнивающий напряжение между базой и эмиттером.
Кроме того, нужно помнить, что если нагрузка индуктивная, то
обязательно нужен защитный диод. Дело в том, что энергия, запасённая
магнитным полем, не даёт мгновенно уменьшить ток до нуля при
отключении ключа. А значит, на контактах нагрузки возникнет напряжение
обратной полярности, которое легко может нарушить работу схемы или
даже повредить её.
Совет касательно защитного диода универсальный и в равной степени
относится и к другим видам ключей.
Если нагрузка резистивная, то диод не нужен.
В итоге усовершенствованная схема принимает следующий вид.
Резистор R2 обычно берут с сопротивлением, в 10 раз большим, чем
сопротивление R1, чтобы образованный этими резисторами делитель не
понижал слишком сильно напряжение между базой и эмиттером.
Для нагрузки в виде реле можно добавить ещё несколько
усовершенствований. Оно обычно кратковременно потребляет большой ток
только в момент переключения, когда тратится энергия на замыкание
контакта. В остальное время ток через него можно (и нужно) ограничить
резистором, так как удержание контакта требует меньше энергии.
Для этого можно применить схему, приведённую ниже.
В момент включения реле, пока конденсатор C1 не заряжен, через него
идёт основной ток. Когда конденсатор зарядится (а к этому моменту реле
перейдёт в режим удержания контакта), ток будет идти через резистор
R2. Через него же будет разряжаться конденсатор после отключения реле.
Ёмкость C1 зависит от времени переключения реле. Можно взять,
например, 10 мкФ.
С другой стороны, ёмкость будет ограничивать частоту переключения
реле, хоть и на незначительную для практических целей величину.
Производители
Выберите производителя, чтобы ознакомится с его DataSheet на 13009:
| Главная | О сайте | Теория | Практика | Контакты |
|
Высказывания: Во время пьянки мы чувствуем себя личностью. Наутро – организмом. Справка об аналогах биполярного низкочастотного npn транзистора MJE13009.Эта страница содержит информацию об аналогах биполярного низкочастотного npn транзистора MJE13009 . Перед заменой транзистора на аналогичный, !ОБЯЗАТЕЛЬНО! сравните параметры оригинального транзистора и предлагаемого на странице аналога. Решение о замене принимайте после сравнения характеристик, с учетом конкретной схемы применения и режима работы прибора. Можно попробовать заменить транзистор MJE13009 транзистором 2SC2335; транзистором 2SC3346; транзистором 2SC3306; транзистором 2SC2898; транзистором 2SC3257; транзистором BUL74A; транзистором BUW72; транзистором 2SC3346; транзистором 2SC3306; транзистором 2SC2898; транзистором 2SC3257; Коллективный разум.дата записи: 2015-02-14 22:21:29 дата записи: 2016-02-23 16:11:18 дата записи: 2016-02-23 16:13:10 дата записи: 2016-10-12 13:39:27 MJE13005 – функциональный аналог; дата записи: 2017-11-01 08:40:54 2SC3040 – функциональный аналог; дата записи: 2018-07-06 22:01:53 Добавить аналог транзистора MJE13009.Вы знаете аналог или комплементарную пару транзистора MJE13009? Добавьте. Поля, помеченные звездочкой, являются обязательными для заполнения. Другие разделы справочника:Есть надежда, что справочник транзисторов окажется полезен опытным и начинающим радиолюбителям, конструкторам и учащимся. Всем тем, кто так или иначе сталкивается с необходимостью узнать больше о параметрах транзисторов. Более подробную информацию обо всех возможностях этого интернет-справочника можно прочитать на странице «О сайте». Если Вы заметили ошибку, огромная просьба написать письмо. Спасибо за терпение и сотрудничество. Мощные транзисторы, применяемые в БП. Подбор и замена. 10 Ноя 2007 – 20:13 NMD 1572 >> 68.32 Ремонт Блоков Питания Транзисторы Детали Вот небольшая подборка транзисторов, использующихся в БП. Михаил.KSC5027- Vceo-800V, Ic- 3A, Icp – 10A, Pd – 50W 2SC4242 – Vceo – 450v, Ic – 7A. Pd – 40W BU508A – Vceo – 700V, Ic – 8A, Icp – 15A, Pd – 50W ST13003 – Vceo-400v, Ic- 1.5A, Icp – 3A, Pd – 40W MJE13003 – Vceo -400v. Ic -1.5A, Icp – 3A, Pd – 40W 2SC3457 – Vceo – 800v, Ic – 3A. P – 50w MJE13005 – Vceo – 400v, Ic – 4A, Icp – 8A, Pd – 75w MJE13006 – Vceo – 300v, Ic – 8A, Icp – 16A, Pd – 80w MJE13007 – Vceo – 400v, Ic – 8A, Icp – 16A, Pd – 80w 2SC2625 – Vceo – 450v, Ic – 10A, Pd – 80w 2SC3306 – Vceo – 500v, Ic -10A, Pd – 100w KSE13006 – Vceo – 300V, Ic – 8A, Icp – 16A, Pd – 80W KSE13007 – Vceo – 400V, Ic – 8A, Icp – 16A, Pd – 80W KSE13009 – Vceo – 400v, Ic – 12A, Icp – 24A, Pd – 130w KSP2222A – Vceo- 40v, Ic – 0.6A, Pd – 0.63w 2SC945 – Vcev – 60v, Ic – 0,1A, Pd – 0.25w 2SA733 – p-n-p Vce – 60v, Ic – 0.1A, Pd – 0.25w 2SA1015 p-n-p Vce – 50v, Ic – 0.15A, Pd – 0.4w 2SA1273 p-n-p Vce – 30v, Ic – 2A, Pd – 1.0w 2SB1116A p-n-p Vce – 80v, Ic – 1.0A, Pd – 0.75w KSC2335F – Vceo-500v, Ic – 7A, Pd – 40w. 2SC2553 – Vceo-500v, Ic – 5A, Pd – 40w. 2SC2979 – Vceo-900v, Ic – 3A, Pd – 40w. 2SC3039 – Vceo-500v, Ic – 7A, Pd – 50w. 2SC3447 – Vceo-800v, Ic – 5A, Pd – 50w. 2SC3451 – Vceo-800v, Ic -15A, Pd – 100w. 2SC3460 – Vceo-1100v, Ic – 6A, Pd – 100w. 2SC3461 – Vceo-1100v, Ic – 8A, Pd – 120w. 2SC3866 – Vceo-900v, Ic – 3A, Pd – 40w. 2SC4106 – Vceo-500v, Ic – 7A, Pd – 50w. 2SC4706 – Vceo-600v, Ic -14A, Pd – 130w. 2SC4744 – Vceo-1500v, Ic – 6A, Pd – 50w. KSC1008 – Vceo-80v, Ic -0.7A, Pd – 0.8w. 2SA928A p-n-p Vceo-20v, Ic – 1A, Pd – 0.25w. ZTX457 – Vceo-300V Ic – 0.5A, Pd – 1,0W |



























