Контролька, пробник автоэлектрика
Вот решил сделать себе контрольку- пробник для работы с автомобилями.

Сначала я определился с функциями которые мне нужны вот примерный список:1. Вольтметр2. Прозвонка3. Светодиоды синий и красный4. Зуммер5. Фонарик6. Генератор частоты7. Резистивная нагрузка8. Распознавание импульсных сигналов9. Крепкий корпус
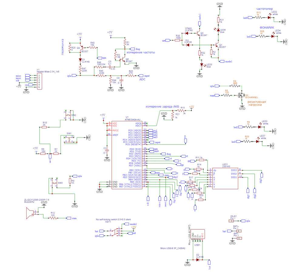
Сначала нарисовал схему. Я решил использовать не дорогие и доступные детали. Микроконтроллер самый доступный атмега8. Семисегментный индикатор. Несколько светодиодов, резисторов, и транзисторов. А также зуммер.

Далее я определился с корпусом. Это было самое сложное. Спроектировал корпус в солидворкс и распечатал на 3д принтере.



Лицевую и заднюю панели импортировал в корел и заказал у рекламщиков. Материал ПЭТ и УФ печать. Сделали быстро на следующий день.

Плату я нарисовал под размеры корпуса и заказал их в китае 10шт один соберу себе другие друзьям.





Далее самое интересное – написание прошивки для микроконтроллера. Это заняло самую большую часть времени. Самое интересное это режим энергосбережения. Если забыл выключить он «уснет» через 2 минуты. Если прикоснуться иглой к +12В он тут же проснется.
Точность измерения напряжения 1% чего мне вполне достаточно.Ток потребления от батареек при включенном вольтметре 20мА. В режиме сна 20мкА. Средняя ёмкость таких батареек 100мА/ч соответственно должно хватить на 4-5 часов непрерывной работы. (это конечно в теории, на практике нужно проверять)
При положительном сигнале на игле – светится красный. При отрицательном – соответственно синий + звуковой сигнал.
Что не получилось реализовать пока:1.заряд по USB2.измерение напряжения встроенной батареи3.Аналоговый пробник без включения микроконтроллера4. одна тактовая кнопка оказалась лишняя на плате.5.частотомер- тахометр6. измерение температуры
На этой версии платы больше ни каких функций делать не буду.Сделаю доработанную версию позже.
Ремонт электропроводки автомобиля
Прозвонку и восстановление электропроводки автомобиля можно выполнить самостоятельно или в автосервисе. После определения неисправных участков, где имеются повреждение проводов, замыкание или обрыв, осуществляют их пайку либо полную замену. Обычная скрутка с последующим обжимом является не полноценным ремонтом, а лишь временной мерой — учитывайте это, если у вас нет возможности припаять места обрывов.

Провода подбираются с такими же характеристиками, что и имеющиеся поврежденные (сопротивление, металл). Не следует устанавливать слишком длинные провода с «запасом», перекрученная открытая проводка под действием негативных факторов (перепады температур, влага, грязь) быстрее разрушается — это может привести к короткому замыканию цепи. При замене жгутов проводов с разъемами убедитесь, что контактные группы перед работами полностью зачищены от окисления.
Уязвимым элементом электрики авто также считаются монтажные блоки, расположенные в подкапотном пространстве. Из‐за разрушающего воздействия перепадов температур и влаги возможно нарушение защитного покрытия и последующих дефектов дорожек, разъемов для подключения жгутов проводов, реле, конденсаторов. Ремонт монтажных блоков, состоящих из монтажных плат, предохранителей и электротехнических компонентов, включает в себя пайку для восстановления дорожек и покрытие специальным защитным лаком, а также замену неисправных элементов и проводки, разъемов, зачистку контактных групп от загрязнений, окислений.
Типы зондов
Большинство приборов включаются в режиме автокоррекции. Для этого устройства доступны множество различных типов измерительных проводов (щупов). Вот некоторые из них:
- IC-крючки. Это различные свинцовые кабели для подключения к источникам питания, осциллографам, генераторам функций Кабели имеют красные / чёрные пары.
- Пинцетные зонды соединяются с существующим оборудованием с окантованными разъёмами и позволяют легко тестировать мелкие детали одной рукой. Большие пластмассовые пинцеты легко удерживаются и обозначены полярностью.
- Игольчатые зонды отлично подходят для подключения к источникам питания и осциллографам.
Проверка провода на обрыв мультиметром
Разбитый провод может вызвать сбой в автомобиле или части его оборудования, что особенно опасно в движущемся транспортном средстве.
С помощью мультиметра можно найти повреждения проводы, даже если оно скрыто внутри изоляции. Проверить высоковольтные провода мультиметром можно следующим образом:
Отключите источник питания к транспортному средству или части оборудования, которое содержит провод, необходимый для проверки. Используйте гаечный ключ, если вам нужно отсоединить кабель аккумулятора.
Внимательно проверьте соединения на обоих концах провода на предмет повреждений, если они легко доступны
Слегка потяните за концы проводов, где они крепятся к разъёмам, чтобы убедиться, что они надёжно закреплены.
Пощупайте длину провода с помощью указателя и большого пальца, уделяя особое внимание любым недостаткам изоляции провода. При необходимости используйте небольшое зеркало и фонарик, чтобы охватить места, где у вас минимальный доступ
Вы можете заподозрить любые проблемы, если в изоляции обнаружены признаки повреждения, в том числе затемнённые пятна, которые могут указывать на перегрев, что могло привести к разрыву провода внутри изоляции.
Отсоедините разъем, к которому подключён провод, и проверьте наличие повреждений.
Возьмите ММ и установите его на непрерывность или самый низкий диапазон шкалы Ом.
Включите ММ и прикоснитесь к одному из зондов к металлической клемме, которая удерживает бронепроводы к разъёму, а другой — к открытой части провода, где он входит в разъем. Отодвиньте бронь провод, чтобы проверить ложное соединение, когда вы зондируете терминал. Показание М. М. должно показывать нулевое сопротивление. Если на дисплее отображается бесконечное сопротивление, провод неправильно подключён к терминалу. Проверьте терминал на другом конце провода, если он оснащён разъёмом.
Подключите один из измерительных датчиков к одному концу провода, а другой — к другому концу провода. Используйте зажимы крокодильчика на датчиках, чтобы они подключались к концам проводов. Если в проводе есть разрыв, прибор будет показывать бесконечное сопротивление.
Вставьте штырь около 5−7 см от точки на проводе, где вы подозреваете, что есть разрыв шлейфа. Вставьте другой контакт на другую сторону провода Подключите зонд ММ к контактам, прозвонить. Если на дисплее ММ отображается бесконечное сопротивление, то в этом месте и есть разрыв провода.
Вышеуказанный порядок измерения является общим, для более точного порядка проведения измерения необходимо тщательно ознакомится и выполнять инструкцию завода изготовителя мультиметра.

Как прозвонить провод на авто, в квартире или на даче? С таким вопросом наверняка не раз сталкивался каждый из нас. Ведь без электроэнергии сейчас некуда, а провода и кабели являются «кровеносной системой» энергетики. Именно поэтому умение определять обрыв или другие неисправности в проводке сэкономит вам не только кучу времени и нервов, но и бюджет.
Поиск фазы при наличии нулевого и заземляющего проводников
Если возникла необходимость в поиска фазы проводке, имеющей нулевой, фазный и заземляющий провода, это можно сделать контролькой. Присвойте каждому проводу номера (условно). Например, 1, 2, 3. Прикасайтесь к проводам по парам 1-2, 2-3, 3-1.
Изменения нужно фиксировать по лампочке:
- Прикосновение к 1- 2, лампа не светится. Провод 3 фазный
- Прикосновение к 2-3 и 3-1, 3 провод фазный.
Почему? При подсоединении провода к заземлению или нулю лампочка не будет светиться, потому что эти проводнике на щитке соединены вместе. Вместо контрольки можно использовать вольтметр, выбрав измерение переменного тока и рассчитанным до 300 В.
Как изготовить эвуковой пробник электрика своими руками?
У некоторых запасливых любителей в «арсенале» можно найти множество полезных вещей, в том числе и наушник (капсюль) для телефона ТК-67-НТ.
На базе такой детали может быть собран несложный звуковой пробник.
В первую очередь нужно разобрать телефонный капсюль и отсоединить катушки друг от друга. Это нужно для того, чтобы освободить их выводы. Элементы размещаются в наушнике под звуковой мембраной, около катушек. После сборки электрической цепи мы получим вполне рабочий определитель со звуковой индикацией, который возможно применять, к примеру, в целях проверки дорожек печатных схем на взаимное перемыкание.

База такого пробника – электрогенератор с индуктивной противоположной взаимосвязью, основными деталями которого является телефон и транзистор малой мощности (лучше всего германиевый). Если такого транзистора у вас нет, то можно воспользоваться другим, обладающим проводимостью N-P-N, однако в этом случае полярность включения источника электропитания следует поменять. Если включить генератор не получается, выводы одной (любой) катушки нужно поменять между собой местами.
Увеличить громкость звука можно, выбрав частоту электрогенератора таким образом, чтобы она была максимально приближена к резонансной частоте наушника. Для этого мембрану и сердечник нужно расположить на соответствующем расстоянии, изменяя интервал между ними до получения нужного результата. Теперь вы знаете, как сделать индикатор напряжения на базе телефонного наушника.
Наглядно изготовление и использование простейшего пробника напряжения на видео:
Обычная отвертка индикатор – самое простое решение
Самые простые и распространенные пробники снабжены неоновыми лампами. Принцип их действия максимально прост.
Когда вы проверяете напряжение в розетке, электрический ток проходит через резистор установленный внутри индикатора (этот резистор ограничивает ток, его номинал составляет не менее 0,5 мОм) и передается на первый контакт неоновой лампочки.
При этом второй контакт лампочки замыкается на пользователе через контакт, расположенный на рукоятке.

У таких отверток сопротивление тела человека и емкость являются частью цепи лампочки. Другими словами, когда вы касаетесь пальцами контакта, а жалом – напряженного провода, то увидите свечение лампочки (при условии, что в сети есть напряжение).
Если контакт с пользователем отсутствует, лампа не загорается. Главным минусом данного типа отверток является довольно высокий порог срабатывания по напряжению – не ниже 60 В.
Поэтому они подходят только чтобы выявлять наличие фазы и напряжение. Определить обрывы цепи она не поможет. Так что, эта отвертка-индикатор не является многофункциональной – она лишь позволяет определять отсутствие или наличие напряжения в сети.
Индикатор напряжения на светодиодах своими руками
Проверка напряжения в цепи – процедура, необходимая при выполнении различного рода работ, связанных с электричеством. Некоторые любители-электрики, а иногда и профессионалы пользуются для этого самодельной «контролькой» – патроном с лампочкой, к которому подсоединены провода.
Хотя такой метод запрещен «Правилами безопасной эксплуатации электроустановок потребителей», он достаточно эффективен при грамотном использовании. Но все же в этих целях лучше пользоваться светодиодными определителями – пробниками. Их можно купить в магазине, а можно изготовить самостоятельно.
В этой статье мы расскажем, для чего нужны эти приборы, по какому принципу они работают и как изготовить индикатор напряжения на светодиодах своими руками.
Для чего нужен логический пробник?
Это устройство с успехом применяется, когда необходимо произвести предварительную проверку работоспособности элементов простой электрической схемы, а также для первичной диагностики несложных приборов – то есть в тех случаях, когда не требуется высокая точность измерений. С помощью логического пробника можно:
- Определить наличие в электроцепи напряжения величиной 12 – 400 В.
- Определить полюса в цепи постоянного тока.
- Произвести проверку состояния транзисторов, диодов и других электрических элементов.
- Определить фазную жилу в электроцепи переменного тока.
- Прозвонить электрическую цепь для проверки ее целостности.
Наиболее простыми и надежными приборами, с помощью которых производятся перечисленные манипуляции, являются индикаторная отвертка и звуковая отвертка.
Пробник электрика: принцип работы и изготовление
Простой определитель на двух светодиодах и с неоновой лампочкой, получивший среди электриков название «аркашка», несмотря на несложное устройство, позволяет эффективно определять наличие фазы, сопротивления в электроцепи, а также обнаруживать в схеме КЗ (короткое замыкание). Универсальный пробник для электрика в основном используется для:
- Диагностики на обрыв катушек и реле.
- Прозвонки моторов и дросселей.
- Проверки выпрямительных диодов.
- Определения выводов на трансформаторах с несколькими обмотками.
Это далеко не полный перечень задач, которые решают с помощью пробника. Но и перечисленного достаточно, чтобы понять, насколько полезно это устройство в работе электромонтера.
В качестве источника питания для этого устройства используется обычная батарейка с показателем напряжения 9 В. Когда щупы тестера замкнуты, величина потребляемого тока не превышает 110 мА. Если же щупы разомкнуты, то устройство не потребляет электроэнергию, поэтому ему не нужен ни переключатель режима диагностики, ни выключатель энергопитания.
Проверка указателей напряжения выше 1000В
Указатели выше 1000 В используются с целью определения наличия или отсутствия напряжения. Приборы состоят из рукоятки, рабочей части и изоляционного элемента. Принцип действия указателей основан на свечении газоразрядной индикаторной лампы при протекании через нее емкостного тока. Указатели напряжения состоят из трех частей: рабочей, изолирующей и рукоятки.
Испытание указателей напряжения выше 1000 В проводится с учетом ряда нюансов: Напряжение индикации указателя напряжения должно составлять не более 25 % номинального напряжения электроустановки для всех классов напряжений. Для классов напряжений до 3 кВ включительно напряжение индикации должно быть определено в технических условиях. Минимальные размеры указателей напряжения указаны в таблице.
Минимальные размеры указателей напряжения.
| Номинальное напряжение электроустановок, кВ | Длина, мм. | |
|---|---|---|
| Изолирующая часть | Рукоятки | |
| до 1 кВ включит. | Не нормируется | Не нормируется |
| От 1 до 10 | 230 | 110 |
| Свыше 10 до 20 | 320 | 110 |
| 35 кВ | 510 | 120 |
Эксплуатационные испытания указателей напряжения заключаются в прикладывании повышенного напряжения отдельно к рабочей и изолирующей частям и в определении напряжения индикации указателя.
Для испытания изоляции указателей напряжения повышенным напряжением у двухполюсных указателей оба изолирующих корпуса обертываются фольгой, а соединительный провод опускается в заземленный сосуд, так чтобы вода закрывала провод, не доходя до рукоятки на 9-10 мм. Один провод от испытательной установки присоединяют к контактам-наконечникам, второй, заземленный, — к фольге и опускают в воду
Изолирующая часть указателей напряжения при этом должна выдерживать в течении 1 мин. 3-х кратное линейное напряжение для электроустановок напряжением свыше 1 до 35 кВ, но не менее следующих значений:
- 40 кВ – до 10 кВ;
- 60 кВ – свыше 10 до 20 кВ;
Специалисты руководствуются соответствующими инструкциями и ГОСТами во время проверки.
На сайте компании вы можете заказать испытания указателей высокого напряжения и ознакомиться с ценами.
Контролька автоэлектрика от идеи до устройства
Вот решил сделать себе контрольку- пробник для работы с автомобилями.Сначала я определился с функциями которые мне нужны вот примерный список:1. Вольтметр2. Прозвонка3. Светодиоды синий и красный4. Зуммер5. Фонарик6. Генератор частоты7. Резистивная нагрузка8. Распознавание импульсных сигналов9. Крепкий корпусСначала нарисовал схему. Я решил использовать не дорогие и доступные детали. Микроконтроллер самый доступный атмега8. Семисегментный индикатор. Несколько светодиодов, резисторов, и транзисторов. А также зуммер.

Далее я определился с корпусом. Это было самое сложное. Спроектировал корпус в солидворкс и распечатал на 3д принтере.


Лицевую и заднюю панели импортировал в корел и заказал у рекламщиков. Материал ПЭТ и УФ печать. Сделали быстро на следующий день.

Плату я нарисовал под размеры корпуса и заказал их в китае 10шт один соберу себе другие друзьям.


Далее самое интересное – написание прошивки для микроконтроллера. Это заняло самую большую часть времени. Самое интересное это режим энергосбережения. Если забыл выключить он «уснет» через 2 минуты. Если прикоснуться иглой к +12В он тут же проснется.Точность измерения напряжения 1% чего мне вполне достаточно.Ток потребления от батареек при включенном вольтметре 20мА. В режиме сна 20мкА. Средняя ёмкость таких батареек 100мА/ч соответственно должно хватить на 4-5 часов непрерывной работы. (это конечно в теории, на практике нужно проверять)

При положительном сигнале на игле – светится красный. При отрицательном – соответственно синий + звуковой сигнал.Фото красногоФото синего.
Что не получилось реализовать пока:1.заряд по USB2.измерение напряжения встроенной батареи3.Аналоговый пробник без включения микроконтроллера4. одна тактовая кнопка оказалась лишняя на плате.5.частотомер- тахометр6. измерение температуры
На этой версии платы больше ни каких функций делать не буду.Сделаю доработанную версию позже.
Как прозвонить мультиметром
Для начала разберемся, какие величины измеряет прибор. Это: сила тока, напряжение и сопротивление. В данный момент нас интересует вызванивание проводов или кабелей с помощью этого аппарата.
Перед началом, нужно прибор установить в режим прозвонки. Он имеется у всех приборов со специальным значком диода.
Затем нужно проверить работоспособность нашего устройства. Щупы, которые идут в комплекте с прибором подсоединить в нужные гнезда. Показано на картинке ниже.
Замыкаем щупы между собой. Вы должны услышать характерный звук. Это означает, что электрическая цепь замкнута и обрыва между проводами щупа нет.
Тоже самое можно сделать с проверяемым проводом на его целостность. Если проверяемый провод длинный и проложен где-нибудь, например, в стене, то можно воспользоваться другим вспомогательным проводом-удлинителем.
Как прозвонить многожильный провод или кабель, если его конец находится на большом расстоянии от его начала?
Провода очищаются от изоляции с обоих концов кабеля. Затем проверяют провода на короткое замыкание между собой путем прикосновения щупами мультиметра к каждому проводу. Если прибор не издает звук, значит КЗ нет.
После этого можно проверить целостность проводов в кабеле. Все жилы с одного конца кабеля скручивают вместе, а жилы с другого конца проверяют путем прикосновения щупами проводов между собой. Прибор в таком случае должен издавать характерный звук, что означает целостность всех проводов в кабеле.
Если при прикосновении к какому-то проводу звука нет, значит на проводе обрыв.
Таким же способом можно вызванивать любые провода по парам, если это требуется.
Такая прозвонка хороша, когда много проводов одного цвета и невозможно определить, какой провод, куда идет.
Устройство мультиметра
Это инструмент, который можно успешно использовать для диагностики схем, изучения электронных компонентов. Также он отлично подходит для устранения неполадок. В измеритель встроен процессор, который позволяет пользователю измерять множество высокофункциональных электрических параметров.
Он состоит из таких частей:
- дисплей;
- ручка выбора;
- порты;
- зонды (провода или щупы) измерительные;
- источник тока, «Крона».
Дисплей обычно имеет четыре цифры, а также возможность отображения отрицательного знака. Некоторые устройства имеют освещённые дисплеи для лучшего просмотра в условиях низкой освещённости. Ручка выбора позволяет пользователю установить прибор на определение тока (мА), напряжения (V) и сопротивления (Ом).
Два датчика (щупа) подключены к двум портам на передней панели устройства. COM является обычным и почти всегда подключён к земле или минусу цепи. COM-зонд обычно чёрный, но нет никакой разницы между красным зондом и чёрным зондом, кроме удобства в измерении. 10A — специальный порт, используемый при измерении больших токов (более 200 мА). mAVΩ – это порт, к которому традиционно подключён красный зонд. Этот порт позволяет измерять ток (до 200 мА), напряжение (V) и сопротивление (Ω). У зондов есть разъем, который подключается к прибору.
Проверка проводки
Прозвонка проводников с помощью мультиметра функционально предусмотрена в большинстве цифровых приборов этого класса. Для выставления режима прозвонки достаточно установить переключатель в положение, помеченное значком «Зуммер» и подготовить измерительную цепочку, приведённую на рисунке.
В случае протекания тока через проверяемый кусок провода мультиметр будет выдавать звуковой сигнал (зуммер). Естественно, что для прозвонки участка цепи длиной в несколько метров потребуется дополнительный провод, используемый для наращивания измерительной схемы.
Другой вариант тестирования фазного и нулевого линейных проводников значительной длины предполагает их скрутку на удалённом конце электропроводки.
В этом случае для проверки цепи на обрыв достаточно подключить измерительные щупы мультиметра к свободным контактам тех концов электрической линии, которые располагаются ближе к прибору.
Последний из предложенных вариантов обладает следующими преимуществами:
- этим способом удаётся прозвонить мультиметром сразу обе жилы электропроводки, соединённые в последовательную цепочку;
- проверить провод таким способом намного проще, чем первым, поскольку можно обойтись без дополнительного отрезка, обеспечивающего наращивание измерительной схемы.
Ошибка №3 – Измерение без отключения из розетки
Прежде чем проводить какие-либо замеры мультиметром проверьте, отключили ли вы измеряемое оборудование от сети 220В (за исключением проверки схем в режиме вольтметра).
То же самое относится и к девайсам, питаемым от источника постоянного напряжения 12/24V. Казалось бы, вполне логичное правило и все его исполняют
Однако здесь есть один подвох
Обратите внимание, что в этом случае всегда нужно именно вытаскивать вилку из розетки, а не просто щелкать встроенным переключателем на переноске или самом приборе
Дело в том, что такой выключатель зачастую разрывает не два провода (фаза и ноль), а всего один. Это касается удлинителей с двухполюсными (они более узкие), а не четырехполюсными выключателями.
И тут все будет зависеть, каким образом вы вставили вилку от переноски или сетевого фильтра в розетку. При одном положении будет разрываться фаза, а при другом – ноль!
Как вы понимаете, во втором случае фаза по-прежнему будет присутствовать на приборе, не зависимо от того, щелкнули вы выключателем на удлинителе или нет.
Проверка целостности провода в свернутом кабеле
Для прозвонки проводов в коротких шнурах или свернутом кабеле, достаточно зачистить изоляцию на проводах с обоих концов и начать измерения:
Подключите щуп к проводу определенного цвета, второй щуп подключается к аналогичному проводу на другом конце. Если стрелка отклоняется в нулевое положение шкалы, провод исправен.
Прозвонка кабеля с цветными проводами, схематичное подключение щупов к одноцветным проводам на разных концах кабеля. А – изоляция кабеля. В – Отдельные жилы кабеля с цветной изоляцией.
- При одноцветных проводах или разложенном кабеле, где расстояние не позволяет работать тестером с разными концами одновременно, все провода на одном конце замыкают между собой.
- На другой стороне кабеля подсоединяют щуп к одному проводу и прозванивают все остальные провода через него, по очереди 1,2,3….
Прозвонка кабеля с проводами одного цвета
Недостаток этого метода в том, что нет возможности выделить каждую жилу в отдельности и промаркировать. Это надо делать, когда кабель свернут на одном месте или воспользоваться прозвокой с помощью трансформатора.
Питание на силовой паре
Главное и побочные реле при работе издают щелчки – это говорит о полной его работоспособности. За это отвечает силовая пара, которую также необходимо проверить.
Проверить их можно с помощью вольтметра. Он также есть в составе тестера и обозначается символом «V». Переведите переключатель в режим постоянного напряжения.
Теперь можно переходить к проверке:
- Все компоненты, которые получают ток от реле, необходимо отключить.
- Теперь отыщите необходимый контакт, на который ток поступает всегда. Найти его можно через даташит.
- Правый щуп приложите к нему, а второй закоротите на кузов автомобиля.
Если напряжение есть – все в порядке и проблем нет. Если же контакта нет – придется менять реле целиком, так как деталь не ремонтопригодная.





























