Внешний вид
1n4007, а также все элементы этой линейки, имеют литой корпус, изготовленный из негорючего пластика. Чтобы не задумываться, где какая сторона этого элемента, со стороны вывода катода на корпусе имеется цветная полоса.
Монтаж подобных диодов допускается как вертикальный, так и горизонтальный — это значения не имеет. Вообще данные элементы очень неприхотливы, что в сумме с их выносливостью и невысокой стоимостью, конечно, делает их поистине незаменимыми.
По внешнему виду они ничем не отличаются от других диодов, а потому необходимо обращать внимание, какая маркировка нанесена на корпус
Очень важно то, что подобные диоды очень сложно перегреть при пайке, так как он имеет длинные контактные ножки (порядка 2.5 см), которые, как известно, работают как радиатор. Сам же диод 1n4007 выдерживает прямой нагрев до 250 градусов в течение 10 секунд
Сам же диод 1n4007 выдерживает прямой нагрев до 250 градусов в течение 10 секунд
Очень важно то, что подобные диоды очень сложно перегреть при пайке, так как он имеет длинные контактные ножки (порядка 2.5 см), которые, как известно, работают как радиатор. Сам же диод 1n4007 выдерживает прямой нагрев до 250 градусов в течение 10 секунд
Подводя итог, можно с уверенностью сказать, что диоды этой линейки, равно как и их аналоги — это очень удобный выход при сборке схем различных устройств питания как на 220, так и на 380 вольт.
Диод 1N4007 наверное самый популярный из всех диодов, так как он устанавливается в подавляющем большинстве зарядок телефонов, смартфонов и планшетов. Даже если вы держите в руках зарядное за доллар и внутри нет стабилизации и фильтров помех, без диода она не сможет обойтись.
И в одном адаптере таких диодов четыре и на них собран диодный мост , он служит для получения из переменного напряжения постоянного. Диод пропускает через себя ток только в одном направлении, отсекая одну из полярностей напряжения.
Читать также: Станок для шлифовки металла
Кстати в особо дешевых зарядных устройствах используют однополупериодное выпрямление и экономят три из 4-х диодов. Но если мощность блока питания больше одного Ватта, то все таки лучше использовать диодный мост, так как однополярное выпрямление дает намного большие пульсации, такой режим намного более тяжелый для фильтрующих конденсаторов.
Цветным кольцом на корпусе 1N4007 обозначается вывод катода.
Так как 1N4007 производиться с выводами достаточной длинны, то диод может устанавливаться как вертикально, так и горизонтально.
Диод 1N4007 один из представителей целой серии диодов 1N4001, 1N4002, 1N4003, 1N4004, 1N4005, 1N4006, 1N4007. Эти типы диодов отличаются значением максимального допустимого обратного напряжения (значения для каждого типа приведены в таблице). 1N4007 рассчитан на самое большое напряжение.
| 1N4001 | 1N4002 | 1N4003 | 1N4004 | 1N4005 | 1N4006 | 1N4007 | |
| максимально допустимое обратное напряжение, В | 50 | 100 | 200 | 400 | 600 | 800 | 1000 |
| максимальное напряжение переменного тока (действующее значение), В | 35 | 70 | 140 | 280 | 420 | 560 | 700 |
Так как стоимость диодов из всей серии 1N4001-1N4007 очень низка, а разницы в стоимости между типами практически нет, то особого смысла использовать в разработках разные типы и плодить номенклатуру нет. Можно везде ставить 1N4007, даже если при ремонте нужно заменить диод из этой серии на меньшее напряжение.
Принцип действия

Вольт-амперные характеристики стабилитронов с преобладанием лавинного (слева) и туннельного (справа) механизмов пробоя
Полупроводниковый стабилитрон — это диод, предназначенный для работы в режиме пробоя на обратной ветви вольт-амперной характеристики. В диоде, к которому приложено обратное, или запирающее, напряжение, возможны три механизма пробоя: туннельный пробой, лавинный пробой и пробой вследствие тепловой неустойчивости — разрушительного саморазогрева токами утечки. Тепловой пробой наблюдается в выпрямительных диодах, особенно германиевых, а для кремниевых стабилитронов он не критичен. Стабилитроны проектируются и изготавливаются таким образом, что либо туннельный, либо лавинный пробой, либо оба эти явления вместе возникают задолго до того, как в кристалле диода возникнут предпосылки к тепловому пробою. Серийные стабилитроны изготавливаются из кремния, известны также перспективные разработки стабилитронов из карбида кремния и арсенида галлия .
Первую модель электрического пробоя предложил в 1933 году Кларенс Зенер, в то время работавший в Бристольском университете . Его «Теория электрического пробоя в твёрдых диэлектриках» была опубликована летом 1934 года. В 1954 году Кеннет Маккей из Bell Labs установил, что предложенный Зенером туннельный механизм действует только при напряжениях пробоя до примерно 5,5 В, а при бо́льших напряжениях преобладает лавинный механизм. Напряжение пробоя стабилитрона определяется концентрациями акцепторов и доноров и профилем легирования области p-n-перехода. Чем выше концентрации примесей и чем больше их градиент в переходе, тем больше напряжённость электрического поля в области пространственного заряда при равном обратном напряжении, и тем меньше обратное напряжение, при котором возникает пробой:
- Туннельный, или зенеровский, пробой возникает в полупроводнике только тогда, когда напряжённость электрического поля в p-n-переходе достигает уровня в 106 В/см. Такие уровни напряжённости возможны только в высоколегированных диодах (структурах p+-n+-типа проводимости) с напряжением пробоя не более шестикратной ширины запрещённой зоны (6 EG ≈ 6,7 В), при этом в диапазоне от 4 EG до 6 EG (4,5…6,7 В) туннельный пробой сосуществует с лавинным, а при напряжении пробоя менее 4 EG (≈4,5 В) полностью вытесняет его. С ростом температуры перехода ширина запрещённой зоны, а вместе с ней и напряжение пробоя, уменьшается: низковольтные стабилитроны с преобладанием туннельного пробоя имеют отрицательный температурный коэффициент напряжения (ТКН).
- В диодах с меньшими уровнями легирования, или меньшими градиентами легирующих примесей, и, как следствие, бо́льшими напряжениями пробоя наблюдается лавинный механизм пробоя. Он возникает при концентрациях примесей, примерно соответствующих напряжению пробоя в 4 EG (≈4,5 В), а при напряжениях пробоя выше 4 EG (≈7,2 В) полностью вытесняет туннельный механизм. Напряжение, при котором возникает лавинный пробой, с ростом температуры возрастает, а наибольшая величина ТКН пробоя наблюдается в низколегированных, относительно высоковольтных, переходах.
Механизм пробоя конкретного образца можно определить грубо — по напряжению стабилизации, и точно — по знаку его температурного коэффициента. В «серой зоне» (см. рисунок), в которой конкурируют оба механизма пробоя, ТКН может быть определён только опытным путём. Источники расходятся в точных оценках ширины этой зоны: С. М. Зи указывает «от 4 EG до 6 EG» (4,5…6,7 В), авторы словаря «Электроника» — «от 5 до 7 В», Линден Харрисон — «от 3 до 8 В», Ирвинг Готтлиб проводит верхнюю границу по уровню 10 В. Низковольтные лавинные диоды (LVA) на напряжения от 4 до 10 В — исключение из правила: в них действует только лавинный механизм.
Оптимальная совокупность характеристик стабилитрона достигается в середине «серой зоны», при напряжении стабилизации около 6 В. Дело не столько в том, что благодаря взаимной компенсации ТКН туннельного и лавинного механизмов эти стабилитроны относительно термостабильны, а в том, что они имеют наименьший технологический разброс напряжения стабилизации и наименьшее, при прочих равных условиях, дифференциальное сопротивление. Наихудшая совокупность характеристик — высокий уровень шума, большой разброс напряжений стабилизации, высокое дифференциальное сопротивление — свойственна низковольтным стабилитронам на 3,3—4,7 В.
Диод Шоттки применение
Эти электронные элементы, представленные выше, можно встретить в нашем мире практически везде: в компьютерах, стабилизаторах, бытовой технике, радиовещании, телевидении, блоках питания, солнечных батареях, транзисторах и во многих других приборах из всех сферах жизни.
Во всех случаях поднимает эффективность и работоспособность, уменьшает численность потерь динамики напряжения, восстанавливает обратное сопротивление тока, принимает на себя излучение альфа, бета и гамма- зарядов, позволяет работать достаточно много времени без пробоев, удерживает ток в напряжении электрической цепи.
Буквенно-цифровое обозначение диодов
В обозначении показывают номер партии и день выпуска, что помогает отслеживать более современные модели. Помимо этого, указывают технические характеристики, чтобы собрать ответственные схемы.
В СССР система маркировки претерпевала множественные изменения, на сегодняшний день она основывается на классификационных свойствах:
- первая литера означает материал, например, К означает кремний, Г — германий, 3 или А — галлий, И — индий;
- вторая буква — подкласс элементов: Д — термодиоды разных типов, Ц — выпрямители, В — варикапы, Н — диодные тиристоры;
- третий элемент обозначают цифрой, которая определяет признак прибора;
- четвертым идет число, показывающее номер разработки;
- на пятом месте индекс классификации по показателям одной разновидности.
Предусмотрены дополнительные знаки для выделения конструктивных особенностей.
Новая система
По современным нормам диоды делят на группы по частоте усиления передачи электричества.
Различают диоды по работе в среде частотности тока:
- среднего;
- высокого;
- сверхвысокого.
Старая система
Распространенные схемы включают обозначения в виде GD-серии диодов из германия, например, GD-9 — это старая система кодировки.
Крупные организации или производственные концерны создали свои схемы обозначения диодов:
- JEDEC 1N4148 — например, HP диод 1901-0044;
- военный диод CV448 Mullard типа OA81 (Великобритания) — тип GEX230151 GEC.
OA-серия также означает аналогичные диоды, например, OA48 — такие кодировки были в разработках британского концерна Mallard. Схема кодирования JIS предназначена для полупроводников, обозначение начинается с IS.
Особенности применения
Рассматривая характеристики диода 1n5819, нужно уделить внимание его эксплуатационным особенностям и ограничениям, которые накладывает конструкция. Модель часто используют как шток для шунтирования выводов маломощных транзисторных устройств
В тех электросхемах, где существует риск повышения обратного показателя напряжения, по сравнению с отмеченным в техническом описании, ставить такие барьерные диоды не стоит. При установке в такую схему они вскоре становятся непригодными к дальнейшей эксплуатации. Варианты 1n5818 и 1n5817 еще более требовательны к обратному напряжению: первую модель допускается устанавливать только в условиях, когда параметр не превышает 30 вольт, а для второй он должен быть не выше 20 вольт.
Используются детали серии диодов 1n5817-1n5819 в следующих областях:
- зарядных устройствах для аккумуляторных батареек;
- импульсных блоках питания разных видов;
- для приема альфа,- и бета-излучения;
- для шунтирования транзисторных приборов;
- в выпрямляющих устройствах высокой частоты;
- в производстве солнечных батареек;
- в распознавателях нейтронных лучей.
Важно! Хотя эти детали обладают значительным температурным диапазоном эксплуатации и могут выдерживать значения до 125 градусов Цельсия, при монтаже нужно позаботиться об отведении избыточной теплоты от пластикового корпуса элемента. Очень высокая температура способна вызвать бесконтрольное повышение обратного тока, что весьма опасно, так как влечет за собой распад перехода либо его пробивание
Полярность диодов 1N5817
Очень важными моментами для монтажа любых компонентов печатной платы являются правильное определение и соблюдение полярности. С обозреваемой моделью диода в этом плане все просто – сторону корпуса, где располагается вывод катода, снабжают полосой другого цвета (зачастую светлого), оборачивающейся вокруг корпуса. Анодный вывод никак специально не помечают. На остальной части корпуса наносят лаконичную маркировку тем же красящим составом, каким выполнена полоса.
Монтаж диода 1N5817 на плату
Монтаж компонентов диодной серии 1n5817-1n5819 реализуется посредством припаивания с использованием технологии ТНТ. В этом случае выводы устанавливаются в специально подготовленные на плате дырочки. Сам корпус может помещаться как параллельно поверхности, так и перпендикулярно. Что касается максимального значения температуры, оно не должно превышать +250 градусов Цельсия, время его воздействия допускается не больше, чем 10 секунд. Пониженная и повышенная средовые температуры тоже имеют ограничения: не меньше -65 и не больше +150 градусов, соответственно.
Закрытый диод Шоттки
Диодный элемент считается закрытым в ситуации блокировки им прохождения тока. В некоторых случаях такая установка диода практикуется целенаправленно. Достоверно оценить, насколько хорошо элемент проводит электроток, можно, воспользовавшись измерительным прибором (амперметром или мультиметром) и узнав величину проходящего тока.

Открытый и закрытый диоды
Открытый диод Шоттки
На схемах диодные элементы обозначаются как стрелки, демонстрирующие направление прохождения тока в ситуации открытости диода. В нормальных условиях эта ситуация создается подсоединением анода к положительному полюсу источника тока (или напряжения), а катода – к отрицательному. Помимо этого, обязательно, чтобы напряжение превышало порог, при котором элемент начинает открываться (около 0,5 В). Проверить прохождение можно, замерив ток измерительным прибором. Косвенным показателем может быть напряжение – результаты измерения должны превышать порог и отвечать прямому соединению.
Устройство диода Шоттки 1N5817
Используемые для производства диодов корпусы-цилиндрики принадлежат к типажу DO-41. Сделаны они из литой пластмассы, с боковых сторон (донец) цилиндра помещаются луженые стержневые выводные элементы, обладающие поляризацией. Делают эти стержни из проволоки. В отношении горючести диодные тела проходят по категории UL 94 со спецификацией V-0. Это обозначает, что завершение горения происходит по истечении 10 секунд.
Выбор выпрямительных диодов
При приобретении устройства необходимо руководствоваться такими параметрами:
- значениями вольт-амперной характеристики максимально обратного и пикового тока;
- максимально допустимым обратным и прямым напряжением;
- средней силой выпрямленного тока;
- материалом прибора и типом монтажа.
В зависимости от физических характеристик на корпус устройства наносится соответствующее обозначение. Каталог с маркировкой выпрямительных диодов представлен в специализированном справочнике. Необходимо знать, что маркировка импортных аналогов отличается от отечественных.
Также стоит обратить внимание на то, что выпрямительные схемы отличаются по количеству фаз:
- Однофазные. Широко применяются для бытовых электроприборов. Существуют диоды автомобильные и для электродуговой сварки.
- Многофазные. Незаменимы для промышленного оборудования, общественного и специального транспорта.
Диод Шоттки
Отдельную позицию занимает диод Шоттки. Изобрели его в связи с растущими потребностями в развивающейся отрасли радиоэлектроники. Основное отличие его от остальных диодов заключается в том, что в его конструкцию заложен металл-полупроводник как альтернатива p-n переходу. Соответственно, диод Шоттки обладает своими, уникальными свойствами, которыми не могут похвастаться кремниевые выпрямительные диоды. Некоторые из них:
- оперативная возобновляемость заряда благодаря его низкому значению;
- минимальное падение напряжения на переходе при прямом включении;
- ток утечки обладает большим значением.
При изготовлении диода Шоттки применяют такие материалы, как кремний и арсенид галлия, но иногда применяется и германий. Свойства материалов немного отличаются, но в любом случае, максимально допустимое обратное напряжение для выпрямителя Шоттки составляет не более 1200 V.
Советуем изучить — Электрооборудование металлорежущих станков
В противовес всем достоинствам конструкция данного вида имеет и минусы. Например, в сборке моста устройство категорически не воспринимает превышение обратного тока. Нарушение условия приводит к поломке выпрямителя. Также малое падение напряжения происходит при невысоком напряжении около 60-70 V. Если значение превышает этот показатель, то устройство превращается в обыкновенный выпрямитель.
Стоит отметить, что достоинства диода мощного выпрямительного Шоттки значительно превышают недостатки.
Диод-стабилитрон
Для стабилизации напряжения используют специальное приспособление, способное работать в режиме пробоя, – стабилитрон, зарубежное название которого «диод Зенера». Выполняет свою функцию устройство, работая в режиме пробоя при напряжении обратного смещения. Возрастание силы тока происходит в момент пробоя, одновременно опускается до минимума дифференциальное значение, вследствие чего напряжение стабильное и охватывает достаточно серьезный диапазон обратных токов.
Ток утечки (I обр.)
В идеальном диоде обратного тока не должно быть. Но в реальных р-n-переходах он есть из-за присутствия в полупроводнике неосновных носителей заряда. Сила тока утечки зависит от трех факторов. Очевидно, что наиболее значимым из них является обратное напряжение. Также ток утечки зависит от температуры – с ее ростом он значительно повышается. Кроме того, он сильно зависит от типа полупроводникового материала. В этом отношении кремний намного лучше германия.
Ток утечки определяется при определенном обратном напряжении и конкретной температуре. Обычно он указывается в микроамперах (μA) или пикоамперах (pA).
![]()
Принципы действия
Защитный диод обладает специфической ВА характеристикой, отличающейся нелинейностью. При условии, что размер амплитуды импульса окажется больше допустимого, то это повлечёт за собой так называемый «лавинный пробой». Иными словами, размер амплитуды будет нормирован, а все излишки будут выведены из сети через защитный диод.
Рис 1 Защитный диод- принцип работы полупроводника
Принцип работы TVS-диода предполагает, что до момента возникновения опасности диодный предохранитель никоим образом не оказывает влияние на сам прибор и его функциональные свойства. Таким образом, необходимо отметить, что выявляется ещё одно название для защитного диода — лавинный диод.
Существует два типа ограничительных стабилитронов:
Симметричные.
Защитный диод, двунаправленный приспособленный для работы в сетях с переменным током.
Несимметричные.
Применимы только для сетей с постоянным током, поскольку имеют однонаправленный рабочий режим. Способ подключения несимметричного защитного диода не соответствует стандартному. Его анод соединяется с минусовой шиной, а катод — с плюсовой. Положение получается условно перевёрнутым.
Кодировка защитных диодов, относящихся к симметричным, включает в себя литеры «С» или «СА«. У несимметричных диодных предохранителей имеется цветная маркировка в виде полосы на стороне катодного вывода.
Корпус каждого защитного диода также снабжён маркировочным кодом, в сжатом виде отображающим все значимые параметры.
Если входной уровень напряжения у диода увеличится, то стабилитрон в течение очень краткого временного отрезка уменьшит показатель внутреннего сопротивления. Сила тока в этот момент, напротив, возрастёт, а предохранитель перегорит. Поскольку действует защитный диод практически моментально, целостность основной схемы не нарушается. На деле, быстрая реакция на переизбыток напряжения является самым главным достоинством TVS-диода.
Характеристики и параметры диодов
В зависимости от применяемого материала, диоды могут быть выполнены из кремния или германия. Кроме того, для их изготовления используется фосфид индия и арсенид галлия. Диоды из германия обладают более высоким коэффициентом передачи, по сравнению с кремниевыми изделиями. У них большая проводимость при сравнительно невысоком напряжении. Поэтому, они широко используются в производстве транзисторных приемников.

В соответствии с технологическими признаками и конструкциями, диоды различаются как плоскостные или точечные, импульсные, универсальные или выпрямительные. Среди них следует отметить отдельную группу, куда входят светодиоды, фотодиоды и тиристоры. Все перечисленные признаки дают возможность определить диод по внешнему виду.
Характеристики диодов определяются такими параметрами, как прямые и обратные токи и напряжения, диапазоны температур, максимальное обратное напряжение и другие значения. В зависимости от этого, производится нанесение соответствующих обозначений.
Принцип работы
Проще всего объяснить принцип действия выпрямительных диодов на примере. Для этого смоделируем схему простого однополупериодного выпрямителя (см. 1 на рис. 6), в котором питание поступает от источника переменного тока с напряжением UIN (график 2) и идет через VD на нагрузку R.

Рис. 6. Принцип работы однодиодного выпрямителя
Во время положительного полупериода, диод находится в открытом положении и пропускает через себя ток на нагрузку. Когда приходит очередь отрицательного полупериода, устройство запирается, и питание на нагрузку не поступает. То есть происходит как бы отсечение отрицательной полуволны (на самом деле это не совсем верно, поскольку при данном процессе всегда имеется обратный ток, его величина определяется характеристикой Iобр).
В результате, как видно из графика (3), на выходе мы получаем импульсы, состоящие из положительных полупериодов, то есть, постоянный ток. В этом и заключается принцип работы выпрямительных полупроводниковых элементов.
К числу недостатков однодиодного выпрямителя можно отнести:
- Низкий уровень КПД, поскольку отсекаются отрицательные полупериоды, эффективность устройства не превышает 50%.
- Напряжение на выходе примерно вдвое меньше, чем на входе.
- Высокий уровень шума, что проявляется в виде характерного гула с частотой питающей сети. Его причина – несимметричное размагничивание понижающего трансформатора (собственно именно поэтому для таких схем лучше использовать гасящий конденсатор, что также имеет свои отрицательные стороны).
Заметим, что эти недостатки можно несколько уменьшить, для этого достаточно сделать простой фильтр на базе высокоемкостного электролита (1 на рис. 7).

Рис. 7. Даже простой фильтр позволяет существенно снизить пульсации
Принцип работы такого фильтра довольно простой. Электролит заряжается во время положительного полупериода и разряжается, когда наступает черед отрицательного. Емкость при этом должна быть достаточной для поддержания напряжения на нагрузке. В этом случае импульсы несколько сгладятся, примерно так, как продемонстрировано на графике (2).
Приведенное решение несколько улучшит ситуацию, но ненамного, если запитать от такого однополупериодного выпрямителя, например, активные колонки компьютера, в них будет слышаться характерный фон. Для устранения проблемы потребуются более радикальное решение, а именно диодный мост. Рассмотрим принцип работы этой схемы.
Технические характеристики in4007
Перечислим основные параметры для всей серии (информация взята с официального даташита производителя). Начнем с VRM (reverse voltage max) – допустимой величины обратного напряжения 1n400x (здесь и далее последняя цифра модели соответствует порядковому номеру в списке):
Допустимое RMS (среднеквадратическая величина):
Пиковое значение Vdc:
Другие технические параметры:
- Максимальное значение выпрямленного тока при работе в штатном режиме и температуре элемента 50 °С – 1 Ампер.
- Допустимая величина тока при импульсе длительностью до 8 мсек – 30 Ампер.
- Допустимый уровень падения напряжения на открытом переходе при силе тока 1 Ампер не более 1-го Вольта.
- Пиковая величина обратного тока при штатном напряжении, при температуре элемента 30 °С – 5 мА, 90 °С – 50 мА.
- Уровень емкости перехода – 15 пФ (значение приводится для постоянного напряжения 4,00 Вольта и частоты 1 МГц).
- Уровень типичного теплового сопротивления – 50°С/Вт.
- Максимальный уровень рабочей частоты – 1 МГц.
- Границы диапазона рабочей температуры от -50 до 125 °С.
- Быстродействие (стандартное время восстановления) более 500 нс;
- Скорость обратного восстановления – 2 мс.
- Допустимая температура хранения от -50 до 125 °С.
- Вес элемента в корпусе в пластиковом корпусе D0-41 в пределах 0,33-0,35 грамм, для D0-214 – не более 0,3 г.
Схема работы динистора
Основной принцип работы динистора: пропускание тока начинается при достижении определенного значения напряжения, которое является постоянным и не может быть изменено, поскольку триггер-диоды является неуправляемым.
Наглядное представление о том, как работает динистор, дает вольтамперная характеристика (ВАХ). На ВАХ симметричного элемента видно, что он будет функционировать при любом направлении прикладываемого напряжении. Верхняя и нижняя ветви центрально симметричны. Такую деталь можно включать в схему без учета полярности.
На графике изображены 3 возможных рабочих режима:
- Красный участок – закрытое состояние, при котором значение текущего напряжения ниже напряжения включения. Ток через триггер-диод не проходит.
- Синий – характеризует момент включения, когда напряжение на выводах достигает напряжения включения и элемент включается.
- Зеленый – открытое состояние, при котором характеристики элемента стабилизированы. В характеристиках на триггер-диод указывается наибольшее значение тока, который может через него протекать.
Несимметричные dinistor можно включать в схему только с соблюдением полярности. При обратном подсоединении элемент будет закрыт при напряжениях, не превышающих допустимое значение, при их превышении деталь сгорит.
По схеме функционирования триггер-диод похож на классический диод, но есть существенное отличие. Если напряжение открытия для диода очень мало и составляет десятки и сотни милливольт, то для динистора напряжение включения составляет несколько десятков вольт. Для закрытия устройства ток, проходящий через него, необходимо понизить до значения, которое меньше величины тока удержания, или разомкнуть цепь электропитания.
Монтаж
Диод 1n5819: характеристики
Для установки элементов в корпусе D0-41 используется выводная схема монтажа, при этом допускается как горизонтальное, так и вертикальное положение детали (относительно печатной платы). Пайка должна производится «мягким» (низкотемпературным) припоем с точкой плавления менее 210-220°С, например, ПОС-61. Процесс должен занимать не более 10 секунд, чтобы не допустить перегрев элемента.
Заметим, что в даташите указана пороговая температура 260°С, но, как показывает практика, в данном случае лучше перестраховаться, чем испортить деталь и тратить время на ее выпаивание обратно.
Диоды в корпусе D0-215, как и все SMD элементы, устанавливаются по методике поверхностного монтажа, с применением для этой цели специальной паяльной пасты.
Заключение
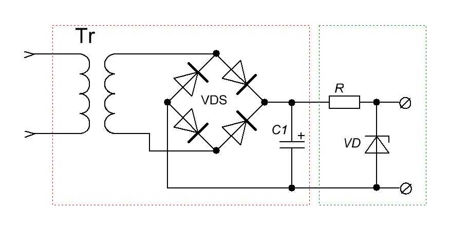
Раньше, во времена дефицитных деталей и начала расцвета электроники, стабилитрон часто использовался, как ни странно, для стабилизации выходного напряжения блока питания. В старых советских книгах по электронике можно увидеть вот такой участок цепи различных источников питания:

Слева, в красной рамке, я пометил знакомый вам участок цепи блока питания. Здесь мы получаем постоянное напряжение из переменного. Справа же, в зеленой рамке, схема стабилизации ;-).
В настоящее время трехвыводные (интегральные) стабилизаторы напряжения вытесняют стабилизаторы на стабилитронах, так как они в разы лучше стабилизируют напряжение и обладают хорошей мощностью рассеивания.
На Али можно взять сразу целый набор стабилитронов, начиная от 3,3 Вольт и до 30 Вольт. Выбирайте на ваш вкус и цвет.
Можете посмотреть видео на тему «КАК РАБОТАЕТ СТАБИЛИТРОН (ДИОД ЗЕНЕРА)», рекомендую.





























