Ремонт Кумир 001 а это весело
Сегодня поговорим за усилитель Кумир 001, недавно его приобрёл за 2000р, позиционировался как рабочий, но по факту дрова. Но я когда приобретаю, то чудес не испытываю, ибо всё что куплено всегда либо под профилактику или профилактику. В данном случае ремонт, и полное лукошко веселья, расскажу как и что было.
При включении усилитель был в защите, и петь отказывался. Сменил сухостой в видео электролитических конденсаторов за исключением серии к50-24 (2200mf) они живые, но усилителю это не помогло. Да забыл сказать что цены подросли на детали, вчера ходил закупался и заметил уже разницу. Так вот начал копать защиту, транзюки волшебные кт 502-503 звонятся как рабочие, а по факту нет. Поменял их и усилок заголосил, и зачем бывший владелец втирал что он исправный не понятно, веть по факту всё таки это был уже ремонт, а не не пропай какой что когда он вез то пайка могли отойти, но нет же тут именно неисправность.
Сравнение с другими усилителями
Это очень ответственный шаг. Нужно учесть все нюансы и понять, усилитель «Радиотехника» лучше или хуже остальных. Первый конкурент – «Амфитон-001». При одинаковых условиях воспроизведения наш герой показал куда более полную сцену звука, чем «Амфитон». Дальше – больше. Бас «Амфитона» никак не мог стать таким же правильным и быстрым, как НЧ, созданные «Радиотехникой». Явный провал. Следующим испытуемым стал легендарный «Бриг У-001». Этот монстр звука запросто сделал простенький 101. У «Брига» получилось куда более качественное звучание. И с этим ничего нельзя было сделать. Хоть «Бриг» и годами старше, но намного лучше, чем «Радиотехника». Беда только в том, что найти адекватный «Бриг» на вторичном рынке очень трудно. Поэтому «Радиотехника» остается оптимальным вариантом. Да и неискушенный слушатель не заметит особой разницы между этими двумя усилителями.
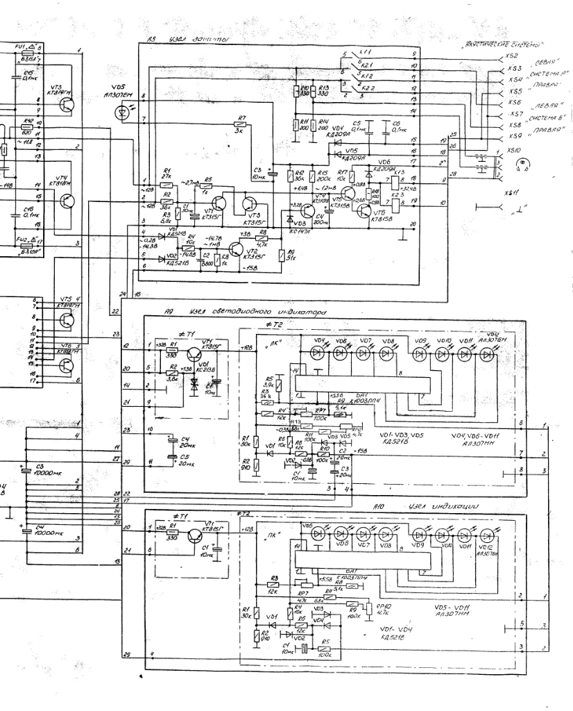
Как работает индикатор защиты колонок кумир 001
Изготовитель: Ульяновский механический завод, 1987.
Назначение: усилитель «Кумир У-001 стерео» высшей группы сложности предназначен для двухканального усиления и коммутации сигналов низкой частоты от различных источников звуковых программ при работе в помещении. Усилитель соответствует требованиям предъявляемым к Hi-Fi аппаратуре и в удостоен серебряной медали ВДНХ СССР.
Электрическая схема и монтажные схемы в очень большом разрешении на диске. От Владимира из Ульяновска.
Основные технические характеристики:
Описание:
Для расширения ассортимента наименований выпускался усилитель «Пульсар У-001-стерео», являющийся полным аналогом «Кумир У-001-стерео». В усилителе предусмотрена: регулировка тембра по низшим, средним и высшим звуковым частотам; ступенчатое ослабление громкости на 20 дБ; отключаемый фильтр инфранизких частот. К усилителю возможно подключение 2-х пар акустических систем и стереотелефонов, два магнитофона работающие в режимах записи или воспроизведения. Для каждого канала предусмотрена электронная защита выходных транзисторов от короткого замыкания в нагрузке. На корпусе усилителя установлены две розетки, через которые можно подключить к электросети два радиоаппарата с общей мощностью не более 200 Вт.
Усилитель собран на металлическом шасси. Переднюю панель дополнительно закрывает алюминиевая накладка с названием УМ, назначения регуляторов, кнопок и разъемов. Боковые стенки усилителя алюминиевые. Они служат одновременно радиатором под выходные транзисторы и боковой панелью. Выходные транзисторы закреплены с внешней стороны и закрыты пластмассовыми крышками. Верхняя крышка металлическая, имеет ряд перфорационных отверстий.
Внутри усилителя по центру находится трансформатор, закрытый металлической сеткой. Вокруг него расположены платы выходных и предварительных усилителей, а также другие узлы устройства.
Недавно один мой клиент, которому я отремонтировал немало аппаратуры, привёл свего брата — весьма солидного и состоятельного человека (имеет обувной магазин). И что бы вы думали, он попросил меня починить советский усилитель! Это был УНЧ высшего класса «КУМИР — 001». Как выяснилось, тот человек большой фанат качественного звука, для чего у него отведена специальная комната с компьютером, большим метровым экраном, колонками АС-90, дивидишником, старым аналоговым японским ФМ тюнером и конечно отечественным усилителем «КУМИР». Ремонт интересный, человек тоже, поэтому взялся с удовольствием.
О производителе
Когда-то компания «Радиотехника» была дочерним предприятием небезызвестного завода «ВЭФ». Последний был упразднен в 1997 году. Но «Радиотехника» осталась и по сей день работает. Теперь это крупнейший производитель музыкальной аппаратуры в Восточной Европе. История компании началась в 1927 году. Тогда Абрам Лейбовиц основал небольшое предприятие по выпуску радиоприемников. Со временем фирма разрослась и начала выпускать огромное количество бытовой электроники: от радиоприемников и телевизоров до усилителей и акустических систем. Легендарные колонки S90 были сконструированы и выпущены в 1989 году. Примерно к этому же временному периоду относится и разработка такой вещи, как усилитель «Радиотехника У-101».
Стоит сразу отметить, что искушенные «аудиофилы» не ценят технику этого производителя. Они считают ее массовым «шлаком» и «хламом». Единственное, что признают эти товарищи из советских аудиосистем – топовые усилители от «Амфитон» и легендарный «Бриг». Но в любом случае усилитель «Радиотехника У-101» стерео в десять раз лучше того китайского хлама, который сейчас находится на прилавках магазинов электроники. Поэтому для озвучивания небольших помещений (таких как стандартная квартира) его можно и нужно приобрести. Тем более что на вторичном рынке этот аппарат стоит копейки. Однако перейдем к особенностям дизайна усилителя и его техническим характеристикам
Ибо это самое важное
Усилитель звука из телевизора
На рисунках 2 и 3 показаны схемы блоков управления БУ411 и БУ413. которые применялись в телевизорах 4УСЦТ. По схемам УНЧ эти блоки полностью идентичны. различие только в цепях управления. В первом случае управление кнопочное, во втором аналоговое, переменными резисторами. Но это не имеет никакого отношения к УНЧ. Платы А9 содержат УНЧ на основе микросхемы К174УН14, которая более современная чем К174УН7 блока БУ3. и обладает значительно лучшим качеством звучания. Но регулятор тембра по низким и высоким частотам выполнен по пассивной схеме, что несколько ухудшает глубину его регулировки. УНЧ блока БУ 411 и БУ413 обладает выходной мощностью 6 Вт, при КНИ 10% (4 Вт при КНИ 0,15%) и диапазоном рабочих частот 4016000 Гц при неравномерности 6 дБ.
Данный УНЧ в схеме телевизора питается напряжением 15V. но он работоспособен в значительно более широком диапазоне питающего напряжения от 8 до 18V. При этом изменяется только его максимальная выходная мощность, которая на нагрузке сопротивлением 2 Ом может достигать 10 Вт (при КНИ 10%). Чувствительность микросхемы К174УН14 составляет около 50 мВ. что позволяет использовать пассивный регулятор тембра. включенный на входе. Регулировка громкости так же не предусмотрена Поэтому, конструируя УНЧ на основе этих плат, нужно будет сделать обычный пассивный регулятор громкости на переменных резисторах.
Усилитель мощности на микросхеме К174УН14 (TDA2003)
На плате усилитель низкой частоты А9 блока БУ411 или БУ 413 непосредственно установлены разъемы Х1 и XS1. Остальные разъемы расположены за пределами платы и соединяются с ней ленточными кабелями. Точки подключения этих кабелей на схеме обозначены цифрами. Точками общего минуса являются точки 2. 4, 1, 7. Напряжение питания поступает на точку 5. А входной сигнал на точку 6. На рисунке 4 показана схема стереоусилителя на основе плат А9.2 блоков управления БУ3.
Входной сигнал поступает через разъем XI. Величины сопротивлений резисторов R1 и R4 зависят от выхода источника сигнала. Если это линейный выход, например. DVD плеера. то они могут быть указанного на схеме сопротивления или вообще их можно удалить. Если же сигнал подается от телефонного выхода, например, карманного МП3 плеера.то сопротивления этих резисторов нужно уменьшить до величин, обеспечивающих нормальную нагрузку телефонного усилителя (обычно 50100 Ом достаточно).
Резисторы R3 и R6 раздельные регуляторы громкости. Регуляторы тембра на схеме не показаны, потому что они входят в состав плат. Цепи R2 С2 и R5 С4 служат для подавления помехи с частотой дискретизации, которая может быть на выходе цифрового источника сигнала.
На рисунке 5 показана схема стереоусилителя на основе плат А9 блоков управления БУ411 или БУЗИ. Источник питания должен выдавать постоянное напряжение в указанных на схемах пределах, с максимальным током до ЗА в схеме на рис. 3 и до 5А в схеме на рис.4. Следует заметить, что применение разнотипных плат УНЧ в одном и том же стереоусилителе не допустимо.
Кумир-у-001 : замена регулятора громкости
Сергей Климкин:
Где можно приобрести ручки для данного усилителя ?
Marat Marat:
Здравствуйте , а можно попросить фото как запаять все 7 контактов к регулятору сп3 30г спасибо заранее !
dad373 555:
Добрый день! А можно подробнее-как правильно распаять провода к переменнику громкости без выводов тонкомпенсации.Спасибо!
Валерий Хомич:
Добрый день,подскажите у меня такой же с 1988г.и колонки S 90- 8 ом.Нужно в нем менять электролиты как все говорят в интернете?
zigss1973:
старый разобрать и почистить.
саша рестар:
я решил проблему регулятором от амфитона 002 каждый щелчок там сопротивление напаяны
Володимир Адамчук:
для чого міняти? Він досить просто розбирається і збирається назад. Треба почистити доріжки. Еффект нового. Чудовий звук!
Live Rock in DP:
вд40 крайне не рекомендуется применять
Роман онже:
У меня Кумир у-001.Столкнулся с такой проблемой.Идёт возбуждение левого канала при прослушивании музыки.По звуку его определить тяжело,Определил,по индикаторам перегрузки.Приходится баланс немного подкручивать с 12 часов на 13.30.Фонов постороних никаких нет.Мучает лет 5 уже.Что может быть,кто может подскажет?Спасибо!
Джексон Пятый:
На АлиЭкспрессе аналог есть: https://ru.aliexpress.com/item/1pc-original-Japanese-type-ALPS-27-Potentiometer-Volume-control-good-for-amplifier-preamplifier-headphone-amp/32332432481.html?spm=2114.10010208.0.45.R8uCE1&isOrigTitle=true
ФЕДЯ Денисюк:
зачем нужна тон компинсация чтобы на разной грокости снизитьили или повысить низкие или высокие чатоты типа принудительный эквалайзер …. зачем я бы спросил советского инженера дублировать темроблок и вбил бы ему шиферный гвоздь в голову за изобритение … ее смело можно откидывать она давольно сильно калечит ачх например усилителяхх романтика или амфитон ставиш обычный регулятор и звук становить намного лучше в особеноси на средних частотах… почемуто в в некоторых импорных усилителя тонкомпесацыю делают на кнопке а не привызывают ее к регулятору еще и принудительно хочеш не хочеш а она работает темпорблока мало давай еще тон компинсацыю зафигачем принудительно !!что не умеем не храним а пытаемся украсить…
Sergeo Kirzhakoff:
Был такой, только назывался ПУЛЬСАР. Ручки регуляторов, мне знакомый токарь из алюминия выточил, вид был с ног сшибательный. Последние лет восемь лежал в гараже, потому что дома уже стоял МАРАНЦ. Так вот при наведении порядка в гараже, с дуру выкинул его на помойку вместе с кассетной декой ВЕГА. До сих пор не могу понять что на меня тогда нашло, мудак в общем я!
MrVovanli:
достался мне такой усь со сломанным регулятором звука, его просто выломали. Родной не найти у нас, думаю ем его заменить. на плате самого регулятора 2 по 5 дырок из которых 2 не задействованы. Получается что 123 по стандартной схеме обычного переменного резистора подключения, а 4 это тк? поправите ели не так
Дмитрий Егоров:
Купи, бля штатив, и не дрочи столько зум туда-сюда. А то при просмотре укачивает — можно и проблеваться.
Владимир Лукашев:
Приветствую! Я в радиотехнике профан, но паять умею. Недавно преобрел свой первый усилитель кумир 001. хотел спросить, где стоят те самые электролитические конденсаторы. которые менять нужно. Если можно, фотографию. В интернете ничего не нашел.
evgenij8310 HiFi:
РП1-57 очень просто разбирается чистится резиновой стиркой, смазывается и так же просто собирается обратно. Клепать проволоку умеешь? )))
дмитрий максун:
подставка для паяльника классно придумал уселок использоват
Сергей Петрович:
а Амфитон не то же самое))что Кумир)))
Punisher Oils:
Класс!, точ в точ такой же прям… проблема с каналами звук угасает пропадает через некоторое время на одном из каналов.., но если поддать громкости то пробивает и сснова норм., но потом снова всё по новой… Наверное это конденсаторы высохли я правельно мыслю?? была ли у кого такая проблема? и как она лечится?
volidol:
Что за кассетный мальчик блин?
Усилитель Кумир у-001
Решил немного модернизировать усилитель. Разобрал, первое что сделал выкинул корректирующий усилитель, плату узла входов, узел переключателей, узел коммутации «ослабление» (см. схему https://www.cxema.f2s.com/) . Поставил нормальные входные гнезда, корректирующий усилитель мне не нужен т.к. я не пользуюсь ЗС. С платой узла входов ситуация сложнее. Там стоят галетные переключатели, что не совсем по моему хорошо, думаю использовать реле с посеребренными контактами и сделать так что бы сигнал проходил при неактивном состоянии катушки реле. Хотелось бы узнать, может кто-нибудь знает лучшие способы коммутации входов. Что касается узла коммутации «ослабление» то в принципе это не такая важная вещь, а на сигнал мажет влиять, поэтому я его тоже исключил. В общем получилось, что входной сигнал после входных гнезд поступает на плату коммутации входов и сразу на предварительный усилитель. Думаю также все межблочные соединения сигнального тракта выполнить с использованием посеребренного провода. Пропаять все платы оловом с повышенным содержанием серебра (2% или 4%). Заменить все емкости на импортные (правда сложность с К50-24), что касается транзисторов пока не решил. Большая просьба поделится информацией по этой теме.
У меня такуй же усилок. Еще не шаманил, но обязательно придется, т.к. он изначально имеет приложение чьих-то рук: — регулятор громкости заменен на СП3 — транзисторы (судя по пайке) уже меняли и так еще, по мелочам — есть следы явно не заводской пайки.
С проделанной тобою работой вполне согласен. Сам пока не решил, что делать с усилком. Сейчас собираю документацию — нужны схемы печатных плат;).
Конденсаторы менять не будешь или уже поменял? Если да, то на что? А чем импортным можно заменить выходные транзисторы (если оно того стоит)?
У меня такуй же усилок. Еще не шаманил, но обязательно придется, т.к. он изначально имеет приложение чьих-то рук: — регулятор громкости заменен на СП3 — транзисторы (судя по пайке) уже меняли и так еще, по мелочам — есть следы явно не заводской пайки.
Восставший из ада, или возвращение в строй усилителя Амфитон 50У-202C
Я этого делать не стал чуть ниже расскажу почему.
Для линейности выходного каскада вещь непоследняя. Кроме того я внёс определенные изменения в схему защиты, а именно убрал защиту по превышению выходной мощности индикацию превышения не трогал , оставив только защиту аккустических систем от постоянного напряжения на выходе никому ведь не хочется, чтобы сгоревший транзистор в выходном каскаде утащил за собой в могилу ещё и колонку.
Ручки регуляторов и кнопки выполнены из литого алюминия.
Что касается тонкомпенсации: То тут, чтобы сдвинуть частоту подъёма в сторону низких частот, С1 был мной увеличен с 0,22 до 0,33мкф. Если вас эти характеристики устраивают, лучше пропустите эту часть.
Фон и посторонний треск исчезает после того, как закрывается экранирующая крышка, в основном его «ловит» плата темброблока. Причём лёгкость и прозрачность звучания на акустическом джазе и классике не мешают им достаточно драйвово отрабатывать Metallica и Manowar.
Схемы усилителей
Ещё при покупке я обратил внимание на то, что он явно вскрывался. На слух посторонних звуков нет на любой громкости слушал как музыку, так и тестовые диски
Фона как небывало. Боковые панели алюминиевые, они одновременно служат радиаторами и внешними стенками. Обошлось малой кровью.
Сообщение от rippi выкинуть из головы заумные мысли,слова Может сразу выпотрошить его и использовать как неплохой корпус с готовым трансформатором для усилителя — самоделки?
Действительность внесла коррективы. Замена реле схемы защиты и изменение функциональности этой схемы.
Мой «Амфитон 25У 002С»
Схема усилителя и его ремонтопригодность
Схема усилителя «Радиотехника» четко дает понять, что перед нами качественное устройство родом из Советского Союза. Так хорошо уже никто не делает. В Союзе технику создавали на десятки лет. Сейчас же все компании гонятся за прибылью. Поэтому современная техника работает до первой поломки. Потом нужно идти покупать новое устройство. Здесь же все детали взаимозаменяемы. Даже если какие-то компоненты уже прекратили выпускать, можно найти аналог, установить его, и усилитель снова будет работать еще десяток лет. По статистике, первое, что отказывает в усилителях «Радиотехника», — конденсаторы. Благо такого добра на радиорынках хватает. Также весьма часто летит защита от перегрузки. С этим посложнее, так как отдельные ее компоненты уже не выпускаются. Но нет никаких проблем с заменой, так как подходят современные с такой же емкостью.
Какие еще «болячки» имеет усилитель «Радиотехника У-101» стерео? Схема четко показывает, что львиную долю места в корпусе устройства (да и на печатной плате) занимает блок питания и его компоненты. Если он сгорит, тогда начнется головная боль. Таких уже не делают, а найти современные аналоги не так-то просто. Но есть один плюс: блок питания выходит из строя реже всего. Известно лишь несколько таких случаев. Дело в том, что данный блок снабжен отличными стабилизаторами. Поэтому его выход из строя случается очень редко. И в большинстве случаев достаточно будет заменить резистор сопротивления с идентичной маркировкой. Этот усилитель вполне ремонтопригоден. И это еще одно его преимущество. Починить его сможет практически любой человек с паяльником. Нужно только хоть что-то соображать в радиоэлектронике.



























