Содержание / Contents
- 1 Суть идеи
- 2 Подробнее об аттенюаторе
- 3 Об управлении
- 4 Впечатления
- 5 Осциллограммы работы регулятора
- 6 Об изготовлении и деталях
- 7 Файлы
Это моя первая статья подобного рода, поэтому прошу сильно не ругать. Все началось с того, что я собрал пару довольно приличных колонок. Слушал я их через ресивер Kenwood середины 90-х, который новые колонки тянул плоховато. Встал вопрос о сборке нового усилителя.
Первое, что встречает на своём пути звуковой сигнал в усилителе, это входной буфер и регулятор громкости. С них я и решил начать. Поскольку усилитель планируется довольно большой (моноблок на 4 канала по ~100 Ватт), то размещать переменный резистор на передней панели и тянуть к нему проводку через весь корпус не хотелось, да и 4-канальный переменник ещё найти надо.
Вторая идея – использовать цифровые резисторы. Однако чипы найти оказалось непросто, да и цена у них тоже не маленькая.
Идея четвертая – регулятор на релюшках, известный как «регулятор Никитина». Не пошёл по причине отсутствия достаточного количества особых реле и точных резисторов.
И решил я придумать чего-нибудь сам.
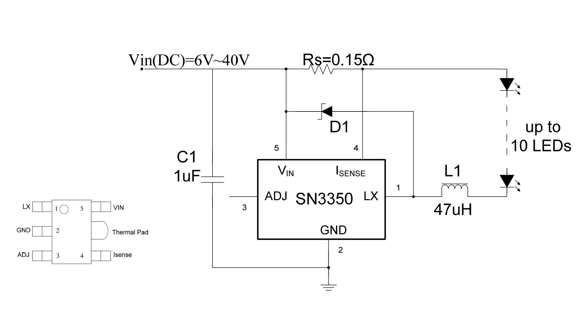
SN3350
SN3350 — очередная недорогая микросхема для светодиодных драйверов (13 руб/штучка). Является практически полным аналогом PT4115 с той лишь разницей, что напряжение питания может лежать в диапазоне от 6 до 40 вольт, а максимальный выходной ток ограничен 750 миллиамперами (длительный ток не должен превышать 700 мА).
Как и все вышеописанные микросхемы, SN3350 представляет собой импульсный step-down преобразователь с функцией стабилизации выходного тока. Как обычно, ток в нагрузке (а в нашем случае в роли нагрузки выступают один или несколько светодиодов) задается сопротивлением резистора R:
R = 0.1 / ILED
Чтобы не превысить значение максимального выходного тока, сопротивление R не должно быть ниже 0.15 Ом.
Микросхема выпускается в двух корпусах: SOT23-5 (максимум 350 мА) и SOT89-5 (700 мА).
Как обычно, подавая постоянное напряжение на вывод ADJ, мы превращаем схему в простейший регулируемый драйвер для светодиодов.
Особенностью данной микросхемы является несколько иной диапазон регулировки: от 25% (0.3В) до 100% (1.2В). При снижении потенциала на выводе ADJ до 0.2В, микросхема переходит в спящий режим с потреблением в районе 60 мкА.
Типовая схема включения:
Остальные подробности смотрите в спецификации на микросхему (pdf-файл).
Простой регулятор громкости и баланса на LM1972.
LM1972 обеспечивает раздельную регулировку громкости по двум каналам в диапазоне от 0 до -78dB, с шагом 0.5dB в диапазоне 0 — -48dB и с шагом 1dB в диапазоне -48 — -78dB. Управление осуществляется простым 3-х
проводным интерфейсом (SPI) как показано на рисунке ниже.
![]() |
При необходимости управления более чем двумя каналами (т.е. более чем одной микросхемой) существует две возможности. В простейшем случае, когда нужно управлять всеми каналами синхронно, например два канала фронта и
два канала тыла, т.е. не требуется регулировка баланса «фронт-тыл» — можно просто объединить сигналы управления
двух микросхем (возможность регулировки баланса «лево-право» при этом сохраняется). Разумеется — таким образом
можно запараллелить не только две, но и больше микросхем (получив управление громкостью синхронно по 2*N каналам) — на рисунке ниже, слева. Если же требуется полностью раздельное управление по все каналам — следуют
включить микросхемы в цепочку, т.е. подав выход данных (DO) одной на вход данных (DI) другой, как показано на рисунке ниже, справа.
![]() |
Сигналы тактирования (clock) и загрузки/сдвига (load/shift) при этом подаются параллельно на все микросхемы. Более подробные сведения приведены в даташите на микросхему на сайте производителя
Самый простейший регулятор громкости для стереоусилителя показан на рисунке ниже. Он не имеет никакой индикации (она просто не нужна). Регулировка осуществляется двумя ОБЫЧНЫМИ потенциометрами — громкость и баланс,
причем среднее положение баланса индицируется светодиодом, и кнопкой «MUTE», также с индикацией.
Может возникнуть вопрос — если все равно используются обычные потенциометры, для чего нужно все это? Дело в том, что в данной схеме не нужны сдвоенные потенциометры определенного номинала с логарифмической
характеристикой — используются более простые, с линейной. К тому же нет никаких жестких требований к номиналу
сопротивления — можно использовать от единиц до десятков килоом, и самое главное — качество звука вообще никак не
зависит от качества потенциометров, через них не проходит сигнал, они только регулируют напряжение, которое измеряется АЦП микроконтроллера и преобразуется последним в сигналы управления LM1972. Так как использован
весьма дешевый и малогабаритный 8-ногий микроконтроллер, возникает некоторый «дефицит» его выводов (об
одновременном использовании выводов микроконтроллеров в разных целях — читайте в статье «Аппаратные хитрости использования PIC-контроллеров» в РХ 3,4/1999 или на сайте поэтому в данной схеме применено следующее
подключение светодиодов — они подключены к сигналам DATA и CLOCK, и слегка «мерцают» во время регулировки
(что можно также считать «фичей»). Использована та особенность 3-х проводного интерфейса, что при неактивном
состоянии линии load/shift (часто обозначаемой также как CS — Chip Select) сигналы данных и тактирования могут иметь любые значения.
![]() |
Схема может на первый взгляд показаться несколько громоздкой, но присмотритесь внимательно — стабилизаторы питания и блокировочные конденсаторы составляют чуть ли не больше половины схемы! Ведь собственно сама схема
— это регулятор LM1972 и микроконтроллер PIC12C671. Плюс одна кнопка, два потенциометра и два светодиода с балластными резисторами.
Для обеспечения нормальной работы регулятора требуется большое входное сопротивление последующего усилителя, если это не так — рекомендуется включить между регулятором и усилителем буферный каскад на лампе или
хорошем операционном усилителе (ОРА2132, ОРА2134 и т.п.)
Особое внимание следует обратить на разводку
земляного провода — LM1972 имеет выводы, как для аналоговой, так и для цифровой «земли», а также «защитные
выводы» вокруг аналоговых входов и выходов. Входной сигнал не должен превышать 3в (RMS), входное сопротивление регулятора 40 кОм
Для питания пригоден любой двухполярный источник, с напряжением +9-15в.
«прошивку» микроконтроллера вместе с исходным текстом можно взять на сайте редакции и на сайте автора на сайте автора.
Примечание: я получил несколько собщений, что микроконтроллер PIC12С671 не везде доступен, хотя и дешев. Да и для любителей — проще иметь дело с микроконтроллером, у которого многократно перешиваемая
память программ («F»), а не однократная («С»). Поэтому для этой и других схем, где упоминается PIC12С671, я
выкладываю также прошивку под легче доставаемый PIC12С672, и под «многократный» PIC12F675
Простой домашний кинотеатр на PT2322 и PT2323
Схема аудиоконтроллера домашнего кинотеатра построена на базе многоканального аудиопроцессора PT2322 и многоканального аудикоммутатора PT2323 производства тайваньской компании PTC. Эти аудиомикросхемы обрабатывают 6 звуковых каналов, которые реализуют формат звука 5.1. Напоминаем для тех кто не в теме – речь идет о паре фронтальных каналов, паре тыловых каналов, центральном канале и канале сабвуфера.
Тайваньская компания Princeton Technology Corp., именуемая как PTC, является профессиональным разработчиком интегральных схем. Среди направлений разработки отдельное место занимают многоканальные аудиопроцессоры для мультимедийных устройств. Аудиопроцессоры PTC завоевывают популярность благодаря высоким характеристикам качества звука, низкой стоимости и легкого управления в конечном продукте.
Приведем примеры известных нам продуктов на указанных аудиопроцессорах: BBK DK-1004 S; HYUNDAI DR-8028 (DR-8606); Dowell SP-3001X5 (названия кликабельны). Каждый из этих кинотеатров может позиционироваться как продукт Hi-Fi класса. Описание и стоимость вы можете найти в Интернете. Замечу, что стоимость этих готовых изделий не детская.
Итак, рассмотрим нашу схему домашнего кинотеатра в части блока аудиопроцессора. В схеме нет оконечных усилителей, т.к. по этому вопросу на вкус и цвет все фломастеры разные.
Как видим, инженеры Princeton Technology старательно оптимизировали трассировку электрических соединений. Схема аудиопроцессора проста для понимания. Здесь на входе четыре канала и канал формата 5.1. На выходе, соответственно, формат 5.1. Коммутатор PT2323 выбирает соответствующий вход и при соответствующей настройке может обычный стереоканал разложить на 5.1. В свою очередь, аудиопроцессор PT2322 выполняет роль темброблока с дополнительными функциями обработки звука (сурраунд, частичное смешивание каналов и пр.).
Управление блоком аудиопроцессора осуществляется по шине I2C. Для управления был выбран микроконтроллер Microchip типа PIC16F887 как наиболее дешевый в корпусе DIP-40. Далее схема блока управления.
Блок управления состоит из индикаторных светодиодов, матричной клавиатуры, энкодера со встроенной кнопкой, ИК приемника для пульта ДУ. В схеме предусмотрено два дополнительных управляющих сигнала (вывод 21 и вывод 22 микроконтроллера). В выключенном состоянии на линии 21 лог. 1 (+5 вольт), а на линии 22 лог.0 (т.е. 0 вольт).
Для индикации используется светодиоды, впаянные в один ряд. Они работают в двух состояниях. В обычном состоянии они индицируют активность тех или иных настроек. В состоянии настройки, они включаются в виде столбика, по которому можно судить об уровне сделанной настройки. По рисункам ниже можно оценить эти состояния.
Например, нажав кнопку «1» вы выберете регулируемый параметр «громкость»; об этом свидетельствует включение 1-го светодиода. Затем вы можете энкодером увеличить или уменьшить значение параметра; уровень параметра будет отображаться в виде светящегося столбика светодиодов. После окончания настройки через 2-3 секунды вновь будут отображаться выбранные настройки.
Все настройки автоматически сохраняются и загружаются при включении. Настройка mute (приглушение) не сохраняется.
Использован энкодер со встроенной кнопкой. Этой кнопкой включается и выключается аудиоконтроллер, соответственно, на линиях 21 и 22 изменяется сигнал. При подаче питания состояние аудиоконтроллера «выключено».
Также вы можете использовать пульт дистанционного управления, работающий в формате RC5. Для этих целей был приобретен нонеймный пульт для телевизоров Philips. С пульта можно не только регулировать, но и включать/выключать аудиоконтроллер.
Для подключения источников сигнала используются типовые разъемы гнёзда RCA для монтажа на плату.
Платы сделаны из односторонне фольгированного текстолита. Платы соединяются ленточными кабелем или другими подходящими проводами. Ниже фотография устройства в сборе.
Благодарности.
Этот проект создан при поддержке Максима А. Лебедева (г. Москва). Его радиодетали стали основой реализованной идеи.Файлы:Печатные платыПрошивкаДокументация на микроконтроллерДокументация на аудиопроцессорыПолезные ссылки:Попробуй сделать печатную плату на кухнеСобери себе подходящий программаторУзнай как прошить микроконтроллер прошивкойНаучись программировать и делать прошивкиЗадай вопрос или найди ответ в форуме
Цифровой регулятор громкости на BA3520

Операционные усилители (ОУ) внутри — обычные, с той лишь разницей, что некоторые резисторы обратной связи уже установлены в микросхеме. Выходной ток предварительных усилителей — несколько миллиампер, выходных — около сотни миллиампер. На рисунках указаны рекомендуемые схемы включения, но, в принципе, ОУ можно включать по любой стандартной схеме, за исключением, разве что, дифференциальной.
Если слишком большое усиление не требуется, предваритепьные уси- лители можно не использовать, подав входной сигнал непосредственно на выходные усилители (их коэффициент усиления при максимальной громкости — около 7). При этом входы предварительных усилителей желательно соединить с выходом REF микросхемы. Если использовать эти микросхемы для замены переменного резистора, сигнал на входы лучше подавать через резисторы сопротивлением около 100 кОм (для компенсации усиления выходных усилителей), как показано на рис.За.
И вообще, во всех схемах с использованием ВА3520 сигнал на входы оконечных усилителей лучше подавать через резисторы сопротивлением не менее 10 кОм. Это значительно уменьшает шумы на выходе (микросхема “не любит” слишком низкоомные источники сигнала), но выход предварительного усилителя микросхемы можно соединять со входом оконечного непосредственно. К ТА8119 это тоже относится, хотя выражено гораздо слабее.
Для более плавной регулировки громкости в микросхеме ТА8119Р и ВА3520, а также для устранения “шороха” при вращении движка переменного резистора, между движком и общим проводом рекомендуется включить конденсатор емкостью 1…10 мкФ (“+” к движку). При “частичной неисправности” переменного резистора (перегорела или истерлась дорожка возле одного из крайних выводов) можно “выкрутиться”, несколько усложнив схему.
Переменный регулятор громкости на резисторе, транзисторе, микросхеме
Если перегорел контакт, к которому подводится движок резистора для установки минимальной громкости, используется схема на рис.36 или рис.Зв. Здесь резисторы R1 и R2 образуют делитель напряжения. Но следует отметить, что напряжение в средней точке такого делителя никогда не уменьшится до нуля: при указанных номиналах резисторов оно превышает 0,3 В. т.е. “нулевая” громкость недостижима.
Для устранения этого недостатка в схему добавлен повторитель на транзисторе VT1. При таком напряжении он все еще закрыт (порог открывания — около 0.6 В). В схеме на рис.3б достичь максимальной громкости также невозможно из-за упомянутого выше падения напряжения на транзисторе (около 0,6 В). Поэтому лучше использовать схему, изображенную на рис.3в.
Источник питания (+5 В) должен быть стабилизированным — иначе громкость будет “плавать”. При настройке этой схемы, возможно, понадобится подобрать сопротивления R3 и R4 для получения максимальной громкости. Если же перегорел “верхний” вывод переменного резистора, схема для его “лечения” становится еще проще (рис.Зг). Источник питания тоже должен быть стабилизированным.
Но если переменный резистор “восстановлению не подлежит”, единственный выход — использование цифровых регуляторов. В принципе, такие регуляторы можно построить и на обычной цифровой логике, пропуская звуковой сигнал через микросхему цифро-аналогового преобразователя (ЦАП). Подобные схемы неоднократно публиковались в отечественной литературе начала 90-х годов, но дешевле и удобней воспользоваться специализированной микросхемой, например, КА2250 (Samsung) или ТС9153 (Toshiba).
Регуляторы громкости и тембра
Микросхема TDA7302, TDA7306 — аудиопроцессор с цифровым управлением
Микросхема TDA7302, TDA7306 представляет собою аудиопроцессор с цифровым управлением. Диапазон напряжений питания = 6…14 В; Управление через последовательную шину данных (TDA7302) или последовательный интерфейс (TDA7306); Выбор между тремя стерео- и одним моно- входами; Управление…
Микросхема TC9421F — стерео регулятор громкости, баланса, тембра (упр. 3х шина)
Микросхема TC9421F представляет собою двухканальный регулятор громкости, баланса и тембра с управлением по трехпроводной шине. Напряжение питания = 6…12 В; Коэффициент нелинейных искажений = 0,005%; Диапазон регулировки коэффициента передачи . .0…-78дБ; Шаг регулировки в диапазоне…
Микросхема TC9412AP, TC9413AP — двухканальный аттенюатор с цифровым управлением
Микросхема TC9412AP, TC9412AF, TC9413AP представляет собою двухканальный аттенюатор с цифровым управлением. Напряжение питания: при однополярном питании (VGND = -Vсс = 0 В) = 6..18В, при двухполярном питании (VGND = 0 В) ±6…±17 В; Коэффициент нелинейных искажений = 0,005%; …
Микросхема TC9260P, TC9260F — двухканальный аттенюатор с цифровым управлением
Микросхема TC9260P, TC9260F представляет собою двухканальный аттенюатор с цифровым управлением. Напряжение питания = 4,5…12 В; Коэффициент нелинейных искажений = 0,01%; Диапазон регулировки коэффициента передачи = 100 дБ; 40 ступеней громкости; Коэффициент взаимного влияния каналов…
Микросхема TC9235P, TC9235F — двухканальный аттенюатор с цифровым управлением
Микросхема TC9235P, TC9235F представляет собою двухканальный аттенюатор с цифровым управлением. Напряжение питания = 4,5…12В; Коэффициент нелинейных искажений = 0,01 %; Диапазон регулировки коэффициента передачи = 100 дБ; Встроенный ЦАП для управления индикатором уровня; …
Микросхема TC9210P, TC9211P — двухканальный аттенюатор с цифровым управлением
Микросхема TC9210P, TC9211P представляет собою двухканальный аттенюатор с цифровым управлением. Напряжение питания: при однополярном питании (Vgnd = 0 В) Vсс = 6…17В, при двухполярном питании (Vgnd = 0 В) Vcc = ±6…±17 В; Коэффициент нелинейных искажений = 0,005%; Диапазон…
Микросхема SSM2160, SSM2161 — 4/6-канальный регулятор громоксти и баланса
Микросхема SSM2160, SSM2160P, SSM2160S, SSM2161, SSM2161P, SSM2161S представляет собою четырех/шестиканальный регулятор громкости и баланса с цифровым управлением. Напряжение питание = +10…+20 (+5…±10) В ; SSM2161 = четыре канала ; SSM2160 = шесть каналов ; 7-рвзрядная…
Микросхема M62429P — двухканальный регулятор громкости с цифровым управлением
Микросхема M62429P представляет собою двухканальный регулятор громкости с цифровым управлением. Номинальное напряжение питания = +5 В; Диапазон регулировки громкости = 0…-83 дБ; Шаг регулировки громкости = 1 дБ; Коэффициент нелинейных искажений = 0,01 %; Диапазон рабочих температур…
Микросхема LM1992N — стерео регулятор громкости и тембра с цифровым управлением
Микросхема LM1992N представляет собою двухканальный регулятор громкости и тембра с цифровым управлением. Напряжение питания = 6…12В; Коэффициент нелинейных искажений = 0,15%; Диапазон регулировки коэффициента передачи = 80 дБ; Диапазон регулировки фадера = 40 дБ; Диапазон…
↑ Подробнее об аттенюаторе
Делал я своё время генератор сигналов на ATmega8, где в качестве ЦАПа использовалась «R2R» матрица. Решил регуляторе применить нечто похожее. Опишу подробно старший разряд регулятора, остальные отличаются только порядковыми номерами элементов. Входной сигнал через резистор R4 подаётся на элемент R2R матрицы (так как регулятор 6-битный – резисторы 6R2 и 6R1 соответственно). Управляется данный бит транзистором Q1, который при открытии шунтирует сигнал на землю. Резистор R5 запирает базу в отсутствии управляющего сигнала. Чтобы избежать проникновения помех из цифровой части, решил открывать транзистор через оптопару U3. Питание на транзистор оптопары подаётся через токоограничивающий резистор R6, ток диода ограничен резистором R7. Номиналы особо не подбирал, просто смотрел, чтобы по току укладываться в данные с даташитов. Оптопара отпирает транзистор при появлении логической единицы на соответствующем выходе сдвигового регистра U7. Небольшое замечание: для младшего бита резисторы 1R1 и 1R2 должны иметь одинаковый номинал равный 2R.

Рисунок 4. Схема аттенюатора и список деталей
Небольшой обзор микросхем регуляторов громкости.
Электронная регулировка громкости обычно выполняется или на усилителях с переменным коэффициентов усиления (VGA — Variable Gain Amplifier), например на SSM2160, или на переключаемых делителях на резисторах, различных
исполнений. Наиболее популярны — цифровые потенциометры (например DS1802 от Dallas-Maxim), регулятор CS3310 фирмы Cirrus Logic (Crystal Semiconductors), совместимая с ней PGA2310 фирмы Burr-Brown (сейчас — Texas
Instruments), LM1972 фирмы National Semiconductors. Последние — несколько дешевле и более доставаемые, кроме того — несмотря на лучшие «объективные характеристики» CS3310, многие отмечают более приятное
звучание у LM1972, хотя она и имеет несколько более высокое проникновение сигналов управления в звуковой канал во время регулировки. Хочу предупредить — многочисленные попытки использовать 3-х канальную микросхему
LM1973 закончились полным провалом. При том, что внутри LM1972 и LM1973 наверняка одно и то же, с последней звук получается существенно хуже. Почему — не знаю, принял как экспериментальный факт.
В последнее время появились более новые микросхемы от TI — PGA4311, которые мало того что 4-х канальные, но по утверждениям разработчиков обеспечивают более высокие параметры чем PGA2310. (Есть также 2-х канальная
версия PGA2311). Микросхема от AnalogDevices SSM2160 хотя и обеспечивает все требуемые регулировки по 6 каналам, по качестуу звука уступает PGA.
Различные микросхемы типа LM1036 (а также 174УН10/12) не обеспечивают надлежащего качества звучания, поэтому не рассматриваются вовсе. Разумеется, в данном кратком обзоре приведены не все существующие варианты
электронных регуляторов, а только несколько типичных представителей.
Настройка
1. Соединить одноименные выводы шины I2C (SDA SDA и т. п.) двух плат. Включить питание.Вращая подстроечный резистор R1 установить нужную яркость показания LCD панели (качество вывода букв).
2. Если планируете использовать систему контроля температуры радиаторов, то необходимо определить пределы включения и выключения кулеров (вентиляторов). Эта необходимость связана с разбросом деталей (резисторов, стабилизаторов). Порядок определения пределов приведу на примере (цифры приводимые ниже это результат моих измерений).
Подключаем термодатчики и закрепляем их на металлической пластине вместе с термопарой подключенной к тестеру (тестер должен иметь возможность измерения температуры).
Контакты А1 и А2 должны быть замкнуты (поставить перемычку).
Включить питание, одновременно нажать на кнопки «+» и » — «, на экране LCD панели высветятся показания Т1=117 и Т2=117 (показания будут одинаковы если R23, R24 не отличаются друг от друга номиналом, может быть например Т2=114, но это не важно). Смотрим температуру на тестере
У меня Т1=117 соответствует 28 градусам С (комнатная температура).
Ложем пластину с термодатчиками на паяльник и нагреваем. При нужной температуре, записываем значения Т1 иТ2. Это минимальные значения. Т1=Т1min=110, Т2=Т2min=110 соответствует 45 градусам С. Нагреваем дальше и записываем максимальные значения. Т1=Т1max=97, Т2=Т2 max =97 соответствует 75 градусам С.(пределы температуры выбираете сами).
Получены значения Т1 иТ2 в десятичном виде, переводим их в шестнадцатеричные. Т1=Т1min=110=6Е, Т2=Т2min=110=6Е, Т1=Т1max=97=61, Т2=Т2 max =97=61. Полученные шестнадцатеричные значения записываем в ПЗУ микроконтроллера по адресу:
05 — Т1max, 06 — Т1min, 07 — Т2max, 09 — Т2 min.
Когда радиатор УНЧ нагреется до Т1max = 75 градусам С, включится кулер 1, и будет охлаждать радиатор до температуры Т1min = 45 градусам, при достижении температуры 45 градусов С кулер 1 выключится.
В результате при небольшом нагреве радиаторов (малая выходная мощность УНЧ) кулеры не включаются, при высокой выходной мощности УНЧ увеличивается нагрев радиаторов и работают кулеры. Эта система позволяет снизить габариты радиаторов УНЧ и не создавать лишнего шума работы кулеров на низких уровнях громкости (при большой мощности шум не слышен:)).
QX5241
QX5241 — это китайский аналог MAX16819 (MAX16820), но в более удобном корпусе. Также выпускается под наименованиями KF5241, 5241B. Имеет маркировку «5241a» (см. фото).
В одном известном магазине их продают чуть ли не на вес (10 штук за 90 руб).
Драйвер работает по точно такому же принципу, как и все вышеописанные (понижающий преобразователь непрерывного действия), однако не содержит в своем составе выходной ключ, поэтому для работы требуется подключение внешнего полевого транзистора.
Можно взять любой N-канальный MOSFET с подходящим током стока и напряжением сток-исток. Подойдут, например, такие: SQ2310ES (до 20V!!!), 40N06, IRF7413, IPD090N03L, IRF7201. Вообще, чем ниже будет напряжение открытия, тем лучше.
Вот некоторые ключевые характеристики LED-драйвера на QX5241:
- максимальный выходной ток — 2.5 А;
- КПД до 96%;
- максимальная частота диммирования — 5 кГц;
- максимальная рабочая частота преобразователя — 1 МГц;
- точность стабилизации тока через светодиоды — 1%;
- напряжение питания — 5.5 — 36 Вольт (нормально работает и при 38!);
- выходной ток рассчитывается по формуле: R = 0.2 / ILED
Более подробно читайте в спецификации (на инглише).
Светодиодный драйвер на QX5241 содержит мало деталей и собирается всегда по такой схеме:
Микросхема 5241 бывает только в корпусе SOT23-6, так что со паяльником для пайки кастрюль к ней лучше не подходить. После монтажа плату следует хорошенько промывать от флюса, любые непонятные загрязнения могут негативно сказываться на режиме работы микросхемы.
Разница между питающим напряжением и суммарным падением напряжения на диодах должно быть вольта 4 (или больше). Если меньше — то наблюдаются какие-то глюки в работе (нестабильность тока и свист дросселя). Так что берите с запасом. Причем, чем больше выходной ток, тем больше запас по напряжению. Хотя, возможно, мне просто попался неудачный экземпляр микросхемы.
Если входное напряжение меньше, чем общее падение на светодиодах, то генерация срывается. При этом выходной полевик полностью открывается и светодиоды светятся (естественно, не на полную мощность, так как напряжения маловато).
Свободу тону!

Другой распространенной проблемой можно назвать неправильное управление тоном звука. По какой-то неведомой причине гитаристы настраивают положение регуляторов усилителя аналогично тому, как они повернуты на гитаре. Выкручивание громкости и тона на максимум на гитаре вместе с максимальными значениями на усилителе не даст желаемого запаса по громкости и не внесет больше ясности и яркости в конечный звук, хоть на первый взгляд это и кажется очевидным.
Вместо использования максимальных значений ручки тона, попробуйте несколько поумерить свой пыл, повернув ручку тона на отметку в 6. Только после этого начинайте эксперименты с настройками самого усилителя. Средние положения регулятора тона дадут больше средних и высоких частот, а также добавят гейна. Можно сказать, что при таком развитии событий у вас в руках оказывается еще одна встроенная педаль буста, так как правильная работа с тоном дает больше контроля над своим звуком.
Уменьшение тона может стать отличным подспорьем в моменты исполнения лид-партий. Чем выше положение ручки, тем больше гейна и буста в районе верха и середины, что в конечном счете может сделать звучание соло по-настоящему ярким. Более низкие положение ручки тона подойдут при игре ритм-партий, особенно если достигнут идеальный баланс между тоном и громкостью.
↑ Суть идеи
Придумал следующее (в интернете аналогов не нашёл, а если и есть то это совпадение): аналоговый сигнал поступает на разделительный конденсатор C1 и операционный усилитель U1 (Рисунок 2), включённый по инвертирующей схеме с коэффициентом усиления 0.3, задаётся резисторами как R3/R2. Необходимость ослаблять сигнал выяснялась после сборки первого экспериментальной образца. Причина будет описана ниже. Далее сигнал подаётся на ключи управляемого микроконтроллером аттенюатора типа «R2R». Затем (Рисунок 3) на не инвертирующий усилитель (вторая половина U1) с коэффициентом усиления примерно 4 (1+ R29/R28) и далее по назначению, например, оконечный усилитель или, как в моем случае, кроссовер для биампинга.

Рисунок 2. Входной буфер

Рисунок 3. Выходной буфер





























