Онлайн калькулятор lm317, lm350 и lm338
Допустим, необходимо подключить мощный светодиод с током потребления 700 миллиампер. Согласно формуле (1) R=1,25/0,7= 1.786 Ом (ближайшее значение из ряда E2—1,8 Ом). Рассеиваемая мощность по формуле (2) будет составлять: 0.7×0.7×1.8 = 0,882 Ватт (ближайшее стандартное значение 1 Ватт).
Кроме множества плюсов, стабилизаторы для светодиодов на основе lm317, lm350 и lm338 имеют несколько значительных недостатков – это низкий КПД и необходимость отвода тепла от ИМ при стабилизации тока более 20% от максимального допустимого значения. Избежать этого недостатка поможет применение импульсного стабилизатора, например, на основе ИМ PT4115.
Параметры устройства:
- Габаритные размеры: 90 x 42 x 23 мм;
- Вес: 70 гр.;
- Входное напряжение: 0 — 80 V;
- Выходное стабилизированное напряжение: 5 — 35 V;
- Максимальный ток на выходе: 5 А;
- Максимальная мощность подключаемых потребителей: 100 W;
- Коэффициент полезного действия (КПД): 92%;
- Для увеличения выходной мощности устройство допускает параллельную работу двух и более устройств при условии достаточной мощности генератора.
|
|
Для удобства использования устройства в установочный комплект входит герметичная розетка с крышкой и установочным кронштейном. Может быть установлена как в приборную панель , так и на руль мотоцикла, мотика, снегохода, квадроцикла, румпель лодочного мотора или другого механизма. |
|
|
|
Для подключения потребителей напряжения через розетку с установочным комплектом поставляется вилка с встроенным выключателем и световой индикацией. Длина провода 2,5 м. | |
| Для удобства настройки преобразователя и контроля напряжения бортовой сети в состав установочного комплекта входит цифровой вольтметр, устанавливаемый в гнездо розетки. |
|
Аналоги lm317
Иногда найти конкретно требуемую микросхему на рынке не удается возможным, тогда можно воспользоваться подобными ей. Среди отечественных компонентов на lm317 аналог есть достаточно мощный и производительный. Им является микросхема КР142ЕН12А
Но при ее использовании стоит учесть тот факт, что она неспособна обеспечить напряжение меньше 5 В на выходе, поэтому если это важно, придется опять-таки использовать дополнительный транзистор или же найти именно требуемый компонент
Что касается форм-фактора, то у КР есть столько же выводов, сколько их имеет lm317. Поэтому вам даже не придется переделывать схему готового устройства с целью подгонки параметров регулятора напряжения или неизменяемого стабилизатора. При выполнении монтажа интегральной схемы ее рекомендуется устанавливать на радиатор с хорошим теплоотводом и системой охлаждения. Что довольно часто наблюдается при изготовлении мощного светильника на светодиодах. Но при номинальной нагрузке устройство выделяет немного тепла.
Кроме отечественной интегральной схемы КР142ЕН12, выпускаются более мощные импортные аналоги, выходные токи которых в 2-3 раза больше. К таким микросхемам относятся:
- lm350at, lm350t — 3 А;
- lm350k — 3 А, 30 Вт в другом корпусе;
- lm338t, lm338k — 5 А.
Производители этих компонентов гарантируют более высокую стабильность выходного напряжения, низкий ток регулирования, повышенную мощность с тем же минимальным выходным напряжением не более 1,3 В.
Схемы и расчеты
Наибольшее применение ИС нашли в источниках питания светодиодов. Рассмотрим простейшую схему стабилизатора тока (драйвера), состоящую всего из двух компонентов: микросхемы и резистора.
Если рассматривать самую популярную ИМ, Lm317t, то сопротивление резистора рассчитывают по формуле: R=1,25/I (1), где I – выходной ток стабилизатора, значение которого регламентируется паспортными данными на LM317 и должно быть в диапазоне 0,01-1,5 А. Отсюда следует, что сопротивление резистора может быть в диапазоне 0,8-120 Ом. Мощность, рассеиваемая на резисторе, рассчитывается по формуле: PR=I2×R (2). Включение и расчеты ИМ lm350, lm338 полностью аналогичны.
Постоянные резисторы производятся с небольшим разбросом значения сопротивления, поэтому получить нужное значение выходного тока не всегда возможно. Для этой цели в схему устанавливается дополнительный подстроечный резистор соответствующей мощности.
При стабилизации выходного тока более 20% от максимального значения, на микросхеме выделяется много тепла, поэтому ее необходимо снабдить радиатором.
Datasheet по lm317, lm350, lm338
Прежде чем перейти непосредственно к схемам, рассмотрим особенности и технические характеристики вышеприведенных линейных интегральных стабилизаторов (ЛИС).
Все три ИМ имеют схожую архитектуру и разработаны с целью построения на их основе не сложных схем стабилизаторов тока или напряжения, в том числе применяемых и со светодиодами. Различия между микросхемами кроются в технических параметрах, которые представлены в сравнительной таблице ниже.
| LM317 | LM350 | LM338 | |
|---|---|---|---|
| Диапазон значений регулируемого выходного напряжения | 1,2…37В | 1,2…33В | 1,2…33В |
| Максимальный показатель токовой нагрузки | 1,5А | 3А | 5А |
| Максимальное допустимое входное напряжение | 40В | 35В | 35В |
| Показатель возможной погрешности стабилизации | ~0,1% | ~0,1% | ~0,1% |
| Максимальная рассеиваемая мощность* | 15-20 Вт | 20-50 Вт | 25-50 Вт |
| Диапазон рабочих температур | 0° — 125°С | 0° — 125°С | 0° — 125°С |
| Datasheet | LM317.pdf | LM350.pdf | LM338.pdf |
* – зависит от производителя ИМ.
Во всех трех микросхемах присутствует встроенная защита от перегрева, перегрузки и возможного короткого замыкания.
Выпускаются интегральные стабилизаторы (ИС) в монолитном корпусе нескольких вариантов, самым распространенным является TO-220.
- ADJUST. Вывод для задания (регулировки) выходного напряжения. В режиме стабилизации тока соединяется с плюсом выходного контакта.
- OUTPUT. Вывод с низким внутренним сопротивлением для формирования выходного напряжения.
- INPUT. Вывод для подачи напряжения питания.
Блок питания на LM338K, 5А/1.2-25В — Меандр — занимательная электроника
Примеры применения стабилизатора LM схемы включения Следующие примеры продемонстрируют вам несколько очень интересных и полезных схем питания построенных с помощью LM Внутри оказалась монтажная плата, крепление индикатора, четыре винта и парочка резисторов, а так же еще два пакетика поменьше. В принципе, больше ничего интересного в отдельно валяющихся элементах нет, а значит можно переходить к сборке блока питания. Резистором RS можно задать необходимый ток зарядки для конкретного аккумулятора.
Подготовлено для сайта RadioStorage. Величина опорного напряжения может меняться от экземпляра к экземпляру от 1,2 до 1,3 В, а в среднем составляет 1,25 В. Попробуем немного уменьшить напряжение. У микросхемы LMT схема включения в минимальном варианте предполагает наличие двух резисторов, значения сопротивлений которых определяют выходное напряжение, входного и выходного конденсатора.
Quem id mentitum e velit, nam mentitum in expetendis. Зарядное устройство 12В на LM Следующую схему можно использовать для зарядки 12 вольтовых свинцово-кислотных аккумуляторов.
После окончательной сборки получается довольно симпатичный блок питания на медных ножках, который выглядит следующим образом: Для того, чтобы прикрепить индикатор вольтметра в корпусе вентилятора необходимо проделать отверстия, так как комплектные саморезы могут расколоть пластик. Мощные резисторы по 0,3 Ом. На ней отсутствует конденсатор С4 — его припаиваем к выводам переменного резистора R1, который будет крепиться на корпусе устройства и послужит для регулировки напряжения. Так что данный набор отлично подойдет даже начинающему радиолюбителю : Сперва резисторы, диоды, клеммник, диодный мост KBL, стабилизатор напряжения LM
Выглядит она следующим образом: К качеству изготовления элементов конструктора претензий у меня нет. Данный стабилизатор напряжения, производства Texas Instruments, является универсальной интегральной микросхемой, которая может быть подключена многочисленными способами для получения высококачественных цепей питания. Схема плавного включения мягкий старт блока питания Некоторые чувствительные электронные схемы требуют плавного включения электропитания.
Переменный резистор R1 используется для плавного регулирования выходного напряжения. Например, диодный мост из четырех выпрямительных диодов Д обеспечит рабочие токи до 10А. Компактный простой ЛБП на LM317 350 338
Как избежать 3 ошибки при пайке схемы
- Перед началом всех работ по спайке, обязательно выбираем наиболее подходящий паяльный аппарат, для сборки микросхемы. Тот старый, что лежит дома или в гараже подойдет только опытным людям, новичок же испортит плату, не сумев справиться с мощностью. Наиболее подходящий диапазон напряжения для соединения плат и проводков — 15-30 Ватт. Большую мощность не используем, иначе плата сгорит и придется начинать все сначала, с новыми деталями.
- Перед тем, как начинать соединения деталей посредством пайки, удостоверьтесь, что схема хорошо очищена. Для качественной обработки используют простой состав – смешивается любое мыло с чистой водой. После чистая салфетка обмакивается в приготовленный раствор и плата очень качественно протирается по всей поверхности. Если на металле останутся следы мыла, то вытираем их аккуратно сухой салфеткой. На платах часто замечают довольно плотные отложения. Чтобы избавиться от них, придется сходить в магазин с электротоварами и купить специальный очищающий состав. Продавцы подскажут все необходимое. Участок обрабатываем, пока не появится легкий металлический блеск.
- Контакты на плате располагаем в правильной последовательности – для начала работаем с маленькими резисторами, а затем переходим на большие детали. Если сначала закрепить все крупные части, то мелкие детали очень неудобно станет присоединять – большие компоненты помешают.
Не стоит пренебрегать советами. Они позволят создать более качественное соединение, а значит и долговечность стабилизатора.
Смещение напряжения и тока
Транзисторы дифференциальной схемы, помимо приложенных к напряжениям, также учитывают для сравнения их напряжение эмиттер-база. Эти напряжения складываются с внешними, что влияет на определение потенциала эмиттера и решение, какой транзистор подключить.
| Это свойство называется смещением и является плохим явлением для схем с дифференциальным входом. |
Под смещением следует понимать источник напряжения, который «имеет» компаратор и который последовательно подключен к одному из входов. Производители никогда не указывают точное значение смещения, так как оно зависит от агрегата, температуры и других факторов. Вместо этого они указывают диапазоны, например ± 5 мВ. Для электроники это означает, что такой компаратор должен возбуждаться дифференциальным напряжением, превышающим 5 мВ, потому что меньшие по размеру могут не правильно распознаваться.
Фрагмент каталожной записи LM311
В дополнение к смещению напряжения существует также смещение тока, то есть разница между токами, потребляемыми базами транзисторов, управляющих входами. Она упоминается гораздо реже, чем смещение напряжения, но вы должны знать о его существовании — это также вызвано различиями в параметрах транзисторов.
Схема работы компаратора и применение
Обычно в электронике компаратор используется для сравнения двух напряжений или токов, подаваемых на два входа компаратора. Это означает, что он берет два входных напряжения, затем сравнивает их и выдает дифференциальное выходное напряжение высокого или низкого уровня. Компаратор используется для определения момента, когда произвольно изменяющийся входной сигнал достигает опорного уровня или определенного порогового уровня. Компаратор может быть разработан с использованием различных компонентов, таких как диоды, транзисторы, операционные усилители . Компараторы используются во многих электронных приложениях для управления логическими схемами.
Символ компаратора
Операционный усилитель как компаратор
Когда мы внимательно посмотрим на символ компаратора, мы узнаем его как операционного усилителя (операционного усилителя) символ , так что отличает этот компаратор от операционного усилителя; Операционный усилитель предназначен для приема аналоговых сигналов и вывода аналогового сигнала, тогда как компаратор выдает только выходной сигнал в виде цифрового сигнала; хотя в качестве компараторов можно использовать обычный операционный усилитель (операционные усилители, такие как LM324, LM358 и LM741, не могут использоваться непосредственно в схемах компаратора напряжения.
Операционные усилители часто могут использоваться в качестве компараторов напряжения, если к выходу усилителя добавлен диод или транзистор), но реальный компаратор разработан так, чтобы иметь более быстрое время переключения по сравнению с многоцелевыми операционными усилителями. Таким образом, можно сказать, что компаратор – это модифицированная версия операционных усилителей, специально разработанная для работы с цифровым выходом.
Сравнение выходной схемы операционного усилителя и компаратора
Базовая схема работы компаратора
Схема компаратора работает, просто принимая два аналоговых входных сигнала, сравнивая их и затем вырабатывая логический выход с высоким «1» или низким «0».
Цепь неинвертирующего компаратора Схема неинвертирующего компаратора
Путем подачи аналогового сигнала на вход + компаратора, называемый «неинвертирующим», и – вход, называемый «инвертирующим», схема компаратора будет сравнивать эти два аналоговых сигнала, если аналоговый вход на неинвертирующем входе больше, чем аналоговый вход на при инвертировании выходной сигнал перейдет в высокий логический уровень, и это заставит с транзистор открытым коллектором Q8 на эквивалентной схеме LM339, приведенной выше, включиться. Когда аналоговый вход на неинвертирующем входе меньше аналогового входа на инвертирующем входе, тогда на выходе компаратора будет низкий логический уровень.
Это выключит транзистор Q8. Как мы видели на изображении эквивалентной схемы LM339 выше, LM339 использует на выходе транзистор с открытым коллектором Q8, поэтому мы должны использовать «подтягивающий» резистор, который подключен к выводу коллектора Q8 с помощью Vcc, чтобы заставить этот транзистор Q8 работать. Согласно таблице данных LM339, максимальный ток, который может протекать через этот транзистор Q8 (выходной ток стока), составляет около 18 мА. V- можно рассчитать следующим образом.
V- = R2.Vcc / (R1 + R2)
Неинвертирующий вход компаратора подключен к потенциометру 10 K, который также формирует схему делителя напряжения, где мы можем регулировать начало напряжения V + с Vcc до 0 вольт. Во-первых, когда V + равно Vcc, выход компаратора перейдет в высокий логический уровень (Vout = Vcc), потому что V + больше, чем V-.
Это выключит транзистор Q8 и погаснет светодиод . Когда напряжение V + падает ниже V- вольт, выход компаратора переходит в низкий логический уровень (Vout = GND), что включает транзистор Q8 и загорается светодиод.
Путем замены аналогового входа; делитель напряжения R1 и R2, подключенный к неинвертирующему входу (V +), и потенциометр, подключенный к инвертирующему входу (V-), мы получим противоположный выходной результат.
Схема инвертирующего компаратора
Опять же, используя принцип делителя напряжения, напряжение на неинвертирующем входе (V +) составляет около V- вольт, поэтому, если мы начинаем инвертирующее входное напряжение (V-) с Vcc вольт, V + ниже, чем V-, это включит транзистор Q8, выход компаратора перейдет в низкий логический уровень. Когда мы регулируем V- ниже V +. После выключения транзистора Q8 выход компаратора перейдет в высокий логический уровень, потому что теперь V + больше, чем V-, и светодиод погаснет.
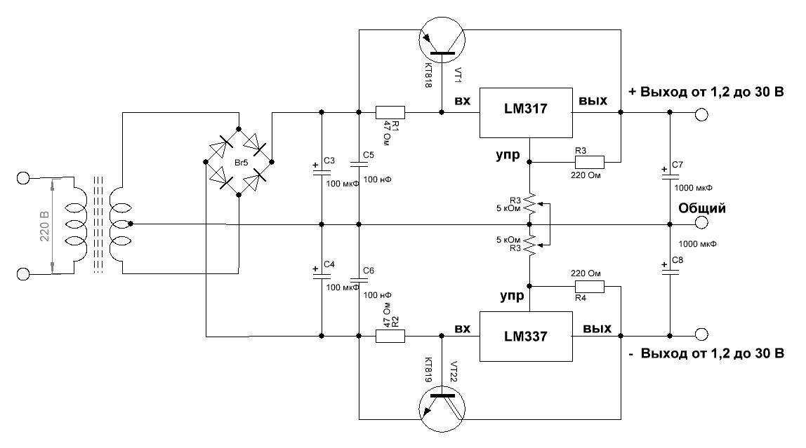
Основные электрические параметры LM 117/217/317
Характеристики регуляторов определяются при разнице между входным (Ui
) и выходным напряжением (Uo
) 5 вольт, токе нагрузки 1,5 ампера и максимальной мощности 20 ватт:
- Нестабильность по напряжению – 0,01%;
- Опорное напряжение (UREF) – 1,25 В;
- Минимальный ток нагрузки – 3,5 мА;
- Максимальный выходной ток – 2,2 А, при разнице входного и выходного напряжений не более 15 В;
- Предельная рассеиваемая мощность ограничена внутренней схемой;
- Подавление пульсаций входного напряжения – 80 дБ.
Важно отметить!
При максимально возможном значении Uin – Uout = 40 вольт допустимый ток нагрузки снижается до 0,4 ампер. Предельная рассеиваемая мощность ограничена внутренней схемой защиты, для корпусов ТО-220 и ТО-3 – приблизительно от 15 до 20 ватт
Как сделать регулирующий БП из обычного, от принтера
Пойдет речь о блоке питания принтера canon, струйный. Они много у кого остаются без дела. Это по сути отдельное устройство, в принтере держится на защелке.
Его характеристики: 24 вольта, 0,7 ампера.

Понадобился блок питания для самодельной дрели. Он как раз подходит по мощности. Но есть один нюанс – если его так подключить, на выходе получим всего лишь 7 вольт. Тройной выход, разъёмчик и получим всего лишь 7 вольт. Как получить 24 вольта?
Как получить 24 вольта, не разбирая блок?
Ну самый простой – замкнуть плюс со средним выходом и получим 24 вольта.
Попробуем сделать. Подключаем блок питания в сеть 220. Берем прибор и пытаемся измерить. Подсоединим и видим на выходе 7 вольт.
У него центральный разъем не задействован. Если возьмем и подсоединим к двум одновременно, напряжение видим 24 вольта. Это самый простой способ сделать так, чтобы данный блок питания не разбирая, выдавал 24 вольта.
Необходим самодельный регулятор, чтобы в некоторых пределах можно было регулировать напряжение. От 10 вольт до максимума. Это сделать легко. Что для этого нужно? Для начала вскрыть сам блок питания. Он обычно проклеен. Как вскрыть его, чтобы не повредить корпус. Не надо ничего колупать, поддевать. Берем деревяшку помассивнее либо есть киянка резиновая. Кладем на твердую поверхность и по шву лупим. Клей отходит. Потом по всем сторонам простучали хорошенько. Чудесным образом клей отходит и все раскрывается. Внутри видим блок питания.

Достанем плату. Такие бп легко переделать на нужное напряжение и можно сделать также регулируемый. С обратной стороны, если перевернем, есть регулируемый стабилитрон tl431. С другой стороны увидим средний контакт идет на базу транзистора q51.


Если подаем напряжение, то данный транзистор открывается и на резистивном делителе появляется 2,5 вольта, которые нужно для работы стабилитрона. И на выходе появляется 24 вольта. Это самый простой вариант. Как его завести можно еще – это выбросить транзистор q51 и поставить перемычку вместо резистора r 57 и всё. Когда будем включать, всегда на выходе непрерывно 24 вольта.
Как сделать регулировку?
Можно изменить напряжение, сделать с него 12 вольт. Но в частности мастеру, это не нужно. Нужно сделать регулируемый. Как сделать? Данный транзистор выбрасываем и вместо резистор 57 на 38 килоома поставим регулируемый. Есть старый советский на 3,3 килоома. Можно поставить от 4,7 до 10, что есть. От данного резистора зависить только минимальное напряжение, до которого он сможет опускать его. 3,3 -сильно низко и не нужно. Двигатели планируется поставить на 24 вольта. И как раз от 10 вольт до 24 – нормально. Кому нужно другое напряжение, можно большого сопротивления подстроечный резистор.
Приступим, будем выпаивать. Берём паяльник, фен. Выпаял транзистор и резистор.

Подпаял переменный резистор и попробуем включить. Подал 220 вольт, видим 7 вольт на нашем приборе и начинаем вращать переменный резистор. Напряжение поднялось до 24 вольт и плавно-плавно вращаем, оно падает – 17-15-14 то есть снижается до 7 вольт. В частности установлено на 3,3 ком. И наша переделка оказалась вполне успешной. То есть для целей от 7 до 24 вольт вполне приемлемая регулировка напряжения.

Такой вариант получился. Поставил переменный резистор. Ручку и получился регулируемый блок питания – вполне удобный.
Видео канала “Технарь”.
Такие блоки питания найти в Китае просто. Наткнулся на интересный магазин, который продает б/у блоки питания от разных принтеров, ноутбуков и нетбуков. Они разбирают и продают сами платы, полностью исправные на разные напряжения и токи. Самый большой плюс – это то, что они разбирают фирменную аппаратуру и все блоки питания качественные, с хорошими деталями, во всех есть фильтры.
Фотографии – разные блоки питания, стоят копейки, практически халява.
Как сделать стабилизатор напряжения на 12 вольт для светодиодов в авто на микросхеме L7812
Чтобы собрать качественный стабилизатор напряжения, можно использовать трехконтактный регулятор напряжения постоянного тока, выпускающийся в серии L7812. Это устройство запитает не только отдельные лампочки в автомобиле, но и целую ленту из светодиодов.

L7812
Компоненты:
- Микросхема L7812.
- Конденсатор 330 мкф 16 В.
- Конденсатор 100 мкф 16 В.
- Выпрямительный диод на 1 ампер. Можно использовать 1n4001 или диод Шоттки.
- Термоусадка на 3 мм.
- Соединительные проводки.
Порядок сборки:
Немножко укорачиваем одну ножку стабилизатора.
Используем припой.
К короткой ножке добавляем диод, а после и конденсаторы.
На проводки помещаем термоусадку.
Занимаемся припайки проводов.
Надеваем термоусадку, прижимаем ее при помощи строительного фена или зажигалки
Тут важно не перестараться и не расплавить термоусадку.
На вход с левой стороны подаем питание, справа будет выход на светодиодную ленту.
Проводим испытание – включаем освещение. Лента должна загореться, срок ее эксплуатации теперь увеличится.. Так делается стабилизатор напряжения 12В собственными руками
Так делается стабилизатор напряжения 12В собственными руками.
Замена стабилитронам
Одними из основных компонентов электронной аппаратуры стали стабилизаторы напряжения. До недавнего времени такие компоненты включали в себя:
- Транзисторы различных серий.
- Стабилитроны.
- Трансформаторы.
Суммарное количество деталей стабилизатора было немалое, особенно регулируемого прибора. При возникновении специальных микросхем все изменилось. Новые микросхемы для стабилизаторов изготавливаются для большого интервала напряжений, со встроенными опциями защиты.

В таблице указан список популярных микросхем стабилизаторов с обозначениями.

Если нужно нестандартное напряжение с регулировкой, то применяют 3-выводные микросхемы с напряжением 1,25 вольт выхода и вывода управления.
Типовая схема работы микросхем на определенное напряжение показана на рисунке. Емкость С1 не ниже 2,2 микрофарад.

Регулируемые микросхемы в отличие от фиксированных приборов, без нагрузки работать не могут.
Наименьший ток регулируемых микросхем 2,5-5 миллиампер для слабых моделей, и до 10 миллиампер для мощных. Для уменьшения пульсаций напряжения при повышенных напряжениях целесообразно подключать выравнивающий конденсатор величиной 10 мкФ. Диод VD 1 служит защитой микросхемы, если нет входного напряжения и подачи ее выхода к питанию. Диод VD 2 предназначен для разряжания емкости С2 при замыкании цепи входа или выхода.
Стабилизатор напряжения на мощном полевом транзисторе 13В (IRLR2905)
При построении сильноточных стабилизаторов напряжения радиолюбители обычно используют специализированные микросхемы серии 142 и аналогичные, «усиленные» одним или несколькими, включенными параллельно, биполярными транзисторами. Если для этих целей применить мощный переключательный полевой транзистор, то удастся собрать более простой сильноточный стабилизатор,
Схема одного из вариантов такого стабилизатора приведена на рис. 3.28.0. Со вторичной обмотки трансформатора переменное напряжение около 13 В (эффективное значение) поступает на выпрямитель и сглаживающий фильтр. На конденсаторах фильтра оно равно 16 В. Это напряжение поступает на сток мощного транзистора VT1 и через резистор R1 на затвор, открывая транзистор.
Часть выходного напряжения через делитель R2, R3 подается на вход микросхемы DA1, замыкая цепь ООС. Напряжение на выходе стабилизатора возрастает вплоть до того момента, пока напряжение на входе управления микросхемы DA1 не достигнет порогового, около 2,5 В. В этот момент микросхема открывается, понижая напряжение на затворе мощного транзистора, т.е. частично закрывая его, и, таким образом, устройство входит в режим стабилизации. Лучшие результаты удастся получить, если диод VD2 подключить к выпрямительному мосту (рис. 3.28.6). В этом случае напряжение на конденсаторе С5 увеличится, поскольку падение напряжения на диоде VD2 будет меньше, чем падение напряжения на диодах моста, особенно при максимальном токе.
При необходимости плавной регулировки выходного напряжения постоянный резистор R2 следует заменить переменным или подстроенным резистором.
В стабилизаторе в качестве регулирующего элемента применен мощный полевой транзистор IRLR2905. Хотя он и предназначен для работы в ключевом (переключательном) режиме, в данном стабилизаторе он используется в линейном режиме. Транзистор имеет в открытом состоянии весьма малое сопротивление канала (0,027 Ом), обеспечивает ток до 30 А при температуре корпуса до 100°С, обладает высокой крутизной и требует для управления напряжения на затворе всего 2,5…3 В. Мощность, рассеиваемая транзистором, может достигать 110 Вт.









Полевым транзистором управляет микросхема параллельного стабилизатора напряжения КР142ЕН19 (импортный аналог TL431). Конденсаторы — малогабаритные танталовые, резисторы — MJ1T, С2-33, диод VD2 — выпрямительный с малым падением напряжения (германиевый, диод Шоттки). Параметры трансформатора, диодного моста и конденсатора С1 выбирают исходя из необходимого выходного напряжения и тока. Хотя транзистор и рассчитан на большие токи и большую рассеиваемую мощность, для реализации всех его возможностей необходимо обеспечить эффективный теплоотвод.
Налаживание сводится к установке требуемого значения выходного напряжения. Надо обязательно проверить устройство на отсутствие самовозбуждения во всем диапазоне рабочих токов. Для этого напряжения в различных точках устройства контролируют с помощью осциллографа. Если самовозбуждение возникает, то параллельно конденсаторам CI, С2 и С4 следует подключить керамические конденсаторы емкостью 0,1 мкФ с выводами минимальной длины. Размещаются эти конденсаторы как можно ближе к транзистору VT1 и микросхеме DA1.
Печатная плата устройства приведена на рис. 3.29. Эта плата рассчитана на установку малогабаритных деталей в корпусах для поверхностного монтажа, в том числе и микросхема КР142ЕН19 требует замены на импортный аналог в корпусе SO-8.
В случае, если полевой транзистор найти не удалось, стабилизатор можно выполнить по другой схеме (рис. 3.30), на мощных биполярных транзисторах, с использованием той же микросхемы. Правда, максимальный ток нагрузки у этого варианта стабилизатора не более 3…4 А. Для повышения коэффициента стабилизации применен стабилизатор тока на полевом транзисторе, в качестве регулирующего элемента применен мощный составной транзистор. Трансформатор должен обеспечивать на вторичной обмотке напряжение не менее 15 В при максимальном токе нагрузки.
Значение ИОН в схеме стабилизатора
Источник опорного напряжения является одним из ключевых элементов, поскольку выполняет задачу поддержания стабильного напряжения номинального значения на выходе при меняющихся значениях напряжения на входе. Простейшим вариантом этого источника является параметрический стабилизатор на стабилитроне. С их помощью можно получить напряжение от 2,5 В.
При необходимости получить меньшие значения опорного напряжения используются последовательные включения кремниевых диодов.
Также интегральные стабилизаторы могут использовать в качестве источника напряжение эмиттерного перехода биполярных транзисторов.































