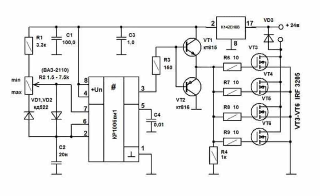
Схема контроллера электровелосипеда
Внутри корпуса контроллера находится плата с конденсаторами, транзисторами, токоизмерительными шунтами и управляющим микропроцессором. Также там располагаются преобразователи на 12В и 5В, которые обеспечивают подачу питания на микроконтроллер и периферию (ручки, датчик Холла).
Найти схемы отдельных моделей можно в интернете. Они подразделяются на электрические и принципиальные. Разобраться с обозначениями и расположением элементов сможет только человек с соответствующими знаниями.
При подключении устройства к электровелосипеду следует учитывать распиновку контроллера. Если мотор-колесо и управляющий агрегат приобретались в комплекте, то разъемы будут совпадать и проблем не возникнет. В противном случае необходимо установить соответствие цвета провода тому или иному компоненту байка.
Обычно красный и черный провод подаются на «+» и «-» аккумулятора соответственно. Толстые кабеля синего, зеленого и желтого цвета соединяются с трехфазным электродвигателем. Тонкие пять проводков идут к МК. Отдельно выделенный красный провод используется для «зажигания» – при его замыкании с плюсом аккумулятора происходит включение контроллера. Группа из черного, красного и зеленого цвета соответствует ручке акселератора. Для остальных проводов четкой схемы нет – все зависит от конкретной модели.
Режимы управления
Существуют три основных режима работы сервопривода переменного тока.
Режим управления положением.
Главное в этом режиме – контроль за углом поворота вала ротора. Управление производится последовательностью импульсов, которые могут приходить, например, с контроллера. Этот режим используется для точного позиционирования различных узлов технологического оборудования.
Комбинация импульсов для управления положением может передавать информацию не только по положению, но также по скорости и направлению вращения двигателя. Для этого могут использоваться три типа сигналов: 1) квадратурные импульсы (со сдвигом фаз на 90 градусов), 2) импульсы вращения по или против часовой стрелки, действующие поочередно и 3) импульсы скорости и потенциал направления, подающиеся на два входа.
Как правило, во всех сервоусилителях входы управления именуются как PULSE, SIGN.
Режим управления скоростью.
В данном случае управление производится аналоговым сигналом. Значения скорости также могут переключаться на фиксированные величины подачей сигналов на соответствующие дискретные входы. В случае использования разнополярного аналогового управляющего сигнала возможна смена направления вращения серводвигателя.
Режим управления скоростью схож с работой асинхронного двигателя, управляемого преобразователем частоты. Задаются такие параметры, как время разгона и замедления, максимальная и минимальная скорости и другие.
Режим управления моментом.
В этом режиме двигатель может вращаться либо стоять на месте, но при этом момент на валу будет заданным. Управление может производиться дискретным либо аналоговым двухполярным сигналом. Этот режим может использоваться для машин, где необходимо менять усилие прижима, давление и т. п.
Оценка текущего момента двигателя, необходимого для управления, производится за счет встроенного датчика тока.
Магнитные элементы
Расположение магнитов может быть различным в соответствии с размерами двигателя, к примеру, на полюсах или по всему ротору. Создание качественных магнитов с большей мощностью возможно благодаря использованию неодима в сочетании с бором и железом. Несмотря на высокие показатели эксплуатации, бесщеточный двигатель для шуруповертас постоянными магнитами обладает некоторыми недостатками, в их числе утрата магнитных характеристик при высоких температурах. Но они отличаются большей эффективностью и отсутствием потерь по сравнению с машинами, в конструкции которых имеются обмотки.
Импульсы инвертора определяют механизма. При неизменной питающей частоте работа двигателя осуществляется с постоянной скоростью в разомкнутой системе. Соответственно, скорость вращения меняется в зависимости от уровня питающей частоты.
Классификация МПТ по способу питания обмоток индуктора и якоря
По данному признаку МПТ делятся на 4 вида.
С независимым возбуждением
Обмотки индуктора и якоря не имеют электрического соединения. У генераторов этого типа обмотку возбуждения питает сеть постоянного тока, аккумулятор или специально предназначенный для этого генератор — возбудитель. Мощность последнего — несколько сотых мощности основного генератора.
Область применения генераторов с независимым возбуждением:
- системы значительной мощности, где напряжение на обмотке возбуждения существенно отличается от генерируемого;
- системы регулирования скорости вращения двигателей, запитанных от генераторов.
У двигателей с независимым возбуждением запитана и якорная обмотка. В основном это также агрегаты большой мощности.
Независимость обмотки индуктора позволяет удобнее и экономичнее регулировать ток возбуждения. Еще одна особенность таких моторов — постоянство магнитного потока возбуждения при любой нагрузке на валу.
С параллельным возбуждением
Обмотки индуктора и якоря соединены в одну цепь параллельно друг другу. Генераторы этого типа обычно применяются для средних мощностей. При параллельном соединении генерируемое устройством напряжение подается на обмотку возбуждения. При соединении в одну цепь обмоток индуктора и якоря говорят о генераторе с самовозбуждением.
По своим характеристикам они идентичны моторам с независимым возбуждением и обладают следующими особенностями:
- при изменении нагрузки частота вращения практически не трансформируется: замедление составляет не более 8% при переводе от холостого хода к номинальной нагрузке;
- можно с минимальными потерями регулировать частоту вращения, причем в широких пределах — 2-кратно, а у специально сконструированных моторов и 6-кратно.
Индуктор вращающегося двигателя с параллельным возбуждением нельзя отсоединять от цепи якоря, даже если он уже отключен. Это приведет к наведению значительной ЭДС в обмотке возбуждения с последующим выходом мотора из строя. Находящийся рядом персонал может получить травму.
С последовательным возбуждением
Обмотки соединены в цепь последовательно друг другу. Через обмотку возбуждения течет ток якоря. Генераторы этого типа почти не применяются, поскольку процесс самовозбуждения происходит достаточно бурно и устройство не способно обеспечить необходимое большинству потребителей постоянство напряжения. Их используют только в специальных установках.

Схема последовательного возбуждения
Двигатели этого типа широко применяют в качестве тяговых (электровозы, троллейбусы, краны и пр.): по сравнению с аналогами параллельного возбуждения, при нагрузке они дают более высокий момент с одновременным уменьшением скорости вращения. Пусковой момент также высок.
Запуск двигателя с нагрузкой ниже 25% номинальной, а тем более на холостом ходу, недопустим: частота вращения окажется чересчур высокой, и агрегат выйдет из строя.
С параллельно-последовательным (смешанным) возбуждением
Существует два вида схемы:
- основная обмотка индуктора включена параллельно с якорной, вспомогательная — последовательно;
- основная обмотка индуктора включена последовательно с якорной, вспомогательная — параллельно.

Схемы систем возбуждения МПТ
Подключение параллельной обмотки до последовательной называют «коротким шунтом», за последовательной — «длинным шунтом». Генераторы этого типа применяются крайне редко.
Двигатели сочетают в себе достоинства аналогов с параллельным и последовательным возбуждением: способны работать на холостом ходу и при этом развивают значительное тяговое усилие. Но и они сегодня почти не применяются.
Режимы управления частотными преобразователями
В большинстве моделей современных частотных преобразователей реализована возможность управления в нескольких режимах:
1) Ручное управление.
Пуск и остановка электродвигателя осуществляются с панели или пульта управления частотника. При этом преобразователь осуществляет регулировку частоты вращения и остановку при возникновении аварийных ситуаций автоматически.
2) Внешнее управление.
ЧП с поддержкой интерфейсов передачи данных можно подключать к удаленному ПК для контроля текущих параметров и задания режимов работы привода.
3) Управление по дискретным входам или “сухим контактам”.
4) Управление по событиям.
Некоторые модели ЧП позволяют запрограммировать время пуска или остановки, работу двигателя в другом режиме. Преобразователи такого типа применяют для полностью или частично автоматизированного технологического оборудования.
Преимущества частотных преобразователей.
Основные преимущества использования частотных преобразователей:
1) Экономия электроэнергии.
Применение ЧП позволяет снизить пусковые токи и регулировать потребляемую мощность двигателя в зависимости от фактической нагрузки.
2) Увеличение срока службы промышленного оборудования.
Плавный пуск и регулировка скорости вращения момента на валу позволяют увеличить межремонтный интервал и продлить срок эксплуатации электродвигателей.
Возможность отказаться от редукторов, дросселирующих задвижек, электромагнитных тормозов и другой регулирующей аппаратуры. снижающей надежность и увеличивающей энергопотребление оборудования.
3) Отсутствие необходимости проводить техническое обслуживание.
4) Возможность удаленного управления и контроля параметров оборудования с электроприводом.
5) Широкий диапазон мощности двигателей.
Частотные преобразователи устанавливают как на однофазные конденсаторные двигатели мощностью менее 1 кВт, так и на синхронные электромашины мощностью в десятки МВт.
6) Защита электродвигателя от аварий и аномальных режимов работы.
ЧП комплектуют защитой от перегрузок, коротких замыканий, пропадания фаз. Преобразователи также обеспечивают перезапуск при возобновлении подачи электроэнергии после ее отключения.
Возможность бесступенчатой точной регулировки частоты вращения без потерь мощности, что невозможно при использовании редукторов.
7) Снижение уровня шума работающего двигателя.
Возможность замены двигателей постоянного тока асинхронными электрическими машинами с частотными регуляторами. Для оборудования, требующего регулировки момента и скорости вращения, часто используются двигатели постоянного тока, скорость вращения которых пропорциональна поданному напряжению. Такие электрические машины стоят дороже асинхронных и требуют дорогостоящих промышленных выпрямителей. Замена двигателей постоянного тока на асинхронные электромашины с частотным управлением дает хороший экономический эффект.
Сферы применения
Частотно-регулируемые приводы применяют:
- Для кранов и грузоподъемных машин. Крановые двигатели работают в режиме частых пусков, остановок, изменяющейся нагрузки. ЧП обеспечивают отсутствие рывков и раскачивания груза при пусках и остановках, остановку крана точно в требуемом месте, снижают нагрев электродвигателей и максимальный пусковой момент.
- Для привода нагнетательных вентиляторов в котельных и дымососов. Общее управление с плавной регулировкой дутьевых и вытяжных вентиляторов позволяет автоматизировать процесс горения и обеспечить максимальный к.п.д . котельных агрегатов.
- Для транспортеров, прокатных станов, конвейеров, лифтов. ЧП регулирует скорость перемещения транспортного оборудования без рывков и ударов, что увеличивает срок службы механических узлов.Для насосных агрегатов. ЧП позволяют обойтись без задвижек и вентилей, регулирующих давление и производительность, и существенно увеличить общий к.п.д системы водоподачи.
- Для электродвигателей станков. Использование преобразователя частоты вместо коробки передач позволяет плавно увеличивать или уменьшать частоту вращения рабочего органа станка, осуществлять реверс. ЧП широко используются для станков с ЧПУ и высокоточного промышленного оборудования.
Внедрение частотно-регулируемых приводов дает значительный экономический эффект. Снижение затрат достигается за счет сокращения потребления электроэнергии, расходов на ремонт и ТО двигателей и оборудования, возможности использования более дешевых асинхронных электродвигателей с короткозамкнутым ротором, а также сокращения других производственных издержек. Средний срок окупаемости частотных преобразователей составляет от 3-х месяцев до трех лет.
Разновидности контроллеров управления
По принципу взаимодействия с электромотором
Для использования с датчиками Холла
Совместимы с мотор-колесами, оснащенными датчиками Холла.
Для работы без датчиков
Совместимы с моторами без датчиков, определяют позицию роторов по противо-ЭДС.
Могут работать и с датчиками положения, и без них.
По виду выходного сигнала
Создающие сигналы прямоугольного вида (меандр)
Цена таких моделей – ниже. При их использовании обеспечивается увеличенная скорость, но из-за вибрации обмоток двигатель шумит сильнее.
Создающие чистые синусоидальные сигналы.
Дороже. Обеспечивают тихую работу мотора и небольшое снижение максимальной скорости – по сравнению с меандровым контроллером при том же напряжении АКБ.
Сознающие сигналы в виде «модифицированной синусоиды» или сглаженного меандра.
По принципу реагирования на сигналы ручки газа
Обеспечивающие управление скоростью, мощностью или крутящим моментом.


Виды электродвигателей: какой лучше
Описаны только основные виды электродвигателей и даны краткие характеристики, очень сжато описано устройство и принцип работы. Тем не менее, уже можно сделать выводы о том, что идеального решения, причём для всех случаев, просто нет. Есть наиболее подходящее для каждого конкретного случая.
- Асинхронный электродвигатель без частотного регулирования – лучший выбор для насосов.
- Коллекторный двигатель с его регулируемыми скоростями вне конкуренции для дрелей и пылесосов. И то, в последнее время стали делать с вентильными, они без щеток, что делает работу тише, срок службы дольше, хотя цену выше. Так что, тут, как посмотреть.
Выбирать вид электродвигателя надо под каждый конкретный случай
- Для вентиляторов с длительным режимом работы выбирать приходится между асинхронных и вентильных. Но только если они не слишком мощные. Для мощных важным является возможность разделения на секции, а это проще реализовать у вентильных. И даже на кулерах стали в последнее время использовать вентильные с магнитным ротором.
В общем, чтобы ответить какой лучше, надо рассматривать совокупность условий и характеристик работы
Принимать во внимание достоинства и недостатки, перебирать все виды электродвигателей и только так можно найти оптимальный
Режимы работы эл. двигателей
Используя уже известный нам график для характеристик, но расширив его на четыре квадранта, можно оценить существующие режимы работы оборудования.
Нумерация квадрантов происходит против часовой стрелки, начиная с правого верхнего, в котором координаты по обеим осям идут со знаком «+». Как видно из графика, в первом и третьем квадрантах наблюдается двигательный режим, для которого мощность Р = М·ω >, 0. В двух других квадрантах реализуется режим генератора или тормозной, имеющий отрицательное значение мощности.
https://youtube.com/watch?v=5F4lQ-03D1Y
Как видим, график образует несколько характерных точек и зон, ответственных за отдельные режимы:
- Холостой ход. Образуется в точке ωо. В этом случае ток и момент равны нулю, а сам эл. двигатель не получает энергии,
- Генератор при параллельном подключении. Называется еще тормозным с рекуперацией в сеть. Реализуется при ω >, ωо и E >, U. Эл. двигатель получает механическую энергию от работающего оборудования, а в сеть взамен отдается электрическая (генератор тока),
- Короткое замыкание. В этом случае ω = 0 и Е = 0. Механическая энергия от вращения вала не отдается, а электрическая превращается в тепловую,
- Генератор при последовательном соединении. Этот режим еще называется торможением с противовключением. При этом ω <, 0, а ток и ЭДС имеют одинаковое направление. Выработка электричества происходит за счет вращения оборудования, совмещенного с валом ротора,
- Автономный генератор. Режим динамического торможения предполагает выработку электричества за счет одной лишь механической энергии вращения вала от привода, без участия сети.
Технические и энергетические параметры функционирования двигателей постоянного тока позволяют с большой эффективностью использовать их в разных сферах, от машиностроения до легкой промышленности и даже игрушек. Они могут действовать в чисто двигательном или режиме генератора (тормозном), используя различные коэффициенты.
Принципиальные схемы ДПТ
Двигатель переменного тока подключается просто, в отличие от ДПТ. Обычно у таких двигателей высокой и средней мощности имеются отдельные выводы в клеммной коробке (от обмотки и якоря). На якорь обычно подается полное напряжение, а на обмотку — ток, регулировать который можно реостатом или напряжением переменным. От величины тока, имеющегося на обмотке возбуждения, прямопропорционально зависят обороты двигателя переменного тока.
В зависимости от того, какая используется схема подключения электродвигателя постоянного тока, двигатель электрический может быть постоянного тока, разделяют на самовозбуждающиеся и с независимым возбуждением (от отдельного источника).
АРДУИНО УПРАВЛЕНИЕ ДВИГАТЕЛЕМ | ПРОГРАММА (СКЕТЧ)
TestRun.ino
TB6612FNG H-Bridge Motor Driver Example code
Michelle @ SparkFun Electronics
8/20/16
https://github.com/sparkfun/SparkFun_TB6612FNG_Arduino_Library
Программа предназначена для управления 2 моторами, чтобы показать примеры функций в библиотеке. Ваш
робот, по заданной программе, выполнит каждое движение в прямом и противоположное направлении,
поэтому, если ваши моторы сбалансированы, робот должен оказаться в том же месте, где и
начинал движение.
Resources:
TB6612 SparkFun Library
Development environment specifics:
Developed on Arduino 1.6.4
Developed with ROB-9457
******************************************************************************/
// Подключаем библиотеку SparkFun_TB6612.h которая содержит class Motor и все
// функции для этого класса
#include
// #define DEFAULTSPEED 255
// Определяем контакты для всех входов/выходов,(не забудьте сравнить номера контактов на схеме и в программе они различаются)
// Самое главное, чтобы входы PWMA PWMB на микросхеме TB6612FNG были соединены с выходами ШИМ на стороне Arduino,
// обычно кроме номера имеют тильду «~» в своем обозначении. Эти выводы управляют скоростью вращения моторами.
#define AIN1 2
#define BIN1 7
#define AIN2 4
#define BIN2 8
#define PWMA 5
#define PWMB 6
#define STBY 9
// Если, после сборки Вашего робота, моторы вращаются не в том направлении, например при выполнении функции forward, чтобы не перепаивать
// провода на моторах, проще изменить значения этих констант. Значение констант могут быть 1 или -1.
const int offsetA = 1;
const int offsetB = 1;
// Инициализация моторов. Создаём ОБЪЕКТЫ motor1 и motor2 КЛАССА Motor, прописанного в библиотеке SparkFun_TB6612.h
Motor motor1 = Motor(AIN1, AIN2, PWMA, offsetA, STBY);
Motor motor2 = Motor(BIN1, BIN2, PWMB, offsetB, STBY);
void setup()
{
//Здесь ничего
}
void loop()
{
// К объекту motor1 применим метод drive() с аргументами: скорости от -225 до 225
// и продолжительности (этот аргумент не обязателен) вращения в миллисекундах. Отрицательная скорость переключает мотор
// на вращение в обратном направлении.
// Тормозим функцией brake(). И делаем паузу delay() в 1 секунду.
motor1.drive(255,1000);
motor1.drive(-255,1000);
motor1.brake();
delay(1000);
//Аналогичные действия применим к объекту motor2.
motor2.drive(255,1000);
motor2.drive(-255,1000);
motor2.brake();
delay(1000);
// Для движения вперед используем функцию forward(), у которой в качестве аргументов два объекта motor1, motor2
// и скорость (аргумент не обязателен)
Если для скорости используются отрицательные числа,
// то получим движение назад
forward(motor1, motor2, 150);
delay(1000);
// Для движения назад используем функции back(), с аргументами аналогичными функции forward()
// если значение скорости отрицательно, то получаем движение назад.
back(motor1, motor2, -150);
delay(1000);
// Использование функции торможения, которая принимает в качестве аргументов два двигателя.
// Обратите внимание, что функции не останавливают двигатели сами по себе.
brake(motor1, motor2);
delay(1000);
// Для поворота или разворота на месте классической двухколесной тележки робота, используем функции поворот на лево left()
// и поворот на право right(), которые принимают в качестве аргументов два
// мотора и скорость. Эти функции заставляют оба двигателя вращаться в разных направлениях со скоростью в 2 раза меньшей указанной в
// этих функциях
left(motor1, motor2, 100);
delay(1000);
right(motor1, motor2, 100);
delay(1000);
//Use of brake again.
brake(motor1, motor2);
delay(1000);
}
Для тех кто хочет подробнее разобраться с примером МоторTestRun прилагаем листинг библиотеки SparkFun_TB6612.h и исходный
текст SparkFun_TB6612.cpp
Пуск путем изменения питающего напряжения
Одним из вариантов снижения токовой нагрузки при запуске электродвигателя является уменьшение питающего номинала посредством генератора постоянного напряжения или управляемого выпрямителя.
С физической точки зрения установка реостата обеспечивает тот же эффект, но с увеличением мощности электродвигателя возрастает и постоянная токовая нагрузка, существенно повышаются потери на реостатах. Поэтому снижение постоянного напряжения выполняет отдельное устройство на базе микросхемы, пример которого приведен на рисунке ниже:
![]()
Рис. 5. Схема пуска с изменением питающего напряжения
Сервопривод непрерывного вращения
Сервоприводы обычно имеют ограниченный угол вращения в 180 градусов. В данном случае рассмотрим «модифицированную» серву с неограниченным углом поворота оси.

ТТХ со страницы продавца
размер:40*20*37.5+5мм приводной вал вес:38 г длина провода: 320 мм
скорость:0.19sec/60 degree (4.8 В) 0.22sec/60 degree (6 В) скорости скорее всего перепутаны, на 6 вольт серва должна быть быстрее крутящий момент: 5kg. cm. at (4.8 В) 5.5kg.cm.at (6 В) напряжение:4.8 В-6 В
комплект поставки стандартный

4 качалки разных форм 4 втулки, 4 резиновых демпфера и 4 шурупа для крепления сервы и ещё один мелкой шуруп для крепления качалки на вал убежал с фотографии
Внешний вид внушает доверие, на ощупь тоже ничего, небольшие косяки литья только в районе крепёжных ушей, чуть криво наклеена наклейка(тавтология да!). Провод мягкий, коннектор хороши сидит на пинах.

Ну а теперь вскрытие:
Кто не знал как оно работает: в корпусе есть мотор, плата управления и переменный резистор по положению которого серва определяет угол оси. Редуктор в этой серве пластиковый, ресурс меньше чем у металлического и нагрузок больших не любит. Втулка под центральную ось медная или из какого-то её сплава. На выходном валу стоит подшипник. Смазки можно добавить

Электрическая часть


Мозги, управляющие направлением и скоростью вращения, переменный резюк и электродвигатель.
А сейчас, внимание, «лайфхак», как сделать из обычной сервы, серву постоянного вращения

в оригинале переменник своей осью втыкается в выходной вал изнутри сервы, в модифицированной вал откушен\обломан судя по всему на этапе сборки, резистор выставлен в центральное положение, чтобы вал в покое не вращался. Если пойти дальше его можно выкинуть совсем и заменить на 2 одинаковых постоянных резистора, на управляющую плату удобно поставить что-нибудь смд-шное.
Итого: серва как серва, не космос, но и не ширпотреб, можно найти дешевле и с металлическим редуктором
ps Как правильно отметили в комментах, совсем забыл упомянуть как управляется сервомашинка, на серву подаётся питание 5-6 вольт и ppm-сигнал по третьему проводу.
самые распространённые варианты управления: 1) сервотестер подключаем питание с одной стороны, с другой выход на 3 «потребителя»(сервы, моторы итд) питание и PPM-сигнал, ручкой можно регулировать скорость и направление вращения сервы 2) RC-аппаратура на выходах приёмника тот-же ppm-сигнал. 3) рулить ардуинкой
видео
Pps В результате «модификации» серва потеряла обратную связь, мозги не знают реального положения вала и направление вращения, учитывайте этот момент если собираетесь ее купить.
Способ управления U/F с энкодером
Если необходимо повысить точность регулирования скорости вращения в систему управления добавляют энкодер. Введение обратной связи по скорости с помощью энкодера позволяет повысить точность регулирования до 0,03%. Выходное напряжение по-прежнему будет определятся заданным шаблоном U/F.
Данный способ управления не получил широкого применения, так как представляемые им преимущества по сравнению со стандартными функциями U/F минимальны. Пусковой момент, скорость отклика и диапазон регулирования скорости – все идентично со стандартным U/F. Кроме того, при повышении рабочих частот могут возникнуть проблемы с работой энкодера, так как он имеет ограниченное количество оборотов.
Отличия коллекторного и бесколлекторного двигателя
Привод коллекторного типа отличается от БД как конструктивными особенностями (см. рис 5.), так и принципом работы.

Рис. 5. А – коллекторный двигатель, В – бесколлекторный
Рассмотрим конструктивные отличия. Из рисунка 5 видно, что ротор (1 на рис. 5) двигателя коллекторного типа, в отличие от бесколлекторного, имеет катушки, у которых простая схема намотки, а постоянные магниты (как правило, два) установлены на статоре (2 на рис. 5). Помимо этого на валу установлен коллектор, к которому подключаются щетки, подающие напряжение на обмотки якоря.
Кратко расскажем о принципе работы коллекторных машин. Когда на одну из катушек подается напряжение, происходит ее возбуждение, и образуется магнитное поле. Оно вступает во взаимодействие с постоянными магнитами, это заставляет проворачиваться якорь и размещенный на нем коллектор. В результате питание подается на другую обмотку и цикл повторяется.
Частота вращения якоря такой конструкции напрямую зависит от интенсивности магнитного поля, которое, в свою очередь, прямо пропорционально напряжению. То есть, чтобы увеличить или уменьшить обороты, достаточно повысить или снизить уровень питания. А для реверса необходимо переключить полярность. Такой способ управления не требует специального контролера, поскольку регулятор хода можно сделать на базе переменного резистора, а обычный переключатель будет работать как инвертор.
Конструктивные особенности двигателей бесколлекторного типа мы рассматривали в предыдущем разделе. Как вы помните, их подключение требует наличия специального контролера, без которого они просто не будут работать. По этой же причине эти двигатели не могут использоваться как генератор.
Стоит также отметить, что в некоторых приводах данного типа для более эффективного управления отслеживаются положения ротора при помощи датчиков Холла. Это существенно улучшает характеристики бесколлекторных двигателей, но приводит к удорожанию и так недешевой конструкции.
Прежние лидеры и новые фавориты
Насосы, вентиляторы и воздуходувы остаются самыми популярными применениями ASD. Об этом сообщили 27% респондентов (по сравнению с 50% в 2003 г.), что говорит о большем разбросе мнений в опросе, проведенном в 2005 г. К наиболее популярным также относятся такие области применения, как производство пищевых продуктов/напитков (12%), а также сборочные и конвейерные линии (10%). Оборудование для транспортировки материалов и деталей, которое в 2003 г. занимало третье место, реже всего упоминалась в 2005 г.
Управление без обратной связи (В/Гц) сохраняет явный приоритет для 79% респондентов (по сравнению с 84% в 2003 г.), векторное управление без энкодера удерживает второе место при 41% (40% в 2003 г.), а векторное управление с обратной связью предпочитают 38% (37% в 2003 г.).
Тем не менее, по сравнению с последним опросом, значительные изменения произошли в характеристиках, которые пользователи считают самыми важными при выборе приводов. Частично это объясняется изменениями в составе респондентов (географическое распределение), большим разнообразием мощности приводов и новыми инвестициями, которые были сделаны за прошедший период. Из числа функциональных характеристик приводов, оцененных как «очень важные», первые четыре места были отданы таким характеристикам, как класс защиты (NEMA 12) — 38% опрошенных, программирование скоростей (34%), защита NEMA 4 (33%) и отметка CE/другая сертификация (30%). В обзоре 2003 г. эти характеристики занимали более скромное место, а самыми полезными считались такие показатели, как простота устройств управления/ установки, удобный интерфейс оператора и цена.
Что же касается рабочих характеристик, то самой важной оказалась возможность работы при высоком напряжении (2,3 кВ и выше), так считает 54% опрошенных. Затем идет управление несколькими двигателями от одного привода (43%), способность управлять как синхронными, так и асинхронными двигателями (37%) и четырехквадрант-ный режим работы (33%)
Эти характеристики также получили низкую оценку в предыдущем опросе.
У 83% респондентов приводы с регулируемой частотой работают автономно, но 42% сообщают, что их ASD объединены в сеть. (Здесь могли быть отмечены оба варианта, если они применялись). Среди тех, кто в настоящее время пользуется приводами, включенными в сеть, 79% работают с 4-20 мА. Между тем по результатам можно предположить, что Ethernet TCP/IP (сейчас 67%) в скором времени станет самой широко распространенной сетью. DeviceNet вышла на третье место с 61%. Более широкое использование в следующие 12 месяцев также предсказывается для Ethernet Powerlink, которой в настоящее время отдают предпочтение 19% респондентов.
Покупки ASD также на подъеме. Пятьдесят шесть процентов сообщают, что их покупки приводов ПТ увеличатся в 2006 г. — по сравнению с 42 % в 2003 г.(24% в 2002 г.) — и только 3% (6% в 2003 г.) предвидят снижение покупок. Результаты опроса показывают, что за прошедшие 12 месяцев каждый из респондентов купил 25 ASD, затратив в среднем 46500 долларов.





























