Содержание / Contents
Стал подбирать детали, не стал ударятся в точность схемы, собрал пассивные элементы и вместо КТ3102 поставил КТ315, по справочнику посмотрел у какой буквы больше коэффициент усиления, их и поставил. Вместо КТ503 впиндюрил КТ3107.
Взял лак для ногтей и начал мазать кисточкой, а она широко рисует, заменил кисточку отверткой для часовых дел. Забыл, я ж с начала нарисовал карандашом на текстолите, просверлил отверстия (сверлить лучше на деревяшке: текстолит не гнется и есть куда сверлу уходить)
Потом сел паять и паял, паял, паял. Фух, устал паять. Дай думаю еще и басуху заэкранирую. Снял звучки, вытащил все крутилки. Нашел медную пластину, вырезал по размерам. Зафиксировал собранный экран внутри басухи. Сделал коробочку из того же медного материала. Вот что вышло.
Один недостаток — выключатель внутри остался, он по идее делается на гнезде для штекера. Так как я живу в деревне, у нас нет магазинов, где продаются такие разъемы. Я сделал выключатель.
Усилитель мощности, который иногда называют оконечным
В функциональном отношении он очень прост — имеет один вход, обычно стерео (в ином случае потребуется два моно усилителя), и из регулировок часто только ручку громкости. Но при простоте функционала это очень серьезное устройство, потому и стоит дороже «навороченного» предусилителя. Высокое качество звучания обеспечивается за счет использования мощных тяжелых трансформаторов и высокоемких конденсаторов, способных при высоком уровне входного сигнала выдать в нагрузку, — т.е. громкоговорители, очень большой ток. Поэтому хороший усилитель — всегда тяжелый.
Для усилителя мощности важно номинальное значение нагрузки, т.е. сопротивление акустических систем
Обычно усилители рассчитаны на сопротивление колонок 4 или 8 Ом. Можно подключить к усилителю акустику с бОльшим сопротивлением, но ни в коем случае не с меньшим! Это может при определенных условиях привести к повреждению выходного каскада!
Очень важным параметром усилителя мощности является коэффициент демпфирования, он же демпинг-фактор. Демпфирование позволяет предотвратить инерционное, т.е.паразитическое колебание диффузора динамика, что делает звучание чище, детальнее и точнее. Чем больше значение демпинг-фактора, тем выше качество усилителя.
Еще один важный параметр — это скорость нарастания выходного напряжения, по английски slew rate. Чем быстрее эта скорость (измеряемая в микросекундах), тем лучше усилитель воспроизводит т.н. переходные, или «нестационарные» процессы, т.е. мелкие быстрые высокочастотные компоненты сигнала. Например, игру по тарелкам, перкуссии, струнным щипковым инструментам и т.п. Понятно, что «медленный» усилитель плохо отработает такие звуки и размоет звуковую картинку.
УСИЛИТЕЛЬ ДЛЯ ГИТАРЫ
Гитарные усилители, наряду с самими электрогитарами, всегда интересовали многих начинающих и не только музыкантов. Тембра, усиление и перегрузочные характеристики очень индивидуальны, и идеальное сочетание варьируется от одной гитары к другой. Нет такого усилителя, что полностью удовлетворяет всем требованиям, да и это схемное предложение не будет исключением. Но оно является универсальным, мощным (около 100 ватт) и имеет все необходимые регулировки. В отличии от покупного усилителя, если вы строите УНЧ самостоятельно, вы можете изменить многие вещи, чтобы удовлетворить собственные потребности. Возможность экспериментировать представлена в полном виде. Да и намного почётнее играть на своей аппаратуре, ведь наша индивидуальность проявляется в первую очередь творчеством. Предлагаемый гитарный усилитель рассчитан на 100 Вт мощности в 4 Ом нагрузке. Это обычная мощность для гитаристов, которой хватит и для дома, и для концертов.
↑ Пассивный упрощенный регулятор тембра
На практике, пожалуй, большее распространение получила еще одна схема пассивного регулятора тембра, с упрощенным регулятором верхних частот (рис. 6) .

Рис. 6. Схема упрощенного пассивного мостового регулятора тембра
Расчет такого регулятора с помощью таблиц и номограмм предложен Л. Ривкиным . Я переложил методику Л. Ривкина на язык табличного процессора Microsoft Excel, позволившего обойтись без номограмм, не совсем удобных в использовании и снижающих оперативность расчетов. Скриншот листа таблицы Excel с примером расчета показан на рис. 7. Здесь действуют все соглашения, приведенные выше.

Рис. 7. Расчет упрощенного пассивного мостового регулятора тембраКонтрольный пример №2. Рассчитаем регулятор тембра с пределами регулировок ±17 дБ, R2=R5=47 кОм, fнр=30 Гц, fвр=18000 Гц. Получаем: R1=4,673 кОм, R3=470 Ом, R4=4,7 кОм, C1=0,114 мкФ, C2=1,133 мкФ, C3=1916 пФ, C4=0,019 мкФ. Выбираем из стандартного ряда Е24: R1=4,7 кОм, R3=470 Ом, R4=4,7 кОм, C1=0,1 мкФ, C2=1,0 мкФ, C3=2000 пФ, C4=0,022 мкФ.
Следует напомнить, что для обеспечения расчетной глубины регулировки тембра необходимо, чтобы сопротивление нагрузки регулятора тембра было намного больше его выходного сопротивления Rнрт≥(5…10)Rвыхрт≈(5…10)[R1R3/(R1+R3)+R4], а внутреннее сопротивление источника сигнала намного меньше входного сопротивления регулятора: Rвыхис≤(0,1…0,2)Rвхрт≈(0,1…0,2)(R1+R3).
СХЕМА ТЕМБРОБЛОКА
| Здравствуйте уважаемые радиолюбители! Сейчас собираю акустику 4.1 на TDA7650 и TDA1562, микросхемы автомобильные, для дома конечно можно было и лучше выбрать, но речь не о них, а о предусилителе с темброблоком. Мне всегда хотелось настраивать звук «под себя». И вот решил собрать такой темброблок. Выбор пал на микросхему TDA1524A. И сейчас мы оговорим о сборке сего чуда «с нуля», с применением технологии ЛУТ для изготовления печатной платы. Стандартная схема, по которой будем собирать темброблок на TDA1524A, показана на рисунке:
|
↑ Характеристики предварительного усилителя:
Напряжение питания, В=±15 Ток потребления, мА=8…10 Номинальное входное напряжение, В=0,775 Номинальное выходное напряжение, В=0,775 Полоса частот по уровню -0,5 дБ, Гц=25…100000 Диапазон регулировки тембра, дБ на частоте 40 Гц=±7 , на частоте 10 кГц=±7 Коэффициент гармоник при входном напряжении 1 В, % на частоте 1 кГц=0,0001 , на частоте 20 кГц=0,002 Отношение сигнал/шум (невзвешенное), дБ=89 Входное сопротивление, кОм=20 Выходное сопротивление источника сигнала, кОм, не более=1,8 Можно включить устройство с усилителем мощности и послушать музыку. Об этом в следующей части проекта.
Гитарный предварительный усилитель — схема

Предварительный гитарный усилитель паяем на отдельной плате, позже помещённой в экран от помех. Фото платы предусилителя показано ниже. Его основа два операционных усилителя с блоком регулировки тембров и усиления.

Это простое, но проверенное схемное решение, которое обеспечивает отличную тональность всего диапазона. Конструкция идеально подходит для тех гитаристов, которые хотели бы получить отличный звук. Элементы управления тембром имеют достаточный диапазон, чтобы охватить практически что угодно, от скрипки и до бас-гитары.
Предусилитель использует двойной операционный усилитель для усиления. Транзистор, включен по схеме эмиттерного повторителя и имеет низкое выходное сопротивление, после мастер-регулятора громкости. Как показано на схеме, есть типичный гитарный вход, с которого можно получить очень жирный овердрайв, а затем настройку подходящего уровня
Обратите внимание, что при использовании операционного усилителя TL072, возможен шум с большим количеством высоких частот. Настоятельно советуем использовать OPA2134 — операционный усилитель от Texas Instruments, тогда вы получите действительно самый тихий гитарный усилитель, который вы когда-нибудь слышали!
↑ Наладка предварительного усилителя
Трудоемкость настройки усилителя напрямую связана с качеством выполненной работы по отбору элементной базы. Вначале проверяют «ноль» на выходах буферных каскадов. Если напряжение составляет единицы милливольт, настройки не требуется. Часто уровень смещения нуля можно дополнительно уменьшить простой перестановкой базовых резисторов (рис. 4; R3, R4 и R12, R13 соответственно).
При бОльшем постоянном напряжении на выходе подбирают один из резисторов (R3 или R4, R12 или R13). Далее добиваются минимума коэффициента гармоник подбором резисторов R7 и R18. Для измерений использовалась внешняя звуковая карта и программа SpectraPLUS.
Усилитель мощности

На фото ниже показана полностью собранная печатная плата УМЗЧ. С помощью TIP35 и TIP36 транзисторов выходного каскада обеспечивается надежность при работе в самых тяжелых сценических условиях. Другие особенности схемы включают в себя защиту от короткого замыкания — компоненты смещения диодов D2 и D3.

Защита от короткого замыкания ограничивает выходной ток до относительно безопасного уровня. Защита будет ограничивать пиковый выходной ток до примерно 8 ампер. Ток смещения является регулируемым, и должен быть установлен на уровне около 25 мА в покое. Транзисторы TIP3055/2966 или MJE3055/2955 также могут быть использованы для УМЗЧ. Схема позволяет подключать до двух 8-Омных акустических колонок (по 4 Ом). Не используйте АС менее 4 Ом на этот усилитель — он не рассчитан на столь малое сопротивление!
↑ Расчет пассивных мостовых регуляторов тембров
Наиболее распространенной является комбинированная схема регуляторов нижних и верхних частот. Как видно из аппроксимированной логарифмической амплитудно-частотной характеристики (АЧХ) регулятора тембра (рис. 3), в области средних частот f0≈1000 Гц передаточная функция остается неизменной, а на краях частотного диапазона ее можно регулировать в некоторых пределах.

Рис. 3. Амплитудно-частотные характеристики регуляторов нижних и верхних частот
Обычно величины подъема и спада и их частоты регулирования делают одинаковыми. На рис. 3 приняты следующие обозначения: fнр, fвр – соответственно, нижняя и верхняя частоты регулирования, fнп, fвп – нижняя и верхняя частоты перегиба АЧХ, f0 – частота раздела. Для того чтобы регуляторы нижних и верхних частот не влияли друг на друга, необходимо выполнение условий не перекрытия зон регулирования
fнп < f0 < fвп В практических схемах пассивных регуляторов тембра величины подъема и спада АЧХ составляют ±(8…20) дБ, нижняя частота регулирования равна fнр=(20…80) Гц, а верхняя частота регулирования fвр=(5…18) кГц. Недостатком пассивных корректоров тембра является большое собственное затухание, превышающее полный коэффициент регулирования – (16…40) дБ.
Сборка и тестирование схемы активного звукового фильтра
Через несколько дней мы получили нашу печатную плату в аккуратной упаковке. Качество печатной платы и упаковка как всегда были на хорошем уровне. Вы можете сами увидеть упаковку.

Верхний и нижний слои платы показаны на изображении ниже. Мы выбрали красный в качестве паяльной маски просто потому, что он привлекателен, а PCBway предлагает все цвета масок по той же цене, так почему бы не повеселиться с цветом печатной платы.

Как вы можете заметить на изображении выше, качество печатной платы очень хорошее. Дорожки, контактные площадки, переходные отверстия и другие зазоры были идеально изготовлены. Я начал сборку своей платы, как только получил ее. Собранную плату вы можете увидеть ниже.

Однако для некоторых конденсаторов номинальное напряжение неточно, как требуется, но это не влияет на выходной сигнал схемы. Также операционный усилитель TL072 заменен на JRC4558 в связи с отсутствием ИС. Другая микросхема операционного усилителя также может работать, но отображение контактов должно соответствовать стандартному отображению контактов операционного усилителя.
Схема тестируется с использованием аудиовхода от ноутбука, источника питания 12 В и системы вывода на динамик 2.1 мощностью 15 Вт. Подробную информацию о работе и тестировании можно найти в видео ниже.
Надеюсь, вам понравился урок и вы узнали что-то полезное. Если у вас есть какие-либо вопросы или сомнения, оставьте их в разделе комментариев ниже. Вы также можете использовать наши форумы для других технических вопросов.
Предварительный усилитель
Уровень электрического сигнала на его выходе таков, что если его подать на громкоговорители, то мы ничего не услышим. Так для чего же он нужен?
Прежде всего, — для коммутации. Все вышеназванные источники подключаются к предусилителю в оптимальном для каждого из них режиме.
Дело в том, что разные источники имеют разный выходной уровень сигнала: CD-плеер или тюнер выдают сигнал т.н. линейного уровня (порядка полу-вольта), а виниловый проигрыватель — во много сотен раз меньше.
Кроме того, пользователь должен иметь возможность переключать источники, и те при этом должны звучать с примерно одинаковой громкостью. Для этого требуется согласование уровней сигналов разных источников и их подъем до уровня, который достаточен для работы входного каскада усилителя мощности.
Еще одна функция предварительного усилителя — организация и коммутация т.н. сквозных каналов, т.е. возможности во время прослушивания еще и записывать сигнал на тот или иной рекордер, в том числе осуществлять два эти процесса независимо.
Другая важная функция — регулирование выходной громкости и частотной коррекции сигнала, для чего на передней панели располагаются регуляторы громкости и уровней высоких и низких частот. Часто присутствует и кнопка прямого сигнала, т.е. обхода частотного корректора, и кнопка так называемой тонкомпенсации, предназначенной для подъема низких и высоких частот при прослушивании на пониженной громкости. Предварительный усилитель может иметь и дополнительный фильтр инфранизких частот, особенно полезный при использовании проигрывателя грампластинок.
На задней панели предусилителя находятся гнезда входов для подключения источников, обычно их 5-6 и они выполнены по т.н. несимметричной схеме для подключения разъемов типа RCA (в обиходе называемых «тюльпанами»), там же находятся и гнезда выходов. Обычно их два — главный для подключения к усилителю мощности и дополнительный для записи. На некоторых дорогих моделях бывают и т.н. симметричные соединения типа XLR, обычно используемые в профессиональном оборудовании. Их главное достоинство — возможность без помех передавать слабый сигнал на очень большое, в десятки метров, расстояние, — для обычного домашнего прослушивания это малосущественно, так что нет никакого резона переплачивать за функцию, которой Вы, скорее всего, не воспользуетесь.
Практически все современные усилители имеют возможность дистанционного управления громкостью и переключением источников, часто с их помощью можно управлять и некоторыми функциями других приборов той же фирмы, например, включением воспроизведения CD-плеера и т.п. одной фирмы. Следует учесть, что раздельное усиление, т.е. предварительный усилитель и усилитель мощности — дорогое решение, так как стоимость каждого из них начинается от 20 тыс .руб.
↑ Схема усилителя
Саму схему усилителя можно разделить на 3 части: предусилитель, буфер и усилитель мощности. Схему предусилителя я выбирал долго, ибо нужно было добиться хорошего качества минимальной ценой и энергопотреблением. Больших трансформаторов тоже не хотелось делать. Зато у меня валялись 2 советских ТАН-11 с четырьмя обмотками по 28 Вольт и двумя по 6 Вольт. Именно их я и решил использовать. Но анодное напряжение получалось небольшим. Выход был один — использовать известный предусилитель TOMATO. За несколько лет работы у меня дома, этот предусилитель ни разу не подвел, и оказался очень неприхотливым и качественным, при своей простоте. Вопрос о буфере не вставал, использовал стандартный ход на операционном усилителе TL072, включенном с К.У. = 1. Темброблок решил делать фендеровским, уж очень он мне нравится.
В качестве УМЗЧ использовал TDA2005, включенную в мостовом режиме.
Вот что получилось в итоге:
![]()
↑ Использованные детали
В предусилителе использованы конденсаторы с рабочим напряжением 250 Вольт, в темброблоке и дальше по схеме 50 Вольт. Конденсаторы в катодах половинок лампы на 50 Вольт. Электролит на 2.2 мкф желательно использовать униполярный, еще лучше не электролит вообще
Блок питания УНЧ

Силовой трансформатор должен быть тороидальный для лучшей производительности и минимума помех. Усилитель предназначен для максимально питания +/-35В, и это значение не должен быть превышено. Трансформатор должен быть рассчитан на 25-0-25 вольт, и не более того. Меньше — нормально, если полных 100 Вт не нужно. Мощность трансформатора должна быть 150VA (3 A тока вторички). Более 250VA — это излишество. Используйте хорошего качества электролиты фильтра БП, поскольку они будут подвергнуты нагрузкам по току и температуре. Ток диодного мостового выпрямителя должен быть 35 A. Тип крепления — на шасси с термопастой.

Все предохранители должны быть такими, как указано по схеме — не поддавайтесь искушению использовать более мощные. Входные и выходные соединения показаны на рисунке.

Гнёзда Preamp out и power amp in позволяют вставлять в звуковой тракт эффекты, такие как сжатие, реверберация, цифровые эффекты и другие. Выход предварительного усилителя подключен так, что предусилитель сигнала могут быть извлечены без отключения усилителя мощности, поэтому может быть использован для прямой подачи звука. Это особенно полезно для баса. Выход предусилителя выход может быть использован и для другого усилителя мощности.
Источник
↑ Расчет пассивных мостовых регуляторов тембров
Наиболее распространенной является комбинированная схема регуляторов нижних и верхних частот. Как видно из аппроксимированной логарифмической амплитудно-частотной характеристики (АЧХ) регулятора тембра (рис. 3), в области средних частот f0≈1000 Гц передаточная функция остается неизменной, а на краях частотного диапазона ее можно регулировать в некоторых пределах.

Рис. 3. Амплитудно-частотные характеристики регуляторов нижних и верхних частот
Обычно величины подъема и спада и их частоты регулирования делают одинаковыми. На рис. 3 приняты следующие обозначения: fнр, fвр – соответственно, нижняя и верхняя частоты регулирования, fнп, fвп – нижняя и верхняя частоты перегиба АЧХ, f0 – частота раздела. Для того чтобы регуляторы нижних и верхних частот не влияли друг на друга, необходимо выполнение условий не перекрытия зон регулирования
fнп < f0 < fвп В практических схемах пассивных регуляторов тембра величины подъема и спада АЧХ составляют ±(8…20) дБ, нижняя частота регулирования равна fнр=(20…80) Гц, а верхняя частота регулирования fвр=(5…18) кГц. Недостатком пассивных корректоров тембра является большое собственное затухание, превышающее полный коэффициент регулирования – (16…40) дБ.
↑ Анодное питание
С анодным питанием и накалом чуть сложнее, но только чуть. Главный вопрос был как подключить трансформатор ТА-11.

Однако, благодаря информации, которой в интернете как снега зимой, удалось скоммутировать 3 обмотки по 28 Вольт последовательно для анода. Получилось ок. 84 Вольт переменки, а дальше выпрямление и схема удвоения напряжения.

В выпрямителе анода я использовал конденсаторы, выкорчеванные из старых блоков питания для компьютеров. Они на напряжение 200 Вольт. Сейчас кто-то возьмется за сердце, мол маловато напряжение, однако, у моего БП выхлоп под нагрузкой получился около 170 Вольт. Так что на первое время можно точно использовать
Структурная схема
На рисунке ниже показана схема 1 канала:

Как видно из схемы, усилитель имеет три входа, один из которых предусматривает простую возможность добавления предусилителя-корректора для проигрывателя винила (при такой необходимости), переключатель входов, предварительный усилитель-тембролок (также трёхполосный, с регулировкой уровней ВЧ/СЧ/НЧ), регулятор громкости, блок фильтров на три полосы с регулировкой уровня усиления каждой полосы с возможностью отключения фильтрации и блок питания для оконечных усилителей большой мощности (нестабилизированный) и стабилизатор для «слаботочной» части (предварительные каскады усиления).
Конструкция самодельного усилителя
Это, пожалуй, был самый сложный момент в изготовлении, так как подходящего готового корпуса не нашлось и пришлось выдумывать возможные варианты:-)) Чтобы не лепить кучу отдельных радиаторов, решил использовать корпус-радиатор от автомобильного 4-канального усилителя, довольно больших размеров, примерно такой:
Все «внутренности» были, естественно, извлечены и компоновка получилась примерно такой (к сожалению фотографию соответствующую не сделал):
— как видно, в эту крышку-радиатор установились шесть плат оконечных УМЗЧ и плата предварительного усилителя-темброблока. Плата блока фильтров уже не влезла, поэтому была закреплена на добавленной затем конструкции из алюминиевого уголка (её видно на рисунках). Также, в этом «каркасе» были установлены трансформаторы, выпрямители и фильтры блоков питания.
Вид (спереди) со всеми переключателями и регуляторами получился такой:
Вид сзади, с колодками выходов на динамики и блоком предохранителей (поскольку никакие схемы электронной защиты не делались из-за недостатка места в конструкции и чтобы не усложнять схему):
В последующем каркас из уголка предполагается, конечно, закрыть декоративными панелями для придания изделию более «товарного» вида, но делать это будет уже сам «заказчик», по своему личному вкусу. А в целом, по качеству и мощности звучания, конструкция получилась вполне себе приличная. Автор материала: Андрей Барышев (специально для сайта сайт
).
В настоящее время очень популярны MP3-плееры с встроенной флэш-памятью, это очень миниатюрные цифровые индивидуальные средства аудиовоспроизведения, работающие на головные телефоны.
Многие из них кромефункции воспроизведения аудио-файлов, записанных в них посредством персонального компьютера, имеют встроенные УКВ-ЧМ или многодиапазонные цифровые приемники и функцию звукозаписи как от встроенного микрофона, так и от встроенного радиоприемника.
Практически, -аудиоцентр размером с наперсток. Одна проблема, — работают они только на наушники. Для громкого воспроизведения необходим дополнительный внешний УНЧ и акустические системы.
Как вариант, -можно использовать активные «колонки» для персонального компьютера, но недорогие «компьютерные колонки» обычно вообще не знакомы с понятием «качество звука», а более качественные и стоят многократно дороже.
↑ О настройке и возможных проблемах
Несмотря на всю кажущуюся сложность схемы и множество деталей, при правильной сборке и применении заведомо исправных и рекомендованных для этой схемы компонентов, можно с большой долей вероятности отгородить себя от неприятных сюрпризов, которые могут возникнуть при сборке данного ПУ. Единственная часть всей этой схемы, которая нуждается в настройке – это собственно сама плата предусилителя. Нужно установить ток покоя, проверить уровень постоянки не выходе, и форму сигнала. Рекомендованный ток покоя для этого ПУ 20-22 мА, и рассчитывается он по падению напряжения на 15-ти омных резисторах R20, R21, R40, R42. Для тока 20-22 мА на этих резисторах должно падать 300-350 мВ (300:15=20, 350:15=22). Падение напряжения, а соответственно и ток можно регулировать в ту или иную сторону изменением номинала резисторов R9, R10, R30, R31 (в оригинале схемы 51 Ом). Большему току покоя соответствует большее сопротивление резистора и наоборот. В своем варианте, вместо постоянных резисторов 51 Ом, я впаял многооборотные подстроечные номиналом 100 Ом, что позволило без лишних усилий и с высокой точностью выставлять нужный ток покоя.
Две неприятности
, с которыми может столкнуться человек, решивший повторить данный предусилитель — это возбуд, и постоянка на выходе. Причем, как правило, первая проблема порождает вторую. Сначала нужно убедиться в наличии или отсутствии постоянной составляющей на выходе каждого буфера и каждого ОУ. Допускается небольшое количество постоянки, но именно небольшое, грубо говоря не более нескольких мВ.
Если постоянки нет, я вас поздравляю! Если есть – ищем в чем причина, а причин не так уж и много. Это либо ошибка в монтаже, либо «не та» деталь, либо где-то есть возбуд. Первым делом нужно внимательно осмотреть плату на предмет непропая или наоборот – слипшихся дорожек, перепроверить все ли детали нужного номинала вы используете, и если все правильно остается третий вариант, т.е. возбуд. Для его поиска вам понадобится осциллограф.
Сам я столкнулся с этой проблемой. Во всех четырех буферах была постоянка на выходе в размере 100-150 мВ. И причиной ее возникновения оказалась как раз-таки «не та» деталь. Дело в том, что вместо операционных усилителей OPA134 у меня были установлены NE5534, которые не совсем подходят для применения в этой схеме. Долго и безуспешно я боролся с этой проблемой, а проблема исчезла сама собой после замены ОУ на OPA134.
↑ О схеме и деталях

Схему выбирал долго, очень долго! Путь к этому предварительному усилителю начинался с использования в качестве ПУ с регулятором тембра специализированных микросхем вроде LM1036 или TDA1524, но меня от этого греха благополучно отговорили местные форумчане. Далее была схема, взятая с какого-то иностранно сайта на трех ОУ типа TL072 с регулировкой ВЧ и НЧ. Даже вытравил ПП и собрал, и слушал некоторое время этот пред, но не легла душа к нему.
Потом обратил внимание на схему знаменитого предусилителя Солнцева, и уже во время поиска информации по ПУ Солнцева наткнулся на схему, напоминающую солнцевскую в связке с пассивным РТ Матюшкина. Это была схема высококачественного ПУ от WASO на Паяльнике
Это было как раз то, что мне надо!

Немного упростив схему предусилителя и, доработав ее под себя, получил вот такой результат. Переход на одноэтажное питание и удаление «лишних» деталей позволило несколько упростить разводку платы, сделать ее односторонней и главное немного уменьшить размеры ПП. В схеме ничего существенного не менял, что могло бы ухудшить качество звука, только убрал ненужные мне функции обхода регулятора тембра, баланса и блок тонкомпенсации.

В схему регулятора тембра
ничего своего не вносил, но все равно понадобилось разводить плату заново, т.к. не нашел в интернете готовую одностороннюю печатку нужного мне размера. Коммутация режимов темброблока сделана на отечественных реле РЭС-47.

Для того, чтобы сделать нужное мне управление регулятором тембра и предусилителем на несколько дней погрузился в теорию принципов работы счетчиков и триггеров отечественных микросхем. Для предусилителя выбрал корпус от спутникового ресивера, отжившего свое, в котором имелось довольно большое окошко, и его нужно было заполнить чем-то красивым и полезным. Так вот, захотелось мне сделать так, чтобы была визуальная информация о режимах регулятора тембра, и лучше, если это будут не светодиоды, а привычные глазу и мозгу цифры. В результате нарисовалась такая схема из трех МС.

К561ЛЕ5 задает импульсы, которые поступают на входы К174ИЕ4 и К561ИЕ9А. Счетчик на ИЕ9 управляет 4-мя ключами, переключающими реле на РТ Матюшкина. Одновременно с этим счетчик на ИЕ4 меняет показания на семисегментном индикаторе АЛС335Б1, указывая, в каком режиме находится регулятор тембра в данный момент. Цифра «0» соответствует режиму с минимальным уровнем низких частот, цифра «3» – максимальным. Еще один простой электронный переключатель выполнен на МС К155ТМ2. Одна половина микросхемы управляет релюшкой, переключающей режимы индикатора уровня сигнала, вторая половина отвечает за реле селектора входов. Ну, и типовая схема индикатора уровня сигнала на МС LM3915 отдельно для каждого канала.Блок питания
сделан на базе трансформатора ТП-30, разумеется с перемотанной под нужные напряжения вторичной обмоткой.

Все напряжения стабилизированные: +/- 15В — на LM317 / LM337 для питания платы предусилителя +9В на 7805 для питания реле и блока управления +5В опять же на LM317 для питания USB звуковой карты
Предварительный усилитель-темброблок
В качестве него была применена схема, не раз проверенная до этого, которая при своей простоте и доступности деталей показывает довольно хорошие характеристики. Схема (как и все последующие) в своё время была опубликована в журнале «Радио» и затем не раз публиковалась на различных сайтах в интернете:
Входной каскад на DA1 содержит переключатель уровня усиления (-10; 0; +10 дБ), что упрощает согласование всего усилителя с различными по уровню источниками сигнала, а на DA2 собран непосредственно регулятор тембров. Схема не капризна к некоторому разбросу номиналов элементов и не требует никакого налаживания. В качестве ОУ можно применить любые микросхемы, применяемые в звуковых трактах усилителей, например здесь (и в последующих схемах) пробовал импортные ВА4558, TL072 и LM2904. Подойдёт любая, но лучше, конечно, выбирать варианты ОУ с возможно меньшим уровнем собственного шума и высоким быстродействием (коэффициентом нарастания входного напряжения). Эти параметры можно посмотреть в справочниках (даташитах). Конечно, здесь вовсе не обязательно применять именно эту схему, вполне можно, например, сделать не трёхполосный, а обычный (стандартный) двухполосный темброблок. Но не «пассивную» схему, а с каскадами усиления-согласования по входу и выходу на транзисторах или ОУ.
Заказ печатной платы на PCBWay
Шаг 1. Зайдите на https://www.pcbway.com/, зарегистрируйтесь, если это ваш первый раз. Затем на вкладке PCB Prototype введите размеры вашей печатной платы, количество слоев и количество требуемых печатных плат.

Шаг 2: Продолжите, нажав кнопку «Цитировать сейчас». Вы попадете на страницу, где при необходимости установите несколько дополнительных параметров, таких как используемый материал, расстояние между дорожками и т. Д. Но в большинстве случаев значения по умолчанию будут работать нормально.

Шаг 3: Последний шаг — загрузить файл Gerber и продолжить оплату. Чтобы убедиться, что процесс проходит гладко, PCBWAY проверяет, действителен ли ваш файл Gerber, прежде чем продолжить платеж. Таким образом, вы можете быть уверены, что ваша печатная плата удобна для изготовления и будет доставлена к вам в соответствии с требованиями.

Простой встроенный предусилитель для бас-гитары
Сидел я как-то, искал в Сети простую примочку на басуху, чтоб звук нормальный и овердрайва наворотить можно. Тут друг говорит, что хочет активный звукосниматель купить на гитару. Вот я и подумал, а что, верно, фон и шумы в основном в кабеле от гитары до примочки возникают. А если непосредственно запихать в басуху этот предусилитель? Ведь принцип активного звучка — это предусилитель в звукоснимателе. И вдобавок заэкранировать гитару.
Короче, нашел на Датагоре статью «Портативный усилитель для головных телефонов RED-31 c 3V питанием». По параметрам он как раз подходит, как предусилитель. Начал собирать, взял басуху.
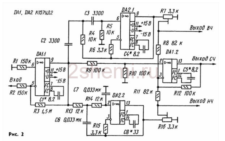
Блок фильтров
Схем фильтров, также, при желании можно найти множество, так как публикаций на тему многополосных усилителей сейчас достаточно. Для облегчения этой задачи и просто для примера, я приведу здесь несколько возможных схем, найденных в различных источниках:

— схема, которая была применена мной в этом усилителе, так как частоты раздела полос оказались как раз такие, которые и нужны были «заказчику» — 500 Гц и 5 кГц и ничего пересчитывать не пришлось.

— вторая схема, попроще на ОУ.
И ещё одна возможная схема, на транзисторах:

Как уже писал ваше, выбрал первую схему из-за довольно качественной фильтрации полос и соответствии частот разделения полос заданным. Только на выходах каждого канала (полосы) были добавлены простые регуляторы уровня усиления (как это сделано, например, в третьей схеме, на транзисторах). Регуляторы можно поставить от 30 до 100 кОм. Операционные усилители и транзисторы во всех схемах можно заменить на современные импортные (с учётом цоколёвки!) для получения лучших параметров схем. Никакой настройки все эти схемы не требуют, если не требуется изменить частоты раздела полос. К сожалению, дать информацию по пересчёту этих частот раздела я не имею возможности, так как схемы искались для примера «готовые» и подробных описаний к ним не прилагалось.
↑ Делаем «правильный» регулятор тембров
На практике могут быть использованы все приведенные выше схемы пассивных регуляторов тембра, что открывает простор для творчества. Для выбора «своего» регулятора тембра были проведены субъективные прослушивания, в ходе которых выяснилось, что регуляторы с небольшим (от ±6 до ±10 дБ) пределами регулирования практически не ухудшают качество звучания. Небольшой диапазон регулировок вполне достаточен для устранения мелких огрехов фонограмм и в то же время не допускает «накручивания» тембров, которым грешат многие любители. В итоге я выбрал схему темброблока с пределами регулирования ±8 дБ, показанную на рис. 10 со следующими значениями пассивных элементов: R1=15 кОм, R2=R6=50 кОм, R3=4,02 кОм, R4=5,1 кОм, R5=2,4 кОм, R7=2 кОм, C0=1 мкФ, C1=0,1 мкФ, C2=0,33 мкФ, C3=3300 пФ, C4=0,01 мкФ.
БП предусилителя
Для питания всего устройства используется блок питания, построенный на стабилизаторах U3 (7812), U4 (7805) и фильтрующих конденсаторах C3 (470uF), C4 (47uF) и C5 (47uF). Он создает напряжения 12 В и 5 В, необходимые для работы микроконтроллера и процессора звука.
Полезное: Дымогенератор для дома или авто своими руками
Для прошивки микроконтроллера U1 используется разъем для программирования Prog. Подключение платы контроллера с дисплеем возможно благодаря разъемам GP1 и GP2. Схема дисплея на рисунке далее.

Схема дисплея на светодиодах
Плата дисплея не содержит никаких особенностей. Основной ее частью является LED дисплей — линейка светодиодов. Ток дисплея ограничивается резисторами R1 — R10 (330 Ом). Энкодер I1 позволяет регулировать параметры усилителя, он выполняет одновременно функцию кнопки. Разъемы GP1 и GP2 обеспечивают подключение платы дисплея к плате предварительного усилителя.
↑ Пассивный упрощенный регулятор тембра
На практике, пожалуй, большее распространение получила еще одна схема пассивного регулятора тембра, с упрощенным регулятором верхних частот (рис. 6) .

Рис. 6. Схема упрощенного пассивного мостового регулятора тембра
Расчет такого регулятора с помощью таблиц и номограмм предложен Л. Ривкиным . Я переложил методику Л. Ривкина на язык табличного процессора Microsoft Excel, позволившего обойтись без номограмм, не совсем удобных в использовании и снижающих оперативность расчетов. Скриншот листа таблицы Excel с примером расчета показан на рис. 7. Здесь действуют все соглашения, приведенные выше.

Рис. 7. Расчет упрощенного пассивного мостового регулятора тембраКонтрольный пример №2. Рассчитаем регулятор тембра с пределами регулировок ±17 дБ, R2=R5=47 кОм, fнр=30 Гц, fвр=18000 Гц. Получаем: R1=4,673 кОм, R3=470 Ом, R4=4,7 кОм, C1=0,114 мкФ, C2=1,133 мкФ, C3=1916 пФ, C4=0,019 мкФ. Выбираем из стандартного ряда Е24: R1=4,7 кОм, R3=470 Ом, R4=4,7 кОм, C1=0,1 мкФ, C2=1,0 мкФ, C3=2000 пФ, C4=0,022 мкФ.
Следует напомнить, что для обеспечения расчетной глубины регулировки тембра необходимо, чтобы сопротивление нагрузки регулятора тембра было намного больше его выходного сопротивления Rнрт≥(5…10)Rвыхрт≈(5…10)[R1R3/(R1+R3)+R4], а внутреннее сопротивление источника сигнала намного меньше входного сопротивления регулятора: Rвыхис≤(0,1…0,2)Rвхрт≈(0,1…0,2)(R1+R3).
↑ Итог
Предлагаемый предварительный усилитель обеспечивает высокое качество звуковоспроизведения при простой схемотехнике. Предложенный транзисторный симметричный усилительный каскад найдет применение в предварительных усилителях, микшерах и прочих устройствах. Применённое простое схемотехническое решение из позволяет добиться значительного снижения нелинейных искажений, устранить тепловые искажения, повысив термостабильность каскада в целом.
Использование принципа преобразования входного напряжения в ток и относительно низкоомных резисторов обеспечивает широкополостность предлагаемых каскадов.





























