ТУТ ВИДЕО
Совсем не дурно, почти hi-end! На самом деле если ориентироваться только по КНИ, то этот усилитель полноценный HI-END, но для хай-энда этого не достаточно, поэтому его отнесли к старому и доброму разряду hi-fi.
Несмотря на то, что усилитель развивает всего 100 ватт, он на порядок сложнее аналогичных схем, но сама сборка не составит труда при наличии всех компонентов. Отклонять номиналы схемы не советую – мой опыт это подтверждает.
Маломощные транзисторы в ходе работы могут перегреваться, но волноваться не стоит – это их нормальный режим работы. Выходной каскад, как уже сказал, работает в классе АВ, следовательно, выделятся огромное количество тепла, которое нужно отводить. В моем случае они укреплены на общий теплоотвод, которого более, чем достаточно, но на всякий случай, имеется также и активное охлаждение.
После сборки нас ждет первый запуск схемы. Для этого советую еще раз прочитать запуск и настройку Ланзара – тут все делается точно таким же образом. Первый запуск делаем с закороченной на землю входом, если все ОК, то размыкаем вход и подаем звуковой сигнал. К тому времени все силовые компоненты должны быть укреплены на теплоотвод, а то восхищаясь музыкой можете не заметить, как дымят ключи выходного каскада – каждый из них стоит очень и очень. А про блок защиты в узнаете в следующем материале. С уважением – АКА КАСЬЯН.
Datasheet Download — Sanken electric
| Номер произв | 2SC2922 | |
| Описание | Silicon NPN Epitaxial Planar Transistor(Audio and General Purpose) | |
| Производители | Sanken electric | |
| логотип | ||
|
1Page
LAPT 2SC2922 Silicon NPN Epitaxial Planar Transistor (Complement to type 2SA1216) Application : Audio and General Purpose sAbsolute maximum ratings (Ta=25°C) Symbol VCBO 180 VCEO 180 VEBO 5 IC 17 IB 5 PC 200(Tc=25°C) Tj 150 www.DataSheeTst4tgU.com –55 to +150 Unit sElectrical Characteristics (Ta=25°C) ICBO IEBO V(BR)CEO hFE VCE(sat) fT COB Conditions VCB=180V VEB=5V IC=25mA VCE=4V, IC=8V IC=8A, IB=0.8A VCE=12V, IE=–2A VCB=10V, f=1MHz 2SC2922 100max 100max 180min 30min∗ 2.0max 50typ 250typ Unit µA µA V ∗hFE Rank O(30 to 60), Y(50 to 100), P(70 to 140), G(90 to 180) sTypical Switching Characteristics (Common Emitter) VCC RL IC VB2 IB1 (V) (Ω) (A) (V) (A) 40 4 10 –5 1 IB2 (A) ton (µs) 0.2typ tstg (µs) 1.3typ tf (µs) 0.45typ External Dimensions MT-200 2-ø3.2±0.1 36.4±0.3 24.4±0.2 6.0±0.2 2.1 5.45±0.1 5.45±0.1 3.0 I C– V CE Characteristics (Typical) 17 1A 700mA 6 m m 15 400mA 300mA IB=20mA 0 12 34 Collector-Emitter Voltage VCE(V) V CE( s a t ) – I B Characteristics (Typical) 3 I C– V BE Temperature Characteristics (Typical) (VCE=4V) 17 IC=10A 1 0 0.2 0.4 0.6 0.8 1.0 Base Current IB(A) 5 0 1 2 2.4 Base-Emittor Voltage VBE(V) h FE– I C Characteristics (Typical) (VCE=4V) 200 h FE– I C Temperature Characteristics (Typical) (VCE=4V) 200 θ j-a– t Characteristics 2 Collector Current IC(A) 5 10 17 Collector Current IC(A) 5 10 17 f T– I E Characteristics (Typical) (VCE=12V) 80 –0.02 Emitter Current IE(A) –5 –10 Safe Operating Area (Single Pulse) 50 10 DC 5 Collector-Emitter Voltage VCE(V) 300 0 25 50
|
||
| Всего страниц | 1 Pages | |
| Скачать PDF |
Трекаскадный УНЧ с непосредственной связью
На рис. 7 показана схема другого внешне простого УНЧ с непосредственными связями между каскадами. Такого рода связь улучшает частотные характеристики усилителя в области нижних частот, схема в целом упрощается.
Рис. 7. Принципиальная схема трехкаскадного УНЧ с непосредственной связью между каскадами.
В то же время настройка усилителя осложняется тем, что каждое сопротивление усилителя приходится подбирать в индивидуальном порядке. Ориентировочно соотношение резисторов R2 и R3, R3 и R4, R4 и R BF должно быть в пределах (30…50) к 1. Резистор R1 должен быть 0,1…2 кОм. Расчет усилителя, приведенного на рис. 7, можно найти в литературе, например, [Р 9/70-60].
Биполярный транзистор
Биполярный транзистор обладает двумя переходами: p-n-p или n-p-n. Принципиальное различие между ними – направление течения тока.
Коллектор и эмиттер, обладающие одинаковой проводимостью (в n-p-n транзисторе n-проводимостью), разделены базой, которая обладает p-проводимостью. Если даже эмиттер подключен к источнику питания, ему не пробиться напрямую в коллектор. Для этого необходимо подать ток на базу.
В таком случае электроны из эмиттера заполняют «дырки» последней. Но так как база слабо легирована, то и дырок в ней мало. Поэтому большая часть электронов переходит в коллектор и они начинают свое движение по цепи. Ток коллектора практически равен току эмиттера, ведь на базу приходится очень маленькое его значение.
Чтобы нагляднее себе это представить, можно воспользоваться аналогией с водопроводной трубой. Для управления количеством воды нужен вентиль (транзистор). Если приложить к нему небольшое усилие, он увеличит свое проходное сечение трубы и через него начнет проходить больше воды.
Основные особенности транзистора Дарлингтона
Основное достоинство составного транзистора это большой коэффициент усиления по току.
Следует вспомнить один из основных параметров биполярного транзистора. Это коэффициент усиления (h21). Он ещё обозначается буквой β («бета») греческого алфавита. Он всегда больше или равен 1. Если коэффициент усиления первого транзистора равен 120, а второго 60 то коэффициент усиления составного уже равен произведению этих величин, то есть 7200, а это очень даже неплохо. В результате достаточно очень небольшого тока базы, чтобы транзистор открылся.
Инженер Шиклаи (Sziklai) несколько видоизменил соединение Дарлингтона и получил транзистор, который назвали комплементарный транзистор Дарлингтона. Вспомним, что комплементарной парой называют два элемента с абсолютно одинаковыми электрическими параметрами, но разной проводимости. Такой парой в своё время были КТ315 и КТ361. В отличие от транзистора Дарлингтона, составной транзистор по схеме Шиклаи собран из биполярных разной проводимости: p-n-p и n-p-n. Вот пример составного транзистора по схеме Шиклаи, который работает как транзистор с n-p-n проводимостью, хотя и состоит из двух различной структуры.
схема Шиклаи
К недостаткам составных транзисторов следует отнести невысокое быстродействие, поэтому они нашли широкое применение только в низкочастотных схемах. Такие транзисторы прекрасно зарекомендовали себя в выходных каскадах мощных усилителей низкой частоты, в схемах управления электродвигателями, в коммутаторах электронных схем зажигания автомобилей.
Хорошо зарекомендовал себя для работы в электронных схемах зажигания мощный n-p-n транзистор Дарлингтона BU931.
Основные электрические параметры:
-
Напряжение коллектор – эмиттер 500 V;
-
Напряжение эмиттер – база 5 V;
-
Ток коллектора – 15 А;
-
Ток коллектора максимальный – 30 А;
-
Мощность рассеивания при 250С – 135 W;
-
Температура кристалла (перехода) – 1750С.
На принципиальных схемах нет какого-либо специального значка-символа для обозначения составных транзисторов. В подавляющем большинстве случаев он обозначается на схеме как обычный транзистор. Хотя бывают и исключения. Вот одно из его возможных обозначений на принципиальной схеме.
Напомню, что сборка Дарлингтона может иметь как p-n-p структуру, так n-p-n. В связи с этим, производители электронных компонентов выпускают комплементарные пары. К таким можно отнести серии TIP120-127 и MJ11028-33. Так, например, транзисторы TIP120, TIP121, TIP122 имеют структуру n-p-n, а TIP125, TIP126, TIP127 — p-n-p.
Также на принципиальных схемах можно встретить и вот такое обозначение.
Применяемые радиодетали, электронные компоненты.
Транзистор VT1 — КТ503 (В, Г, Д, Е), чтобы постоянное напряжение коллектор — эмиттер было 60 В или более. Транзистор VT2 — КТ502 (В, Г, Д, Е)
Транзистор VT3 — КТ815 (В, Г). Транзистор VT4 — КТ814 (В, Г). Транзистор VT5 — КТ818 (В, Г). Транзистор VT6 — КТ819 (В, Г).
Резистор R1 — 130 кОм. Резисторы R2, R3 — 6.6 кОм. Резистор R4 — 120 Ом. Резистор R5 — 66 Ом. Резистор R6 — 2 кОм. Резистор R7 — 1 кОм.
Резисторы R8, R10 — 15 кОм. Резистор R9 — 1 кОм.
Резисторы R11, R12 — 60 Ом.
Резисторы R14, R15 — 33 Ом. Резисторы R13, R18 — 100 Ом. Резисторы R16, R17 — 0.1 Ом.
Все электролитические конденсаторы на схеме — 10 000 мкФ 60 В. Все неэлектролитические — керамические 1 мкФ.
Улучшениые варианты однотранзисторного усилителя
Усложненные и улучшенные по сравнению со схемой на рис. 1 схемы усилителей приведены на рис. 2 и 3. В схеме на рис. 2 каскад усиления дополнительно содержит цепочку частотнозависимой отрицательной обратной связи (резистор R2 и конденсатор С2), улучшающей качество сигнала.
Рис. 2. Схема однотранзисторного УНЧ с цепочкой частотнозависимой отрицательной обратной связи.
Рис. 3. Однотранзисторный усилитель с делителем для подачи напряжения смещения на базу транзистора.
Рис. 4. Однотранзисторный усилитель с автоматической установкой смещения для базы транзистора.
В схеме на рис. 3 смещение на базу транзистора задано более «жестко» с помощью делителя, что улучшает качество работы усилителя при изменении условий его эксплуатации. «Автоматическая» установка смещения на базе усилительного транзистора применена в схеме на рис. 4.
ФНЧ И БЛОК СТАБИЛИЗАЦИИ
Фильтр низкой частоты и сумматора построен на двух микросхемах. Он предназначен для плавной регулировки фазы, громкости и частоты. Сумматор предназначен для суммирования сигналов обеих каналов, для получения более мощного сигнала. В промышленных автоусилителях высокой мощности используется именно такой принцип фильтрации и суммирования сигнала, но сумматор можно при желании исключить из схемы и обойтись только фильтром низких частот. Фильтр срезает все частоты, оставляя только предел в пределах 35-150 Гц.
Регулировка фазы позволяет согласовать сабвуфер с акустическими системами, в некоторых случаях её тоже исключают.
Этот блок питается от стабилизированного источника двухполярного напряжения +/-15 Вольт. Питание можно организовать с помощью дополнительной вторичной обмотки или же использовать двухполярный стабилизатор напряжения для понижения напряжения от основной обмотки.
Для этого собран двухполярный стабилизатор. Первоначально напряжение снижается диодами зенера, затем усиливается биполярными транзисторами и подается на линейные стабилизаторы напряжения типа 7815 и 7915. На выходе стабилизатора образуется стабильное двухполярное питание, которым и питается блок сумматора и ФНЧ.
Стабилизаторы и транзисторы могут греться, но это вполне нормально, при желании их можно укрепить на теплоотводы, но в моем случае имеется активное охлаждение кулером, поэтому теплоотводы не пригодились, к тому же тепловыделение в пределах нормы, поскольку сам блок ФНЧ потребляет очень мало.
Основные технические характеристики
У транзисторов серии C945 представлены такие технические характеристики (при температуре окружающей среды +25 °C,):
- принцип действия – биполярный;
- корпус ТО-92, SOT-23;
- материал корпуса – пластмасса;
- материал транзистора — аморфный кремний (amorphous silicon) Si;
электрические:
- проводимость – обратная (n-p-n);
- максимально допустимый коллекторный ток (Maximum Collector Current) IK макс (Ic max) 0,15 А или 150 мА (mA);
- максимальное допустимое напряжение между коллектором и эмиттером (Collector-Emitter Voltage) U КЭ макс. (VCEmax) не более 50 В (V);
- максимально допустимое обратном напряжении на коллекторном переходе, между коллектором и базой (Collector-Base Voltage) UКБ макс. (VCBmax) не более 60 В (V);
- максимальное допустимое напряжение между эмиттером и базой (Emitter-Base Voltage) UЭБ макс (VЕВmax) не более 5 В (V);
- напряжение насыщения коллектор-эмиттер (Collector-emitter saturation voltage) UКЭ.нас. (VCEsat) не более 0.3 В (V);
- граничная частота передачи тока (Current Gain Bandw >Классификация по Hfe
| Наименование | Коэффициент Hfe |
|---|---|
| С945-Y | 120-240 |
| С945-O | 70-140 |
| С945-R | 90-180 |
| С945-Q | 135-270 |
| С945-P | 200-400 |
| C945-K | 300-600 |
| C945-G | 200-400 |
| C945-GR | 200-400 |
| C945-BL | 350-700 |
| C945-L (SOT-23) | 120-200 |
| C945-H (SOT-23) | 200-400 |
Точное значение Hfe смотрите в даташите производителя, предварительно посмотрев буквы находящиеся в конце маркировки транзистора. Например у c945O Electronic Manufacturer Hfe характеристика находится в пределах от 70-140, а у С945R Stanson Technology от 90-180.
Транзисторные китайские усилители
Двигаемся от дешевых в сторону дорогих.
Самое дешевый и относительно пристойный усилитель, который мы нашли, – клон Marantz. Пристойный с учетом цены!
Клон Marantz
В Китае его можно посмотреть здесь.
Заявляется мощность – 2 канала по 65W на 4 ом. Нагрузка в диапазоне 2-16ohm. Судя по его весу и трансформатору, это почти соответствует действительности. Реальных ватт 55 на 4 ом. и порядка 45 на 8 ом. он выдаст. Дешевизна достигается использование корпуса в двух качествах. И как корпуса, и как радиатора. С трактом, шинами и питанием все хорошо. Регулятор громкости простенький, если очень часто крутить ручку громкости, через несколько лет он может начать «шуршать». А может и не начать. Могут возникнуть проблемы с его перегревом, если часами непрерывно использовать его в режиме «дискотека». Площадь корпуса для 55W маловата будет. Сгореть он вряд ли сгорит, но может. Греться, в долгом максимальном режиме, он будет адски. Не дискотечный усилитель.
Движемся дальше. Очень приличный вариант. Реальных приблизительно 120W. На драйвере UPC1342V с транзисторами в оконечнике.
Реальных 120W. Ссылка.
Приблизительно 100 Вт реальных ватт. Китайцы пишут, что сделан по схемотехнике MARANTZ. Так ли оно или нет, нам не известно. Но нет ни каких ограничений для копирования схем. Схемы не патентуются. Но даже если бы так оно было, — 25 жизни патента давно уже прошли.
От хорошего, к более лучшему. Приблизительно 120W реальных. Образцово показательное качество исполнения, питания, охлаждения, разводки и шин. Мы такой уже один купили. Все очень хорошо. Точно можем рекомендовать. Брали именно у этого продавца здесь.
В Китае его можно посмотреть здесь
Усилитель, для тех, кому требуется мощность. Аналоговый блок питания
Это очень важно, так как на высоких мощностях цифровые блоки питания выходят из строя очень быстро. Не очень хорошо, что стоит вентилятор
Но при этих мощностях прослушивания, уверяю вас, вы его не услышите точно. Возможно обороты вентилятора регулируются в зависимости от нагрева радиаторов. Возможно нет. Мы не знаем. 8 Ом до 250 Вт + 250 Вт. Это реальные ватты. Если бы он был на пассивном охлаждении, то весил бы уже не 11,2 кг., а под все 30 кг. И если сейчас за него просят около 16 тыс. руб. с доставкой. То при пассивном охлаждении он бы стоил с доставкой, — под 30 тыс. руб. И возможно даже больше. И целесообразность тащить такой аппарат (по такой цене) из Китая несколько исчезает.
8 Ом до 250 Вт + 250 Вт. Это реальные ватты. Размер: 360*308*92 мм. Вес нетто: 11,2 кг. Ссылка.
Хотя появился относительно мощный усилитель без вентиляторов, и получилось как и предполагалось дорого:
- На выбор: класс A/B: 165 Вт + 165 Вт, или класс A: 40 Вт + 40 Вт
- Выходное значение: 4-8 Ом
- Входная чувствительность: >= 300 мВ
- Размер: 435X400X150mm
- Общее гармоническое искажение: 0,05thd %
- Посылка Вес: около 23 кг.
- Медиа плеер на ПК
- Бюджетные усилители
- Выбор бюджетной акустики
Какие усилители вы считаете качественными?
Poll Options are limited because JavaScript is disabled in your browser.
Можно давать несколько ответов
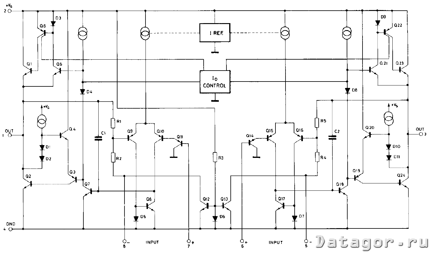
↑ Функциональная схема TDA2822M
приведена в документации . Как видно из рис. 1, каждый канал усилителя по структуре близок к типовой схеме Лина. Усилители имеют общие функциональные узлы: цепи задания опорного тока I REF для генераторов стабильного тока (ГСТ) в цепях эмиттеров дифференциальных каскадов, цепь задания смещения R3, D6 на базах ключей Q12, Q13 и цепи поддержания токов покоя I0 CONTROL выходных каскадов усилителя.
Данное решение способствует улучшению стабильности работы усилителя в мостовом режиме. Каждый канал усилителя состоит из дифференциального каскада Q9…Q11 (Q14…Q16), усилителя напряжения Q7 (Q18) и выходного каскада Q1…Q6 (Q18…Q24).
![]()
Рис. 1. Функциональная схема TDA2822M из Datasheet
Дифференциальный каскад имеет динамическую нагрузку в виде токового зеркала на элементах Q8, D5 (Q17, D6).
Исключён фрагмент. Полный вариант статьи доступен меценатам и полноправным членам сообщества. Читай условия доступа.
Обратите внимание, что другие цепи встроенной защиты выходного каскада отсутствуют, что сделано из соображений лучшего использования источника питания, к сожалению, в ущерб надежности. Выводы 5 и 8 микросхемы соединяются с общим проводом по переменному току
В этом случае коэффициент передачи усилителя с отрицательной обратной связью составит:
Выводы 5 и 8 микросхемы соединяются с общим проводом по переменному току. В этом случае коэффициент передачи усилителя с отрицательной обратной связью составит:
Ku=20lg(1+R1/R2)= 20lg(1+R5/R4)=39 дБ.
Структурная схема ИС представлена на рис. 2.

Рис. 2. Структурная схема TDA2822M
Экспериментально определено, что сумма сопротивлений резисторов R1+R2 и R5+R4 равна 51,575 кОм. Зная коэффициент усиления, несложно вычислить, что R1=R5=51 кОм, а R2=R4=0,575 кОм.
Чтобы уменьшить коэффициент усиления микросхемы с ООС, обычно последовательно с R2 (R4) включают дополнительный резистор. В данном случае такому схемотехническому приему «мешают» открытые транзисторные ключи на транзисторах Q12 (Q13).
Но даже, если предположить, что ключи не оказывают влияния на коэффициент передачи с обратной связью, маневр по уменьшению коэффициента усиления незначителен – не более 3 дБ; в противном случае не гарантируется устойчивость усилителя, охваченного ООС.
Поэтому можно поэкспериментировать с изменением коэффициента передачи усилителя, учтя, что сопротивление дополнительного резистора лежит в пределах 100…240 Ом.
Производители
Daya Electric Group; DCCOM (Dc Components); Futurlec; HTSEMI (Shenzhen Jin Yu Semiconductor); KEXIN (Guangdong Kexin Industrial); Kisemiconductor (Kwang Myoung I.S.); Micro Electronics; NEC; Rectron Semiconductor; SECO (SeCoS Halbleitertechnologie GmbH); Stanson Technology; TGS (Tiger Electronic); UTC (Unisonic Technologies); Weitron Technology; Willas Electronic Corp; Winnerjoin (Shenzhen Yongerjia Industry).
Аналоги транзистор C945
| Type | Mat | Struct | Pc | Ucb | Uce | Ueb | Ic | Tj | Ft | Cc | Hfe | Caps |
| 2DC2412R | Si | NPN | 0.3 | 50 | 0.15 | 180 | 180 | SOT23 | ||||
| 2SC1623RLT1 | Si | NPN | 0.3 | 60 | 50 | 7 | 0.15 | 150 | 180 | 3 | 180 | SOT23 |
| 2SC1623SLT1 | Si | NPN | 0.3 | 60 | 50 | 7 | 0.15 | 150 | 180 | 3 | 270 | SOT23 |
| 2SC2412-R | Si | NPN | 0.2 | 60 | 50 | 7 | 0.15 | 150 | 180 | 2 | 180 | SOT23 |
| 2SC2412-S | Si | NPN | 0.2 | 60 | 50 | 7 | 0.15 | 150 | 180 | 2 | 270 | SOT23 |
| 2SC2412KRLT1 | Si | NPN | 0.2 | 60 | 50 | 7 | 0.15 | 150 | 180 | 2 | 180 | SOT23 |
| 2SC2412KSLT1 | Si | NPN | 0.2 | 60 | 50 | 7 | 0.15 | 150 | 180 | 2 | 270 | SOT23 |
| 2SC945LT1 | Si | NPN | 0.23 | 60 | 50 | 5 | 0.15 | 150 | 150 | 2.2 | 200 | SOT23 |
| 2SD1501 | Si | NPN | 1 | 70 | 1 | 150 | 250 | SOT23 | ||||
| 2STR1160 | Si | NPN | 0.5 | 60 | 60 | 5 | 1 | 150 | 250 | SOT23 | ||
| 50C02CH-TL-E | Si | NPN | 0.7 | 60 | 50 | 5 | 0.5 | 150 | 500 | 2.8 | 300 | SOT23 |
| BRY61 | Si | PNPN | 0.25 | 70 | 70 | 70 | 0.175 | 150 | 1000 | SOT23 | ||
| BSP52T1 | Si | NPN | 1.5 | 100 | 80 | 5 | 0.5 | 150 | 150 | 5000 | SOT23 | |
| BSP52T3 | Si | NPN | 1.5 | 100 | 80 | 5 | 0.5 | 150 | 150 | 5000 | SOT23 | |
| C945 | Si | NPN | 0.2 | 60 | 50 | 5 | 0.15 | 150 | 150 | 3 | 130 | SOT23 |
| DNLS160 | Si | NPN | 0.3 | 60 | 1 | 150 | 200 | SOT23 | ||||
| DTD123 | Si | Pre-Biased-NPN | 0.2 | 50 | 0.5 | 150 | 200 | 250 | SOT23 | |||
| ECG2408 | Si | NPN | 0.2 | 60 | 65 | 0.3 | 150 | 300 | 300 | SOT23 | ||
| FMMT493A | Si | NPN | 0.5 | 60 | 1 | 150 | 500 | SOT23 | ||||
| FMMTL619 | Si | NPN | 0.5 | 50 | 1.25 | 180 | 300 | SOT23 | ||||
| L2SC1623RLT1G | Si | NPN | 0.225 | 60 | 50 | 7 | 0.15 | 150 | 250 | 3 | 180 | SOT23 |
| L2SC1623SLT1G | Si | NPN | 0.225 | 60 | 50 | 7 | 0.15 | 150 | 250 | 3 | 270 | SOT23 |
| L2SC2412KRLT1G | Si | NPN | 0.2 | 60 | 50 | 7 | 0.15 | 150 | 180 | 2 | 180 | SOT23 |
| L2SC2412KSLT1G | Si | NPN | 0.2 | 60 | 50 | 7 | 0.15 | 150 | 180 | 2 | 270 | SOT23 |
| MMBT945-H | Si | NPN | 0.2 | 60 | 50 | 5 | 0.15 | 150 | 150 | 3 | 200 | SOT23 |
| MMBT945-L | Si | NPN | 0.2 | 60 | 50 | 5 | 0.15 | 150 | 150 | 3 | 130 | SOT23 |
| NSS60201LT1G | Si | NPN | 0.54 | 60 | 4 | 150 | SOT23 | |||||
| ZXTN19100CFF | Si | NPN | 1.5 | 100 | 4.5 | 150 | 200 | SOT23F | ||||
| ZXTN25050DFH | Si | NPN | 1.25 | 50 | 4 | 200 | 240 | SOT23 | ||||
| ZXTN25100DFH | Si | NPN | 1.25 | 100 | 2.5 | 175 | 300 | SOT23 |
Основные технические характеристики
Обычно у транзисторов серии S8050 такие технические характеристики:
- Тип проводимости транзистора NPN;
- Тип корпуса ТО-92 или SOT-23;
- Максимально допустимый коллекторный ток (Maximum Collector Current) IK макс (Ic max) 0,7А или 700мА (mA), при температуре окружающей среды 25 градусов (С);
- Максимальное допустимое напряжение между коллектором и эмиттером (Collector-Emitter Voltage) UКЭ макс (VCE) не более 20 В (V);
- Максимальное допустимое напряжение между эмиттером и базой (Emitter-Base Voltage)UЭБ макс(VЕВО) не более 5 В (V);
- Максимальная мощность, рассеиваемая на коллекторе(Maximum Collector Dissipation) PK макс (PC ) 1 Ватт (Watt);
- Граничная частота передачи тока(Current Gain Bandw >
Внимание! Параметры транзистора S8050 у разных производителей могут незначительно отличатся друг от друга
Аналоги и описание
Комплементарной парой для него является S8550. Полные аналоги (не Российские) транзистора s8050 можно считать 9013, 9014 и 2N5551 их смело ставим взамен вышедшему из строя s8050.
- Максимально допустимый коллекторный ток составляет 700 мА (mA), поэтому можно управлять только нагрузками, которые находятся в пределах 0,7 А.;
- Максимальное напряжение, которое этот транзистор может пропустить через контакты коллектора и эмиттера, составляет 20 В (V), поэтому вы можете использовать его только в цепях, которые работают под напряжением 20 В(V);
- Нормальное значение коэффициента усиления по току транзистора равно 110 hFE, а максимальное значение 400 hFE;
- Максимальное значение усиления показывает максимальное усиление сигнала, которое Вы можете получить от транзистора в электронной схеме.
Применение
Транзисторы S8050 чаще всего применяются в качестве усилителя сигналов (обычно в усилителях класса B), двуконтактных схемах с комплементарным транзистором S8550, в качестве электронного ключа для небольших нагрузок, например:
Где и как мы можем использовать ? Транзистор S8050 это идеальный компонент для выполнения небольших и общих задач в электронных схемах. Вы можете использовать его в качестве переключателя в электронных цепях для включения нагрузок до 700 Ма (mA). 700 мА (mA) достаточно для работы с различными незначительными нагрузками. Его также используют в качестве усилителя на малых ступенях усиления или в качестве отдельного усилителя на малых сигналах.
Биполярный транзистор C945 — описание производителя. Основные параметры. Даташиты
Наименование производителя: C945
- Тип материала: Si
- Полярность: NPN
- Максимальная рассеиваемая мощность (Pc): 0.2 W
- Макcимально допустимое напряжение коллектор-база (Ucb): 60 V
- Макcимально допустимое напряжение коллектор-эмиттер (Uce): 50 V
- Макcимально допустимое напряжение эмиттер-база (Ueb): 5 V
- Макcимальный постоянный ток коллектора (Ic): 0.15 A
- Предельная температура PN-перехода (Tj): 150 °C
- Граничная частота коэффициента передачи тока (ft): 150 MHz
- Ёмкость коллекторного перехода (Cc): 3 pf
- Статический коэффициент передачи тока (hfe): 130
- Корпус транзистора: SOT23
- Аналоги (замена) для C945
Экономичный УНЧ на трех транзисторах
Для портативной радиоэлектронной аппаратуры важным параметром является экономичность УНЧ. Схема такого УНЧ представлена на рис. 10 [РЛ 3/00-14]. Здесь использовано каскадное включение полевого транзистора VT1 и биполярного транзистора VT3, причем транзистор VT2 включен таким образом, что стабилизирует рабочую точку VT1 и VT3.
При увеличении входного напряжения этот транзистор шунтирует переход эмиттер — база VT3 и уменьшает значение тока, протекающего через транзисторы VT1 и VT3.
Рис. 10. Схема простого экономичного усилителя НЧ на трех транзисторах.
Как и в приведенной выше схеме (см. рис. 6), входное сопротивление этого УНЧ можно задавать в пределах от десятков Ом до десятков МОм. В качестве нагрузки использован телефонный капсюль, например, ТК-67 или ТМ-2В. Телефонный капсюль, подключаемый при помощи штекера, может одновременно служить выключателем питания схемы.
Напряжение питания УНЧ составляет от 1,5 до 15 В, хотя работоспособность устройства сохраняется и при снижении питающего напряжения до 0,6 В. В диапазоне напряжения питания 2… 15 В потребляемый усилителем ток описывается выражением:
1(мкА) = 52 + 13*(Uпит)*(Uпит),
где Uпит — напряжение питания в Вольтах (В).
Если отключить транзистор VT2, потребляемый устройством ток увеличивается на порядок.
Наиболее важные параметры.
Коэффициент передачи тока от 15 и выше.
Максимально допустимое напряжение коллектор-эмиттер — 60 в, импульсное — 160 в — у КТ805А, КТ805АМ. 135 в — у КТ805Б, КТ805БМ, КТ805ВМ.
Напряжение насыщения коллектор-эмиттер при коллекторном токе 5 А и базовом 0,5А: У транзисторов КТ805А, КТ805АМ — не более 2,5 в. У транзисторов КТ805Б, КТ805БМ — 5 в.
Напряжение насыщения база-эмиттер при коллекторном токе 5 А и базовом 0,5А: У транзисторов КТ805А, КТ805АМ — не более 2,5 в. У транзисторов КТ805Б, КТ805БМ — 5 в.
Максимальный ток коллектора. — 5 А.
Обратный импульсный ток коллектора при сопротивлении база-эмиттер 10Ом и температуре окружающей среды от +25 до +100 по Цельсию, у транзисторов КТ805А, КТ805АМ — — не более 60 мА, при напряжении колектор-эмиттер 160в. У транзисторов КТ805Б, КТ805БМ — — не более 70 мА, при напряжении колектор-эмиттер 135в.
Обратный ток эмиттера при напряжении база-эмиттер 5в не более — 100 мА.
Рассеиваемая мощность коллектора(с теплоотводом). — 30 Вт.
Граничная частота передачи тока — 20 МГц.
Транзисторы КТ805 и качер Бровина.
Качер Бровина — черезвычайно популярное устройство, представляющее из себя фактически, настольный трансформатор Тесла — источник высокого напряжения. Схема самого генератора предельно проста — он очень напоминает обычный блокинг-генератор на одном транзисторе, хотя как утверждают многие, им вовсе не является.
В качере(как в общем-то и в блокинг-генераторе) теоретически, можно использовать любые транзисторы и радиолампы. Однако, практически очень неплохо себя зарекомендовали именно транзисторы КТ805, в частости — КТ805АМ.
В самостоятельной сборке качера самый серьезный момент — намотка вторичной обмотки(L2). Как правило она содержит в себе от 800 до 1200 витков. Намотка производится виток, к витку проводом диаметром 0,1 — 0,25 мм на диэлектрическое основание, например — пластиковую трубку. Соответствено, габариты полученного трансформатора (длина) напрямую зависят от толщины используемого провода. Диаметр каркаса при этом некритичен — может быть от 15мм, но при его увеличении эффективность качера должна возрастать (как и ток потребления).
После намотки витки покрываются лаком(ЦАПОН). К неподключенному концу катушки можно подсоединить иглу — это даст возможность наблюдать «стример» — коронообразное свечение, которое возникнет на ее кончике, во время работы устройства. Можно обойтись и без иглы — стример точно так же будет появляться на конце намоточного провода, без затей отогнутого к верху.
Вторичная обмотка представляет из себя бескаркасный четырехвитковой соленоид намотаный проводом диаметром(не сечением!) от 1,5 до 3 мм. Длина этой катушки может составлять от 7-8 до 25-30 см, а диаметр зависит от расстояния между ее витками и поверхностью катушки L2. Оно должно составлять 1 — 2 см. Направление витков обеих катушек должно совпадать обязательно.
Резисторы R1 и R2 можно взять любого типа с мощностью рассеивания не менее 0,5 Вт. Конденсатор C1 так же любого типа от 0,1 до 0,5 мФ на напряжение от 160 в. При работе от нестабилизированного источника питания необходимо подсоединить параллельно C1 еще один, сглаживающий конденсатор 1000 — 2000 мФ на 50 в. Транзистор обязательно устанавливается на радиатор — чем больше, тем лучше.
Источник питания для качера должен быть рассчитан на работу при токе до 3 А (с запасом), с напряжением от 12 вольт, а желательно — выше. Будет гораздо удобнее, если он будет регулируемым по напряжению. Например, в собранном мной образце качера, при диаметре вторичной катушки 3 см (длина — 22см), а первичной — 6см (длина — 10 см) стример возникал при напряжении питания 11 в, а наиболее красочно проявлялся при 30 в. Причем, обычные эффекты, вроде зажигания светодиодных и газоразрядных ламп на расстоянии, возникали уже с начиная с уровня напряжения — 8 в.
В качестве источника питания был использован обычный ЛАТР + диодный мост + сглаживающий электролитический конденсатор 2000 мФ на 50 в. Больше 30 вольт я не давал, ток при этом не превышал значения в 1 А, что более чем приемлимо для таких транзисторов как КТ805, при наличии приличного радиатора.
При попытке заменить(из чистого интереса) КТ805 на более брутальный КТ8102, обнаружилось что режимы работы устройства значительно поменялись. Заметно упал рабочий ток. Он составил всего — от 100 до 250 мА. Но стример стал загораться только при достижения предела напряжения 24 в, при напряжении 60 в выглядя гораздо менее эффектно, нежели с КТ805 при 30.
Схема самодельного усилителя мощности звуковой частоты.

Транзисторы VT3, VT4, VT5, VT6 устанавливаются на радиаторы. Расчет радиаторов для них. Рассеиваемая мощность для расчета на каждом из транзисторов VT5, VT6 — 30 Вт, на каждом из транзисторов VT3, VT4 — 5 Вт. Ни в коем случае нельзя ставить VT3, VT4 и транзисторы VT5, VT6 на один радиатор, даже с изолирующими прокладками. Нагрев выходных транзисторов VT5, VT6 не должен передаваться транзисторам VT3, VT4.
Устройство питается от двухполярного стабилизированного источника питания +- 30 В. Таким образом напряжение между положительным и отрицательным выводами питания составляет 60 В.
Схема усилителя звука на транзисторах своими руками
Диапазон звуковых частот, которые воспринимаются человеческим ухом, находится в пределах 20 Гц-20 кГц, но устройство, выполненное на одном полупроводниковом приборе, из-за простоты схемы и минимального количества деталей обеспечивает более узкую полосу частот. В простых устройствах, для прослушивания музыки достаточно частотного диапазона 100 Гц-6 000 Гц. Этого хватит для воспроизведения музыки на миниатюрный динамик или наушник. Качество будет средним, но для мобильного устройства вполне приемлемым.
Схема простого усилителя звука на транзисторах может быть собрана на кремниевых или германиевых изделиях прямой или обратной проводимости (p-n-p, n-p-n). Кремниевые полупроводники менее критичны к напряжению питания и имеют меньшую зависимость характеристик от температуры перехода.
Заключение
Информация о маркировочных кодах, содержащаяся в литературе, требует критического подхода и осмысления. К сожалению, красиво оформленный каталог с безукоризненной полиграфией не гарантируют от опечаток, ошибок, разночтений и противоречий, поэтому исходите из данных, что приведены в справочнике о маркировке радиоэлементов.
В заключение хотелось бы поблагодарить источники, которые были использованы для подбора материала к данной статье:
www.mp16.ru
www.rudatasheet.ru
www.texnic.ru
www.solo-project.com
www.ra4a.narod.ru
Предыдущая
ПолупроводникиЧто такое биполярный транзистор
Следующая
ПолупроводникиSMD транзисторы


























