Акустическая система S-90 (первая модель)
Рис. 1. Внешний вид колонок Radiotehnika S-90.
В акустической системе имеются два ступенчатых регулятора уровня воспроизведения раздельно для средних и высоких частот в диапазонах от 500 до 5000 Гц и от 5 до 20 кГц соответственно.
Оба регулятора имеют по три фиксированных положения: «0»,»-3дБ» и «-6 дБ». В положении «0» сигнал с разделительного фильтра подается нп соответствующую головку непосредственно. В положениях «-3 дБ» и «-6 дБ» сигнал ослаблен относительно положения «0» на 1.4 и 2 раза соответственно. При соответствующем спектральном составе программы переключением регулятора изменяют тембральную окраску звучания.
Паспортные технические характеристики S-90:
| Паспортная мощность | 90 Вт |
| Номинальная мощность | 35 Вт |
| Номинальное электрическое сопротивление | 4 Ом |
| Диапазон воспроизводимых частот | 31.5-20000 Гц |
| Номинальное звуковое давление | 1.2 Па |
| Габаритные размеры АС | 360x710x285 мм |
| Масса АС не более | 30 кг |

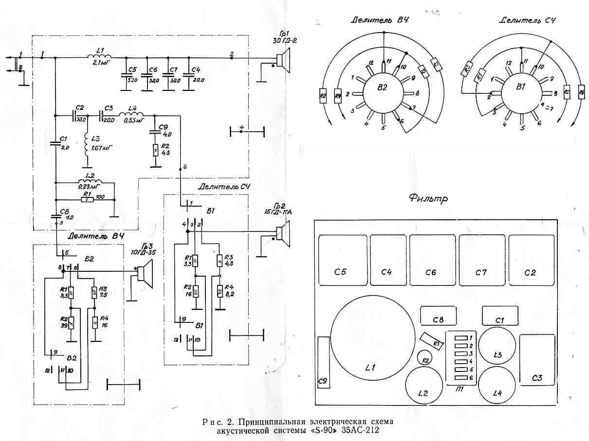
Рис. 2. Принципиальная схема акустических колонок S90 35АС-212.
Внутри
Внутренний объём заполнен звукопоглотителем из технической хлопковой ваты, обтянутой марлей. Таким образом уменьшается влияние звукового давления на АЧХ и достигается более качественное звучание колонки за счёт исключения резонансов во внутреннем объёме. Внутри корпуса — электрические фильтры на плате, разделяющие полосы акустической системы. В комплекте также были четыре ножки из пластмассы, предназначенные для крепления на основание корпуса, а также декоративная съёмная рамка с трикотажным полотном, добавляющая акустическую прозрачность.
Редкая акустическая система тех времён обладает такими качествами, как колонки С-90 — мощность звука просто зашкаливает! Но на близкой к предельной громкости низкие частоты становятся неразборчивыми и гулкими, а верхи начинают цокать — это характерная особенность высокочастотных головок 6ГДВ-1-16. Чуть позже, когда стала поступать в продажу аналогичная продукция — «Амфитон 35АС-018», «Орбита 35АС-016» и другие, головка использовалась уже другая. Иногда аналоги этой акустической системы давали более глубокое и сбалансированное звучание, чем оригинальные колонки S-90.

S-30A Radiotehnika
Производитель — Рижский электромеханический завод «РЭМЗ»
Акустическая система S-30A Радиотехника является упрощенной 4-Омной версией 8-омной S-30 Radiotehnika (10АС-315, 10АС-222), c целью удешевления производства, не имеющая фазоинвертор с упрощенным фильтром (без фильтра НЧ и фильтр ВЧ — 1-го порядка, без светодиодного индикатора перегрузки) выполненном навесным монтажом на терминале для подключения АС.
Выпускались для укомплектования электрофонов «Radiotehnika 301 stereo», «Arija EF-5303 stereo» и «Arija EF-5208 stereo», выпускаемых заводом «РЭМЗ».
Завод «RRR» для электрофонов, сделанных заводом «РЭМЗ», выпускал такие же колонки под названием 6АС-221 (S-20A)
электрофон «Radiotehnika 301 stereo»
электрофон Ария ЭФ-5303 Стерео

электрофон Ария ЭФ-5208 Стерео
— расширенным диапазоном воспроизводимых частот 80. 18000 Гц (вместо 80. 12500 Гц), в следствии применения высокочастотных динамиков 3ГД-2 (6ГДВ-1-16) с шелковыми мембранами вместо пластиковых;
— логотипом и графиком АЧХ в левом нижнем углу на лицевой пластиковой панели «RRR Radiotehnika» вместо «REMR Radiotehnika» , также отличаются и отображенные рядом графики АЧХ
Технические характеристики:
2-х полосная полочная АС закрытого типа
Диапазон частот: 80 – 18000 Гц
Чувствительность: 84 дБ
Сопротивление: 4 Ом
Рекомендуемая мощность усилителя: 20 — 35 Вт
Номинальная мощность: 6 Вт
Паспортная мощность: 30 Вт
НЧ/СЧ: 25 ГДН-1-4 (10 ГД-34) ВЧ: 6 ГДВ-1-16 (3 ГД-2)
Частота раздела фильтра: 5000 Гц
Размеры (ВхШхГ): 364х214х195 мм

Описание:
Корпус выполнен в виде прямоугольного неразборного ящика из древесностружечной плиты, фанерованной шпоном ценных пород дерева. Лицевая панель отделана пленкой или шпоном и закрыта пластмассовыми декоративными панелями черного цвета. На стыках стенок корпуса с внутренней его стороны установлены элементы, увеличивающие прочность и жесткость корпуса.
Динамики расположены на лицевой панели симметрично относительно вертикальной оси симметрии АС. В нижней части лицевой панели крепится шильдик с изображением на нем кривой АЧХ. На задней стенке расположены клеммы подключения, а в верхней её части – скоба для крепления к стене.

Схема фильтра S-30A аналогична схеме Акустической системы Радиотехника 10АС-9 (10АС-209, 10АС-409).
НЧ динамик подключен без фильтра, ВЧ — через фильтр первого порядка с частотой среза — 5000 Гц



Вид сзади: Терминалы для подключения располагались как вверху, так и внизу задней стенки. Также устанавливались терминалы меньших размеров с пружинными клеммами как у S-30B




Упаковочная коробка из гофрокартона
Достались мне как-то советские колонки S-30. Состояние у них было плачевное: у них не работали динамики (оборвались от старости проводки). В последствии я их сделал, временно подцепив их маленькими проводками.
Они у меня работали недели 2-3 в составе дом. кинотеатра, и в один прекрасный день я загорелся их переделать («моддинговать»).

Основные технические характеристики Радиотехника S30:
Тюнинг
Чоткий звук у пацана!
Любой школьник, долго предвкушая радость от мегабасов и, наконец, приобретя сабж, читает в интернетах про модификацию и начинает бредить улучшением (в основном, в виде замены проводов на акустические, выкидыванием изнутри сеток с ватой, обклейкой войлоком и покраске сабжа серебрянкой). Хотя руки, как правило, имеют повышенную кривизну, поэтому в лучшем случае дело заканчивается, не начавшись, а в худшем — на выходе получаются убитые в хлам в звуковом плане колонки, которые теперь годятся не более как подставки для другой акустики. Обладатели же более прямых рук много чего перепаивали и перепиливали, оставляя от S-90 разве что шильдик. Бывалые аноны соблюдают баланс модернизации и винтажа, но нужно запомнить, что фатальные недостатки любимых колонок все равно не исправить. Силы и средства лучше вложить в покупку более приличных АС, это будет рациональнее и экономнее, а S-90 и их аналоги продать нуждающимся, которые оторвут их с руками.
Вставши на скользкий путь улучшений, следует помнить, что колонки больше не производятся. Поэтому навредить — это стать последним гомосеком. Если хорошо выглядит, нормально играет, ручки не шуршат — НЕ ЛЕЗЬ, рукожоп.
Прежде всего проходимся герметиком по стыкам, дабы не было акустического короткого замыкания, — внутренности колонки должны соприкасаться с этим жестоким миром через фазоинвертор. Аттенюаторы высоких и средних сначала промываем спиртом, потом смазываем WD-шкой для контактов или маслом для кулеров. Смотрим провода — должны быть медные, не соприкасаться ничем. Стяжками их сцепляем вместе, приклеиваем к стенкам, если слишком длинные. Стаканы среднечастотника откручиваем, в оба впихиваем одинаковое количество ваты. Закрепляем, обмазываем герметиком. Выемка на стакане должна быть занята проводами.
Два тюка с ватой укладываем так: один укладывается под 75ГДН сразу на фильтр, не касаясь фазоинвертора, второй — между среднечастотником и этим басовым. Получается стакан для басовика, виртуально увеличивая объем. А нам это и надо! По верхним углам можно налепить уголок поролона — получится басовая ловушка, что по идее улучшит характеристики колонки. Собираем все назад, ставим бананы на крепления для проводов или винтовые зажимы — кому что нравится, протираем тряпочкой. Если кому мало красоты, то сбитые углы обрабатываем шпатлевкой и оклеиваем пленкой/ламинатом. Кому много красоты — бесцветным лаком. У кого красота спасает мир — обрабатываем рояльным лаком, натерев маслом.
Перед тем, как ставить решетки, следует обратить особое внимание на подвесы диффузоров в среднечастотном и низкочастотном динамиках. Подвес — это круглая резинка по краю динамика, на которую приклеен диффузор и благодаря которой он так эффектно дёргается в такт басам
Так вот, эти резиновые кольца должны быть родными, из чёрной, плотной, холодной и гладкой резины. Если динамики переделывались и подвес внезапно из поролона, либо на нём есть неровности, следы клейки, шершавости от обработки наждачкой — продавца надо послать на йух, ибо диффузор оторвётся через месяц слушания митола. Сохранившийся хороший, годный подвес из резины надо аккуратно помазать силиконовой смазкой. Не автомобильной в баллончике, а купленной в пузырьке в магазине радиодеталей. Известна как ПМС-100.
Больше ничего делать не надо. Ты — не реставратор и не акустик. Не суй кривые грабли в отличную для своего времени акустику!
Литература
- Жагирновский М., Шоров 8. Улучшение звучания 35АС-1 и ее модификаций. Радио, 1987, № 8, с. 29–30.
- Шоров В. Улучшение головок громкоговорителей. Радио. 1986, № 4, с. 39–41.
- Алдошина И., Войшвилло А. Высококачественные акустические системы и излучатели. М., Радио и связь. 1985.
- Жбанов В. Механическое демпфирование диффузоров. Радио, 1988, № 5, с. 41–43.
- Маслов А. Еще раз о переделке громкоговорителя 35АС-212 (S- 90). Радио, 1985. № 1, С. 59.
- Жбанов В. О демпфировании динамических головок. Радио, 1987, № 8, с. 31–34.
- Геннадий и Карен Арзумановы. К вопросу о модернизации акустических систем. Вестник А.Р.Ф. №6, 2000
Акустическая система S-90 (первая модель)
Рис. 1. Внешний вид колонок Radiotehnika S-90.
В акустической системе имеются два ступенчатых регулятора уровня воспроизведения раздельно для средних и высоких частот в диапазонах от 500 до 5000 Гц и от 5 до 20 кГц соответственно.
Оба регулятора имеют по три фиксированных положения: «0»,»-3дБ» и «-6 дБ». В положении «0» сигнал с разделительного фильтра подается нп соответствующую головку непосредственно.
В положениях «-3 дБ» и «-6 дБ» сигнал ослаблен относительно положения «0» на 1.4 и 2 раза соответственно.
При соответствующем спектральном составе программы переключением регулятора изменяют тембральную окраску звучания.
Паспортные технические характеристики S-90:
| Паспортная мощность | 90 Вт |
| Номинальная мощность | 35 Вт |
| Номинальное электрическое сопротивление | 4 Ом |
| Диапазон воспроизводимых частот | 31.5-20000 Гц |
| Номинальное звуковое давление | 1.2 Па |
| Габаритные размеры АС | 360x710x285 мм |
| Масса АС не более | 30 кг |

Рис. 2. Принципиальная схема акустических колонок S90 35АС-212.
Доработка звучания
Вся эта реставрация, безусловно, сделает звук лучше. Но идеальным он станет только после долгой настройки. Бас приобретает недостающую чёткость, верха становятся воздушнее, прозрачнее. А вот со средними частотами придётся побороться с упорством. По центру мы слышим чаще всего вокал. Так вот ему явно не хватает звонкости. Попробовав несколько других, «неродных» динамиков, один всё-таки рано или поздно окажется удачным.
Не понадобится овладевание основным способом доработки среднечастотных динамиков — магическим: говорят, что если пропитать подвес волшебным герметиком, состоящим из двух частей крови дирижёра и одной части ацетона, то можно динамик не менять. Однако в строительных магазинах обычно руками разводят.
Итого, финансовые затраты на полный ремонт колонок S90: акустику сильно поношенную (а всё равно всё менять, кроме корпуса) можно приобрести примерно за тысячу рублей; высокочастотные динамики — 500 рублей; среднечастотные динамики — 110 рублей; ватин — 150 рублей; клей, скобы степлера (сам степлер можно у соседа попросить), шурупы и другая мелочь — в точности посчитать трудно, но это пустяки. Значит, вот эта превосходная акустика обойдётся находчивому и умелому меломану менее двух тысяч рублей.
Доработка 35АС-1
Как показали исследования, проведенные на кафедре радиовещания и электроакустики Московского электротехнического института связи (МЭИС), наиболее слабое звено AC — среднечастотная динамическая головка 15ГД-11 А. Частотная характеристика этой головки имеет резкий спад выше 4,5 кГц, что практически исключает возможность получения «яркого», «прозрачного» звучания в области средних частот.
Есть у нее и другой недостаток — большая масса подвижной системы, с которым, впрочем, можно успешно бороться введением акустического демпфирования . Не лишена недостатков и высокочастотная головка 10ГД-35. Основной из них — высокая частота резонанса подвижной системы. Разделительный фильтр с частотой среза 5 кГц не в состоянии ослабить компоненты сигнала, частота которых совпадает с резонансной, а это порождает много неприятных призвуков.
Существенно улучшить качество звучания АС можно, устранив причины, ухудшающие его, т. е. заменив головку 15ГД-11А широкополосной головкой 5ГДШ-5-4 (прежнее обозначение — 4ГД-53) и повысив частоту разделения средне- и высокочастотной полос с 5 до 10 кГц. После такой доработки паспортная мощность АС снижается примерно вдвое, поэтому эксплуатировать ее можно только с усилителем, номинальная выходная мощность которого не превышает 50 Вт (на один канал).
Выбор широкополосной головки 5ГДШ-5-4 не в последнюю очередь обусловлен идентичностью ее установочных размеров с головкой 15ГД-11А, что облегчает замену и позволяет сохранить в неприкосновенности внешний вид АС.
Для улучшения параметров головки 5ГДШ-5-4 необходимо промазать часть верхнего подвеса диффузора незасыхающей вибропоглощающей мастикой и снабдить ее панелью акустического сопротивления, заклеив окна диффузородержателя синтетическим войлоком (ТУ 17-35-3941-81) или другим подходящим материалом .
Порядок модернизации рассмотрим на примере системы 35АС-016. Положив ее задней стенкой вниз, вывинчивают шурупы, снимают декоративные накладки, извлекают головки 15ГД-11А н 30ГД-1 и через отверстие под последнюю — плату разделительного фильтра. Поскольку толщина фланца диффузородержателя новой головки значительно тоньше, под него необходимо подложить кольцевую прокладку, вырезанную точно по размерам фланца из пористой резины толщиной 8…10 мм.
Bо избежание касания диффузора и защитной сетки на шурупы (между головкой и декоративной накладкой) следует надеть гайки М5 — они плотно прижмут головку к боксу среднечастотной головки и, кроме того, предотвратят деформацию накладок под действием шурупов.
Подключают головку 5ГДШ-5-4 в той же полярности, что и 15ГД-11А. Для выравнивания чувствительности и согласования головки 5ГДШ-5-4 с разделительным фильтром (рис. 5) последовательно с ней включают резистор R’ (на схеме изображен штриховыми линиями), который закрепляют на плате фильтра.

Рис. 5. Фильтр акустики Радиотехника 35АС-11
Изменения в фильтре сводятся к следующему (позиционные обозначения элементов, номиналы которых изменяются при доработке, снабжены штрихами). Отпаяв выводы катушки L4 (0,56 мГн), ее снимают, а на освободившееся место устанавливают катушку L1 (0,22 мГн), которую включают в фильтр вместо L4 (это повышает верхнюю границу рабочей полосы частот среднечастотной головки).
Затем отматывают от катушки L4 115 витков (новая индуктивность — 0,1 мГн) и установив ее на плату, подключают вместо катушки L1. Конденсатор С1 (2мкФ) заменяют конденсатором С2 (1 мкФ), а вместо последнего включают бумажный конденсатор емкостью 0,5 мкФ. После такой переделки частота среза высокочастотного звена фильтра повышается до 10 кГц.
Для оценки эффективности предлагаемой доработки 35АС-1 рекомендуется вначале переделать одну АС и сравнить ее звучание с не переделанной в монофоническом режиме. Оценка будет более объективной, если слушатели не будут знать, какая именно АС подверглась модернизации, и определят ее по предпочтительности звучания. Переключать АС необходимо быстро (например, с помощью тумблера), причем желательно делать это несколько раз во время прослушивания одного и того же музыкального произведения.
Частотные характеристики АС до (штриховая линия) и после переделки (сплошная линия) приведены на рис. 6. Как видно, результат доработки проявляется в некотором уменьшении (с К) до (1 дБ) неравномерности характеристики в области средних частот. Сравнительное прослушивание показало уверенно заметную предпочтительность звучания переделанной АС.

Рис. 6. АЧХ акустики Радиотехника 35АС-1 после модернизации
Купола
Колонки S-90, как все знают, чаще всего огорчают звучанием ВЧ — с призвуками. Да и на средних частотах часто отсутствует звонкость. Умельцы рекомендуют в основном одно и то же: заменить СЧ, ВЧ и демпфилировать корпус. Но лучше лёгких путей не искать. Просто динамики прикрыты куполами из пластика. Это материал абсолютно неподходящий.
Шёлковые купола уберут призвуки и сделают звук прозрачнее. Поэтому динамики можно смело заменить. Пока модернизируется одна колонка, нужно обязательно тестировать звучание и сравнивать с той, которую модернизация только ожидает, то есть с оригинальной. Тогда становится абсолютно ясно, оставлять переделку или вернуть всё, как было. Главное — чтобы владелец колонок и золотых рук имел ещё и слух хороший.
Акустическая система S-90 (первая модель)
Рис. 1. Внешний вид колонок Radiotehnika S-90.
В акустической системе имеются два ступенчатых регулятора уровня воспроизведения раздельно для средних и высоких частот в диапазонах от 500 до 5000 Гц и от 5 до 20 кГц соответственно.
Оба регулятора имеют по три фиксированных положения: «0»,»-3дБ» и «-6 дБ». В положении «0» сигнал с разделительного фильтра подается нп соответствующую головку непосредственно. В положениях «-3 дБ» и «-6 дБ» сигнал ослаблен относительно положения «0» на 1.4 и 2 раза соответственно. При соответствующем спектральном составе программы переключением регулятора изменяют тембральную окраску звучания.
Паспортные технические характеристики S-90:
| Паспортная мощность | 90 Вт |
| Номинальная мощность | 35 Вт |
| Номинальное электрическое сопротивление | 4 Ом |
| Диапазон воспроизводимых частот | 31.5-20000 Гц |
| Номинальное звуковое давление | 1.2 Па |
| Габаритные размеры АС | 360x710x285 мм |
| Масса АС не более | 30 кг |

Рис. 2. Принципиальная схема акустических колонок S90 35АС-212.
Ностальгия
«Радиотехника S-90» считалась одной из лучших систем того времени и была востребована повсеместно. Концерты в домах культуры самых удалённых уголков нашей страны, выступления самодеятельности, школьные вечера с песнями и танцами — всюду эта аппаратура была незаменимой. Репетиции некоторые безответственные товарищи рисковали проводить на дому, и колонки С-90 создавали незабываемый звуковой эффект в абсолютно всех квартирах панельной пятиэтажки. «Благодарность» соседей была тоже неописуема. Их можно понять. Даже если владелец «врубал» среднюю громкость, посторонние звуки просто испарялись: куда-то исчезал вой собак, стук соседей по батареям, а также звук вялого баса из обычных колонок двумя этажами выше.
Колонка «Радиотехника» возвещала не то о приближающемся землетрясении, не то о военном истребителе, на бреющем полёте задевающем крышу. Люстры подпрыгивали, хрусталь в сервантах тоненько позванивал, а всё в комнате, что было не закреплено, явно вибрировало. Хотя нужно сказать, что в своём классе колонки С-90 самыми мощными и не считались, и не были, к ним устанавливался усилитель. Кстати, рабочие варианты этой аппаратуры нарасхват и сегодня. Стоит такая, даже сильно подержанная ретро-техника весьма недёшево. Колонка «Радиотехника» любой модификации в рабочем состоянии обойдется в сумму от четырёх тысяч рублей. Одна!

О недостатках
Вес одной колонки иногда превышал тридцать килограммов. Стоили они триста рублей за пару (инженер зарабатывал в месяц от девяноста рублей до ста двадцати). Однако в свободной продаже их мало кто видел. Музыкальные колонки С-90 многие покупали по одной, несмотря на то что не было никаких гарантий, что при покупке второй удастся сделать из них хорошо настроенную пару. Впрочем, даже если покупалась пара, сбалансированность её тоже никто не гарантировал: например, правая колонка С-90 мощность всю свою собирала воедино и настойчиво звучала громче левой. Это несмотря на то, что аппаратура позиционировалась как обладающая высшей категорией качества.
Этот недостаток не единственный из тех, что могла иметь колонка С-90. Динамики высоких частот часто выходили из строя, поскольку тонкие и слабые провода сами по себе не очень практичны. На средних частотах звучание было откровенно плохим и часто портило всё впечатление. Другая электроника рядом с этими громадами акустической системы не выдерживала, да и на человека создаваемое колонками магнитное поле влияло отрицательно. И всё-таки именно S-90 идеально могли создавать объёмное звучание в обычной квартире стандартного панельного дома. Особых претензий к саунду в общем-то не было.
Брать или не брать?
8 штук S-90: испытание терпения соседей
Есть хорошие, годные американские/европейские/японские трёхполосные (грубо: три динамика разного размера) колонки, внешне похожие на S-90, но они стоят столько, сколько у школьников-студентов нет. Есть другие советские годные колонки, куда лучше, чем S-90, но достать их, тем более в хорошем состоянии, сложнее, и стоить будут дороже. А есть китайское говно (оно может иметь брендовое имя, но оставаться говном), которое продаётся в DNS, «Быдлорадо» и «М.Видео». Так вот, если выбор стоит между китайским говном из DNS и S-90, стоит брать S-90. Будет всяко лучше, чем выкинуть 10 килорублей псу под хвост и поставить, может, и красивенькие, но унылые китайские говноколонки, что стоят у быдла рядом с ЖК-телевизорами, имитируя домашний кинотеатр.
Если нынешние колонки в принципе устраивают, а с деньгами туговато — лучше подавить вау-импульс в жопе и не тратить их. Дело в том, что настоящего СЧастья от покупки S-90 не обретёшь. Если денег достаточно, то можно сразу перешагнуть через эту ступень и купить что-то хорошее. А вот если встроенные и бюджетные аудиосистемы не устраивают или с карманных денег трудно накопить, либо вдруг возникло непреодолимое желание поковыряться паяльником, то вперед и с песней.
На «Авито» и прочих интернетах средняя цена за пару — 7-10 000 руб., на радиорынках и у барыг — 13-15 000 руб. Не стоит забывать, что к этим колонкам нужно будет купить ещё и усилитель. Хотя возможна ситуация, когда в заваленном советским старьём павильоне радиорынка усатый дедок с хитрой рожей, мнящий себя великим знатоком тёплого лампового звука, будет ломить и 17, и больше тыщ. А резонное замечание, что эти колонки столько не стоят, воспримет как личную обиду. С такими эстетами разговор короткий.
В малых городах и селах или на/в Украине сабж можно заполучить на рынке за копейки или в гараже у соседа за бутылку, поэтому колонки являются безусловным лидером в номинации (среднее) качество/цена (вообще мизерная). А вот в крупных населенных пунктах России вероятность халявы крайне мала, так как народ давно просек фишку и рассчитывает навариться на любителях модного сейчас винтажа по-крупному. К тому же, перекупщики не дремлют и все выгодные предложения тут же уходят им, а потом перепродаются с двойной или даже тройной наценкой.
Кстати, для чего можно взять?
- Антураж. Смотрятся стильно, но в духе прошедшей эпохи.
- Для съемок или как реквизит на заднем плане. Стильно, модно, молодежно!
- Тупо послушать музыку.
- Дешевый мониторинг дальнего поля в любительской студии.
Для всего остального лучше поискать новые или альтернативные варианты.
Комплектующие
Прежде всего, это усилитель. Советские уже выработали все свои сроки годности, но если есть навыки владения паяльником — сие не страшно. Импортный усилитель слишком повысит стоимость и так недешёвой техники S90, которую ещё предстоит ремонтировать. Слишком современный и дорогой усилитель этим колонкам ничего не даст, поскольку качество звучания зависит не от него, а от акустической системы.
Ничего заметно лучше звучать не будет. Всё равно какой усилитель, даже ламповый «Прибой-50-УМ», подойдёт. Смотреть надо не на дату изготовления, а на мощность. Сильнее 50 ватт на один канал ни к чему, и без того стены будут приплясывать, а пол ходуном ходить. Но если соседей не жалко — дело хозяйское.
Схема АС и подключение к источнику звука
Для того чтобы понять, стоит ли заниматься доработкой любой акустической системы, нужно изучить все данные и аспекты аппаратуры. Ниже приведена электрическая схема колонок S90. Разобраться в ней сможет каждый даже начинающий радиолюбитель, нужно лишь иметь хотя бы базовые знания.
Еще одним немаловажным моментом является правильное подключение акустической системы. Ведь если что-то пойдет не так, еще при подключении можно, того не желая, вывести аппаратуру из строя. Чтобы понять, как подключить колонки S90, не нужно быть профессионалом. Главное, иметь источник звука с усилителем не менее 20 Ватт (при этом, скорее всего, звук будет недостаточно громким для больших помещений), но и не более 90 Ватт. В случае превышения допустимого значения мощности усилителя пользователь рискует остаться без акустики ввиду ее поломки. Для подключения же потребуются обычные провода для акустики, которые необходимо соединить с клеммами на каждой колонке и на усилителе. Главным условием подключения является соблюдение полярности.
Акустическая система S-90D
Рис. 6. Внешний вид акустических колонок Radiotehnika S-90D.
В АС имеется индикация перегрузки головок громкоговорителей. Регуляторы, расположенные на лицевой панели АС, дают возможность плавно регулировать уровень звукового давления высокочастотной и среднечастотной головок громкоговорителя в пределах от 0 до минус 6 дБ.
Есть еще модель акустической системы «S-100D», в ней применена среднечастотная головка 30 ГДС-3 с магнитной жидкостью MAHID, что позволяет повысить паспортную мощность акустической системы до 100 Вт. В остальном конструкции «S-90D» и «S-100D» аналогичны.
Для работы АС необходимо подключить к усилителю, имеющему на выходе каждого канала наибольшую (максимальную) мощность в пределах от 50 до 150 Вт.
Если при работе АС начинают светиться индикаторы ПЕРЕГРУЗКА, то следует уменьшить уровень подаваемого на нее входного сигнала (регулятором громкости в усилителе, к которому подключена АС).
Паспортные технические характеристики S-90D:
| Паспортная электрическая мощность «S-90D»/»S100-D» не менее | 90 Вт 100 Вт |
| Номинальная электрическая мощность | 35 Вт |
| Номинальное электрическое сопротивление | 8 Ом |
| Диапазон воспроизводимых частот не уже | 25-25000 Гц |
| Характеристическая чувствительность в диапазоне частот 100-8000 Гц, при мощности 1 Вт, не менее | 89 дБ |
| Габаритные размеры АС | 360x710x286 мм |
| Масса АС не более | 23 кг |
На рисунке ниже изображена принципиальная схема колонок S90D.

Рис. 7. Принципиальная схема АС Радиотехника S90D.
Внешний вид и корпус
Если решетки и декоративные накладки динамиков «устали», то стоит их выпрямить и покрасить, предварительно зашкурив и обезжирив. Это придаст свежесть виду колонок. Корпус колонки S90 со временем расшатывается, и его можно усилить по желанию. Это приведет к лучшему звучанию НЧ-динамика.

Сделать это можно различными способами, в том числе установкой распорок и дополнительных уголков внутри
Также необходимо обратить внимание на герметизацию всех стыков и швов с помощью обычного сантехнического герметика. Ко всему прочему можно проклеить поролоном внутренние стенки корпуса (кроме передней), что позволит повысить объем последнего
Динамики и прочая «мелочь»
Для динамиков следует вырезать новые уплотнители. Сделать это можно с помощью дешевых или просто изживших свое ковриков для компьютерной мыши. Это самый простой вариант. После этого стоит вернуть их на свои посадочные места и поставить декоративные накладки и сетки.
Перед установкой на место регуляторов, придется выпаять из них все сопротивления. При установке их на место обязательно нужно применять герметик, как и при установке фазоинвертора.
Путем таких нехитрых манипуляций колонки S90 приобретают новую жизнь. Качество звука становится на порядок выше, несмотря на небольшие затраты. В итоге можно сказать, что если нет денег на дорогую акустику формата 2.0, можно воспользоваться подобным вариантом и стать счастливым обладателем проверенной временем АС «Радиотехника» S90. Если случилось так, что в наличии имеется только половина АС, не стоит расстраиваться. Ведь примечательно, что колонка S90, фото которой можно найти практически на любом сайте любителей акустики времен СССР, может работать одна и давать при этом неплохой результат.
Разбор
В том случае, если акустика была приобретена в б/у состоянии и на данный момент неплохо потрепана жизнью, стоит придать значение внешнему виду. Для этого нужно разобрать колонки S90, предварительно положив их на «спину».
При снятии динамиков нужно учесть, что ВЧ- и СЧ-головки крепятся к корпусу с помощью тех же винтов, что и декоративные сетки, и накладки. НЧ-динамик же крепится отдельно, и нужно быть максимально осторожным, чтобы не повредить его при откручивании.
Далее следует вытащить фазоинвертор, предварительно сняв с него крышку. Так как деталь пластиковая, стоит приложить максимальную аккуратность, чтобы нечаянно не обломить крепления.
Регуляторы ВЧ/СЧ демонтируются намного проще, чем кажется. Всё, что потребуется сделать, – это аккуратно снять декоративные заглушки, которые находятся в центре каждого регулятора. После этого с помощью отвертки необходимо выкрутить винт, открывшийся взору, и снять саму ручку регулятора. Пластиковую облицовку необходимо бережно приподнять с двух сторон с помощью плоских предметов и достать, а оставшиеся под ней четыре винта открутить. После этого аттенюатор можно подтолкнуть внутрь колонки S90, не забыв отпаять его от фильтра.
Мешочки ваты, находящиеся внутри корпуса, нужно достать. Опять же, если прошлый владелец колонок не забыл их вернуть на место в случае разбора.
Следует предварительно отпаять панель с фильтрами от выхода с задней стороны АС, после же ее нужно демонтировать, открутив винты. Теперь можно снять панель с прикрепленными к ней клеммами.
Заключение
Советская акустическая система Radiotehnika S90 относится к наиболее предпочтительным бюджетным вариантам. Она куда лучше справляется со своими обязанностями, чем любая современная акустика родом из Китая, прекрасно поддается доработке и может обеспечить звучание Hi-End класса. Что еще нужно для счастья меломану?

Приветствую уважаемых членов данного сообщества!Чтобы не закидали помидорами, сразу предупрежу, что в данной теме я лузер, в технических аспектах не разбираюсь, к звуку не требователен.Не знаю насколько уместно тогда мое обращение в данной теме, но все же… Краткая предыстория..Сделал сосед по даче презент- пару колонок Radiotechnika s-90. Работали они у него от какого-то «современного»усилителя, в котором в итоге «выгорела полоса» или что-то в этом роде (не понимаю). Когда он его отнес в ремонт, ему сказали что это из-за акустики (сопротивление разное или что-то такое). Вообщем, он привез домашнюю акустику а Radiotechnika s-90 презентовал мне.Соответственно без усилителя она играть отказывается…
Теперь суть вопроса! Помогите подобрать усилитель к акустике Radiotechnika s-90! Пытался «гуглить» видел массу рекомендаций приобрести какие-то уси из той же эпохи, но, как я понимаю, для подключения к ним современных источников подачи звука нужно будет что-то «колхозить» с разъемами (а может не правильно понимаю).Мои требования к усилителю, которые я для себя поставил:1) ЦЕНА! Это должен быть абсолютно бюджетный вариант. Играть все это будет на даче и, по-большому счету» нужен громкий звук! Естественно, если с чем-то будет играть лучше за те же деньги, кто же против…2) Совместимость и универсальность! Т.е. всякие ОМы, Мощности, современные разъемы. Первоначально хочу подключить к цифровой приставке «Триколора»…
Варианты б/у вполне уместны, естественно, за конкретные предложения буду благодарен!






























