Как работает
Полевой транзистор отличается от других разновидностей особенностями своего устройства. Он может относиться к одному из двух типов:
- с управляющим переходом;
- с изолированным затвором.
Первые из них бывают n канальными и p канальными. Первые из них более распространены. Они используют следующий принцип действия.
В качестве основы используется полупроводник с n-проводимостью. К нему с противоположных сторон присоединены контакты истока и стока. В средней части с противоположных сторон имеются вкрапления проводника с p-проводимостью — они являются затвором. Та часть полупроводника, которая между ними — это канал.
Вам это будет интересно Устройство и принцип действия частотного преобразователя

 Транзистор с управляющим переходом
Если к истоку и стоку n канального транзистора приложить разность потенциалов, то потечёт ток. Однако при подаче на затвор отрицательного напряжения по отношению к истоку, то ширина канала для перемещения электронов уменьшится. В результате сила тока станет меньше.
Таким образом, уменьшая или увеличивая ширину канала, можно регулировать силу тока между истоком и стоком или изолировать их друг от друга.
В p-канальных транзисторах принцип работы будет аналогичным.
Этот тип полевых транзисторов становится менее распространённым, а вместо него получают всё большее распространение те, в которых используется изолированный затвор. Они могут относиться к одному из двух типов: n-p-n или p-n-p. У них принцип действия является аналогичным. Здесь будет рассмотрен более подробно первый из них: n-p-n.
В этом случае в качестве основы для транзистора применяется полупроводник p-типа. В него встраиваются две параллельно расположенные полоски полупроводника с другим типом основных носителей заряда. Между ними по поверхности прокладывается изолятор, а сверху устанавливается слой проводника. Эта часть является затвором, а полоски — это исток и сток.

 Устройство транзистора
Когда на затвор подаётся положительное напряжение по отношению к истоку, на пластину попадает положительный заряд, создающий электрическое поле. Оно притягивает к поверхности положительные заряды, создавая канал для протекания тока между истоком и стоком. Чем сильнее напряжение, поданное на затвор, тем более сильный ток проходит между истоком и стоком.
Для всех типов полевых транзисторов управление происходит при помощи подачи напряжения на затвор.

 Транзистор открыт
Какие случаются неисправности
Полевые транзисторы могут быть перегружены током во время проведения проверки и, в результате перегрева прийти в неисправное состояние.
Важно! Они уязвимы к статическому напряжению. В процессе проведения работы нужно обеспечить, чтобы оно не попадало на проверяемую деталь
При работе в составе схемы может произойти пробой, в результате которого полевой транзистор становится неисправным и подлежит замене. Его можно обнаружить по низкому сопротивлению p-n-переходов в обоих направлениях.
Определить то, насколько транзистор является работоспособным можно, если прозвонить его с помощью цифрового мультиметра.
Назначение выводов
Это нужно делать следующим образом (для примера используется широко распространённая модель М-831, рассматривается полевой транзистор с каналом n-типа):
- Мультиметр нужно переключить в режим диодной проверки. Он отмечен на панели схематическим изображением диода.
- К прибору присоединены два щупа: чёрный и красный. На лицевой панели имеются три гнезда. Чёрный устанавливают в нижнее, красный — в среднее. Первый из них соответствует отрицательному полюсу, второй — положительному.
- Нужно на тестируемом полевом транзисторе определить, какие выходы соответствуют истоку, затвору и стоку.
- В некоторых моделях дополнительно предусмотрен внутренний диод, защищающий деталь от перегрузки. Сначала нужно проверить то, как он работает. Для этого красный провод присоединяют к истоку, а чёрный — к стоку.
Вам это будет интересно Установка двухзонного счетчика
Проверка диода в прямом направлении
На индикаторе должно появиться значение, входящее в промежуток 0,5-0,7. Если провода поменять местами, то на экране будет указана единица, что означает, что ток в этом направлении не проходит.
Проверка диода в обратном направлении
- Дальше осуществляется проверка работоспособности транзистора.
Если присоединить щупы к истоку и стоку, то ток не будет проходить по ним. Чтобы открыть затвор. Необходимо подать положительное напряжение на затвор. Нужно учитывать, что на красный щуп подан от мультиметра положительный потенциал. Теперь достаточно его соединить с затвором, а чёрный со стоком или истоком, для того, чтобы транзистор стал пропускать ток.
Открытие канала
Теперь, если красный провод подключить к истоку, а чёрный — к стоку, то мультиметр покажет определённую величину падения напряжения, например, 60. Если подключить наоборот, то показатель будет примерно таким же.
Если на затвор подать отрицательный потенциал, то это закроет транзистор в обоих направлениях, однако будет работать встроенный диод. Если полевик закрыт не будет, то это указывает на его неисправность.
Проверка мофсета с p-каналом выполняется аналогичным образом. Отличие состоит в том, что при проверке там, где раньше использовался красный щуп, теперь используется чёрный и наоборот.
Работа полевого МДП транзистора
Транзистор Дарлингтона
Если нагрузка очень мощная, то ток через неё может достигать
нескольких ампер. Для мощных транзисторов коэффициент \(\beta\) может
быть недостаточным. (Тем более, как видно из таблицы, для мощных
транзисторов он и так невелик.)
В этом случае можно применять каскад из двух транзисторов. Первый
транзистор управляет током, который открывает второй транзистор. Такая
схема включения называется схемой Дарлингтона.

В этой схеме коэффициенты \(\beta\) двух транзисторов умножаются, что
позволяет получить очень большой коэффициент передачи тока.
Для повышения скорости выключения транзисторов можно у каждого соединить
эмиттер и базу резистором.

Сопротивления должны быть достаточно большими, чтобы не влиять на ток
база — эмиттер. Типичные значения — 5…10 кОм для напряжений 5…12 В.
Выпускаются транзисторы Дарлингтона в виде отдельного прибора. Примеры
таких транзисторов приведены в таблице.
| Модель | \(\beta\) | \(\max\ I_{к}\) | \(\max\ V_{кэ}\) | 
|---|---|---|---|
| КТ829В | 750 | 8 А | 60 В | 
| BDX54C | 750 | 8 А | 100 В | 
В остальном работа ключа остаётся такой же.
Самые популярные MOSFET-транзисторы
IRFZ44N — легко прикручивается к радиатору, имеет низкое сопротивление открытого канала (17,5 мОм) и может проводить большие токи (до 49 А). К сожалению, он имеет высокое пороговое напряжение (2-4 В), поэтому мы рекомендуем управлять им от более высокого напряжения, например 12 В.
 Описание выводов транзистора IRFZ44N (слева вид снизу, т.е. со стороны выводов)
Описание выводов транзистора IRFZ44N (слева вид снизу, т.е. со стороны выводов)
IRL2703 — он немного слабее (максимальный ток стока 24 А) и имеет более высокое сопротивление открытого канала (40 мОм), но его пороговое напряжение составляет около 1 В, поэтому можно попробовать управлять им напрямую с микроконтроллера, питаемого от 5 В.
 Описание выводов транзистора IRL2703 (слева вид снизу, т.е. со стороны выводов)
Описание выводов транзистора IRL2703 (слева вид снизу, т.е. со стороны выводов)
BSS123 — выпускается в небольшом корпусе для поверхностного монтажа (SMD), что может усложнить установку для новичков. Его параметры не впечатляют: сопротивление открытого канала 10 Ом (при U GS = 4,5 В) и максимальный ток стока 170 мА. Однако он идеально подходит для прямого управления с микроконтроллеров на 5 В.
 Описание выводов SMD транзистора BSS123 (слева — вид сверху)
Описание выводов SMD транзистора BSS123 (слева — вид сверху)
Возможно, вам также будет интересно
Использование постоянных резисторов для ограничения тока заряда конденсаторов является общепринятой практикой. Однако такое решение связано с некоторыми рисками. Например, короткое замыкание конденсатора или выход из строя реле приводят к тому, что через постоянный токоограничивающий резистор в течение длительного времени протекает большой ток и выделяется много тепла, это может вывести из строя как сам резистор, так
Радиотехнические или электронные устройства могут не иметь в своей конструкции, например, микроконтроллеров или транзисторов, но в любом случае они будут содержать источник питания (ИП). Несмотря на очевидность сказанного, подход к выбору ИП должен быть ответственным и осознанным. Золотое правило опытного разработчика радиоэлектронной аппаратуры гласит, что для успешного завершения опытно-конструкторских работ (ОКР) все, что может быть
Компания Mean Well продолжает развитие линейки источников питания серии SE. В дополнение к существующим сериям мощностью 200; 350; 450; 600; 1000 и 1500 Вт производитель представляет новую серию источников питания мощностью 100 Вт — SE-100.
Источники питания серии SE-100 имеют входное напряжение 115 или 230 В (значение определяется положением переключателя). Эти устройства выпускаются с одним выходом. Номинальное выходное напряжение составляет от 5 до 48 В в зависимости от модели.
ИП серии SE-100 по своим характеристикам и размерам идентичны источникам питания серии NES-100. Их отличие …
Проверка транзисторов мультиметром: нештатный режим
Допустим, вызывает сомнение исправность транзистора полевого типа. Известный русский вопрос в электронике присутствует. Начинают думать… м-да.
- Полевой транзистор отпирается или запирается определенным знаком напряжения. Обсуждали выше. Если помните, говорили, при прозвонке на щупах тестера небольшое постоянное напряжение. Будем использовать в наших тестах. Пока транзистор на плате, сложно сделать измерения, стоит изъять из привычного окружения, как можно применить нестандартные методики. Оказывается, если приложить на электрод отпирающее напряжение, за счет некоторой собственной емкости транзистора область зарядится, сохраняя приобретенные свойства. Допускается прозвонить электроды между истоком и стоком. Сопротивление порядка 0,5 кОм покажет: полевой транзистор работоспособен. Стоит закоротить базу с другими отводами, проводимость исчезнет. Полевой транзистор закрылся и годен.
- Биполярные транзисторы, полевые с управляющим p-n переходом проверяют гораздо проще. В первом случае применяется схема замещения элемента двумя диодами, включенными навстречу (или наоборот спинками). Подадим отпирающее напряжение (p – плюс, n – минус), получив на измерителе сопротивления номинал 500 – 700 Ом. Можно также звонить, пользуясь слухом. Недаром на шкале часто нарисован диод. Прозвонка используется для проверки работоспособности. Напряжения хватает открыть p-n-переход.
Подготовка к проверке транзистора
Временами схватишь руками составной транзистор. Внутри корпуса находиться несколько ключей. Используется для экономии места при одновременном увеличении коэффициента усиления (причем в десятки, тысячи раз, если речь шла о каскадной схеме). Устроен так транзистор Дарлингтона. В корпус зашит защитный стабилитрон, предохраняющий переход эмиттер-база от перегрузки по напряжению. Тестирование идет одним путем:
- Нужно найти подробные технические характеристика транзистора (составного элемента). При нынешнем масштабе компьютеризации не составит проблемы. Даже если изделие импортное. Обозначения на схемах понятные, термины не сложные. Параметр hFE расписали.
- Затем ведется изучение, выполняется анализ. Разбиение схемы на более простые составляющие. Если между переходами коллектора и эмиттера включен стабилитрон, логично начать проверку с него. В начальный момент транзистор заперт, ток мультиметра пойдет, минуя защитный каскад. В одном направлении стабилитрон даст сопротивление 500-700 Ом, в другом (если не пробьется) будет обрыв. Аналогично разобьем на части транзистор Дарлингтона, если имеете представление (обсуждали выше).
Режим прозвонки покажет цифры. Говорят, падение напряжения, по некоторым сведениям, номинал сопротивления. Потрудимся привести опыты, решая вопрос. Вызвонить известный по значению сопротивления, заведомо исправный резистор. Если на экране появится номинал в омах, думать нечего. В противном случае можно оценить заодно ток (разделив потенциал дисплея на номинал). Знать тоже нужно, пригодится в процессе тестирования. До начала работ рекомендуется хорошенько изучить мультиметр. Достаньте инструкцию из мусорной корзины, прочитайте.
Народ интересуется вопросом, можно ли проверить транзистор мультиметром, не выпаивая. Очевидно, многое определено схемой. Тестер просто прикладывает напряжения, оценивает возникающие токи. На основе показаний вычисляется коэффициент усиления, служа критерием годности/негодности. Попробуйте проверить полевой транзистор мультиметром из входящих в состав процессора! Отбрось надежду всяк сюда входящий. Не всегда можно прозвонить полевой транзистор мультиметром.
Маркировка irfz44n
Приставка irf свидетельствует о том, что устройства производят на предприятиях, относящихся к компании International Rectifier (США). 14 лет назад году ее сотрудники продали технологии изготовления Vishay Intertechnology, а еще через 8 лет IR присоединилась к Infineon Technologies. Сегодня детали с такой же приставкой в названии выпускает ряд ещё нескольких независимых предприятий.
Некоторые технические описания устройства содержат в конце маркировки символы PbF, что в расшифровке означает plumbum free — бессвинцовый метод производства транзисторов. Он становится популярен во многих странах, так как многие химические соединения, вредные для экологии и для здоровья людей, на сегодняшний день запрещены к применению.
В даташит оригинала упоминается фирменная HEXFET-технология производства, созданная International Rectifier Corporation. Благодаря ей серьезно уменьшается сопротивление электронных деталей и температура нагрева во время их работы. Она же делает необязательным использование радиатора-охладителя.
IRFZ44N от производителя IR, имеющие структуру HEXFET, обладают самым низким сопротивлением стока-истока в 17,5 мОм. В техническом описании к этим устройствам есть отметка Power MOSFET. Она означает, что данные транзисторы — это мощные полупроводниковые приборы.
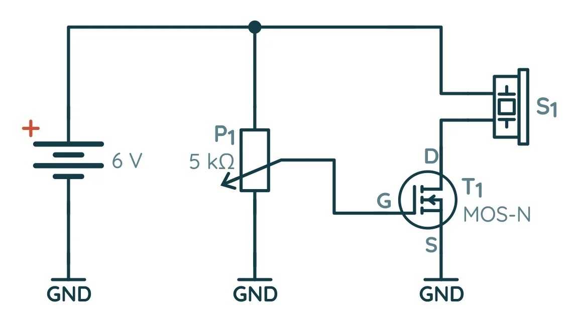
MOSFET-транзистор — влияние напряжения затвора
Мы уже знаем, что резистор на затворе MOSFET не влияет на работу схемы, т.к. затвор практически не потребляет ток. В такой ситуации смена резистора, ограничивающего максимальный ток, ничего не меняет. Именно здесь напряжение затвор-исток является ключевым.
Поэтому, на этот раз, мы проверим, как ведет себя эта схема, когда мы подаем на затвор другое напряжение. Для этой цели мы, конечно, будем использовать потенциометр в качестве делителя напряжения. Поворачивая головку потенциометра, мы сможем плавно регулировать напряжение, которое попадает на затвор.
 Схема с потенциометром
Схема с потенциометром
Собранная схема на практике может выглядеть так:
|  |  | 
| Схема сборки | Примерная реализация схемы | 
После включения питания, зуммер может свистеть, а может и не свистеть — все зависит от настройки потенциометра. Вначале стоит повернуть ее в сторону понижения, чтобы схема не издавала ни звука. В этом случае на затвор подается очень небольшое напряжение, поэтому ничего не происходит. Итак, мы начинаем медленно поворачивать головку потенциометра в другую сторону. В какой-то момент зуммер начнет издавать мягкий звук — это признак того, что транзистор начинает проводить (из-за превышения порогового напряжения).
 Пороговое напряжение в документации транзистора BS170
Пороговое напряжение в документации транзистора BS170
В этой ситуации стоит измерить напряжение между затвором и истоком (т.е. землей). Во время этого эксперимента зуммер начинал пищать, когда напряжение составляло 1,86 В.
 Пример измерения напряжения UGSth
Пример измерения напряжения UGSth
При дальнейшем повороте головки, зуммер начинает звучать громче. Итак, мы находимся в линейной области — увеличение напряжения, протекающего на затвор, заставляет больше тока течь между истоком и стоком. Однако в какой-то момент мы дойдем до того, что дальнейшее изменение настроек потенциометра не повлияет на громкость зуммера — это так называемая область насыщения, которая возникает, когда на затвор подается напряжение более 2,6 В. В этой ситуации, ток, протекающий через полевой МОП-транзистор, ограничивается только зуммером, подключенным последовательно со стоком.
Астабильный мультивибратор на MOSFET транзисторах
MOSFET-транзисторы имеют такой же эффект, что и их биполярные «коллеги», поэтому их можно использовать для создания подобных схем. В рамках еще одного практического эксперимента мы соберем нестабильный мультивибратор на базе полевых МОП-транзисторов. В одной из статей мы описали такую схему на биполярных транзисторах. Тогда схема была такая:
Схема нестабильного мультивибратора на биполярных транзисторах
Однако на этот раз мы должны внести небольшое изменение. Новая схема будет выглядеть так:
Схема нестабильного мультивибратора на MOSFET транзисторах
Помимо замены самих транзисторов, изменилась и схема подключения. Резисторы R1 и R2 выполняют ту же роль, что и раньше, то есть ограничивают ток, протекающий через светодиоды. Однако резисторы R3 и R4, которые раньше питали базы транзисторов напрямую от батареи, теперь поляризовывают затворы прямо из стоков. Оба транзистора имеют разную полярность — потенциал стока «передается» через резистор на затвор.
|  |  | 
| Схема сборки мультивибратора | Примерная реализация схемы | 
В устойчивом состоянии, без конденсаторов, каждый светодиод будет немного светиться. Определенные потенциалы будут установлены на затворах (через резисторы R3 и R4): меньше, чем у источника питания (6 В), и больше, чем 0 В. Менее 6 В, потому что подача 6 В на затвор полностью откроет такой транзистор и уменьшит его потенциал стока до нуля. Больше 0 вольт, потому что подача 0 вольт на затвор приведет к засорению транзистора и увеличению его потенциала стока до 6 вольт.
| Такое включение R3 и R4 приводит к тому, что состояние равновесия устанавливается автоматически (где-то между этими значениями напряжения). | 
Конденсаторы C1 и C2 соединяют эти транзисторы вместе. Засорение одного (уменьшение потенциала затвора) вызывает автоматическое открытие другого (увеличение потенциала затвора). Чем больше открыт транзистор, тем ярче светит диод. В то время его сосед тоже забился больше. В этой схеме быстро развивается состояние, в котором транзисторы работают практически в двух состояниях: одно из них проводит ток, затем другое — не проводит, и цикл замыкается.
|  |  | 
| Мультивибратор на транзисторах MOSFET N (горит красный светодиод) | Мультивибратор на транзисторах MOSFET N (горит синий светодиод) | 
Назначение контактов
Перед применением полевка обычно уточняют его структуру, графическое обозначение и назначение контактов. Основой такого транзистора является появляющийся в полупроводнике, с двумя выводами (сток и исток), канал с электронной проводимостью (n-типа). Ширина этого канала зависит от величины подаваемого на затвор (третий вывод) отпирающего напряжения.
Графическое обозначение
Рассмотрим графическое обозначение. Канал типа-n рисуется пунктирной чертой, между примыкающими к нему линиями истока и стока. Стрелка, направленная на пунктирную черту, указывает на электронную проводимость прибора. Выводы канала обозначаются буквами: С-сток (D-drain), И-исток (S-source). Затвор, регулирующий сопротивление канала, обозначается буквой З (G-gate). В обозначении есть так называемый “паразитный” диод, он подключен к истоку анодом. Все графическое обозначение помещено в круг, символизирующий корпус прибора.
Распиновка
Наиболее широкое распространение rfz44n получил в пластиковом корпусе ТО220 с крепежным отверстием под винт, разработанном специально для дискретных мощных полевых транзисторов компанией International Rectifier. Цоколевка irfz44n, если смотреть на лицевую сторону, следующая: слева затвор (G), справа исток (S). Средний вывод является стоком (D), электрически соединенным с встроенным в корпус радиатором. Под маркой International Rectifier существуют экземпляры в корпусах D 2 PAK и ТО-262 (irfz44ns, irfz44nl), назначение выводов аналогично ТО-220.

IRFZ44N
мощный n-канальный полевой транзистор сделанный по технологии MOSFET (КМОП). Хорошие характеристики IRFZ44N дают возможность использовать его для управления мощной нагрузкой, благодаря низкому сопротивления n-канала мощность рассеивания может доходить до 83Вт. Конечно обязательным элементом будет радиатор способный рассеивать данную мощность для предотвращения выхода из строя транзистора IRFZ44N. Файл документации доступен на русском языке.
Цоколевка транзистора IRFZ44N показана на рис. 1  Рис. 1
Рис. 1
Характеристики транзистора IRFZ44N Корпус — TO-220AB Напряжение пробоя сток-исток 55 В Максимальное напряжение затвора 20 В Сопротивление в открытом состоянии 17.5 мОм Ток стока 41 А Заряд затвора 42.0 нКл Термосопротивление 1.8 К/Вт Рассеиваемая мощность 83 Вт
Видео работы контроллера бесколлекторного двигателя IRFZ44N:
В интернете часто вижу вопросы, чем отличается IRFZ44N от IRFZ44E, по сути идентичные полевые транзисторы отличающиеся лишь выходными характеристиками и то не значительно.
В своей практике использовал данные транзисторы для управления трехфазным бесколлекторным двигателем (BLDC), желательно совместно с данным транзистором использовать драйвер полевых транзисторов IR4427
Аналог транзистора IRFZ44E: iRF740
IRFZ44N – это N-канальный полевой транзистор, изготовленный по технологии MOSFET (КМОП). Это мощный транзистор обладает хорошими техническими характеристиками. Транзистор IRFZ44N идеально подходит для управления мощной нагрузкой, поскольку из-за малого сопротивления n-канала мощность рассеивания достигает 110 Вт. Безусловно, в этом случае необходимо использовать хороший теплоотвод (радиатор).
Характеристики полевого МОП-транзистора irfz44n указанные производителем в datasheet, говорят что он является мощным устройством на кремниевой основе с индуцированным n-каналом (нормально закрытым) изолированным затвором. Характеризуется такими предельными значениями: напряжение между контактами сток-исток до 55 В, током стока до 49 А, очень маленьким проходным сопротивлением 17.5 мОм и мощностью рассеивания до 94 Вт. Рабочая температура может достигать 175 °C. Разработан специально для низковольтных, высокоскоростных коммутационных систем источников питания, преобразователей и органы управления двигателями.
Когда транзистор начинает проводить?
Резонно задать вопрос: при каком напряжении затвор-исток может протекать ток через транзистор? Этот параметр называется пороговым напряжением (U GSth ) — при его течении в транзисторе создается канал. Фактически, ток протекает через транзистор при любом напряжении затвор-исток, но он может быть очень и очень малым.
Производители всегда предоставляют пороговое напряжение при фиксированном токе стока (ID). В этом случае протекающий ток считается «значительным», что является проблемой. К сожалению, каждый производитель определяет пороговое напряжение по-разному, т.е. с удобным для него током стока. Лучше всего проверить это самим в документации по транзисторам. Например, следующая фотография представляет собой выдержку из таблицы данных 2N7000, которая очень похожа на BS170.
 Фрагмент из документации транзистора 2Н7000
Фрагмент из документации транзистора 2Н7000
Проверка встроенного обратного диода
Практически в любом современном полевом транзисторе, за исключением специальных их типов, параллельно цепи сток-исток включен внутренний «защитный» диод. Наличие этого диода внутри полевика обусловлено особенностями технологии производства мощных транзисторов. Иногда он мешает, считается паразитным, однако в большинстве полевых транзисторов без него, как части цельной структуры электронного компонента, не обойтись.
Следовательно, в исправном полевом транзисторе данный диод тоже должен быть исправным. В n-канальном полевом транзисторе данный диод включен катодом к стоку, анодом — к истоку, а в p-канальном — анодом к стоку, катодом — к истоку. Включите мультиметр в режим «прозвонки» диодов. Если полевой транзистор является n-канальным, то красный щуп мультиметра приложите к его истоку (source), а черный — к стоку (drain).
Транзисторы являются одними из самых широко применяемых радиоэлементов. Несмотря на свою надёжность, они нередко выходят из строя, что связано с нарушениями режима в их работе. При этом поиск неисправного элемента в связи со спецификой устройства полевого транзистора вызывает определённые трудности.
Обычно сток находится посередине и соединен с проводящей подложкой транзистора, а истоком является правый вывод (уточните это в datasheet). В случае если внутренний диод исправен, на дисплее мультиметра отобразится прямое падение напряжения на нем – в районе 0,4-0,7 вольт. Если теперь положение щупов изменить на противоположное, то прибор покажет бесконечность. Если все так, значит внутренний диод исправен.
Порядок измерений.
Проверка цепи сток-исток
Полевой транзистор управляется электрическим полем затвора. И если емкость затвор-исток зарядить, то проводимость в направлении сток-исток увеличится. Итак, если транзистор является n-канальным, приложите черный щуп к затвору (gate), а красный — к истоку, и через секунду измените расположение щупов на противоположное — красный к затвору, а черный — к истоку. Так мы сначала наверняка разрядили затвор, а после — зарядили его. Затвор обычно слева, а исток — справа.
Теперь красный щуп переместите с затвора — на сток, а черный пусть останется на истоке. Если транзистор исправен, то как только вы переместите красный щуп с затвора на сток, мультиметр покажет что на стоке есть падение напряжения — это значит, что транзистор перешел в проводящее состояние.
Теперь красный щуп на исток, а черный — на затвор (разряжаем затвор противоположной полярностью), после чего снова красный щуп на сток, а черный — на исток. Прибор должен показать бесконечность — транзистор закрылся. Для p-канального полевого транзистора щупы просто меняются местами.
Проверка транзистора без выпаивания.
Если прибор запищит
Если на этапе проверки сток-исток прибор запищит, это может быть вполне нормальным, ведь у современных полевых транзисторов сопротивление сток-исток в открытом состоянии бывает очень маленьким. Как вариант, можно соединить затвор с истоком и в таком положении прозвонить сток-исток (для n-канального красный на сток, черный — на исток), прибор должен показать бесконечность.
Главное — чтобы не было звона затвор-исток и сток-исток, особенно в тот момент когда затвор заряжен противоположной полярностью.
P-канальные MOSFET транзисторы одноканальные
SOT-23
| -20 В | P-Channel, -20V, 2.6A, 135 mOhm, 2.5V Drive capable, SOT-23 | |
| P-Channel, -20V, 4.3A, 54 mOhm, 2.5V Drive capable, SOT-23 | ||
| -30 В | P-Channel, -30V, 1A, 150 mOhm, SOT-23 | |
| P-Channel, -30V, 3.6A, 64 mOhm, SOT-23 | 
PQFN 2×2 мм, 3×3 мм
| -20 В | P-Channel, -20V, 8.5A, 31 mOhm, 2.5V Capable PQFN2x2 | |
| -30 В | ||
| P-Channel, -30V, 10A, 15 mOhm, PQFN33 | ||
| P-Channel, -30V, 8.5A, 37 mOhm, PQFN2x2 | 
SO-8 и TSOP-6
| -30 В | IRFTS9342TRPBF | P-Channel, -30V, 6A, 39 mOhm, TSOP-6 | 
| P-Channel, -30V, 5.4A, 59 mOhm, SO-8 | ||
| P-Channel, -30V, 7.5A, 19 mOhm, SO-8 | ||
| P-Channel, -30V, 9A, 17.5 mOhm, SO-8 | ||
| P-Channel, -30V, 10A, 12 mOhm, SO-8 | ||
| P-Channel, -30V, 15A, 7.2 mOhm, SO-8 | ||
| P-Channel, -30V, 16A, 6.6 mOhm, SO-8 | ||
| P-Channel, -30V, 21A, 4.6 mOhm, SO-8 | 
PQFN 5×6мм
| -30 В | P-Channel, -30V, 23A, 4.6 mOhm, PQFN5X6 | 
Основные характеристики
Весь перечень параметров MOSFET-транзисторов не указывается даже в даташит, так как он может понадобится только профессиональным разработчикам. Но даже опытным разработчикам обычно достаточно знать некоторые основные величины, чтобы начать использовать устройство в своих электронных схемах. IRFZ44N характеризуется следующими основными параметрами (при темперном режиме до +25 градусов):
- Максимальное напряжение стока-истока (V DSS) — 55 В;
- Максимальный ток стока (I D) — 49 A;
- Сопротивление проводящего канала сток-исток (R DSon) — 5 мОм;
- Рассеиваемая мощность (P D) — 94 Вт
Максимальные значения
Обычно, предельные допустимые значения, указываются в самом начале даташит. В них производитель пишет информацию о предельных значениях эксплуатации радиокомпонентов, при которых возможна их работа. Испытания прибора проводятся при окружающей температуре до 25 градусов, если изготовитель не указал иного. Изучив только эти параметры, уже можно принимать решение об использовании в своих схемах. Например, о возможности применении в различных температурных режимах. Так, у рассматриваемого MOSFET при увеличении температуры окружающей среды ток до 100 °C может падать с 49 А до 35 А.

Тепловые параметры
Не является тайной то, что параметры работа силового МОП-транзистора сильно зависят от того, насколько качественно отводится от него тепло. Чтобы упростить расчеты связанные с отводом тепла, вводятся параметры теплового сопротивления. Их значения показывают возможности радиокомпонентов ограничивать распространения тепла. Чем больше тепловое сопротивление, тем быстрее увеличится температура полупроводникового прибора. Таким образом, чем больше разность между предельно допустимой температурой кристалла и внешней средой, тем дольше время его нагрева, при этом пропускаемый ток выше. У рассматриваемого экземпляра следующие тепловые сопротивления.

Электрические параметры
Понятно что, питание и пропускаемые токи между контактами не должны превышать максимальных значений, заявленных изготовителем. Вместе с этим существуют и другие факторы, которые могут вызвать резкое повышение температуры, способствующие разрушению полупроводника. Поэтому, производители советуют выбирать устройства с запасом 20-30% по возможным уровням подаваемого напряжения, а в даташит приводят номинальные электрические характеристики. У IRFZ44N электрические характеристики, при Tj= 25°C (если не указано иное) представлены ниже.
В каких режимах функционирует полевой транзистор
Режим отсечки
Как уже упоминалось, расстояние между стоком и истоком, регулируется затвором. Алгоритм работы транзистора виден в простейшей схеме, управляющей качеством освещения от лампы накаливания. Когда на затворе отсутствует напряжение, он закрыт, и электрический ток через лампу накаливания не течет.

Для управления светом лампы нужна смена напряжения на затворе по отношению к истоку. У нас n-канальный транзистор, поэтому на затвор подается напряжение со знаком “+”. В окончательном виде irfz44n схема выглядит так:

Так каким же должно быть напряжение на затворе, чтобы ток внутри цепи стока-истока был максимальным?
Возьмем стрелочный блок питания irfz44n для регуляции напряжения. Соберем его по схеме и подадим на затвор 1 В. Лампа не загорится. Если же увеличить напряжение до 3,5 В, амперметр покажет появление тока в лампе накаливания. Но она все равно не загорится, так как такой силы тока не хватает для накала вольфрамовой нити.
Режим активной работы irfz44n
Напряжение в районе 3,5 В частично приоткрывает транзистор. Этот показатель отличается у разных видов полевиков и находится в пределах 0,5-5 В. В даташит этот показатель именуют Gate threshold voltage (предельное напряжение затвора).
Если плавно регулировать величину канала устройства, повышая напряжение, поданное на затвор, становится видно постепенное накаливание нити лампы. Корректируя уровень напряжения, можно создать необходимый уровень освещения. Это и объясняет название данного режима — активный. При нем сопротивление индуцируемого канала транзистора меняется, согласно напряжению на затворе.

В результате активной работы устройство может перегреться. Поэтому необходимо пользоваться охлаждающим радиатором, рассеивающим тепло в окружающую среду.
Режим насыщения irfz44n
Для полного открытия полевого транзистора требуется подача напряжения до того момента, пока лампа не станет гореть на уровне всего канала. В данном режиме сопротивление канала стока-истока находится в минимуме и почти не сопротивляется течению электрического тока.
Примечательно, что само устройство в данном случае не нагревается. Это можно объяснить формулой: P= I2C R. При сопротивлении, равном каким-то сотым долям ома транзистору просто не с чего нагреваться.
Так что, самые мягкие режимы для полевика — это полное открытие или закрытие канала. Если он закрыт, сопротивление канала стремится к бесконечности, а ток, проходящих через него, минимален по закону Ома. Если подставить эти значения в формулу выше, будет понятно, что рассеянная мощность приближается к нулю.

Как устроен полевой МОП-транзистор?
Внутренняя структура транзистора — сложная тема, но можно кратко написать, что находится внутри MOSFET:
- ворота, обозначенные буквой G ( gate ) — это металлизированное покрытие,
- изолятор из оксида кремния — отделяет затвор от других компонентов,
- подложка, обозначенная буквой B ( bulk ) — полупроводник, легированный противоположным типу канала (какие каналы мы сейчас расскажем),
- сток, обозначенный буквой D, и исток, обозначенный буквой S — это легированные области, на которой они расположены.
| Легирование заключается во введении дополнительных атомов в чистый кремний. Эти атомы находятся в его кристаллической решетке и радикально меняют ее электрические свойства. | 
 Упрощенная конструкция внутренней части транзистора
Упрощенная конструкция внутренней части транзистора
| У большинства полевых МОП-транзисторов, подложка подключена к источнику. Поэтому у элементов этого типа всего три распиновки. | 































 
    


