Содержание / Contents
Стал подбирать детали, не стал ударятся в точность схемы, собрал пассивные элементы и вместо КТ3102 поставил КТ315, по справочнику посмотрел у какой буквы больше коэффициент усиления, их и поставил. Вместо КТ503 впиндюрил КТ3107.
Взял лак для ногтей и начал мазать кисточкой, а она широко рисует, заменил кисточку отверткой для часовых дел. Забыл, я ж с начала нарисовал карандашом на текстолите, просверлил отверстия (сверлить лучше на деревяшке: текстолит не гнется и есть куда сверлу уходить)
Потом сел паять и паял, паял, паял. Фух, устал паять. Дай думаю еще и басуху заэкранирую. Снял звучки, вытащил все крутилки. Нашел медную пластину, вырезал по размерам. Зафиксировал собранный экран внутри басухи. Сделал коробочку из того же медного материала. Вот что вышло.
Один недостаток — выключатель внутри остался, он по идее делается на гнезде для штекера. Так как я живу в деревне, у нас нет магазинов, где продаются такие разъемы. Я сделал выключатель.
Гитарный предварительный усилитель — схема
Предварительный гитарный усилитель паяем на отдельной плате, позже помещённой в экран от помех. Фото платы предусилителя показано ниже. Его основа два операционных усилителя с блоком регулировки тембров и усиления.
Это простое, но проверенное схемное решение, которое обеспечивает отличную тональность всего диапазона. Конструкция идеально подходит для тех гитаристов, которые хотели бы получить отличный звук. Элементы управления тембром имеют достаточный диапазон, чтобы охватить практически что угодно, от скрипки и до бас-гитары.
Предусилитель использует двойной операционный усилитель для усиления. Транзистор, включен по схеме эмиттерного повторителя и имеет низкое выходное сопротивление, после мастер-регулятора громкости. Как показано на схеме, есть типичный гитарный вход, с которого можно получить очень жирный овердрайв, а затем настройку подходящего уровня
Обратите внимание, что при использовании операционного усилителя TL072, возможен шум с большим количеством высоких частот. Настоятельно советуем использовать OPA2134 — операционный усилитель от Texas Instruments, тогда вы получите действительно самый тихий гитарный усилитель, который вы когда-нибудь слышали!
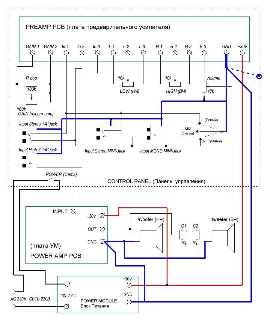
Схема соединений блоков комбика
После изготовления всех модулей комбика (блока питания, преампа, усилителя мощности и панели управления) необходимо произвести сборку устройства. Ниже приведена схема соединений между платами и блоками комбика.

Схема соединений между блоками комбика
Обратите внимание на часть схемы, относящейся к блоку панели управления. Там есть компоненты, которые отсутствуют на принципиальной схеме предварительного усилителя
Я добавил постоянный резистор Rdop сопротивлением 100 кОм параллельно потенциометру регулировки чувствительности. Это я сделал уже после сборки комбика, так как максимальная чувствительность оказалось чрезмерной, и я уменьшил ее ровно в 2 раза, добавив этот резистор. Он припаян непосредственно на выводы потенциометра. Это также позволило улучшить плавность регулировки чувствительности.
Также на схеме вы видите входные гнезда типа Jack и Mini Jack. Для инструментального входа High-Z используется монофоническое гнездо типа Jack 1/4 дюйма (6.35мм), называемый также TRS. Для стерео-входа применяется такое же гнездо, только в стерео варианте. Стерео-вход продублирован с помощью соответствующего гнезда типа стерео — Mini Jack (как на ноутбуках и мобильных телефонах, называемый также TRRS). Кроме того для удобства пользования добавлено еще монофоническое гнездо Mini Jack.
Переключатель на 3 положения используется для коммутации стереоканалов. Я использовал тумблер на 3 положения. В среднем положении центральный контакт в этом тумблере не подключается никуда. При включении в одно из крайних положений один из пары входных стерео каналов замыкается на землю и в суммарном сигнале остается только выбранный стереоканал. В принципе этот переключатель можно исключить из схемы, если вам не нужна такая функция.
Также на панели управления установлен выключатель сети. Он может быль любого подходящего типа. Будьте осторожны с контактами и проводами, на которых присутствует сетевое напряжение 230 вольт.
Головки громкоговорителей подключаются непосредственно к выходу усилителя мощности. Высокочастотный динамик подключен через простейший фильтр из двух электролитических конденсаторов по 10 мкФ. Эти два конденсатора включены встречно по полярности и в сумме представляют собой аналог неполярного конденсатора на 5 мкФ. Если у вас есть неполярный электролит на 4 — 5 мкФ можете использовать его. также можно использовать бумажные и пленочные конденсаторы, он они будут больших габаритов.
Yа YouTube канале MBS Electronics можно посмотреть видео об изготовлении этого комбика и его испытаниях.
Некоторые из компонентов усилителя можно заказать по ссылкам:
- Стеклотекстолит FR4 односторонний
- Резисторы постоянные любых номиналов
- Подстроечные резисторы
- Конденсаторы керамические
- Конденсаторы электролитические
- ОУ LM358 дешево
- Стабилизаторы на 15 В
- Набор самых популярных транзисторов
- Полевые транзисторы BF245
- Трансформатор для блока питания
- Широкополосной динамик 100 W (не нужна пищалка
- Микросхемы TDA2050
- Электролиты большой емкости для БП
- Диодные мостики для БП
- Готовый усилитель на TDA2050
Устройство электрогитары: общая схема.
Как только Вы соедините датчик с чем-нибудь, образуется электрическая цепь, которая меняет характеристики датчика.
Подключение электрогитары к компьютеру Подключение электрогитары к компьютеру является частным случаем подключения в линию и может производиться: напрямую или через микшерный пульт к линейному входу звуковой карты компьютера. Бустер обычно ставится после компрессора, чтобы компенсировать чрезмерную компрессию а также сделать звук звукоснимателей с низким выхлопом чуть погромче.
Эти гитары покупают для игры в стиле кантри, блюз, джаз. Она требует определенного навыка и подходящих инструментов.
В противном случае будут возникать очень неприятные на слух искажения. Четвертый, финальный, этап — художественный.
Педаль эквалайзера перед всеми эффектами будет влиять на то, как эффекты обрабатывают сигнал, так как она по сути меняет поступающий в них сигнал. Эмулирующие гитарные эффекты — помогут раскрасить полученный звук, сделают его сочным и объемным. Соединение проводников на электрической схеме представляется в виде жирной точки Выходные гнезда Выходные гнезда рис 1 , 2 , 3 , 4 Стандартное гнездо, используемое в электрогитарах — 6.
Patch cord
Самая простая форма электрической цепи — датчик, непосредственно связанный с гнездом выхода 1 и усилителем, на котором регулируется громкость и тембр. Хорошо, цель ясна. Набор устройств в этом случае может быть таким: гитарная педаль или процессор эффектов, микшерный пульт, компьютер, аудио-карта, активные мониторы, наушники, микрофон и шнуры.
При оцифровке приходится сильнее сжимать и выравнивать динамический диапазон сигнала, чтобы отдельные всплески не переполнили разрядную сетку аналого-цифрового преобразователя на входе цифрового устройства. Это возможно посредством DPDT двухпопозиционного, сдвоенного переключателя 6. Чистый, обработанный, сигнал электрогитары готов к дальнейшему движению в цепи, а именно, его можно подвергнуть перегрузу. Многовыводной переключатель позволяет замыкать несколько контактов одновременно.
В домашних условиях можно использовать один из двух основных способов подключения электрогитары: к гитарному комбику или в линию. Практически у всех гитаристов играющих на электрогитаре, дома вы обнаружите гитарный усилитель, а иногда даже несколько. Крайне небрежное исполнение. Тут все достаточно просто: подключаем один конец кабеля к электрогитаре, другой конец подключаем к усилителю, включаем усилитель и играем, по необходимости при помощи регуляторов, которые находятся на передней панели усилителя, настраиваем звук. Рекомендую также посмотреть видео по подключению и настройке.
Молодым музыкантам на заметку. Гитарные усилители, коммутация педалей.
Лучшие гитарные процессоры и ценовые категории
Для каждого музыканта свои критерии для определения лучшего гитарного процессора. Для некоторых исполнителей достаточно нескольких эффектов и тюнер. При частых репетициях отдают предпочтение компактным процессорам, так как их проще транспортировать. Опытные гитаристы пользуются ламповым оборудованием, но в редких исключениях — цифровым. Новичкам следует учиться без блоков, чтобы лучше слышать чистый звук.
Если рассматривать бюджетные категории, то можно выделить несколько моделей, которые подойдут для неслишком требовательных музыкантов:
- Muza GP120 — компактный процессор для начинающих музыкантов. Имеет возможность хранить в памяти около 48 пресетов, встроено 56 эффектов.
- Zoom G1Xon — несмотря на неброский внешний вид, блок имеет высокое качество звучания. Подойдет, чтобы освоиться в работе с эффектами.
- DigiTech Element XP — лучший бюджетный процессор. Позволяет настроить цепь из 9 эффектов из 37. Встроен тюнер, педаль экспрессии, драм-машина.
- Boss ME-80 — удобные ножные переключатели позволяют переключаться между эффектами и пресетами. Оснащен Tera Echo, обеспечивающим объемный стерео звук. Имеет USB-разъем для подключения к компьютеру.
- Zoom G3X — встроено 90 эффектов, драм-машина, педаль экспрессии. Блок способен эмулировать усилители Fender, Marshall.
На рынке предоставлен широкий выбор гитарных процессоров любой цены и технических характеристик.
Рекомендации по выбору комбика для электрогитары
Попробуем дать несколько общих советов, которые помогут сориентироваться в выборе комбоусилителя.
Определитесь с целью
Перед покупкой комбика вы должны точно знать, зачем он вам нужен. Решите, насколько серьезно ваше увлечение гитарой, как часто вы будете заниматься и какой звук хотите получить.
Во-вторых, подумайте о помещении для занятий. Если у вас есть свободный гараж, то вы спокойно можете поставить себе 100-ваттный стэк Marshall. Но, если вы живете в квартире в многоэтажном доме, то придется ограничиться маломощным оборудованием.
Не стоит тратить лишние деньги на аппарат, чьи возможности вы не будете использовать полностью.
Бюджет для покупки гитарного комбика
Далее определитесь с суммой, которую вы сможете потратить на усилитель. Здесь вам никто не даст однозначного совета. Каждый сам распоряжается своими финансами. Но помните, что очень сложно купить выдающуюся вещь за низкую цену.
Параметры, влияющие на цену
На цену влияют:
- тип усилителя (лампа, гибрид, транзистор)
- его мощность
- новый он или б/у
- бренд
Комбик Fender Twin будет всегда стоит в разы дороже Yerasov Bluespace. Даже не смотря на одинаковую схему. Просто потому что это Fender.
Если вы не гоняетесь за шильдиками, а ищете звук, то можете обратить внимание на российские аппараты. Обратите внимание! Vintage vs Modern
Обратите внимание! Vintage vs Modern. Некоторые усилители имеют культовый статус
Например, винтажные транзисторные Roland Jazz Chorus и Sunn Beta Lead из прошлого века стоят дороже новых современных ламповых Engl и Peavey
Некоторые усилители имеют культовый статус. Например, винтажные транзисторные Roland Jazz Chorus и Sunn Beta Lead из прошлого века стоят дороже новых современных ламповых Engl и Peavey.
Лучше ли они в плане звука? Это вопрос спорный.
Поиск рабочей точки для снятия звука
Перед тем как располагать микрофон, советую одеть наушники AKG 240 (мониторы), это вам поможет найти нужную точку для расположения микрофона, другие обычные наушники будут приукрашивать звук по-своему. Для ясности звуковой картины нужен адекватный мониторинг, если стоит задача снять микрофоном именно тот звук, который вы слышите, находясь рядом с комбиком. Для этого совершенно не обязательно делать гитарный усилитель громко на тот момент, пока идёт настройка. Звук с гитарного усилителя не должен проникать в наушники при отстройке микрофона. Если у вас Shure 57, то не стоит ставить его в центр динамика, микрофон рекомендую расположить ближе к краю динамика, так как мембрана имеет конусообразную форму. Нам нужно стараться ставить капсюль микрофона перпендикулярно мембране, а для этого микрофон следует повернуть на 20 градусов ниже центра и рабочая точка для снятия звука будет находится в 8 см от края динамика (динамик 12 дюймов), если вы снимаете звук только одним микрофоном, то можно добиться более или менее похожего на оригинал звучания. Чтобы полностью отразить все звуковые процессы, то одного микрофона мало, так как сложно направленным микрофоном снять звук со всей площади динамика, тем более, если динамик 12 дюймов (это гораздо больше чем рот певуна). Для достижения лучших результатов хорошо иметь в запасе ещё один конденсаторный микрофон типа Neumann U87 или Audiotechnica 4033, 4041 (можно пробовать и другие модели), но не стоит забывать, что у конденсаторных микрофонов высокая чувствительность, что создаёт дополнительные сложности при их использовании на экстремальной громкости. Так что громкостью придется немного пожертвовать ради звука.
Самые хорошие результаты на моей практике давала следующая схема расположения микрофонов:
SHURE 57: наклон на 20 градусов ниже центра и рабочая точка в 5,5 см от динамика, удалённость микрофона 3-5 см
Audiotechnica: 4033 прямо в центр динамика, удалённость 7-10 см, затем микширование 2 сигналов в одну группу в разных пропорциях, SHURE 57 следует делать громче на 6-7 дБ.
-
SHURE 57 — 5 см от края динамика
0:02 -
Audiotechnica — микрофон по центру
0:02 -
2 микрофона в одну линию
0:02 -
SHURE 57 — 8 см от края динамика
0:02
Таким образом удалось получить моно сигнал, максимально похожий на тот звук, который мы слышим. Условия, в которых делаются записи электрогитары, могут быть разными, поэтому дополнительная коррекция расположения микрофона не будет лишней и при подобных экспериментах с несколькими микрофонами. Необходимо контролировать фазу сигналов. Если фаза сигнала одного микрофона будет сильно отличаться от другого, могут появиться очень неприятные призвуки при микшировании в одну линию.
Предусилитель для гитары с каналом Distortion.
Предусилитель для гитары с каналом Distortion.
Гитарный предусилитель с каналом Distortion
Проект с сайта Construyasuvideorockola. Пьезо-датчики и гитарные звукосниматели имеют малый выходной сигнал, поэтому его невозможно подключить напрямую ко входу усилителя мощности. Для этих целей между гитарой и усилителем ставится предварительный усилитель. Один из вариантов схемы гитарного предварительного усилителя рассмотрен ниже. Он включает в себя два канала, первый для чистого звука, второй реализует гитарный эффект Distortion. Оба канала имеют независимые трехполосные регуляторы тембра. Данный преамп возможно использовать практически с любым усилителем мощности и прекрасно подойдет для конструкций гитарных комбиков. Принципиальная схема показана на двух изображениях, то есть схема самого предусилителя, и схема канала Distortion соответственно:
Предусилитель с 3 полосным эквалайзером
Схема входного предусилителя с регулятором перегруза
Предварительный усилитель с темброблоками построен на ОУ TL074, канал эффекта Distortion реализован на ОУ JRC4558. Именно 4558 советует автор, но за неимением такового можно поставить TL072. Оба операционных усилителя не являются дефицитом, равно как и все остальные элементы схемы.
На плате установлена кнопка типа П2К 6Pin с двумя группами контактов и двумя фиксированными положениями, она включает эффект Distortion. Автор советует применить переключатель, имеющий в своей конструкции крепежную пластину, посредством которой он крепится с помощью болтов к печатной плате. Эта мера предотвратит выламывание контактов и нарушению пайки этих контактов с дорожками печатной платы. В качестве входа применен разъем под гитарный Jeck 6,3 mm с выводами под монтаж на плату.
Печатная плата в формате LAY6 рисовалась с применением исходников, повзаимствованных на сайте Construyasuvideorockola (com), вид платы следующий:
Фото-вид платы гитарного преампа в формате LAY6:
Preamp for guitara electro LAY6 FOTO
Список элементов для повторения схемы гитарного предусилителя с каналом Distortion:
• JRC4558 или TL 072 – 1 шт. • TL 074 – 1 шт.
• 100K – 4 шт. • 68K – 2 шт. • 220K – 2 шт. • 12K – 4 шт. • 1K2 – 4 шт. • 3K9 – 4 шт. • 1K8 – 4 шт. • 10K – 3 шт. • 1M – 2 шт. • 56K – 2 шт. • 390R – 1 шт. • 200K – 2 шт.
• 1 uF /25v – 6 шт. • 2200 uF /25v – 2 шт. • 100 uF / 25v – 2 шт. • 330 pF (331, керамика) – 1 шт. • 100 nF (104 пленка) – 5 шт. • 22 pF (керамика) – 2 шт. • 22 nF (пленка) – 2 шт. • 0.47 uF/ 25v – 2 шт. • 47 nF (473 пленка) – 2 шт. • 4,7 nF (472 пленка) – 4 шт. • 0.01 uF (103 пленка) – 1 шт.
• Диодный мост на 1 Ампер типа W04 (W06) – 1 шт. • 1N4148 – 2 шт.
• 100K – 6 шт. • 20K – 2 шт. • 10K – 1 шт. • 500K – 1 шт.
• Jack 6,3 mm моно под монтаж на плату – 1 шт. • Кнопка типа П2К 6Pin – 1 шт. • Трансформатор 9V + 9V на ток порядка 300 mA – 1 шт.
Схема внешних соединений:
Плата гитарного предусилителя в сборе:
Размер архима с материалами по гитарному преампу с Distortion-каналом – 1,4 Mb.
Блок «tremolo» для электрогитары
Рейтинг: / 5
- Подробности
- Категория: для электрогитары
- Опубликовано: 29.06.2019 20:53
- Просмотров: 2106
Большинство электрогитар имеет два звукоснимателя, которые размещены на разном расстоянии по отношению к грифу инструмента. На гитаре обычно имеется и переключатель, с помощью которого можно выбирать различные оттенки звука в зависимости от того, какой звукосниматель будет подключен к входу усилителя НЧ. Предлагаемая приставка позволяет переключать оба звукоснимателя, при этом достигается своеобразный звуковой эффект. Принципиальная схема приставки «tremolo» приведена на рис. 1.
Пространство
Для создания объёма и ощущения помещения, в котором происходила запись, используются ревербераторы. Замечательно, если у вас есть отдельный процессор с дистальными входами и выходами для этих целей, например TC Electronic или Lexicon, некоторые из этих процессоров дают большой объём при минимальном количестве реверберации, что так ценится опытными звукорежиссёрами. Если таких приборов нет, то приходиться использовать программные ревербераторы, пока по качеству они несколько хуже железных собратьев, но их тоже вполне можно использовать. Из программных ревербераторов рекомендую использовать плагины Waves, но прежде чем включать ревербератор послушайте гитарные трэки, если звук гитары с эффектом Distortion находится слишком близко и звучит излишне приближенно, то наложение реверберации ни к чему хорошему не приведёт. Представьте себе голос, который был записан конденсаторным микрофоном в 40 см от певца, и на него был наложен ревер, звучит это нелепо, за голосом тащится хвост реверберации и при этом чётко слышны шипящие призвуки, это неестественно. Ведь когда вы, к примеру, слушаете голос в большом зале, вы ведь не находитесь в 40 см от глотки исполнителя, тот же эффект будет если вы записали электрогитару, снимая звук с комбика одним микрофоном в 2 см от динамика и потом наложили ревер. Прежде чем использовать реверберацию, нужно излишне близкий звук несколько отдалить от слушателя, для этого можно использовать эквализацию, фильтры, эффекты основанные на короткой задержке около 10-15 мс, только потом пользоваться реверберацией, слишком много этого эффекта приведёт к потере прозрачности, и звучать при этом запись будет громче, так как реверберация занимает именно среднечастотный диапазон
В конечном итоге важно, какой именно конечный звук вы стараетесь получить. Если вам нравится большой объём и ощущения полетности в звуке без длинного хвоста, можно совсем обойтись без ревербератора, а использовать для создания объёма PITCH шифтер, схема следующая: PITCH шифтер создаёт дополнительные голоса, которые можно сдвигать по высоте тона и делать индивидуальную задержку на каждый голос, только не надо выставлять на нём дикие интервалы вроде терции или октавы, нужно деликатно сдвинуть один голос по тону ниже буквально на пару сентов и завести панораму этого голоса вправо, тоже самое проделать со вторым голосом только панораму влево, и по тону выше на пару сентов, а основной трек оставить по середине
Если все сделано правильно, у вас появится объём без хвоста. Теперь можно для ощущения полётности включить пинг-понг Delay и отстроить уровень эффекта. То, что я описал выше, хорошо подходит именно для обработки гитары с эффектом Distortion, так как сам эффект Distortion создаёт много новых гармоник и не все гармоники являются полезными для звука, применение ревербератора в этом случае нужно свести только для создания некоторого общего объёма. Для обработки акустического звука электрогитары применение ревербератора вполне оправдано. Подводя итог, ещё раз подчеркну, для того, чтобы запись электрогитары с эффектом Distortion звучала вкусно, нужно подчеркнуть частоты в области 4-4,8 кГц, затем сделать резкий завал, но полностью убирать гармоники выше 6 кГц не следует. Для небольшого отдаления источника звука использовать только эффекты, основанные на короткой задержке и фильтры.
Евгений Удалов
01.12.2003
Бонус
UVI Workstation Strategy By AcousticSamples (UVI Sample Library)
Как следует из названия, Strategy – это библиотека сэмплов Fender Stratocaster.
К настоящему времени мы знакомы с очень популярной электрогитарой, которой почти семьдесят лет. Стратегия включает набор сэмплов для каждого звукоснимателя: гриф, середина и мост. И это не только дает вам пять позиций, доступных на реальной гитаре, но и позволяет вам контролировать уровни звукоснимателей отдельно.
В библиотеку также входят несколько процессоров эффектов и моделей гитарных усилителей. И я рад сказать, что эффекты очень эффективны и качественны. Таким образом, вы можете получить полный гитарный микс прямо из UVI Workstation без использования специального программного обеспечения.
Основные характеристики:
- Режим ритмовОн позволяет бренчать на гитаре с помощью клавиш. Переключатели клавиш включают в себя усиление, уменьшение, приглушение, легато и нажатие пальцами. Он может определить любой аккорд, который вы играете на клавиатуре, и перевести его в гитарный вокал. Кроме того, вы даже можете выполнять приемы хаммер и пул во время игры или выбора. Использование этой функции может сделать звучание ваших гитар намного более реалистичным.
- Режим солоНе позволяйте минималистичному виду этого режима обмануть вас. Здесь может быть не так много кнопок для настройки, но интеллектуальный скрипт делает ваше исполнение безупречным. Он определяет подходящее положение руки каждый раз, когда вы играете соло. Кроме того, он автоматически запускает легато, удары, пул и слайды. И, наконец, клавишные переключатели запускают приглушение звука ладонью, гармоники, ударные звуки и режимы легато.
- ШаблоныВ режиме шаблонов вы можете создавать оригинальные шаблоны, включающие бренчание, выбор и выбор пальцами. Эти шаблоны могут быть любой длины и адаптироваться к темпу / времени вашего ведущего. Кроме того, он поставляется с большим количеством предустановленных шаблонов, которые вы можете использовать в своих проектах.
- Конструктор песенЭта панель позволяет назначить аккорд любой ноте на вашей клавиатуре. Итак, вы можете нажать ноту До, чтобы вызвать до минор, вместо того, чтобы удерживать трезвучие. Это упрощает процесс исполнения целых песен. И Strategy поставляется с набором пресетов, чтобы вдохновлять аккордовые последовательности.
- Стратегия звукового дизайна включает десять эффектов и восемь моделей гитарных усилителей. Процессоры эффектов включают хорус, фазер, флэнджер, вау, тремоло, задержку, ротацию, перегруз, стек тонов и пружинную реверберацию. Аналогичным образом, усилители включают в себя выбор от Marshall, Fender и других известных брендов.
UVI Workstation доступна для Windows 8 или выше и macOS 10.9 или выше, только для 64-разрядных версий. Он поставляется в форматах VST 2/3, AU и AAX.Краткие сведения:
Наиболее значительным преимуществом Strategy перед другими подобными инструментами является то, что он оснащен множеством процессоров эффектов и моделей усилителей почти по той же цене. Тем не менее, ему не хватает некоторых более продвинутых функций в режиме соло, но он компенсирует это с помощью режима компетентного шаблона. Это не значит, что стратегия не может звучать реалистично — это одна из самых убедительных библиотек гитарных сэмплов на рынке! Итак, решение в конечном итоге зависит от того, какой Stratocaster звучит для вас лучше всего.
Приставка вау-вау
Рейтинг: 5 / 5
- Подробности
- Категория: для электрогитары
- Опубликовано: 07.07.2019 08:28
- Просмотров: 2723
Эффект вау-вау является одним из самых старых эффектов для электрогитар. Часто приставки, с помощью которых можно реализовать этот звуковой эффект, называют «квакушками». В настоящее время блоки эффектов типа вау-вау педали заменили намного более совершенные звуковые процессоры. Однако, возможно, кому-то будут приятны воспоминания о старых добрых временах. Первоначально в приставках вау-вау использовались транзисторные схемы с Т-фильтром. В предлагаемой конструкции, принципиальная схема которой приведена на рис. 1, применяются микросхемы типа СА3080.
Запись электрогитары через комбоусилитель в домашних условиях
В домашних условиях мы сильно ограничены в громкости, а ведь не секрет, что ламповые усилители для получения приемлемого звука требуют не менее 70% мощности выходного каскада. Дело в том, что у ламповых усилителей при хорошей громкости перегружаются мощные выходные лампы, и для согласования высокого выходного сопротивления ламп с низким сопротивлением нагрузки (динамика) используется трансформатор. Пока сигнал небольшой, намагничивание не заходит в область насыщения сердечника трансформатора, компрессии нет, когда сигнал сильный, звук дополняют новые гармоники (искажения), появляется эффект так называемой ламповой компрессии, и тут как раз проявляется либо вся прелесть лампового звучания, либо наоборот, узкий и зажатый звук. Конструктивные особенности выходного трансформатора заметно отражаются на звучании, особенно на хорошей громкости, когда мы доводим усилитель до уровня ограничения. Для звука нужна громкость, но для дома нужен компромисс. Вот один из компромиссных вариантов: чтобы понизить громкость самого динамика, не трогая громкость оконечного усилителя, можно сделать элементарный резисторный делитель в цепи усилитель-динамик, но лучше поставить дополнительный понижающий мощность трансформатор (только, конечно, качественно сделанный), при этом не нужно забывать, что сам динамик нуждается в раскачке. Таким образом, мы не сможем добиться звучания как в студии, но сам звук будет лучше и ближе к тому, что мы хотим получить. Ещё вариант: если у вас есть просторный шкаф, нужно тщательно его заглушить материалами, которые имеют свойства поглощать звук и попробовать поставить комбо именно туда, громкость можно делать гораздо большую.
Динамическая обработка звука электрогитары с эффектом Distortion
При большом уровне Distortion дополнительно использовать компрессор не следует, так как сам Distortion является по своей сути компрессором, его применение уместно только при небольшом количестве эффекта Distortion, когда явные пики громкости возникают только при сильной атаке медиатора. Уровни компрессии приводить не буду, так как это зависит ещё от уровня динамики других инструментов, входящих в состав звука, а давать советы можно только в каждом конкретном случае. Использование компрессии необходимо свести только к подавлению отдельных пиков 2-5 дБ (RATIO 3 : 1) и выравнивания динамического диапазона гитары и аккомпанирующих инструментов, и их динамический диапазон не должен отличаться сильно от вашей гитары, иначе не будет слитности и плотности в общем звуке. Время атаки не стоит делать ниже времени атаки самой гитары (1-6 мс), в этом случае вы потеряете изначальные свойства звучания самой гитары.






























