Схемы включения микросхемы 7375
Исходная схема:
Конечная схема:
И стерео вариант тоже приведем, на всякий случай:
Начнем с преобразования усилителя. Для этого снимаем конденсаторы C19 и C20, чтобы разорвать цепь сигнала. Затем соединяем контактные площадки после них, которые соединены с ножками 4 и 5 интегрированного усилителя мощности с его ножками 11 и 12. Таким образом подаем одинаковый сигнал на все 4 усилителя TDA7375, что позволяет им работать в мостовом включении. Затем мы удаляем электролитические конденсаторы C23 и C24, отсекающие постоянное напряжение, которые не нужны при работе второй пары каналов в мосте, и заменяем их перемычками для проводов, чтобы на крайних проводах разъема CON1-1 получался мостовой выход второго канала.
Средний кабель должен быть удален, а крайний обрезан на плате под разъемы RCA, предназначенные для подключения сателлитов. Подключаем динамики к этим крайним проводам разъема CON1-1 и разъемам заводского сабвуфера. Вот как должна выглядеть плата после доработки:
В случае эффекта подавления низких частот меняем провода одного динамика с другим, например, подключенного к CON1-1, чтобы оба динамика играли в согласованной фазе. Это можно проверить подав синусоидальный НЧ сигнал на вход усилителя, оба должны при правильном подключении дергаться в одном направлении.
Кроме того, также можем использовать усилитель на TDA7375 в автомобиле. Просто подключите источник питания или аккумулятор 12 В к разъему CON2. Оставляя диоды D1, D2, D3 и D4, схема устойчива к обратной полярности источника питания, однако при этом на диодах происходит падение напряжения и потеря мощности. Чтобы избежать этого удалите диоды либо подключите источник питания параллельно фильтрующему конденсатору C33, не забывая использовать предохранитель, либо используйте разъем CON2 и замените диоды D2 и D4 на перемычки для проводов и подключите источник питания в соответствии с полярностью, отмеченной на фотографии платы, к разъему CON2.
А ещё можете переделать этот УНЧ в стерео-усилитель в режиме двойного моста, удалив электролитические конденсаторы C23 и C24, заменив их перемычками, вынув конденсатор C28, не заменяя его перемычкой, а затем соедините ножки 4 и 5 с колодкой конденсатора C19 ближе к встроенному усилителю мощности и ножкам 11 и 12 с аналогичной конденсаторной площадкой C20.
Недавно была сделана аналогичная модификация на основе сдвоенной микросхемы TDA7378, и пока она работает в автомобиле без проблем. Скачать плату и даташит к TDA7375
↑ Принципиальная схема усилителя
Тестовая схема включения микросхем из даташита практически пригодна для «боевого» применения (рис. 1).
Рис. 1.
Схема включения микросхем при питании от двухполярного источника
В реальной схеме (рис.2) воспользуемся рекомендациями, изложенными в публикации .
Рис. 2.
Принципиальная схема усилителя
Коэффициент усиления
с замкнутой петлей ООС KU=1+R7/R5=1+R8/R6=33,26 (30,4 дБ).
Выходная мощность определяется типом примененной микросхемы и сопротивлением нагрузки (см. табл. 1).
Управление микросхемой осуществляется подачей соответствующих напряжений на вывод 5 (Mute/Stand-by) микросхемы DA1.
Рабочий режим Play реализуется при напряжении, меньшем чем +Uп-6. Например, для напряжения питания ±20 В режим Play обеспечивается при напряжении на выводе 5 микросхемы от 0 до 14 В.
Для режима отключения звука Mute достаточно подать напряжение в диапазоне от +Uп-6 до +Uп-2,5 (от 14 В до 17,5 В).
Микросхема входит в режим ожидания (Stand-by) при напряжении, большем чем +Uп-2,5 (в нашем примере от 17,5 В до 20 В).
Схема управления на транзисторе VT1 необходима для развития, при реализации микропроцессорного управления. Для постоянно включенной микросхемы (режим Play) вполне достаточно соединить вывод 5 микросхемы с общим проводом.
В зависимости от положения джамперов P1 и P2 схема управления обеспечивает напряжение на выводе 5, равное 11,5 В в режиме Play; 16,1 В в режиме Mute и около 20 В в режиме Stand-by.
Для снижения электролитических искажений емкость конденсаторов С1, С2 увеличена в два раза по сравнению с типовой схемой включения.
Для подавления радиочастотных помех добавлены входные пассивные ФНЧ R3, C3 и R4, C4.
В целях предотвращения самовозбуждения УМЗЧ на комплексной нагрузке и без нее, включены цепи Зобеля R9, C9 и R10, C10.
Связанные материалы
Простые УМЗЧ на TDA7266 и TDA7297. Правда о мостовом включении и «двойном мосте»…
Несмотря на популярность УНЧ работающих в классе D, классические микросхемы типа TDA7266, TDA7297 и…
TDA8920…
TDA8920 — высококачественный усилитель мощности класса «D» с очень низким уровнем рассеяния….
AN-1849 An Audio Amplifier Power Supply Design (Texas Instruments). Разработка блоков питания для аудио усилителей…
Application Report SNAA057B–June 2008, Revised May 2013 AN-1849 An Audio Amplifier Power Supply…
Audio power amplifier design handbook. Douglas Self…
Руководство по дизайну аудио усилителей. Автор Douglas Self. Замечательная книга о конструировании…
Мониторный УМЗЧ «Waft Killer 7» на LT1210 и умощненный вариант «Waft Killer 15″…
Впервые обратил внимание на чип LT1210 на Датагоре. Мне его вручили после Новогоднего конкурса в…. Усилитель на STK433-060 в Бриг-001, нужна помощь с защитами…
Всех приветствую! Решил заменить УМЗЧ в усилителе «Бриг-001»
Усилитель на STK433-060 в Бриг-001, нужна помощь с защитами…
Всех приветствую! Решил заменить УМЗЧ в усилителе «Бриг-001»
Из всех микросхем, думаю о…
TDA7384…
Микросхема TDA7384 представляет собой мостовой четырехканальный усилитель мощности ЗЧ с…
TDA8560…
TDA8560 — автомобильный стерео усилитель класса B, с выходной мощностью — 2×40 Вт (при нагрузке 2…
Sven SPS-820 2.1 — Схема, Datasheet, Service Manual…
Технические характеристики Sven SPS-820 Выходная мощность (RMS), Вт сабвуфер: 18 сателлиты: 2 × 10…
Даташит CS4350 pdf datasheet 192-kHz Stereo DAC with Integrated PLL…
Давненько наш справочник не пополнялся полезняшками. Предлагаю возобновить традицию: нашли…
Даташит TDA7293 pdf datasheet…
120В — 100Ватт DMOS аудио усилитель с цепями MUTE/ST-BY TDA7293 монолитная микросхема в корпусе…
Как это было на практике
Разобрал магнитолу. Компоновка достаточно плотная. Но все сделано аккуратно.
Демонтировать старую микросхему можно двумя способами:
1. Аккуратно выпаять каждую ножку. Оловоотсосом убрать лишний припой с мест пайки. И достать микросхему. И возможно она даже будет работать, если удастся не перегреть ножки.
2. Откусить кусачками ножки и спокойно выпаивать по одной ноге.
Микросхемы TDA7850 часто подделывают, бывает заводской брак. Т.е. перспектива опять остаться без музыки меня не радовала, и я решил пойти по первому пути чтобы сохранить старую микросхему. Как потом окажется, это было ошибкой. Лучше бы я ее выкусил и спокойно выпаял по одной ножке. Навыков таких работ у меня не было, на демонтаж микросхемы ушел час. Но мы же не боимся трудностей! Впереди монтаж новой микросхемы. Место для нее подготовлено, лишний припой убран. Еще каких-то полчаса и новая микросхема на месте.
Собираю магнитолу. Пока собирал, немного порвал шлейф, идущий на кнопки управления. Пришлось его немного обрезать. В итоге все собрал и пошел в машину проверять. Подключил, включаю зажигание, экран загорелся. Пошла загрузка. Все прошло нормально. Включаю радио, звука нет. Вердикт – перегрел микросхему во время пайки. Думаю, что делать дальше. Ставить старую магнитолу и искать новую микросхему, или попробовать вернуть старую TDA7388. И тут я решил позвонить товарищу спросить, как у него прошла замена микросхемы и рассказать про свою неудачу.
Он говорит, что решил не менять, т.к. боится испортить магнитолу, и что может мне подарить свою микросхему. Я был рад такому повороту событий. Вечером забрал новую микросхему и стал собираться с мыслями для второго раза. Демонтаж убитой микросхемы прошел без проблем. Новую микросхему установил быстро. Благо, рука уже набита! Осталось собрать и проверить. Все собралось без проблем. И вот я сижу в машине и поворачиваю ключ зажигания. Пошла загрузка. Включаю радио….. Поёт!
Звук и правда оказался хорош! Чистый бас, сочная звуковая картина! Я подумал, что результат стоил двух дней мучений. Это победа! Выключаю зажигание, выхожу из машины и из колонок раздается смачный ПУК! Точнее щелчок. Это было как выстрел в голову. Силы были на исходе. Я не понимал, что пошло не так. Но делать было нечего, оставил все как есть. Воткнул магнитолу на место и пошел читать что делать дальше.
На форумах где я читал про переделку магнитолы мне помочь не смогли.
Неделю я ездил с щелкающей магнитолой. Причем щелчок появлялся после выключения зажигания, и обесточивания магнитолы. Форумы это хорошо, но тут нужна тяжелая артиллерия, и я решил заехать в ближайший сервисный центр по ремонту бытовой техники. Поговорил с сервисным инженером, объяснил ситуацию и он подсказал, где искать проблему. Оказывается такой щелчок раздается, когда на микросхеме усилителя не подключен канал MUTE. И скорее всего я повредил дорожку на плате, когда менял микросхемы. Поскольку процесс снятия/разбора магнитолы достаточно затратный по времени, пришлось опять ждать выходные. В итоге мои догадки подтвердились. Дорожка была очень тонкая и я просто не заметил, как повредил ее. Дорожку я восстановил, аккуратно подпаяв тонкий проводок к ноге микросхемы и месту соединения канала MUTE. Магнитола заработала как надо!
В итоге, если бы я знал, что мне придется ее разобрать и собрать 6 раз, я бы наверно не решился на замену. Но выбор сделан, и сейчас я могу поделится своим опытом.
Спустя год китайцы начали выпускать магнитолы сразу с хорошими усилителями, главное чтобы в описании была указана микросхема усилителя TDA7580/7581.
Кстати, магнитолы с микросхемой TDA7388 устанавливают на Lada Vesta. Там замена тоже возможна.
Хотите принять участие в конкурсе? Жмите СЮДА.
Обзор платы
Итак, у нашего усилителя 15 Ватт на один канал. На плате все элементы уже подписаны, что сделает работу с усилителем намного проще.
Первое, что бросается в глаза — это то, что наборе к усилителю нет радиатора. Возможно, усилитель не нагревается во время своей работы.
На самой плате находятся два резистора одного номинала. Возле микросхемы есть место для установки перемычки. Поэтому микросхему надо будет спаивать почти в самом конце работы.
Первым делом нужно будет откусить провода, соединить их в перемычку и запаять можно китайским флюсом.
Тестировать усилители будем разные, но на одних и тех же динамиках. Поэтому будем использовать три двойных провода. Один под питание, а остальные два для динамиков.
Чтобы ничего не перепутать, внимательно посмотрите на плату и то, где находятся выходы. Они обозначены надписями OUT1 и 2, рядом с отверстиями будут находиться знаки «плюс» и «минус2.
В нижней части платы показаны еще отверстия для проводки плюс 12 вольт и минус 12 вольт. Минус в этой области есть общий и еще здесь же находится вход звукового сигнала.
TDA8567q 4х25 Вт
Мостовой усилитель класса Hi – Fi на четыре канала. Открыть в полном размере
Есть защита от короткого замыкания выходного каскада и термозащита с уменьшением выходной мощности при перегреве. А еще микросхема обладает защитой от колебаний напряжения и режимом отключения. Еще данная микросхема обладает режимом вкл/выкл входного сигнала(режим Mute), и защитой при подаче напряжения на схему от «щелчка».
Характеристики микросхемы
| Параметр | Значение |
| Uпит | 6-18 В |
| Iвых | 7,5 А |
| Iпокоя | 230 мА |
| Pвых | 4х25 Вт |
| Rвх | 30 кОм |
| Коэффициент усиления | 26 дБ |
| Полоса частот | 20-20000 Гц |
| Коэффициент гармоник | 0,05 % |
| Rнагр | 4 Ом |
Назначение выводов
| Номер вывода | Назначение |
| 1 | Напряжение питания |
| 2 | Выход 1+ |
| 3 | Общий |
| 4 | Выход 1- |
| 5 | Выход 2- |
| 6 | Общий |
| 7 | Выход 2+ |
| 8 | Напряжение питания |
| 9 | Диагностика |
| 10 | Вход 1 |
| 11 | Вход 2 |
| 12 | Общий сигнальный |
| 13 | Вход 3 |
| 14 | Вход 4 |
| 15 | Выбор режима |
| 16 | Напряжение питания |
| 17 | Выход 3+ |
| 18 | Общий |
| 19 | Выход 3- |
| 20 | Выход 4- |
| 21 | Общий |
| 22 | Выход 4+ |
| 23 | Напряжение питания |
Описание микросхемы TDA7294
Недорогая микросхема TDA7294 представляет собой монолитную интегральную схему в корпусе MULTIWATT15. Она предназначена для использования в качестве AB усилителя звука класса Hi-Fi. Благодаря широкому диапазону питающего напряжения и высокому выходному току, TDA7294 способна обеспечивать высокую выходную мощность при сопротивлении динамиков 4 Ом и 8 Ом.
TDA7294 имеет низкий уровень шума, низкий уровень искажений, хорошее подавление пульсаций и может работать от широкого диапазона питающего напряжения. Микросхема имеет встроенную защиту от короткого замыкания и схему отключения при перегреве. Встроенная функция подавления (Mute) упрощает дистанционное управление усилителем, предотвращая появления шумов.
Этот интегральный усилитель прост в использовании и для его полноценной работы требуется не так много внешних компонентов.
Самодельный усилитель звука на микросхеме TDA7375

Доброго времени суток всем самоделкиным. Известно, что музыка для человека играет большую роль, именно исходя из этой мысли была предпринята попытка собрать усилитель звука, который мог бы выдать достойное звучание.
Итак, для начала нам понадобится терпение, ровные руки и кривые извилины, а также инструменты и компоненты для усилителя. Саму микросхему можно приобрести в радиомагазине. На данный момент стоит она порядка 150 рублей. Собственно вот и она.

Также нужен будет паяльник мощностью около 30-40 ватт.

Припой. Лучше подойдет сплав олова-свинца 60%-40%.

Паять лучше всего с паяльной кислотой. Провода сразу же залуживаются без каких-либо затруднений.

Пинцет для сборки усилителя, чтобы держать резистор и конденсатор при пайке. Им же нужно сгибать ножки микросхемы.

Вход звука будет разъем 3.5 mm jack. Так как усилитель двухканальных, то этот штекер как раз подойдет.

С термопастой микросхема будет лучше охлаждаться, передавая тепло всей поверхностью. В данном случае я использовал КПТ-8. Крепиться будет усилитель на этот радиатор. Чем больше, тем лучше. Так как схема довольно таки сильно греется, нужны будут конденсаторы, один резистор (вся маркировка видна на фото), резистор сопротивлением 10 кОм.

Под подключение звука будет разъем к двум тюльпанам.

Ну что же, все компоненты готовы, можно приступать к сборке. Схема включения усилителя была взята из просторов интернета. Усилитель имеет выходную мощностью 35 ватт на два выхода и нагрузку 4 Ома.

Собрать усилитель можно навесным монтажом.
Первым делом аккуратно разгибаем ножки микросхемы. Для удобства пайки делаем это пинцетом.

Затем нужно 4 и 5, 9 и 8,11 и 12 ножки микросхемы спаять вместе.

3 и 13 ножка это плюс питания, спаиваем их проволокой.

Между 7 и 13 ножкой паяем резистор на 10 кОм.

К ножке 7 плюсом припаиваем конденсатор на 10 микрофарад. Другой его конец к 8,9 ножкам. К 8,9 ноге микросхемы ставим сухой конденсатор с маркировкой 104, соединенный с 13 ногой.

К 6 ноге конденсатор на 47 микрофарад, соединяем его минус с 8 и 9 ногой микры.

Теперь нужно поставить фильтр питания (это конденсатор на 1000 микрофарад), плюс его припаиваем к 13 ножке, а минус к 8 и 9.

Фильтрами звука служат конденсаторы на 4.7 мф. Плюс каждого из двух идет к 4, 5 ноге, другой конденсатор к 11, 12 ножке.

Следующий шаг: пайка входа звука (самого штекера). Белый — это минус, остальные два провода отвечают за стереорежим, то есть левый и правый вход. Предварительно залудив провода, паяем к кондерам. Затем осталось припаять выходы звука, их два, плюс и минус питания и оформить это все в короб. Необходимо микросхему сзади промазать термопастой тонким слоем и закрепить на радиатор. Теперь завершающий, косметический этап. Создаем корпус, основой стал картонный короб черного цвета. Вырезаем отверстие под включатель канцелярским ножом на передней части корпуса. С обратной стороны припаиваем два провода к нижним контактам включателя.

Спереди корпуса располагаем выходы звука, под подключение тюльпанов. С обратной стороны фиксируем термоклеем.

На боковую сторону выносим зажим под подключение плюса питания и провод черного цвета (масса).
На этом усилитель почти готов, остается только закрыть всё сверху крышкой, предварительно измерив размеры. После крышка закрепляется на термоклей.

Такой усилитель подойдет для домашнего использования, а также в автомобиле.
Усилитель можно питать, как от компьютерного блока питания, так и от автомобильной батареи. Всем приятного прослушивания музыки.
Становитесь автором сайта, публикуйте собственные статьи, описания самоделок с оплатой за текст. Подробнее здесь.
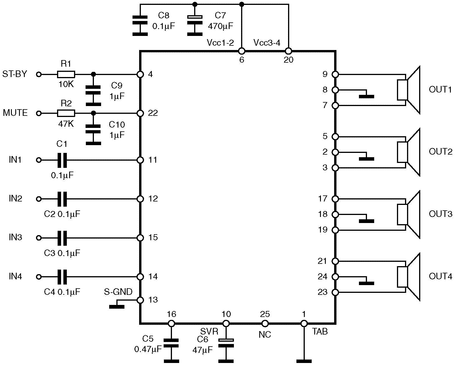
Схема усилителя на tda7388

На рисунке представлена схема подключения микросхемы tda7388, конденсатор C6 необходим для регулирования времени выключения/выключения и выполняет значимую роль в оптимизации щелчков при переходных процессах. Минимально значение емкости для такого конденсатора 10 мкФ.
Входной сигнал подается через конденсаторы с емкостью 0.1 мкФ на выводы 11,12,15,14 относительно вывода S-GND, при такой емкости нижняя частота среда будет 16 Гц.
Управление режимами работы ST-BY или MUTE можно использовать любые транзисторы небольшой мощности, либо CMOS вывод микроконтроллера. На этих выводах посажены RC цепочки которые необходимы для сглаживания управляющих сигналов, в противном случае при управлении микросхемы могут быть слышны щелчки управления. Для управления 22 выводом необходим так около 10 мкА, поэтому стоит резистор 70 кОм.
Если на выходе усилителя присутствуют какие либо шумы, то необходимо на входе повесить ФНЧ первого порядка, RC цепочка 1 кОм+220 пФ.
TDA7377 — Четырехканальный усилитель — DataSheet
Описание
ВЫСОКАЯ ВЫХОДНАЯ МОЩНОСТЬ (возможные варианты включения):
2 x35 Вт макс./4 Ом2 x30 Вт/4 Ом по стандарту EIAJ2 x30 Вт/4 Ом по стандарту EIAJ2 x 20 Вт/4 Ом при 14.4 В, 1 кГц, 10%4 x 6 Вт/4 Ом при 14.4 В, 1 кГц, 10%4 x 10 Вт/2 Ом при 14.4 В, 1 кГц, 10%
— Нет конденсатора в цепи компенсационной обратной связи
— Внутренне фиксированное усиление (26 дБ BTL)
- Функция ожидания (КМОП-совместима)
- Беззвучный режим
- Проверка на:
— Отсечку
— Короткое замыкание выхода на землю
— Короткого замыкания выхода на + источника питания
— Плавное включение
— Перегрев и отключение в случае перегрева
Защита :
— От короткого замыкания
— От перегрева
— Отключение нагрузки при перенапряжении
— От очень большой индуктивности нагрузки
— От случайного отключения земли
— От неправильного подключения полюсов источника питания
— От электростатических напряжений
TDA7377 — микросхема для автомобильных усилителей класса AB, способная работать по мостовой схеме или как четырехканальный усилитель. Полностью комплементарная структура выходного каскада и постоянный коэффициент усиления дают возможность получить максимальную при минимальном количестве внешних компонентов.
| Обозначение | Параметр | Значение | Ед. изм. |
| Vop | Рабочее значение напряжения питания | 18 | В |
| VS | Постоянное напряжение источника питания | 28 | В |
| Vpeak | Максимум напряжения питания ( t= 50 мс) | 50 | В |
| IO | Максимум выходного тока (не повторяющийся t = 100 мкс) | 4.5 | А |
| IO | Максимум выходного тока (повторяющийся f > 10 Гц) | 3.5 | А |
| Tstg, Tj | Температура хранения и температура перехода | от — 40 до 150 | °C |
| Rth j-case | Тепловое сопротивление кристалл-корпус | 1.8 | °C/Вт |
| Обозначение | Параметр | Условия | Мин. | Тип. | Макс. | Ед. изм. |
| VS | Диапазон питающего напряжения | 8 | 18 | В | ||
| Id | Потребляемый ток | RL = ∞ | 150 | мА | ||
| VOS | Выходное напряжение смещения | 150 | мВ | |||
| PO | Выходная мощность | THD = 10%; RL = 4 Ом | ||||
| Мостовая схема | 18 | 20 | Вт | |||
| С несимметричным выходом | 5.5 | 6 | Вт | |||
| С несимметричным выходом, RL = 2 Ом | 10 | Вт | ||||
| PO max | Максимальная выходная мощность (***) | VS = 14.4 В, Мост | 31 | 35 | Вт | |
| PO EIAJ | Выходная мощность по EIAJ | VS = 13.7 В, Мост | 27 | 30 | Вт | |
| THD | Коэффициент нелинейных искажений | RL = 4 Ом | ||||
| Несимметричная схема, PO = от 0.1 до 4 Вт | 0.02 | % | ||||
| Мостовая схема, PO = от 0.1 до 10 Вт | 0.03 | 03 | % | |||
| CT | Перекрестные помехи | f = 1 кГц, Несимметричная схема | 70 | дБ | ||
| f = 10 кГц, Несимметричная схема | 60 | дБ | ||||
| f = 1 кГц, Мостовая схема | 55 | дБ | ||||
| f = 10 кГц, Мостовая схема | 60 | дБ | ||||
| RIN | Входное сопротивление | Несимметричная схема | 20 | 30 | кОм | |
| Мостовая схема | 10 | 15 | кОм | |||
| GV | Усиление по напряжению | Несимметричная схема | 19 | 20 | 21 | дБ |
| Мостовая схема | 25 | 26 | 27 | дБ |
В данной схеме можно использовать конденсаторы C9, C10, C11, C12 меньшей емкости, если не будет подключаться нагрузка 2 Ома.
Купить TDA7377 можно здесь.
Если вы нашли ошибку, пожалуйста, выделите фрагмент текста и нажмите Ctrl+Enter.
Все о микросхемах TDA7293 / TDA7294
Усилители на микросхеме TDA7294, TDA7293 довольно популярны. Но форумах часто встречаются и сообщения о том, что они (микросхемы) плохие, плохо работают и часто горят. Я считаю, что 95% проблем с микросхемой вызвано либо “кривыми” руками тех, кто ее использует, либо их недостатком знаний, вызывающим ошибки (эта цифра 95% возникла не на пустом месте, а из анализа сообщений на форумах за последние 2-3 года). Однако, мне пришлось и самому столкнуться с некачественными микросхемами.
Поэтому я провел некоторое “расследование” в этой области, и вот что выяснилось:
1. Мне попался экземпляр микросхемы, самовозбуждающийся на ВЧ. Без нагрузки работает все ОК. В частотном диапазоне от 10 Гц до 100 кГц, при выходных амплитудах от 0,05 до 22 Вольт. Ограничение наступает чистенькое (я всегда в новых устройствах подключаю генератор и осциллограф и смотрю это все). Одако, при подключении нагрузки и выходном напряжении больше 0,5 В на отрицательной полуволне сигнала возникает ВЧ генерация – “звон” (на глаз 50-80 кГц, не мерял). Источник питания хороший, на него грешить нельзя. Кроме того, я всегда ставлю прямо на плату развязывающие конденсаторы в цепи питания не менее 0,47 мкФ, и электролиты не менее 470 мкФ. Так что со стороны питания никакого подвоха.Вылечилось это очень просто – установкой цепочки из последовательно соединенных резистора 10 Ом и конденсатора 0,1 мкФ 63В, идущих с выхода микросхемы на землю (я теперь ее ставлю во все схемы, и она предусмотрена на моей плате – ведь хуже не будет, даже если она не нужна). Но на душе осадок неприятный – производителем эта цепочка не предусмотрена, значит и без нее все должно хорошо работать (и у меня много микросхем работали как часы).
2. Еще в одном экземпляре микросхемы “звон” вообще не удалось победить.
3. По отзывам в Интернете грамотных людей (у которых руки 100% нормальные), существует много изначально в той или иной степени “кривых” микросхем.
Судя по всему, структура микросхемы оказалась легко воспроизводимой, и кто-то ее делает в весьма “упрощенном” виде. Эту продукцию из-за ее дешевизны к нам и везут.
Кроме того. В этой микросхеме изначально заложена небольшая бомба. Дело в том, в микросхемах для изоляции широко применяют n-p переходы. Т.е. изолятор – это обратно смещенный диод, не проводящий ток. Так вот, этот набор n-p переходов в определенном месте микросхемы TDA7294 (выходные транзисторы усилителя напряжения) образует структуру, эквивалентную тиристору. При подаче на него напряжения определенной величины, тиристор открывается, и начинает этот ток пропускать. Причем, закрываться тиристор сам не умеет, поэтому ток через него перестает течь только тогда, когда микросхема вся сгорит!
В нормальных качественных микросхемах напряжение открывания этого тиристора велико, и все работает ОК (то есть, тиристор просто вообще никогда не открывается). А вот в “левых”, где видимо сэкономили на толщине перехода, оно небольшое. И при резком повышении напряжения при включении (особенно при плохом блоке питания), тиристор открывается, и микросхема выходит из строя.
Надо сказать, что мне такие микросхемы не попадались. Или из-за того, что я использую достаточно хорошие источники питания, паразитный тиристор не открывался? Так что практического подтверждения открыванию паразитного тиристора у меня нет.
Точно также есть опасность спалить микросхему по этой причине (паразитная тиристорная структура) при раздельном питании. В этом случае необходимо одновременно подавать на микросхему сразу четыре напряжения, и тут еще больше шансов неугодить этому паразиту-тиристору.
Это все не значит, что микросхема однозначно плохая, и все вообще ужасно! То количество брака, с которым сталкивался я сам – не такое уж и большое. Поэтому не стОит бояться! Все свои схемы я стараюсь разрабатывать так, чтобы дать минимум шансов всем “вредным” микросхемам.
У меня еще ни одна не сгорела!!!
Предварительный усилитель стерео. Простой мощный стерео усилитель на одной микросхеме Tda7297.
Он имеет минимум деталей и очень компактен — так же, как и мини — стерео усилитель.
Построение усилителя на микросхеме Tda7297 не требует много обвеса. Электронная схема построена по схеме, предложенной производителем из Datasheet с небольшими доработками, в частности, добавление регулятора громкости с использованием двойного логарифмического потенциометра на 10 ком.
Tda7297 микросхема с выходным мостом и, следовательно, подключаемые колонки должны быть снабжены электролитическими конденсаторами.
Конфигурация выходного моста проста — два одинаковых усилителя для каждого канала, работающего в противофазе. Каждый вывод выхода подключен к одному полюсу динамика. Подобное управление выходным напряжением позволяет получить высокую мощность с очень низким напряжением питания. По заявлению производителя, эта схема может работать при напряжении от 6, 5 вольт до 18 вольт. В данном варианте использовалось напряжение в 12 в.
Резистивный делитель, состоящий из двух сопротивлений 47 ком, и электролитический конденсатор 10 мкф на 25 вольт служат для устранения искажений при включении питания. Два конденсатора по 2, 2 мкФ — полиэстер или керамические.
Микросхему Tda7297 необходимо разместить на радиаторе. В данной конструкции применен теплоотвод в виде листового алюминия толщиной 2 мм и площадью около 45 кв. См.


Апгрейд заменой микросхемы
Он рассказал, как он ставил свою магнитолу, как пытался ее подружить с can шиной, а потом как он прочитал на drive2, что можно сильно улучшить звук любой китайской магнитолы всего лишь заменив микросхему усилителя. Дело в том, что в недорогие магнитолы китайцы ставят дешевую микросхему TDA7388, которая выдает посредственный звук и стоит копейки. Но ее можно просто заменить на более качественную микросхему TDA7850 без каких-либо переделок. Просто выпаиваем старую, втыкаем новую и наслаждаемся на порядок более качественным звуком.
Цена микросхемы TDA7850 всего 5,5$. Товарищ уже заказал себе новую микросхему и планирует в ближайшее время поменять.
Я пару дней почитал информацию про замену и заказал микросхему. 3 месяца никак не мог решиться. Долго думал, получится ли у меня, не испорчу ли саму магнитолу. Паяльник в руках держать умею, но таким еще ни разу не занимался. Но глаза боятся, а руки делают. И в итоге я решился на переделку.
↑ Старт подписки на платы «AMP7265»
Открываю подписку на платы «AMP7265». В лоте две заводских платы 82×82 мм.Платы отличного качества, с паяльной маской, с утолщённой медью, надписями и пр. приятностями.Цена зависит от вашей активности. Чем больше соберём заказов, тем дешевле.10 лотов » 750,00 ₽ за 1 лот (2 платы)25 лотов » 540,00 ₽ за 1 лот (2 платы)50 лотов » 400,00 ₽ за 1 лот (2 платы)100 лотов » 315,00 ₽ за 1 лот (2 платы)Нам нужно собрать желающих на 100 лотов. Критический минимум — 25 лотов. Подтягивайте знакомых и друзей или заказывайте для них. Новички и кандидаты — участники подписок получают привилегированное членство (гражданство) на сайте.
Радиолюбительством увлекся с пятого класса средней школы.Специальность по диплому — радиоинженер, к.т.н.
Автор книг «Юному радиолюбителю для прочтения с паяльником», «Секреты радиолюбительского мастерства», соавтор серии книг «Для прочтения с паяльником» в издательстве «СОЛОН-Пресс», имею публикации в журналах «Радио», «Приборы и техника эксперимента» и др.
Усилитель, схема которого представлена в данной статье, построена на одной из популярных микросхем – TDA7265. Она представляет собой двухканальный усилитель НЧ, работающий в классе AB, который может применяться в музыкальной аппаратуре высокого качества, типа музыкальных центров и телевизоров. Также ее можно применить как в виде отдельного оконечного усилителя НЧ.
Микросхема выполнена в корпусе Multiwatt и имеет одиннадцать выводов.
Усилитель может работать как на 8Ом нагрузку, так и на 4Ома и если верить даташиту, то микросхема защищена от короткого замыкания (КЗ) на выходе. Если TDA7265 не оригинальная, то защита от КЗ может отсутствовать, и при нулевом сопротивлении на выходе обязательно выйдет из строя. Кроме защиты от «козы» имеется тепловая защита, которая срабатывает при внутренней температуре равной 145°С.
Основные характеристики микросхемы TDA7265
Напряжение питания (рекомендованное) ………. ±20В
Напряжение питания (max) ………. ±25В
Выходная мощность (8Ом, ±20В, THD = 10%) ………. 25Вт (на один канал)
Выходная мощность (4Ома, ±16В, THD = 10%) ………. 25Вт (на один канал)
Выходная мощность (8Ом, ±20В, THD = 1%) ………. 20Вт (на один канал)
Выходная мощность (4Ома, ±16В, THD = 1%) ………. 20Вт (на один канал)
Пиковый выходной ток ………. 4,5А
Температура срабатывания защиты ……… 145°С
Остальные интересующие вас характеристики можете найти в даташите.
Схема двухканального усилителя на TDA7265
Компоненты схемы
Все резисторы мощностью 0,25Вт, кроме R7 и R10 (0,5Вт).
Конденсаторы C1-C4 и C6 электролитические и должны быть рассчитаны на напряжение 35В, хотя можно и на напряжение 25В, но только если питание усилителя не будет превышать ±18В. Остальные конденсаторы керамические или пленочные, разницы в данном случае вы не услышите, так что ставьте то, что есть под рукой.
Транзистор VT1 можно заменить на BC547.
Радиатор необходимо установить через силиконовую или слюдяную прокладку и фторопластовую втулку, если корпус усилителя металлический.
Режимы MUTE и ST-BY
Для удобства чтения я на схему наложил подсказку по данным режимам. За эти режимы отвечает вывод 5.
Для дальнейшего понимания примем напряжение питания (Vs) = ±20В.
Если на выводе 5 присутствует напряжение в диапазоне +Vs …+Vs-2.5В (от +17,5В до +20В) то усилитель находится в спящем режиме (ST-BY) с минимальным потреблением тока (3мА).
Если на выводе 5 присутствует напряжение в диапазоне +Vs-6В …+Vs-2,5В (от +14В до +17,5В), то усилитель выйдет из спящего режима, но включится режим приглушения MUTE.
Если на выводе 5 присутствует напряжение менее +Vs-6В (менее +14В), то усилитель войдет в режим воспроизведения звукового сигнала.
Теперь простыми словами о режимах MUTE и ST-BY
Для того чтобы усилитель начал работать необходимо с помощью переключателя SW1 замкнуть вывод резистора R1 на плюсовую шину. Далее, чтобы появился сигнал на выходе усилителя (т.е. отключить режим MUTE), необходимо замкнуть контакты выключателя SW2. Для тех, кто в танке, положения SW1 и SW2, установленные как на схеме обеспечат звучание в колонках.
Печатная плата двухканального усилителя на TDA7265 СКАЧАТЬ
Аналоги микросхемы tda7388
Ниже представлены микросхемы, который имеют одинаковую распиновку (pin-to-pin аналоги).
| ИМС | Описание | Примечание |
|---|---|---|
| TDA7381 | 4 x 25 W quad bridge car radio amplifier | Отличие: 25 вывод — диагностика |
| TDA7382 | 4 x 22 W four bridge channels car radio amplifier | Отличие: 25 вывод — клип-детектор |
| TDA7383 | 4 x 30 W quad bridge car radio amplifier | Отличие: 25 вывод — клип-детектор |
| TDA7384A | 4 x 46 W quad bridge car radio amplifier | |
| TDA7385 | 4 x 42 W quad bridge car radio amplifier | Отличие: 25 вывод — диагностика |
| TDA7386 | 4 x 45W quad bridge car radio amplifier | |
| TDA7387 | 4 x 41 W quad bridge car radio amplifier | |
| TDA7388 | 4 x 45 W quad bridge car radio amplifier | |
| TDA7389 | 4 x 45W quad bridge car radio amplifier | отличие: 25 вывод — клип-детектор |
| TDA7454 | 4 x 35 W high efficiency quad bridge car radio amplifier | отличие: 16 вывод — переключение режимов и 25вывод — клип-детектор |
| TDA7850 | 4 x 50 W MOSFET quad bridge power amplifier | отличие: 25 вывод — выход HSD/OD |
| TDA7851F | 4 x 48 W MOSFET quad bridge power amplifier | отличие: 25 вывод — выход OD |
| TDA7854 | 4 x 47W MOSFET quad bridge power amplifier | отличие 25 вывод — выход клип-детектор |
| STPA001 | 4 x 50 W MOSFET quad bridge power amplifier | Только в корпусеFlexiwatt25. Отличие: 25 вывод – OFFSET DETECTOR OUT |
| STPA002 | 4 x 52 W quad bridge power amplifier with low voltage operation | Только в корпусеFlexiwatt25. Отличие: 25 вывод – OFFSET DETECTOR OUT |
Назначение выводов микросхемы
А теперь более подробно о том, какие выводы имеются у TDA7294. Первая ножка — это «сигнальная земля», соединяется с общим проводом всей конструкции. Выводы «2» и «3» — инвертирующий и неинвертирующий входы соответственно. «4» вывод также является «сигнальной землей», соединенной с общим проводом. Пятая ножка в усилителях звуковой частоты не используется. «6» ножка – это вольт-добавка, к ней подключается электролитический конденсатор. «7» и «8» выводы — плюс и минус питания входных каскадов соответственно. Ножка «9» — режим ожидания, используется в блоке управления.
Аналогично: «10» ножка – режим приглушения, также применяется при конструировании блока управления усилителя. «11» и «12» выводы не используются в конструкции усилителей звуковой частоты. С «14» вывода снимается выходной сигнал и подается на акустическую систему. «13» и «15» выводы микросхемы — это «+» и «–» для подключения питания выходного каскада. На микросхеме TDA7294 схема усилителя для сабвуфера ничем не отличается от предложенных в статье, дополняется она только фильтром низких частот, который соединяется со входом.




























