Принцип работы компаратора
Простейшим пороговым устройством является компаратор. Он сравнивает напряжение, которое поступает на один из его входов, с опорным напряжением, которое присутствует на другом его входе. Простейший компаратор получается из операционного усилителя, в котором отсутствует отрицательная обратная связь. Рассмотрим принцип работы компаратора напряжений на основе ОУ, схема которого изображена ниже

 Использование ОУ в качестве компаратора и графики входного и выходного напряжений.
В основе компаратора лежит ОУ на инвертирующий вход, которого поступает входное напряжение UBX, а неинвертирующий вход соединён с источником опорного напряжения UОП. Принцип работы компаратора изображённого на рисунке заключается в следующем: когда входное напряжение UBX больше опорного UОП, то выходное напряжение принимает значение отрицательного напряжения насыщения –UНАС и остаётся неизменным пока входное напряжение UBX не уменьшиться ниже опорного напряжения UОП, в этом случае на выходе будет напряжение положительного насыщения +UНАС.
На рисунке изображен компаратор с инвертирующим выходным сигналом по отношению к входному сигналу. Для того, чтобы не происходило инверсии на выходе необходимо поменять подключение выводов ОУ, то есть входной сигнал должен поступать на неивертирующий вход, а опорное напряжение на инвертирующий вывод. Тогда при превышении опорного напряжения на выходе ОУ будет положительное напряжение насыщения, а при входном напряжении меньше, чем опорное напряжение на выходе будет присутствовать отрицательное напряжение насыщения ОУ.
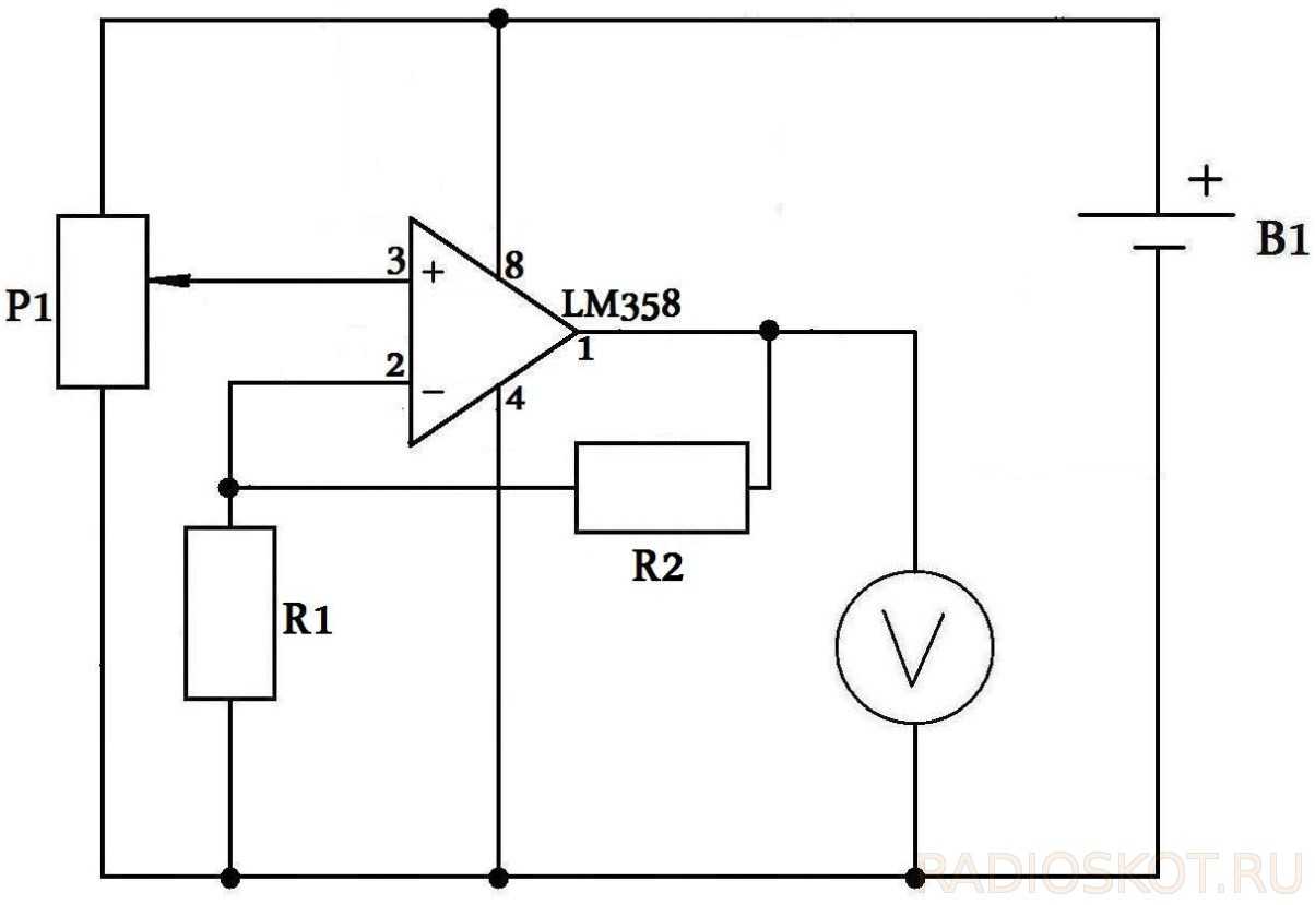
LM358 DataSheet на русском, описание и схема включения
Микросхема LM358 как написано в его DataSheet является универсальным решением, так как схема включения большинства популярных устройств весьма проста, в случаях отсутствия жестких требований к высокому быстродействию, рассеиваемой мощности и нестандартному питающему напряжению. Небольшая стоимость, отсутствие необходимости подключения дополнительных элементов частотной коррекции, возможность использования во всем диапазоне стандартных питающих напряжений (до +32В) и низкий потребляемый ток, делают его кандидатом номер один для электронных проектов с ОУ.
LM358 цоколевка
LM358 состоит из двух ОУ, каждый имеет по 4 вывода, имеющих свое назначение. Всего получается 8 контактов. Производятся в нескольких видах корпусного исполнения, для объемного DIP и поверхностного монтажа на плату SO. Так же могут встречается в усовершенствованных корпусах SOIC, VSSOP, TSSOP.

Назначение контактов для всех видов корпусов совпадает: 2,3, 5,6, — входы, 1,7 – выходы, 4 – минус источника питания, 8 – плюс источника питания.

Технические характеристики
Ниже указаны предельные допустимые значения условий эксплуатации для диапазона рабочих температур окружающей среды TA от 0 до +70 °C, если не указано иное.

Основные электрические характеристики, при температуре окружающей среды TA = 25 °C.

Рекомендуемые условия эксплуатации в диапазоне рабочих температур окружающей среды, если не указано иное:
Подверженность устройства повреждению от электростатического разряда (ESD):
Также у данного устройства есть тепловые характеристики:
Схемы подключения
Ниже приведем несколько простых схем включения lm358 которые могут вам пригодится. Все они являются ознакомительными, так что обязательно проверяйте все перед внедрением в производственной сфере.
Схема в мощном неинвертирующим усилителе.

Преобразователь напряжения — ток.
Схема с дифференциальным усилителем.

Неинвертирующий усилитель средней мощности.
Аналоги
Аналогами LM358 можно считать микросхемы в которых указываются идентичные характеристики. К таким относятся: LM158, LM258, LM2904, LM2409. Эти микросхемы незначительно отличаются от описываемой своими тепловыми параметрами и подойдут в качестве замены для большинства проектов.
Для ее замены можно использовать: GL 358, NE 532, OP 04, OP 221, OP 290, OP 295, OPA 2237, TA7 5358-P, UPC 358C, AN 6561, CA 358E, HA 17904. Отечественные аналоги lm358: КР 1401УД5, КР 1053УД2, КР 1040УД1.
Для замены также может подойти аналог по электрическим параметрам, но уже c четырьмя ОУ в одной микросхеме — LM324.
Маркировка
Префикс LM сначала использовался при маркировке общего назначения компанией National Semiconductor. Цифры “358” это ее серийный номер. В 2011 году эта компания была приобретена другим производителем электроники Texas Instruments. С этого года префикс “LM” является кодом производителя Texas Instruments, но несмотря на это, этот код используют и другие производители при маркировке своей продукции. Микросхемы LM358, LM358-N и LM358-P имеют одинаковые технические параметры. У большинства компаний-производителей символами “-N” , “-P” обозначаются пластиковые корпуса PDIP.
В технических описания встречается такие виды: LM358A, LM358B, LM358BA. Так указывается версии следующего поколения промышленного стандарта LM358. Устройства «B» могут быть доступны в более современных микрокорпусах TSOT и WSON.
Применение
Lm358 широко используется в:
- устройствах типа «мигающий маяк»;
- блоках питания и зарядных устройствах;
- схемах управления двигателем;
- материнских платах;
- сплит системах внутреннего и наружного применения;
- бытовой технике: посудомоечные, стиральные машины, холодильные установки;
- различных видах инверторов;
- источниках бесперебойного питания;
- контроллерах и др.
Возможности применения микросхемы производители обычно указывают в технических описаниях на свои устройства.
Операционные усилители
Операционными
усилителями
(ОУ) называют высококачественные
усилители постоянного тока (УПТ),
предназначенные для выполнения различных
операций над аналоговыми сигналами при
работе в схеме с отрицательной обратной
связью.
Усилители постоянного
тока позволяют усиливать медленно
изменяющиеся сигналы, так как имеют
нулевую нижнюю граничную частоту полосы
усиления (f н =0).
Соответственно в таких усилителях
отсутствуют реактивные компоненты
(конденсаторы, трансформаторы), которые
не пропускают постоянную составляющую
сигнала.
На рис. 10,а приведено
условное обозначение ОУ. Показанный
усилитель имеет один выходной вывод
(изображен справа) и два входных (показаны
с левой стороны). Знак Δ или > характеризует
усиление. Вход, напряжение на котором
сдвинуто по фазе на 180 0
относительно выходного напряжения,
называется инвертирующим
и обозначается знаком инверсии ○, а
вход, напряжение на котором совпадает
по фазе с выходным, – неинвертирующим
.
ОУ усиливает дифференциальное (разностное)
напряжение между входами. Операционный
усилитель содержит также выводы для
подачи напряжения питания и может
содержать выводы частотной коррекции
(FC),
выводы балансировки (NC).
Для облегчения понимания назначения
выводов и повышения информативности в
условном обозначении допускается
введение одного или двух дополнительных
полей с обеих сторон от основного поля,
в которых указываются метки, характеризующие
функции вывода (рис. 10,б). В настоящее
время операционные усилители выпускаются
в виде интегральных микросхем. Это
позволяет рассматривать их как отдельные
компоненты с определенными параметрами.
Параметры и
характеристики ОУ можно условно разделить
на входные, выходные и характеристики
передачи.
Входные параметры.

Рис. 10. Условное
обозначение операционного усилителя:
а
– без дополнительного поля; б – с
дополнительным полем; NC
– выводы балансировки;
FC
– выводы частотной коррекции; U
– выводы напряжения питания; 0V
– общий вывод
Характеристики
передачи.
Коэффициент
 усиления по напряжению К
 U
 (10 3
 – 10 6)
 ,
,
где U
 вх1
 ,
U
 вх2
– напряжения на входах ОУ.
Коэффициент
 передачи синфазного сигнала К
 U
 сф
 .
.
Коэффициент
 ослабления синфазного сигнала К
 ос
 сф
 .
.
Частота единичного
 усиления f 1
 – это частота, на которой коэффициент
 усиления по напряжению равен единице
 (единицы – десятки МГц).
Скорость нарастания
 выходного напряжения V U вых
 – это максимально возможная скорость
 изменения выходного сигнала.
Выходные параметры.
Максимальное
 выходное напряжение ОУ U вых
 max .
 Как правило данное напряжение на 2-3 В
 ниже напряжения источника питания.
Выходное сопротивление
 R вых
 (десятки – сотни Ом).
Основные схемы
включения операционного усилителя.
Операционные
усилители обычно используют с глубокой
отрицательной обратной связью, так как
они имеют значительный коэффициент
усиления по напряжению. При этом от
элементов цепи обратной связи зависят
результирующие параметры усилителя.
В зависимости от
того, к какому входу ОУ подключается
источник входного сигнала, различают
две основные схемы включения (рис. 11).
При подаче входного напряжения на
неинвертирующий вход (рис. 11,а) коэффициент
усиления по напряжению определяется
выражением
 . (1)
. (1)
Такое включение
ОУ используют тогда, когда требуется
повышенное входное сопротивление. Если
на схеме рис. 11, а убрать сопротивление
R 1
и закоротить сопротивление R 2 ,
то получится повторитель напряжения
(К
 u
 =1),
который используют для согласования
высокого сопротивления источника
сигнала и низкого сопротивления
приемника.

Рис. 11. Схемы
усилителей на ОУ:
а – неинвертирующий
усилитель; б – инвертирующий усилитель
При подаче входного
напряжения на инвертирующий вход (рис.
11, б) коэффициент усиления равен
 . (2)
. (2)
Как видно из
выражения (2) при таком включении входное
напряжение инвертируется.
В рассмотренных
схемах к одному из входов подключено
сопротивление R э.
Оно не влияет на коэффициент усиления
и вводится, когда это необходимо для
уменьшения изменений выходного
напряжения, вызванных временными или
температурными колебаниями входных
токов. Сопротивление R э
выбирают таким, чтобы эквивалентные
сопротивления, подключенные ко входам
ОУ, были одинаковы. Для схем рис. 10
 .
.
Модифицировав
схему рис. 11, б, можно получить
суммирующее устройство (рис. 12, а),
в котором
 . (3)
. (3)
При одновременной
подаче напряжения на оба входа ОУ
получается вычитающее устройство
(рис. 12, б), для которого
 . (4)
. (4)
Данное выражение
справедливо при выполнении условия
 .
.


Рис. 12. Схемы
включения ОУ:
а – сумматор напряжений;
б – вычитающее устройство
Мультивибратор на транзисторах — быстрый разряд конденсаторов
Мультивибратор на транзисторах — источники питания универсального варианта в основном работают от напряжения сети составляющей 90…264 В на частоте 50 или 60 Гц. При прямом выпрямлении этого напряжения на конденсаторе фильтра будет от 120 до 370 В постоянного тока. Напряжения такого характера могут представлять явную угрозу для специалистов, занимающегося разработкой либо обслуживанием источников питания. Поэтому необходимо, чтобы при отключении от сети конденсатор фильтра принудительно разряжался.
Простое решение
Простейшее решение, которое первым приходит в голову — задействовать электромагнитное реле, работающее на переменном напряжении. Хотя диапазон входных напряжений реле достаточно узок, к тому же они потребляют относительно большую мощность, занимают много места и, кроме того, рассчитаны на определенное число переключений. На Рисунке1 показана альтернативная схема, которая может работать практически с любым конденсатором фильтра.

Чтобы разрядить высоковольтную емкость CF, для этого в ней использованы MOSFET Q1 и сопротивление RD. Разрядный импульс происходит в течение одной секунды после отключения сетевого напряжения. Особенностью схемы является управление MOSFET с помощью перезапускаемого ждущего мультивибратора. При наличии напряжения сети опто-изолятор IС1, и связанные с ним компоненты пассивного действия формируют прямоугольные импульсные сигналы, а затем они поступают во входную цепь А микросхемы мультивибратора IC2.
Принцип работы прибора
Появляющейся импульсный сигнал дает команду на запуск схемы, заставляя уровень напряжения в выходной цепи Q1 опуститься вниз. Мультивибратор генерирует 100-миллисекундный отрицательный импульс, после которого напряжение на выходе транзистора Q1 IRE820 вновь должно стать высоким. Однако этого не происходит, поскольку каждый новый импульс запуска приходит до того, как заканчивается очередной импульс мультивибратора.
Поэтому уровень Q никогда не поднимается, MOSFET не открывается, и выпрямитель работает как обычно. При выключении сетевого напряжения выход Q остается в низком состоянии в течение 100 мс после последнего импульса запуска, а затем его уровень становится высоким. MOSFET включается и происходит быстрая разрядка выходного конденсатора до безопасного уровня.
Схема протестирована
Схема прошла проверку при крайних значениях входных напряжений: 90 В и 264 В переменного тока. При сравнительно небольшой емкости конденсатора 100 мкФ пиковые уровни разрядного тока находились в пределах от 0.06 А до 0.18 А. Максимальный пиковый ток выбранного для этой схемы MOSFET составляет 8 А, что позволяет ему работать с конденсаторами намного большей емкости.
Если такого тока все-таки недостаточно, можно воспользоваться более сильноточным MOSFET. Чтобы установить желаемое время разряда tD, достаточно изменить только сопротивление RD. Рассчитать время разряда с достаточно хорошей точностью можно по формуле tD = 3*RDxCF. Это дает гарантию, что выходное напряжение упадет до 95% от первоначального уровня, что намного ниже безопасного предела при любом входном напряжении.
Схема эквивалента компаратора напряжения с однополярным источником питания
Принципиальная схема «компаратор напряжения» эквивалентна работе операционного усилителя, например, LM358 или LM324, имеющим на выходе два транзистора типа NPN (см. выше). Таким образом, можно сделать все 4 выхода ОУ (LM339) с открытым коллектором. Каждый такой выход может выдерживать ток нагрузки 15 мА и напряжение до 50 вольт.
Выход включается или выключается в зависимости от относительных напряжений на плюсовом (+) и минусовом (-) входах компаратора. Входы компаратора крайне чувствительны и разница напряжения между ними всего лишь в несколько милливольт приводит к переключению его выхода.
Применение
Одну из возможных схем применения LM339 для индикатора заряда батареи на 12 В можно скачать по
. Опорное напряжение 4,7 В в ней подается на неинвертирующие входы. Оно получено за счёт использования стабилитрона KC147 и сопротивления R5. Светодиоды разного цвета подключены катодом на открытый коллектор компаратора, а анодом на плюс источника питания через токоограничивающие резисторы.
Схема работает от источника питания, уровень которого она же и контролирует. Через резистивные делители к инвертирующим входам микросхемы подключены источники тестируемого напряжения. При полном заряде батареи загорится зеленый светодиод, при разряде — красный.
Неинвертирующий усилитель

Графический символ неинвертирующего усилителя
Напряжение, подаваемое на вход We (+) выше, чем подаваемое на We (-), поэтому выходной сигнал большой, потому что он близок к напряжению питания Uпит, за вычетом падения напряжения на усилителе Uwo (We (+) > We (-) => Wy ~ Uпит – Uwo). Часть выходного сигнала возвращается через резистор на вход We (-), таким образом этот сигнал становится больше, чем напряжение на We (+), и напряжение на выходе становится близким к 0 В (We (+) < We (-)) => Wy ~ 0 В). Вследствие падения напряжения на выходе (и отсутствия на нем усиления сигнала на We (-)) напряжение на We (+) снова будет больше We (-).
На практике быстро устанавливается состояние равновесия при котором выходной сигнал будет постоянным. Его размер легко рассчитать по формуле:
Uwy = Uwe (+) x [(R1 + R2) / R1]
Предположим, что на вход We (+) поступает напряжение 0,5 В, а на выходе хотим получить в 5 раз больше, то есть 2,5 В. Подставим данные в формулу:
Uwy = Uwe (+) x [(R1 + R2) / R1]
2,5 В = 0,5 В x [(R1 + R2) / R1]
[(R1 + R2) / R1] = 2,5 В / 0,5 В
[(R1 + R2) / R1] = 5
Отношение суммы сопротивлений резисторов R2 и R1 к R1 должно дать нам 5. Итак, предположим, что сопротивление R2 = 10 кОм и R1 = 2,2 кОм (соотношение их сопротивлений составляет 5,54).
Соберем всё на макетной плате по следующей схеме:

Прежде всего необходимо убедиться, что на вход We (+) подается соответствующее напряжение. Для этого подключите вольтметр между землей и третьей ножкой усилителя, а затем поверните ручку потенциометра до тех пор, пока мультиметр не покажет результат 0,5 В (или как можно более близкий).

Теперь измерьте напряжение на выходе усилителя, то есть между первым контактом и массой. Теоретически должны получить результат близкий к 2,5 В. Между тем, показание вольтметра составляет целых 2,88 В.

Откуда эта разница? Помните, мы не использовали резисторы с коэффициентом 5,54, а не 5. Давайте снова подставим данные (на этот раз реальные) в формулу:
Uwy = Uwe (+) x [(R1 + R2) / R1]
Uwy = 0,51 В x [(2,16 кОм + 10 кОм) / 2,16 кОм
Uwy = 0,51 В x 5,63
Uwy = 2,87 В
Теоретически и практически получили почти такой же результат – 2,87 В.
Автоколебательный режим
Блокинг-генераторы могут быть собраны на транзисторах, включенных по схеме с ОЭ или по схеме с ОБ. Схему с ОЭ применяют чаще, так как она позволяет получить лучшую форму генерируемых импульсов (меньшую длительность фронта), хотя схема с ОБ более стабильна по отношению к изменению параметров транзистора.
Схема блокинг-генератора показана на рис. 1.

Рис. 1 — Блокинг-генератор
Работу блокинг-генератора можно разделить на две стадии. В первой стадии, занимающей большую часть периода колебаний, транзистор закрыт, а во второй — транзистор открыт и происходит формирование импульса. Закрытое состояние транзистора в первой стадии поддерживается напряжением на кондере С1, заряженным током базы во время генерации предыдущего импульса. В первой стадии кондер медленно разряжается через большое сопротивление резика R1, создавая близкий к нулевому потенциал на базе транзистора VT1 и он остается закрытым.
Когда напряжение на базе достигнет порога открывания транзистора, он открывается и через коллекторную обмотку I трансформатора Т начинает протекать ток. При этом в базовой обмотке II индуктируется напряжение, полярность которого должна быть такой, чтобы оно создавало положительный потенциал на базе. Если обмотки I и II включены неправильно, то блокинг-генератор не будет генерировать
Значится, концы одной из обмоток, неважно какой, необходимо поменять местами
Положительное напряжение, возникшее в базовой обмотке, приведет к дальнейшему увеличению коллекторного тока и тем самым — к дальнейшему увеличению положительного напряжения на базе и т. д. Развивается лавинообразный процесс увеличения коллекторного тока и напряжения на базе. При увеличении коллекторного тока происходит резкое падение напряжения на коллекторе.
Лавинообразный процесс открывания транзистора, называющийся прямым блокинг-процессом, происходит очень быстро, и поэтому во время его протекания напряжение на кондере С1 и энергия магнитного поля в сердечнике практически не изменяются. В ходе этого процесса формируется фронт импульса. Процесс заканчивается переходом транзистора в режим насыщения, в котором транзистор утрачивает свои усилительные свойства, и в результате положительная обратная связь нарушается. Начинается этап формирования вершины импульса, во время которого рассасываются неосновные носители, накопленные в базе, и кондер С1 заряжается базовым током.
Когда напряжение на базе постепенно приблизится к нулевому потенциалу, транзистор выходит из режима насыщения и тогда восстанавливаются его усилительные свойства. Уменьшение тока базы вызывает уменьшение тока коллектора. При этом в базовой обмотке индуктируется напряжение, отрицательное относительно базы, что вызывает ещё большее уменьшение тока коллектора и т. д. Образуется лавинообразный процесс, называемый обратным блокинг-процессом, в результате которого транзистор закрывается. Во время этого процесса формируется срез импульса.
Так как за время обратного блокинг-процесса напряжение на кондере С1 и энергия магнитного поля в сердечнике не успевают измениться, то после закрывания транзистора положительное напряжение на коллекторе продолжает расти и образуется характерный для блокинг-генератора выброс напряжения, после которого могут образоваться паразитные колебания.
Обратный выброс напряжения значительно увеличивает напряжение на коллекторе закрытого транзистора, создавая опасность его пробоя. Отрицательные полупериоды паразитных колебаний, трансформируясь в базовую цепь, могут вызвать открывание транзистора, т. е. ложное срабатывание схемы.
Для ограничения обратного выброса включают «демпферный» диод VD1. Во время основного процесса диод закрыт и не влияет на работу блокинг-генератора. Диод VD1 включается параллельно коллекторной обмотке трансформатора.
Опосля всех этих процессов происходит восстановление схемы в исходное состояние. Это и будет промежуток между импульсами. Процесс, так сказать, молчания заключается в медленном разряде кондера С1 через резик R1. Напряжение на безе при этом медленно растет, пока не достигнет порога открывания транзистора и процесс повторяется.
Период следования импульсов можно приближенно определить по формуле:
Tи
≈(3÷5)R1C1
Компаратор. Описание и применение. Часть 1
Эта статья содержит основную информацию о работе компараторов напряжения построенных на интегральных микросхемах и может быть использована в качестве справочного материала для построения различных схем.
В электронике, компаратор представляет собой устройство, которое сравнивает между собой два электрических сигнала и выводит цифровой сигнал, указывающий на увеличение одного входного сигнала над другим. Компаратор имеет два аналоговых входа и один цифровой выход.
Компаратор, как правило, построен на дифференциальном усилителе с высоким коэффициентом усиления. Компараторы широко используются в устройствах, которые измеряют и оцифровывают аналоговые сигналы, например, в аналого-цифровых преобразователях (АЦП)
Примеры работы компаратора приведены на основе микросхемы LM339 (счетверенный компаратора напряжений) и LM393 (сдвоенный компаратор напряжения). Эти две микросхемы по своему функционалу идентичны. Компаратор напряжения LM311 так же может быть использован в данных примерах, но он имеет ряд функциональных особенностей.
Детали и конструкция
Данную схему можно питать и более низким напряжением. Например, может быть очень заманчиво использовать для её питания зарядное устройство-блок питания для «гаджетов», питающихся через USB-порт.
У таких блоков питания номинальное напряжение 5V. Но, в этом случае, стабилитрон VD1 должен быть на напряжение не более 4V. Например, КС139. В этом случае возможно питание от 5-вольтового источника, но максимальная измеряемая температура будет всего 117°С.
Если требуется большая точность задания порогов нужно чтобы подстроечные резисторы были многооборотными. Микросхему LM339 можно заменить любым аналогом, или даже собрать эту схему на четырех отдельных компараторах. Светодиоды можно заменить любыми индикаторными.
Если предполагается напряжение питания более 20V желательно несколько увеличить сопротивления резисторов R7-R10 чтобы не возникало перегрузки по току выходов компараторов. Монтаж был выполнен на макетной печатной плате, поэтому рисунок дорожек печатной платы у автора отсутствует.
Данный индикатор напряжения можно использовать и для управления каким-то внешним устройством в зависимости от температуры. Для этого достаточно светодиоды на каналах, на которых должно происходить управление, заменить оптопарами. Например, оптосимисторами или, так называемыми, твердотельными реле, включив их светодиоды вместо индикаторных.
Если датчик будет расположен на значительном удалении от платы индикатора, то соединение лучше сделать экранированным кабелем, и между соединенными вместе инверсными входами компараторов и общим минусом питания включить конденсатор на 0,01-0,1 мкФ.
Триггер Шмитта
Как сказано выше для устранения ложных срабатываний компаратора, известных, как «дребезг контактов» необходимо использовать схему компаратора с петлёй гистерезиса, которая получила название триггера Шмитта.
В одной из статей я рассказывал о триггере Шмитта выполненном на транзисторах. Он характеризуется тем, что в отличие от компаратора имеет так называемую петлю гистерезиса. То есть компаратор переключается из высокого уровня напряжения в низкий при одной и той же величине входного напряжения, а триггер Шмитта имеет два уровня (порога) переключения. Данное различие иллюстрирует изображение ниже

 Изменение входного и выходного напряжения компаратора (справа) и триггера Шмитта (слева).
Уровни напряжения, при которых происходит переключение триггера Шмитта называются верхним уровнем (порогом) срабатывания триггера UВП и нижним уровнем (порогом) срабатывания триггера UНП.
Для реализации триггера Шмитта применяют ОУ охваченные положительной обратной связью (ПОС), которая реализуется подачей на неинвертирующий вход части выходного напряжения. Схема триггера Шмитта изображена ниже

 Триггер Шмитта на операционном усилителе.
Работа триггера Шмитта во многом похожа на работу компаратора, только в отличие от него в триггере опорное напряжение не постоянно, а зависит от разности выходного и опорного напряжений, то есть имеет различные значения.
Рассмотрим инвертирующий триггер Шмитта. В исходном входное напряжение не превышает верхнего уровня срабатывания триггера UВП, поэтому на выходе присутствует положительное напряжение насыщения UНАС+ (примерно на 1 – 2 В ниже положительного напряжения питания UПИТ+). Когда входное напряжение достигает верхнего порога переключения UВП выходное напряжение резко упадёт до уровня отрицательного напряжения насыщения UНАС-(примерно на 1 – 2 В выше отрицательного напряжения питания UПИТ-). Верхний уровень напряжения переключения триггера Шмитта определяется следующим выражением
Далее триггер остаётся в устойчивом состоянии до тех пор, пока входное напряжение не станет меньше нижнего порога срабатывания UНП, а на выходе триггера установится положительное напряжение насыщения UНАС+. Нижний порог срабатывания триггера определяется следующим выражением
Таким образом, петля гистерезиса будет зависеть от соотношения резисторов R2 и R3, а ширина петли гистерезиса UГИС определяется разностью верхнего порога срабатывания UВП и нижнего порога срабатывания UНП
Триггеры Шмитта на ОУ являются основой для построения различных генераторов импульсов, поэтому важнейшими характеристиками ОУ работающих в импульсных схемах является быстродействие, которое зависит от задержек срабатывания и времени нарастания выходного напряжения.
↑ Детали и печатная плата прототипа микросхемы LM3909
В схеме применены резисторы типоразмера 0805, транзисторы в корпусе SOT-23.
Детали
Размеры печатной платы прототипа ИМС LM3909 выбраны не самые маленькие (27,5×20 мм), что позволило не мельчить с расположением элементов (рис. 10) и сделать доступной сборку начинающим радиолюбителям.
 Рис. 10. Расположение элементов и токопроводящих дорожек на печатной плате
Рис. 10. Расположение элементов и токопроводящих дорожек на печатной плате
Монтаж поверхностных компонентов на печатной плате осуществляется в следующей последовательности: R7 –> R9 –> R8 –> VT2 –> VT3 –> VT4 –> VT1 –> R1 –> R4 –> R6 –> R5 –> R3 –> R2.Фотография смонтированной печатной платы показана во вводной части статьи.
Детали и печатная плата прототипа микросхемы LM3909
В схеме применены резисторы типоразмера 0805, транзисторы в корпусе SOT-23. VT1 – BC817-40, корпус SOT-23 – 1 шт., VT2, VT3 – BC847, корпус SOT-23 – 2 шт., VT4 – BC857, корпус SOT-23 – 1 шт., R1 – Чип резистор J0805-12 Ом – 1 шт., R2 – Чип резистор J0805-6,2 кОм – 1 шт., R3 – Чип резистор J0805-3 кОм – 1 шт., R4, R5 – Чип резистор J0805-390 Ом – 2 шт., R6, R8 – Чип резистор J0805-20 кОм – 2 шт., R7 – Чип резистор J0805-10 кОм – 1 шт., R9 – Чип резистор J0805-100 Ом – 1 шт., Печатная плата 27,5×20 мм.
Размеры печатной платы прототипа ИМС LM3909 выбраны не самые маленькие (27,5×20 мм), что позволило не мельчить с расположением элементов (рис. 10) и сделать доступной сборку начинающим радиолюбителям.

 Рис. 10. Расположение элементов и токопроводящих дорожек на печатной плате
Монтаж поверхностных компонентов на печатной плате осуществляется в следующей последовательности: R7 –> R9 –> R8 –> VT2 –> VT3 –> VT4 –> VT1 –> R1 –> R4 –> R6 –> R5 –> R3 –> R2. Фотография смонтированной печатной платы показана во вводной части статьи.
Расчет автоколебательного мультивибратора
Для расчёта автоколебательного мультивибратора необходимо задать некоторые исходные параметры: частота
импульсов f (илипериод колебаний T = 1/f),длительность генерируемых импульсов ti,амплитуда импульса Um.
Для примера рассчитаем симметричный автоколебательный мультивибратор с частотой выходных импульсов fi = 1 МГц, амплитудой импульса Um = 5 В.
1.Определим напряжение источника питания ЕК
Выберем ЕК = 6 В
2.Определим тип транзисторов, которые должны соответствовать следующим значениям
Данным параметрам соответствует транзистор КТ315 со следующими характеристиками: UCEmax = 30 В, ICmax = 100 mA, ICBO = 1 mkA, fh21e = 250 МГц, h21e = 20…90 (примем h21e = 50).
3.Определяем сопротивления R1 и R4 в коллекторных цепях транзисторов
где IK imax – максимально допустимый ток коллектора;
IKBO – максимально допустимый обратный ток коллектора.
Исходя из практических соображений для маломощных транзисторов выбирают RK больше (0,5 … 1) кОм, а для мощных транзисторов – не более (200 … 300) Ом.
Так как транзистор КТ315 маломощный, то выберем RK = 3,3 кОм.
4.Выбираем сопротивление резисторов R2, R3 в цепях баз транзисторов
Выберем R2 = R3 = Rb = 4,7 кОм
5.Выбираем ёмкость конденсаторов С1 и С2
В случае если ведётся расчёт для несимметричного мультивибратора
с разнойдлительностью импульсов ti , то рассчитываются отдельно конденсаторы С1 и С2
Чему учит?
Самое главное, чему учит книга «Маленький принц» – это мудрости. В ней скрыто много тайн, которые помогают жить счастливо и находить верный путь. Например, мудрости учит фраза короля:
«Тогда суди сам себя. Это самое трудное. Себя судить куда труднее, чем других. Если ты сумеешь правильно судить себя, значит, ты поистине мудр».
Детей «Маленький принц» учит:
- Ухаживать за своим домом и не лениться. Юный герой каждое утро наводил порядок на планете, убирал сорняки, прочищал вулканы, ухаживал за Розой. А Лентяй, который жил по соседству, лишился планеты из-за своей лени.
- Дружить и любить. Дружба приносит счастье, делает людей друг для друга особенными и ценными. Иногда нужно терпеть капризы любимого человека, потому что расставание, ссора с ним принесут страдания.
- Фантазировать и размышлять. Рисунки автора неразрывно связаны с книгой. Они по-детски простые, но загадочные. Нужно проявить фантазию, чтобы увидеть в очертаниях шляпы удава и слона, а в нарисованной коробке – крошечного барашка.
Отрывок про Лиса
Лис (не лиса) – сказочный персонаж, который символизирует друга, мудрость. Отрывок про него учит детей дружбе. Лис говорит герою мудрые слова о том, что в мире множество других ребят и множество лисиц. Но, если принц его приручит, они станут необходимы друг другу. Тогда для принца Лис станет единственным во всем мире, а для Лиса станет единственным принц. Жизнь заиграет красками, и шаги друга будут узнаваемы среди всех остальных.
Лис раскрывает, в чем секрет приручения. Приручать, значит, создавать любовные узы, соединяющие души.
Если оборвать их, будет больно. Нужно понимать свою ответственность. Понимая, что юный герой покинет Лиса, он все же просит его приручить. Лис готов плакать, прощаясь с принцем. Ведь дружба дает большее – наполняет жизнь смыслом. Теперь он будет сравнивать желтые колосья пшеницы с волосами мальчика.
Мудрый Лис также помогает мальчику понять свои чувства к Розе, посмотреть на цветок под другим углом. Он открывает ему мир человеческого сердца. Дружба с Лисом научила принца ритуалам дружбы и любви, о которых многие люди не помнят.
Отрывок про Честолюбца
Честолюбец является воплощением пустого тщеславия. Для него не имеет значения, что стоит за восхищением окружающих, восхищаются ли им за полезные дела или только притворяются. Самое главное для Честолюбца – аплодисменты, восторженные взгляды и другие внешние проявления восхищения. Маленькому принцу кажется такое стремление к поклонению бессмысленным.
Отрывок про Честолюбца учит детей, что восхищения достойны хорошие поступки и добрые дела. Неправильно восхищаться человеком только из-за его желания.
Отрывок про Розу
Маленький принц прежде не видел роз и очень восхищался красотой Розы, которая волей случая выросла на его планете. Он старательно поливал ее, убирал гусениц, защищал от сквозняков. Но цветок оказался очень гордым и требовательным. Вскоре мальчик устал от заносчивости Розы, и решил поискать других друзей. Маленький принц в этот момент не думает, насколько они важны друг для друга. Путешествуя, он скучает и вспоминает свой цветок. Он считает, что в мире нет прекраснее цветка. Когда на Земле ему встречается на пути целый розовый сад, наступает разочарование. Оказывается, существует сотни тысяч таких же роз.
Позже Лис открывает ему глаза. Его Роза уникальная, потому что мальчик полюбил ее. Он заботился о ней день ото дня, и она стала особенной. После рассказа Лиса мальчик хочет вернуться к покинутому цветку. Он вдруг понимает, что Роза дарила свою красоту и благоухание, и к ее капризам следовало бы относиться снисходительно.
Разлука с Розой научила юного героя ценить дружбу, быть мудрым, чтобы прощать недостатки друга.
Назначение
Зачем нужен компаратор и как его использовать без усилителя? В большинстве случаев, этот прибор применяется в несложных компьютерных схемах, где нужно сравнивать сигналы входящего напряжения. Это может быть зарядное устройство для ноутбука или телефона, весы (определитель массы), датчик сетевого напряжения AVR, таймер (компоратор типа lm 358, микроконтроллер и т. д. Также его применяют различные интегральные микросхемы для контроля входных импульсов, обеспечивая связь между источником сигнала и его центром назначения.

 Фото – компараторы для компьютера
Наиболее популярным примером является компаратор триггер (регулятор) Шиммера. Он работает в режиме многоканальности, соответственно, может сравнивать большое количество сигналов. В частности, данный триггер применяется для того, чтобы восстановить цифровой сигнал, который искажает связь в зависимости от уровня напряжения и расстояния источника питания.
Это аналог стандартного компаратора, просто с более расширенным функционалом, который обеспечивает измерение нескольких входящих сигналов.

 Фото – ОУ компаратор
Также есть компаратор шероховатости. Это устройство, которое помогает визуально определить состояние поверхности, которая уже подвергалась обработке. Применение этого приспособления обосновано необходимостью определять допуски обработанных ранее поверхностей.































 
    


