Схема налобного фонаря
Популярная конструкция светодиодного фонаря – налобная. Такой светильник позволяет полностью освободить руки и направлять луч света в нужное место поворотом головы: вслед за взглядом. Это удобно при ремонте автомобиля, при прогулках по затемненным территориям и т.д.
Схема такого светильника строится по принципу:
- управляющая схема (отвечает за переключение режимов);
- буферный усилитель;
- транзисторный ключ для включения светодиода.
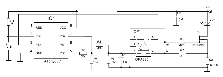
Один из вариантов такого устройства – когда блок управления выполнен на стандартном микроконтроллере (например, ATtiny85), в который зашита программа управления режимом излучателя, промежуточным усилителем служит операционный усилитель OPA335, а в качестве ключа используется полевой транзистор IRLR2905.
![]()
Схема карманного светодиодного фонарика на микроконтроллере.
Такая схема недорога, надежна, но имеет технологический недостаток: перед установкой надо программировать контроллер. Поэтому при массовом производстве в качестве блока управления используется специализированная микросхема FM2819 (на корпус может быть нанесено сокращенное обозначение 819L). Этот чип может включать и выключать светоизлучающий элемент, и запрограммирован на четыре режима:
- максимальная яркость;
- средняя яркость;
- минимальная яркость;
- стробоскоп (мигающий свет).
Режимы переключаются циклически коротким нажатием на кнопку. Длительное нажатие переводит фонарь в режим SOS. Изменить программу нельзя (по крайней мере, в даташите не говорится о такой возможности). Микросхема не требует промежуточного усилителя, но очень мощные светодиоды подключать напрямую к выходу нельзя – есть ограничение по нагрузке (и есть защита от ее превышения).
![]()
Схема карманного светодиодного фонарика на специализированном чипе.
Поэтому мощные элементы подключаются через ключ. В большинстве случаев им служит полевой транзистор, допускающий длительную работу с большим током в цепи стока, например FDS9435A производства Fairchild или других аналогичных, которые можно выбрать по параметрам из таблицы характеристик FDS9435A.
| Структура | Максимальное напряжение затвор-исток, В | Сопротивление канала в открытом состоянии | Максимальная рассеиваемая мощность, Вт | Наибольшй ток стока в постоянном режиме, А |
| Р-канал | 25 | 0,05 Ом при 5,3 А, 10 В | 2,5 | 5,3 |
Схема фонарика сводится всего к двум активным элементам и обвязке из нескольких конденсаторов и резисторов (плюс аккумуляторные элементы и матрица из светодиодов, само собой).
Простейший способ проверить цепь светодиодов лампы
Рассмотрим самый легкий метод проверки цепи светодиодов. Для начала зафиксируйте лампу, используя обрезанную пластиковую бутылку с меньшим диаметром. В нее и вставляется лампа. Для подачи питания воспользуйтесь вспомогательным блоком питания (в том случае, если речь идет об устройстве на 12 или 24 В).
Важно, чтобы лампа в этот момент была подключена к сети. Как только вы замкнете контакты на сгоревшем светодиоде, прибор загорится
Если этого не произойдет, то, возможно, перегорело более одного диода.
Читать также: Гост 30136 95 статус на 2020 год
![]()
Продолжите визуальный осмотр схемы и ищите места прогаров, вздутые конденсаторы, изучите каждую дорожку на плате. При обнаружении оборванных контактов выполните пайку. Если цепь состоит из 10 и менее элементов, то ни в коем случае не заменяйте сгоревший светодиод проводом или перемычкой. Это может привести к перегрузке катушек и сгоранию диодов.
Как собрать садовый светильник на солнечных батареях своими руками
Типовая схема таких светильников очень простая, она состоит всего из семи элементов:
- резистор 47КОм;
- резистор 56Ом;
- диод КД243А (либо импортный 1N4001/7/ 1N4148);
- транзистор КТ361Г (либо импортный 2N3906);
- аккумулятор 3,7В/1500мАч;
- солнечная панель 5,5В/2Вт;
- светодиоды — один мощностью 3 Вт или несколько по 1-1,5Вт.
Ниже приведена базовая схема светильника на солнечной батарее.
Принцип действия предложенной цепи прост. Когда солнечный свет падает на панель, транзистор закрыт, и энергия накапливается на аккумуляторе. Когда на солнечную панель перестает попадать свет, транзистор открывается, и ток идет на светодиоды. Таким образом, в течение светового дня светильник заряжается, а вечером и ночью он светится. Для заряда хватает восьми часов, а время работы зависит от емкости аккумулятора и силы свечения светодиодов.
Собрать схему способен даже начинающий любитель. Есть несколько вариантов монтажа.
- Самостоятельно сделать небольшую плату (2х3см), вытравить на ней дорожки, а затем припаять все элементы схемы.
- Собрать схему без платы навесным монтажом. Но тогда позаботьтесь о качественной изоляции для стыков проводков и элементов, чтобы при помещении всех элементов в корпус фонарика не случилось замыкания цепи.
В обоих случаях схема без труда поместится в колпачке от дезодоранта. Там же можно разместить и аккумулятор. А солнечную панель при помощи термоклея можно прикрепить сверху. Для усиления яркости светильника используйте отражатель. Его делают из фольги или старого компакт-диска.
Проекты по теме:
К сожалению аккумулятор был изношен и его хватало для работы фонаря в течение 2 часов. ![]()
По этой причине от перегрева и сгорела первичная обмотка трансформатора. При подключении зарядного устройства напряжение на клеммах аккумулятора не изменялось, стало очевидным, что зарядное устройство не работает. Однако на практике это не совсем так, т
Но, хочу заострить ваше внимание, если корпус фонарика металлический — зарядное устройство туда не монтируйте, а сделайте его выносным, то есть отдельно. Назначение кружка — двойное
Состоит из двух ячеек по 2 вольта, соединённых последовательно. Типовыми неисправностями фонариков с аккумулятором являются: Выход из строя элементов сетевого выпрямителя диодов, электролитического конденсатора, резистора в цепи индикации ; Неисправность кнопки-выключателя легко чинится любой подходящей кнопкой с фиксацией или же рокерным выключателем ; Деградация старение аккумулятора;.
При положении движка переключателя в крайнем левом положении общий вывод подключается к левому выводу переключателя. Этот фонарик за доллара. Все три светодиода от аккумуляторов при номинальном напряжении 3,6 В потребляют ток не более 75…80 мА по мере разряда элементов ток будет снижаться, но все равно свечение будет достаточно ярким для подсветки. Введение транзисторов выровняло яркость, однако они имеют сопротивление и на них падает напряжение, что вынуждает преобразователь повышать уровень выходного до 4В, для снижения падения напряжения на транзисторах можно предложить схему на рис. Как оказалось в ручке небыло радиоэлектронных элементов. ВОССТАНОВЛЕНИЕ ГЕЛЕВЫХ АККУМУЛЯТОРОВ СВОИМИ РУКАМИ
https://youtube.com/watch?v=SDS5QBbbtc4
Как правильно выбрать паяльник для пайки
Основными критериями при выборе паяльника являются его мощность, принцип действия, рабочее жало.
Важно! В качестве источника питания для оборудования могут быть электросеть, аккумуляторы или природный газ. По типу конструкции и принципу действия различают несколько видов паяльников:
По типу конструкции и принципу действия различают несколько видов паяльников:
ЭПСН, или нихромовый – имеет нагревательную спираль из сплава на основе никеля. Эти приборы стоят относительно дёшево, выдерживают механические нагрузки, пригодны к ремонту и просты в использовании, но, в то же время, они медленно прогреваются и не рассчитаны работу в течение нескольких часов подряд.
![]()
ЭПСН
Керамический паяльник – оснащен аналогичным нагревательным элементом или изолятором для нихромовой спирали. Быстро нагревается, и для него характерна высокая мощность и наличие встроенной системы для поддержания температуры. К минусам следует отнести высокую стоимость и хрупкость при падении.
![]()
Керамический стержень
Импульсный паяльник – работает только при нажатии пусковой кнопки. Нагреватель может быть, как спиральным, так и керамическим, а жало в виде медной проволоки или съемного наконечника. Устройство быстро нагревается и подходит для любых видов работ.
Важно! Корпус выполняется по аналогии с рукояткой пистолета из-за наличия кнопки запуска. Импульсный паяльник
![]()
Импульсный паяльник
Индукционный – имеет в комплекте паяльную станцию и не нуждается в термодатчиках. Недостатком такого устройства является сложность выставления требуемой температуры для ферримагнитного сердечника и высокая цена.
Вам это будет интересно Коэффициент измерения цветопередачи
![]()
Индукционный инструмент
Беспроводные паяльники – быстро нагреваются и не зависят от наличия розетки, но, при этом, обладают малой мощностью. То же можно сказать о портативных приборах для подключения через USB-порт. В случае с газовым оборудованием необходимо тщательно соблюдать технику безопасности во избежание пожара.
Насадки, по своей природе, бывают трёх разных типов:
- Медное жало – обладает высокой теплоемкостью. Низкая термостойкость приводит к ускоренному окислению, из-за чего необходимо часто прибегать к абразивам. В результате, мягкий стержень со временем стачивается и нуждается в замене.
- Медный сердечник с защитой из никеля, серебра или алюминия чистить от патины не нужно, но такое жало стоит дороже и боится перегрева.
![]()
Жало из меди
Керамическая насадка имеет медный наконечник с никелевым покрытием. Такое исполнение не подвержено коррозии и не нуждается в постоянной чистке, обладая, при этом, хорошей теплоемкостью.
Важно! Керамические изделия характеризуются хрупкостью при случайном ударном воздействии. Для использования устройства на бытовом уровне достаточно номинальной мощности в пределах от 25 до 40 Вт
Если паять совсем слабым инструментом, то продолжительность термического воздействия значительно снижает качество соединения, к тому же, при перегреве есть риск выхода детали из строя
Для использования устройства на бытовом уровне достаточно номинальной мощности в пределах от 25 до 40 Вт. Если паять совсем слабым инструментом, то продолжительность термического воздействия значительно снижает качество соединения, к тому же, при перегреве есть риск выхода детали из строя.
Наиболее предпочтительным выбором будет паяльник со встроенным терморегулятором, который позволит мастеру устанавливать нужную температуру при ремонте различного оборудования. Картинка 8. Инструмент с терморегулятором
Что можно сделать с помощью паяльника разной мощности? Для работы с диодами используют керамический прибор с малым потреблением тока (3–10 Вт), чинить микросхемы рекомендуется при помощи регулируемого устройства в 20 Вт, для электропроводки или бытовой техники – 25–40 Вт.
Преимущества налобных фонарей
Налобные фонари обладают целым рядом существенных преимуществ, которые обеспечивают им высокую популярность и востребованность:
- Обеспечивают свободные руки — налобный фонарь фиксируется на голове, оставляя обе руки свободными и позволяя выполнять ими любую работу
- Обеспечивают направленное свечение — поток света от налобного фонаря направлен туда, куда повернута голова и направлен ваш взгляд, при пользовании таким фонарем не приходиться тратить время на синхронизацию светового луча и взгляда
- Имеют компактные размеры — благодаря ярким светодиодам и емким легким аккумуляторам налобные фонари имеют компактные размеры и легкий вес, они практически не ощущаются на голове и обеспечивают мощный световой поток
Схема садового светильника
Конструктивно, садовый светильник, работающий на солнечной батарее, состоит из следующих частей:
- Корпус – может быть различной конструкции, в зависимости от способа установки, материала, используемого при изготовлении и его предназначения.
- Солнечная батарея – является источником питания электрического аппарата.
- Источник света – электрическая лампа, как правило малой мощности (светодиод) и значительным световым потоком.
- Устройства автоматики – датчики освещенности и движения, обеспечивают включение в темное время суток и при попадании движущегося объекта в зону охвата датчика, соответственно.
- Аккумулятор (АКБ) – является накопителем электрической энергии, обеспечивающей работу источника света.
- Электронный блок (контроллер) – отвечает за режим заряда аккумулятора и работу источника света.
- Коммутационный аппарат – служит для отключения прибора, когда нет необходимости в его работе.
Схематически, садовый светильник, работающего на солнечной батарее, выглядит следующим образом:
![]()
На данном рисунке коммутационные устройства и средства автоматики не указаны. Принцип работы основан на преобразовании солнечной энергии в электрическую, которое происходит внутри фотоэлементов, являющихся основой солнечной батареи.
Все элементы – АКБ, контроллер и источники света, помещаются в общий корпус, солнечная панель может в него встраиваться или быть выносной, в соответствии с конструкцией конкретной модели.
Собираем бумажный купол
Для сборки одного фонаря понадобится рулон бумаги длиной не менее 2 метров. Раскатайте рулон и отрежьте два куска по 60см каждый.
Подъемная сила напрямую зависит от объема горячего воздуха внутри будущего купола.
Ошибка №3 Поэтому делать китайский фонарь размерами меньше, не стоит.
![]()
Приложите эти два куска бумаги друг на друга длиной стороной так, чтобы они перекрывали сами себя внахлест на 2-3см.
![]()
Склейте листы, чтобы из двух половинок получилось одно цельное полотно.
Теперь из него нужно сделать цилиндр. Для этого возьмите нижний край листа и приложите к верхнему, чтобы он не доходил до конца 2-3см.
![]()
После чего загните верхний кончик и приклейте его по всей длине к нижнему.
У вас должна получится бумажная цилиндрическая форма купола. Аккуратно расправьте ее и сделайте круглой.
![]()
Поставьте вертикально этот цилиндр на оставшийся рулон бумаги и вырежьте квадрат, который будет немного больше (на 7-8см с каждой стороны), чем диаметр корпуса будущего фонаря.
![]()
Это будет верх. Смажьте все 4 стороны квадрата и приклейте его к макушке цилиндра.
Сначала серединку. Затем склейте между собой уголки.
![]()
![]()
![]()
А потом плотно приклейте все к куполу, чтобы нигде не оставалось дырочек для выхода теплого воздуха наружу.
Основные характеристики
Качество подобного устройства определяется применяемым кремнием. В недорогих светильниках используют его поликристаллическую или аморфную разновидности. Монокристаллический кремний может работать в любой сезон, он стоек к агрессивному воздействию. Если нет возможности приобрести монокристаллический элемент, лучше использовать мультикристаллические солнечные батареи.
Для придания долговечности изделиям их покрывают специальной пленкой.
Производители стали изобретать маркетинговые ходы для скрытия некоторых изъянов своей продукции. В частности, поликристаллические устройства стали называть уличными светодиодными фонарями, но срок их нормальной службы составит только один сезон.
Длительным сроком эксплуатации могут похвастаться брендированные устройства. Здесь достаточно мощный фотоэлемент, солнечный свет в него попадает в глубокие слои, что обеспечивает стабильную работу светильников в течение продолжительного времени. У китайских светильников толщина фотоэлемента сравнима с фольгой, поэтому срок службы его гораздо меньше.
На освещение оказывает влияние и структура стекла. При преобладании дней с пасмурной погодой лучше использовать текстурированное стекло, поскольку оно накапливает излучение, в то время как гладкая поверхность способствует его частичному отражению. Наиболее дорогое и долговечное покрытие — закаленное стекло.
Принципиальная схема простого для повторения светильника
Приведенная ниже принципиальная схема светильника, работающего от энергии солнечного света весьма проста, и многократно опробована многочисленными любителями, специализирующихся на изготовлении полезных устройств своими руками.
Принципиальная схема
Как она работает:
- В дневное время солнечная панель (S) преобразует энергию световых лучей в электрическую.
- Вырабатываемый ею ток через диод D1 заряжает аккумуляторную батарею (А).
- Положительный потенциал, приложенный к базе через резистор R1, «удерживает» транзистор Т1 в закрытом состоянии и светодиод D2 не горит.
- При значительном снижении освещенности солнечной панели транзистор открывается (из-за уменьшения положительного потенциала, приложенного к базе) и подключает светодиод D2 к аккумуляторной батарее. Светодиод начинает гореть.
- Диод D1 препятствует разряду аккумулятора через солнечную панель.
- С наступлением рассвета положительное напряжение, поступающее с «+» вывода солнечной панели на базу «закрывает» транзистор Т1 и светодиод D2 перестает гореть, а аккумуляторная батарея снова начинает заряжаться.
Как подключить от 9В батарейки Крона
«Крона» имеет относительно небольшую емкость и не очень подходит для питания мощных светодиодов. Максимальный ток такой батареи не должен превышать 30 – 40 мА. Поэтому к ней лучше подключить 3 последовательно соединенных светоизлучающих диода с рабочим током 20 мА. Они, как и в случае подключения к батарейке 3 вольта не будут светить в полную силу, но зато, батарея прослужит дольше.
Схема питания от батарейки крона
![]()
В одном материале трудно осветить все многообразие способов подключения светодиодов к батареям с различным напряжением и емкостью. Мы постарались рассказать о самых надежных и простых конструкциях. Надеемся, что этот материал будет полезен как начинающим, так и более опытным радиолюбителям.
Почему светодиодная лента?
Натяжные потолки – это легкость и воздушность, поэтому они требуют особенного подхода. Выбирая динамичное освещение в виде светодиодных лент можно добиться чистой и четкой световой подачи в любой комнате, здесь главное не переусердствовать
Очень важно найти баланс между плавностью и «режущим» глаз светом
Оригинальное решение для натяжного потолка
Внедрение светодиодного освещения несет некоторые особенности:
- Оптимальность освещения. Угол освещения светодиодов составляет до 140, что позволяет качественно осветить большой объем элементов и получить четкий свет без отражателей;
- Экономичность. При своих небольших размерах светодиодная лента позволяет не только с успехом заменить обычную лампу в натяжном потолке, но и обеспечить такое же количество света, при этом потребляя мощности в несколько раз меньше;
- Длительный срок службы. Вы знаете, что светодиодная лента может работать на отказ до 100 тысяч часов? В годах это составляет 10 лет работы, притом, что подсветка будет активно функционировать около 6 часов в сутки;
- Быстрый срок окупаемости. Смущает цена на светодиодные ленты? Не беспокойтесь – традиционное освещение «съедает» большое количество электроэнергии, а светодиоды смогут окупить себя уже за полтора года. Подсчитайте, сколько вы сэкономите за весь срок службы на электричестве;
- Равномерный свет. Бесшумная светодиодная лента позволяет одним взмахом руки осветить комнату на полную яркость, что является преимуществом в сравнении с «экономками».
Если вы приняли решение осветить комнату с помощью светодиодов на натяжном потолке, вы должны понимать, что создавать освещение нужно для комфортного самочувствия. Светодиодная лента часто выступает декоративным решением для натяжного потолка. Иногда требуется расставить акценты на объекты комнаты, визуально «раздвинуть» небольшое помещение или разбить на функциональные зоны.
LED-лента: решение для стильных хозяев
Различия светодиодных лент
Хотите сэкономить место и не «отхватить» кусок потолка? У вашей комнатки малые габариты, а может, вы хотите подсветить мебель или арку в стене? Выберите цель и вид светодиодной ленты. Если вас привлекает яркость и не типичность – можно использовать несколько разноцветных светодиодных полос. Для любителей классики подойдет одноцветный белый свет.
В чем различия LED-лент?
Светодиодные ленты различаются по типу диода. Например, маркировка диода SMD 3528 означает следующее: буквы вначале характеризуют тип монтажа, а числа следом – размеры диода. Например, существуют диоды SMD 5050, которые впускаются многоцветными, чего не сказать о SMD 3528 – этот тип диодов разрабатывается только белыми.
Различия в плотности светодиодов
- Цвета. Натяжной потолок в дуэте со светодиодной лентой могут создавать совершенно сказочную атмосферу в зависимости от ваших предпочтений. Одноцветная лента удовлетворит взыскательный вкус строгих хозяев, а многоцветная RGB лента станет освещать вашу комнату в зависимости от настроения;
- Защищенность. Некоторые виды LED-лент защищены от влаги, но, тем не менее, цена их не сильно отличается от аналогов, незащищенных от воды. Имеет смысл купить влагозащищенную ленту, если вы беспокоитесь, что соседи этажом выше способны устроить вам неожиданный «водный сюрприз».
Выбор параметров фонаря в зависимости от предназначения
Для бытового применения — налобные фонари могут использоваться в быту в случае аварийного отключения электричества, бытовые налобные фонари не нуждаются в высокой емкости аккумуляторов, высоких степеней защиты от ударов и воды, для использования в быту вполне подходят самые простые и недорогие модели.
Для обслуживания автомобиля — высокая световая мощность, рассеивающий свет.
Для охоты и рыбалки — достаточно средней световой мощности, рассеивающий свет, максимальные ударопрочность и водонепроницаемость, большая емкость питания для обеспечения высокой длительности автономной работы.
Для бегунов и велосипедистов — световая мощность 300-400 Люмен, водозащита не менее IPX4 для защиты от дождя и мокрого снега, наличие регулировки угла наклона, надежная система фиксации.
Для горных походов и альпинизма — высокая световая мощность, возможность длительной работы от одного заряда, наличие регулировки угла наклона, желателен выносной блок питания для длительной работы фонаря на холоде.
Для спелеологии — максимальные яркость и дальность освещения, максимальные ударопрочность и водонепроницаемость, большая емкость питания для обеспечения высокой длительности автономной работы.
Для треккинга и кемпинга — достаточно налобного фонаря невысокой мощности с рассеивающим светом, желательна высокая длительность автономной работы, желательно наличие возможности закрепить фонарь в палатке, к рюкзаку или на дерево, фонарь должен иметь небольшой вес и компактные размеры.
Как происходит установка?
Установка светодиодной ленты на потолок должна проходить в определенной последовательности
Важно учитывать такие нюансы, как площадь помещения и высота потолков
Ленту лучше покупать длиной не больше пятнадцати метров. Иначе диоды, расположенные рядом с блоком питания, примут на себя максимальную нагрузку и быстро перегорят.
Алгоритм действий при установке ленты:
Необходимо определиться со светодиодами, которые будут задействованы в искомой ленте. Если владелец помещения желает получить яркий свет, то ему лучше приобрести лампы 5060
Они будут немного дороже, чем стандартные диоды 3528
Важно выбрать, какая будет плотность ламп на ленте. Возможны варианты в 30, 60, 120 см
Эти цифры означают количество диодов, размещенных на одном метре ленты. Благодаря этим показателям можно сделать свет более приглушенным ли ярким. Просто нужно учитывать, что чем больше закреплено ламп на одном метре ленты, тем ярче будет освещение в комнате. Не стоит забывать о типе подсветки. Данный вопрос не менее важен, чем предыдущие. Лучше выбирать влагозащищенные виды, они дольше прослужат. Необходимо решить, будет ли лента цветной. Если человек желает видеть много цветов, то ему лучше приобрести контроллер. Измерения и расчеты. Установка подсветки потолка светодиодной лентой требует точных данных о периметре помещения, где нужно провести подсветку. Нужно узнать площадь выбранного помещения. Когда все необходимые данные получены, следует умножить мощность, которую потребляет один метр светодиодной ленты на площадь помещения. Полученные значения нужно записать. Они будут нужны при выборе контроллера, а также системы питания для светодиодной ленты. Потребуется определить, где будет проходить освещение. Монтаж под натяжной потолок будет отличаться от установки светодиодной ленты в парящий потолок. Следует заранее выбрать вариант установки и решить, будут ли создаваться специальные выступы из гипсокартона. При установке светодиодной ленты под натяжной потолок стоит учесть такой нюанс. Когда лента имеет один цвет, то стоит соединять плюс к минусу. Если она разноцветная, то придется искать участки, на которых обозначен выбранный цвет.
https://youtube.com/watch?v=2WWQBF2TE3s
Лабораторный блок питания своими руками
БП – полезный прибор для любого человека, занимающегося электроникой. Устройство способно регулировать выходное напряжение и ограничивать ток до тех параметров, которые будут необходимы для корректной работы той или иной схемы.
Важно! Купить БП можно в любом магазине электроники, но гораздо выгоднее и полезнее будет изготовить его своими руками с использованием простой схемы. Чертеж блока
![]()
Чертеж блока
Схема состоит из следующих деталей:
- Блока питания из трансформатора, диодного моста и конденсатора;
- Регулятора на транзисторе или стабилитроне;
- Клемм и радиатора;
- Светодиода;
- Вольтметра;
- Резисторов.
![]()
Самодельное устройство в корпусе Первым делом подготавливается плата, в которую впаиваются все необходимые элементы, фигурирующие в схеме, после чего ее подключают к трансформатору. На этом этапе блок питания уже может функционировать. Можно, конечно, сделать для него корпус, но эта процедура уже не относится к электронике.






























