Схема FM-передатчика средней мощности
Описание
Это принципиальная схема схемы FM-передатчика умеренной мощности, в которой используются два транзистора. Речевые сигналы, принимаемые микрофоном, будут усилены транзистором Q1. Второй транзистор подключен как генератор, работающий в диапазоне FM. Выход T1 — передается на базу T2, который также выполняет функцию модуляции. Схема контура резервуара, состоящая из компонентов L1 и C6, определяет частоту сигнала, и ее можно изменять, регулируя C6. Конденсатор C7 передает FM-сигнал на антенну.
Принципиальная схема со списком деталей
Схема FM-передатчика средней мощности
Примечания
- Вы можете собрать схему на печатной плате общего назначения.
- Схема может питаться от батареи PP3 напряжением 9 В.
- Антенна A1 может представлять собой провод длиной 1 м.
- Индуктор L1 может быть изготовлен из 6 витков 0,8 мм эмалированного медного провода на пластиковом каркасе диаметром 5,5 мм и длиной 4,5 мм.
- С соответствующей антенной и правильной настройкой этот передатчик может иметь диапазон до 100 метров.
FM-передатчик 2 километра
В этой части статьи вы узнаете, как создать FM-передатчик большого радиуса действия, который имеет дальность охвата 2 километра (2 км). По сути, это простая схема для хобби, сделанная своими руками, и вы можете попробовать ее у себя дома, используя при этом минимальное количество компонентов. Начните создавать этот высокочастотный FM-передатчик и посмотрите, какой вы получите результат.
Описание
Эта схема FM-передатчика с согласованной антенной может передавать сигналы на расстоянии до 2 километров. Транзисторы Q1 и Q2 образуют классический высокочувствительный каскад предусилителя. Передаваемый аудио сигнал поступает на базу Q1 через конденсатор C2. R1, R3, R4, R6, R5 и R9 — резисторы смещения для каскада предусилителя, состоящего из транзисторов Q1 и Q2.
Транзистор Q3 выполняет общую работу генератора, смесителя и оконечного усилителя мощности. Цепочка C9 и L1 образуют контур резервуара, который необходим для создания колебаний. Индуктор L2 передает FM-сигнал на антенну.
Принципиальная электрическая схема
FM-передатчик 2 км
- Соберите схему на печатной плате хорошего качества.
- Схема может получать питание от 9 до 24 В постоянного тока.
- Катушка индуктивности L3 может быть RFC типа VK220J.
- Для L1 сделайте 3 витка эмалированного медного провода диаметром 1 мм на пластиковом каркасе диаметром 10 мм. На этом же сердечнике сделайте 2 витка эмалированного медного провода диаметром 1 мм рядом с L1, и это будет L2.
- Частоту можно регулировать, изменяя емкость C9.
- R9 можно использовать для регулировки усиления.
- Для оптимальной производительности необходимо также отрегулировать значение C8.
- Использование батареи для питания схемы снизит шум.
БЛОК ПИТАНИЯ ЛАМПОВОГО УСИЛИТЕЛЯ
Ничто так не выдаёт консерватизм, чем изготовление ламповых усилителей звука. А может это просто признак особого изысканного вкуса настоящих аудиофилов? В любом случае собрать такой УНЧ представляется прикольным и теоретически выгодным занятием. Как знать, сколько подобный шедевр будет стоить спустя 20 лет. Тут один только внешний вид лампового усилителя уже делает достойной установку его на самом видном месте кабинета. А звук.. Ну это каждый решит после прослушки для себя сам. В общем приступая к сборке самого усилителя, вначале продумайте сам блок питания. Это вам не 12В взятые из БП ATX. Здесь должны присутствовать минимум два напряжения разной величины и мощности. Напряжение накала берётся в пределах 5,5 — 6,5В и чаще всего подаётся на схемы переменным, сразу с обмоток трансформатора, а питание анодов достигает 300 и даже 500В. При уже постоянной форме тока.
Несмотря на то, что в последнее время наметилась стойкая тенденция к импульсным источникам питания всего и вся, рекомендую всё-же забыть на время про электронные трансформаторы и задействовать старый добрый ТС180 (ТС160) от любого чёрно-белого лампового телевизора. Тому есть две причины. Во-первых обычный трансформатор прощает невнимательность монтажа и не взорвётся, как электронный, при случайных боках и замыканиях, а во-вторых цена ЭТ может быть весьма и ввесьма, в отличии от обычных ТС, коих у многих хватает в закромах. Представляется правильным собрать один универсальный блок питания с анодным и накальным напряжением, и питать от него или один конкретный ламповый усилитель (спрятав сам БП подальше), или собирая другие ламповые схемы переключать его при необходимости на них. На каждый ламповый УНЧ блоков питания не напасёшся:)
Смотрим схему простого блока питания лампового усилителя:
По питанию 220В ставим модный пластмассовый тумблер 250В 5А с зелёной подсветкой. Не забываем про предохранители — один на пару ампер по сети, второй трёхамперник по накалу, и третий по высоковольтному напряжению анода. В отличии от электронных трансформаторов, где предохранители сгорают последними, здесь они выполнят свою миссию, так как даже и без них блок питания выдержит кратковременные замыкания выходов. За что я и уважаю трансы в железе. Диоды для двухполупериодных мостов или собираем из советских КД202 с нужной буквой, или берём готовый диодный мост на подходящее напряжение и ток. Если у вас усилитель на пару ламп типа 6П14П с небольшой мощностью выхода, диодный мост выпрямителя пойдёт и советский коричневый КЦ405 или КЦ402. Накал выпрямлять следует только для входных ламп первого одного — двух каскадов. Дальше влияние постоянного накала сводится к нулю и это будет только расход тепла на диодах.
Можно питать накал от моста с конденсатором 4700 — 10000мкФ, а можно и КРЕН5 поставить. и не стремитесь на входные лампы подавать строго 6,3В — лучше питать их немного заниженным напряжением вплоть до 5В. Так что обычная пятивольтовая КРЕНка и всё будет ОК. Обязательно советую поставить пару светодиодов — индикаторов напряжения анода и накала. Во-первых красиво, а во-вторых информативно, сразу видны возможные проблемы с питанием.
Корпус лучше делать делезный, точнее из листового алюминия — он обрабатывается очень удобно. Или просто взять готовый подходящих размеров, где просверлить гнёзда под кнопку сети, светодиоды и разъёмы. Сеть тоже вводите в корпус не просто через дырку, а подключив штеккером к специальному сетевому гнезду. Лично я делаю только так на всех конструкциях — это удобно.
Конденсаторы фильтров анода берём чем больше — тем лучше. Минимум два по 300 микрофарад. Напряжение на них должно быть на 100В выше, чем напряжение на выходе БП. Если у вас схема рассчитана на 250В, то берём конденсатор на 350. Конечно я это правило выполняю далеко не всегда, а бывает вообще ставлю один к одному, но вы так не делайте и в этом с меня пример не берите. Резистор на 47 Ом 5 ватт уточняем по конкретной схеме лампового усилителя. Для простого однотактного его хватит, а для мощного двухтактника надо вообще ставить дроссель. Выдиратся он из любого лампового телевизора и называется ДР-0,38. Трансформатор питания перед установкой в БП обязательно послушайте на предмт гудения и жужжания. А то купите, рассчитете и соберёте под него корпус, а он гудит громче вечернего Пинк Флойда. Будет большой облом. И напоследок порекомендую все диоды шунтировать конденсаторами на 0,01-0,1 мкФ с соответствующими напряжениеми.
Все вопросы — на форум по БП
Схемы сетевых фильтров импульсных и высокочастотных помех: 4 типа конструкций
Правило №2: у качественных ИБП в конструкции блока должен работать надежный фильтр в/ч сигналов.
Важно понимать, что импульсы высокой частоты играют двоякую роль:
- в/ч помехи могут приходить из бытовой сети в блок питания;
- импульсы высокочастотного тока генерируются встроенным преобразователем и выходят из него в домашнюю проводку.
Причины появления помех в бытовой сети:
- апериодические составляющие переходных процессов, возникающие от коммутации мощных нагрузок;
- работы близкорасположенных приборов с сильными электромагнитными полями, например, сварочных аппаратов, мощных тяговых электродвигателей, силовых трансформаторов;
- последствия погашенных импульсов атмосферных разрядов и других факторов, включая наложение высокочастотных гармоник.
Помехи ухудшают работу радиоэлектронной аппаратуры, мобильных устройств и цифровых гаджетов. Их необходимо подавлять и блокировать внутри конструкции импульсного блока питания.
Основу фильтра составляет дроссель, выполненный двумя обмотками на одном сердечнике.
Дроссели могут быть выполнены разными габаритами, намотаны толстой или тонкой проволокой на больших или маленьких сердечниках.
Начинающему мастеру достаточно запомнить простое правило: лучше работает фильтр с дросселем большого магнитопровода, увеличенным числом витков и поперечным сечением проволоки. (Принцип: чем больше — тем и лучше.)
Дроссель обладает индуктивным сопротивлением, которое резко ограничивает высокочастотный сигнал, протекающий по проводу фазы или нуля. В то же время оно не оказывает особого влияния на ток бытовой сети.
Работу дросселя эффективно дополняют емкостные сопротивления.
Конденсаторы подобраны так, что закорачивают ослабленные дросселем в/ч сигналы помех, направляя их на потенциал земли.
Принцип работы фильтра в/ч помех от проникновения на блок питания входных сигналов показан на картинке ниже.
Между потенциалами земли с нулем и фазой устанавливают Y конденсаторы. Их конструктивная особенность — они при пробое не способны создать внутреннее короткое замыкание и подать 220 вольт на корпус прибора.
Между цепями фазы и нуля ставят конденсаторы, способные выдерживать 400 вольт, а лучше — 630. Они обычно имеют форму параллепипеда.
Однако следует хорошо представлять, что ИБП в преобразователе напряжения сами выправляют сигнал и помехи им практически не мешают. Поэтому такая система актуальна для обычных аналоговых блоков со стабилизацией выходного сигнала.
У импульсного блока питания важно предотвратить выход в/ч помех в бытовую сеть. Эту возможность реализует другое решение
Как видите, принцип тот же. Просто емкостные сопротивления всегда располагаются по пути движения помехи за дросселем.
Третья схема в/ч фильтра считается универсальной. Она объединила элементы первых двух. Y конденсаторы в ней просто работают с двух сторон каждого дросселя.
У самых дорогих и надежных устройств используется сложный фильтр с дополнительно подключенными дросселями и конденсаторами.
Сразу же показываю схему расположения фильтров на всех цепочках блока питания: входе и выходе.
Обратите внимание, что на кабель, выходящий из ИБП и подключаемый к электронному прибору, может быть дополнительно установлен ферритовый фильтр, состоящий из двух разъемных полуцилиндров или выполненный цельной конструкцией
Примером его использования является импульсный блок питания ноутбука. Это уже четвертый вариант применения фильтра.
Чувствительность
Чувствительность передатчика в значительной степени зависит от номинала нагрузочного резистора R1 электретного микрофона. В прототипе мы использовали сопротивление 39 кОм, так как используемый нами микрофон был очень чувствительным. Если вы хотите повысить чувствительность, то сопротивление этого резистора можно уменьшить до 33 кОм, но не опускайтесь ниже.

Электретные микрофоны бывают разных размеров. Все они работают по одному и тому же принципу — генерируют выходной сигнал при подаче напряжения. Некоторые из них обладают высокой чувствительностью, а другие — крайне низкой. Невозможно выяснить разницу не испытав их на деле.
Электретные микрофоны не производят напряжение или ток, а скорее изменяют напряжение на нагрузочном резисторе. Вот почему необходим нагрузочный резистор, подключенный последовательно с одним из выводов.
Передатчик на микросхеме К155ЛАЗ
Рейтинг: / 5
- Подробности
- Категория: маломощные передатчики
- Опубликовано: 02.10.2019 16:33
- Просмотров: 1669
Микросхемы серий К.130, КПЗ, К155 хорошо работают на частотах до 10…15 МГц. Проведенные эксперименты показали, что они сохраняют свою работоспособность и на более высоких частотах — вплоть до 100 МГц. При этом, правда, снижается выходное напряжение. Невзирая на это, можно построить микромощный радиопередатчик, не имеющий катушек индуктивности, на диапазон 66…76 МГц. Дальность такого передатчика составляет до 50 м. Его сигнал можно услышать на обычном УКВ приемнике.
ЧМ-передатчик УКВ-диапазона
Рейтинг: / 5
- Подробности
- Категория: маломощные передатчики
- Опубликовано: 30.11.2019 12:45
- Просмотров: 1988
В настоящее время в среде радиолюбителей (особенно начинающих) большой интерес представляют различного вида приемно-предающие устройства. Наиболее простой конструкцией, с помощью которой можно передавать человеческую речь (или другую информацию), являются малогабаритные УКВ-передатчики с частотной модуляцией. Выбор именно ЧМ обусловлен весьма простой схемотехникой модулятора, а работа передатчика в УКВ-диапазоне позволяет получить требуемую девиацию частоты полезного сигнала, малые габариты антенны и отсутствие помех радиостанциям, расположенным в других городах или странах (в отличие от диапазона коротких волн дальность связи на УКВ в обычных условиях ограничивается расстоянием прямой видимости между приемником и передатчиком).
Принципиальная схема
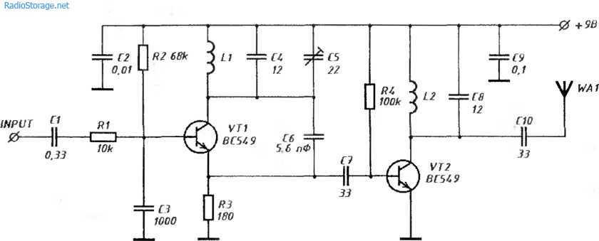
Принципиальная электрическая схема передатчика приведена на рис. 1. На транзисторе ѴТ1 типа ВС549 собран задающий генератор, частота которого устанавливается подстроенным конденсатором С5.
Для настройки передатчика следует включить бытовой радиоприемник в FM-ди-апазоне и, выключив бесшумную настройку, установить частоту, свободную от сигналов вещательных станций.
При этом в динамике должен быть слышен шум эфира. Далее тщательной подстройкой емкости конденсатора С5 добиваются пропадания шума в динамике приемника.
При этом рабочая частота передатчика будет соответствовать частоте настройки приемника. Так как на данных частотах сказывается влияние металлических предметов (отвертки) на рабочую частоту, то после каждого поворота ротора конденсатора С5 необходимо контролировать передачу внешним радиоприемником.
При сборке схемы следует также убедиться, что ротор С5 соединен с шиной питания +9 В. При этом влияние отвертки на генерируемую частоту будет минимальным. Еще лучше использовать для подстройки емкости С5 самодельную диэлектрическую отвертку, изготовленную из стеклотекстолита с удаленной фольгой.

Рис. 1. Схема простого УКВ ЧМ передатчика с усилителем мощности ВЧ.
Конденсатор C3 является блокировочным. При этом его емкость выбрана исходя из условия обеспечения моночастотного возбуждения генератора.
Данный конденсатор должен быть высококачественным керамическим, с наименьшей длиной выводов. Этот же конденсатор вместе с резистором R1 образует фильтр нижних частот, ограничивающий полосу частот входного аудиосигнала и, соответственно, ширину спектра ВЧ-сиг-нала передатчика значением 15 кГц.
Все конденсаторы, использующиеся в схеме, должны быть керамическими (за исключением С1). Конденсаторы С4 и С8 должны быть с ТКЕ N750, другие — с ТКЕ NP0.
Маломощный УКВ-ЧМ передатчик
Рейтинг: / 5
- Подробности
- Категория: маломощные передатчики
- Опубликовано: 11.04.2017 07:53
- Просмотров: 4108
Снегирев И. В некоторых случаях требуется радиоканал чтобы передать какой-то сигнал на расстояние в несколько десятков метров. В промышленной аппаратуре, а так же, зарубежными радиолюбителями, в таком случае используются специальные микросборки-модули радиопередатчика и приемника. Многим российским радиолюбителям эта элементная база пока еще недоступна (как физически, так по стоимости). Нам значительно проще (и дешевле) приобрести самый простой миниатюрный УКВ-ЧМ радиовещательный приемник и сделать к нему микромощный передатчик, работающий на частоте в диапазоне 87,5-108МГц.
Схема простого радиопередатчика (жучка) / Электроника своими руками / Makezilla
Схема предлагаемого миниатюрного радиопередатчика проста в изготовлении и состоит из доступных компонентов, поэтому собрать ее начинающему радиолюбителю не составит труда. Прием сигналов возможен на любой имеющийся у вас радиоприемник с FM диапазоном.

При этом дальность может достигать 100 м (зависит от питающего напряжения). Рабочая частота где-то между 80 – 100 мГц.
Схему радиопередатчика (жучка) можно разделить на два блока: низкочастотный и высокочастотный. Микрофонный усилитель, построенный на одном транзисторе Q1 занимает большую часть устройства и выделен на схеме зеленым цветом.

Красным же выделен ВЧ-генератор на транзисторе Q2.
Для сборки радиопередатчика потребуются следующие компоненты:
- Транзистор 2N3904 (Q1,Q2)
- Резистор 2,2 кОм (R1)
- Резистор 22 кОм (R2,R3)
- Резистор 4,7 кОм (R4)
- Резистор 1 кОм (R5)
- Резистор 100 Ом (R6)
- Конденсатор 0,047 мкФ (C1)
- Конденсатор электролитический 10 мкФ (C2)
- Конденсатор 0,22 мкФ (C3)
- Конденсатор электролитический 0,47 мкФ (C4)
- Подстроечный конденсатор 10-50 пФ (C5)
- Конденсатор 5 пФ (C6)
- Конденсатор 0,022 мкФ (C7)
- Контурная катушка (L1) бескаркасная с диаметром намотки 6 мм, содержит 5 витков эмалированного провода
- Антенна (Ant 1) — кусок многожильного изолированного провода длиной 15-30см.
- Микрофон любой электретный от телефона, магнитофона и т.п.
- Батарейка (3-9 v)

Что касается контурной катушки, сделать ее не сложно. Кусок эмалированной проволоки диаметром около 1 мм наматываете виток к витку на 6 мм оправе. В качестве нее можете использовать сверло, винт или любой другой подходящего материал.

Выводы катушки необходимо будет зачистить от эмали и залудить.

Перед сборкой желательно рассортировать компоненты согласно принципиальной схеме, это даст некое представление о том, как расположить детали на плате.

Монтаж передатчика выполним на небольшом куске макетки.

Начать лучше всего с усилительного каскада (на схеме отмеч. зеленым).

Выводы деталей спаиваем между собой согласно схеме.

В процессе сборки, важно правильно припаять микрофон к плате. Для этого нужно понять где у него плюс, а где минус
Это легко определяется визуально: минус обычно электрически связан с корпусом микрофона.

После того как все компоненты усилителя собраны на макетной плате, временно припаиваем небольшой кусок провода к контрольной точке TP1 и запитываем каскад от источника напряжением от 3 до 9 вольт. Это позволит нам проверить эту часть передатчика на работоспособность. Для этого к вышеуказанному проводу (TP1) и к минусу нашей схемы (GND) цепляем какие-нибудь наушники. Пощелкав по микрофону мы должны услышать щечки.

После того, как мы убедились, что аудио каскад нормально функционирует, собираем остальную часть передатчика.


Ну вот и все! Дело осталось за малым — необходимо настроить наш жучок.

С помощью пластмассовой отвертки настраиваем контур передатчика на частоту рядом расположенного радиоприемника, что проявляется сильным звуком акустического резонанса.
Аналоговый канал связи из модулей FS1000A и XY-MK-5V
Рейтинг: / 5
- Подробности
- Категория: маломощные передатчики
- Опубликовано: 19.12.2019 11:21
- Просмотров: 1963
Модули радиопередатчика типа FS1000A и приемника типа XY-MR-5V или аналогичные часто используются в различных устройствах автоматики, охранных системах для радиоуправления или передачи данных. Как-то возникла необходимость в передаче аналогового сигнала. Модуль передатчика FS1000A представляет собой простой однокаскадный микромощный передатчик на транзисторе Q1 (рис.1) и ключ для манипуляции на транзисторе Q2, То есть, передатчик рассчитан исключительно на передачу данных, которые в виде импульсов поступают на базу транзистора Q2, который «ключует» питание генератора ВЧ на транзисторе Q1.
Простой в сборке радиопередатчик
Прием сигнала от этого самого простого на сегодняшний день радио передатчика на УКВ осуществляется на стандартный радиоприемник (переносной, стационарный, встроенный в сотовый телефон), на частоте 90-100 мегагерц. Схемка очень простая и даже для человека, который только начинает свою радиолюбительскую деятельность, её сборка не составит большого труда.
Радиодетали и готовые радиостанции с бесплатной доставкой в этом китайском магазине. возвращается вам.
Его можно применить для решения разных типовых задач, например:1) беспроводные наушники.2) Электронная няня для контроля за младенцем.3) Жучок для слежения.
В представленном варианте он будет работать в качестве приставки, которая превратит обычные наушники в беспроводные. Радиопередатчик включается к в разъем от наушников, который есть у вашего телевизора, то есть вместо проводов теперь будет работать эта простая схемка. Такая доработка может сэкономить, сделав устройство своими руками.
Для работы нам понадобятся:Паяльник.Медные провода.Штекер, соответствующий тому, который используется для включения наушников в разъем телевизора 3.5 мм.Батарейки напряжением от 3 до 9 вольт.Медный провод с лакированной оболочкой (будет использоваться для катушки).Клей Момент в случае необходимости.Старые платы (по возможности).Отрезок текстолита или плотного картона.
Схема простого передатчика

Все необходимые радиодетали для передатчика

Катушку нужно намотать 7-8 витков медным лакированным проводом диаметром 0,6-1 миллиметр, на трубке диаметром 5 миллиметра, например, можно использовать сверло на 5). Концы проводов на катушке обязательно следует зачистить от лака.

Для корпуса создаваемого передатчика на одном транзисторе можно использовать любую подходящую коробочку. В показанном примере — контейнер для батареек, из которого вынуты и удалены все лишние перегородки и другие части.

Теперь делаем нужного размера панельку из текстолита и проделываем множество отверстий для деталей. Чем больше их получится, тем удобней будет дальнейшая сборка и пайка деталей.
Далее делаем пайку по схеме на этой заготовке.

Теперь присоединяем пайкой провода к штекеру в соответствии со схемой (часть, являющаяся входом)

На следующем этапе ставим собранную на плате схему в коробочку, для надежности можно закрепить ее с помощью любого подходящего клея, но делать это необязательно. Проследите только, чтобы все было сделано аккуратно и в процессе эксплуатации радиопередатчик

Осталось настроить наш передатчик. Для этого с помощью штекера подключаем его к телевизору. На FM (укв) приемнике, например, на сотовом телефоне находим свободную частоту (то есть на которой нет передачи какой-либо радиостанции) и настраиваем наше устройство на данную волну. Регулировка частоты осуществляется подстроечным конденсатором с помощью отвертки. Плавно вращаем его, пока не появится на FM приемнике звук с включенного телевизора.

Вот и все, можно включать наушники вашего мобильного телефона и смотреть телевизор, не беспокоясь о шуме, которым могли бы быть недовольны окружающие.
Для регулировки, чтобы постоянно не открывать корпус, сделайте отверстие в корпусе передатчика.
Если аудиоштекер заменить микрофоном, то у вас будет радиопередатчик, который можно положить рядом с малышом и включив радио в другой комнате, знать, что ребенок проснулся и т.д. Скорее всего, вас заинтересует эта статья.
РАДИОПЕРЕДАТЧИК ДЛЯ НАЧИНАЮЩИХ
Этот портативный FM-радиопередатчик легко построить и настроить. В нём использована пара импортных высокочастотных транзисторов BC548. Хотя, честно говоря, это не совсем ВЧ транзисторы, но и они дают хорошую работу схеме. Гораздо лучше сюда впаять S9018.
Принципиальная схема передатчика для новичков

Передатчик питается от батареи 9 вольт. Можно взять «крону» или составить из двух литиевых по 4В. Катушка L1 состоит из 7 витков на оправке 4 мм. Витки можно чуть растягивать, чтобы настраивать передатчик. Фактический диапазон, на тестовом устройстве, перекрывает частоты от 80 МГц до 120 МГц.
Фото самодельного FM-передатчика

Антенна — кусок проволоки. Длина антенного провода должна быть пол метра. Схема, по сути, состоит из генератора, который работает на частотах около 80-120 МГц. На аудиовход подается сигнал микрофона, далее на усилитель звука на базе первого транзистора. Выход с коллектора подается в второй транзистор, где он модулирует высокие радиочастоты с промежуточным контуром при различной распределительной емкости транзистора. Схема работает надёжно, настраивается легко, поэтому и рекомендована для начинающих радиолюбителей. Ещё одна аналогичная схема показана ниже.
Схема передатчика для новичков — 2

Тут катушка мотается на оправке (сверле) 3мм, количество витков — 5, провод диаметром 0,5 мм. Детали — планарные, для уменьшения размера устройства.
|
ДЕТЕКТОР РАДИОИЗЛУЧЕНИЙ
Очень неплохой детектор излучений радиопередающих устройств — схема ВЧ детектора без использования катушек. |
| СХЕМЫ ЭЛЕКТРОННЫХ УСТРОЙСТВ Все электронные устройства, даже самые большие, всегда составлены из простых элементов. Их существует всего несколько видов. |
|
РАДИОЖУЧОК СВОИМИ РУКАМИ
|
Функциональная схема и принцип работы импульсного блока питания телевизора ЗУСЦТ
Рис. 1. Функциональная схема импульсного блока питания телевизора ЗУСЦТ:
1 — сетевой выпрямитель; 2 — формирователь импульсов запуска; 3 — транзистор импульсного генератора, 4 — каскад управления; 5 — устройство стабилизации; 6 — устройство защиты; 7 — импульсный трансформатор блока питания телевизоров 3усцт; 8 — выпрямитель; 9 — нагрузка
Пусть в начальный момент времени в устройстве 2 будет сформирован импульс, который откроет транзистор импульсного генератора 3. При этом через обмотку импульсного трансформатора с выводами 19, 1 начнет протекать линейно нарастающий пилообразный ток. Одновременно в магнитном поле сердечника трансформатора будет накапливаться энергия, значение которой определяется временем открытого состояния транзистора импульсного генератора. Вторичная обмотка (выводы 6, 12) импульсного трансформатора намотана и подключена таким образом, что в период накопления магнитной энергии к аноду диода VD приложен отрицательный потенциал и он закрыт. Спустя некоторое время каскад управления 4 закрывает транзистор импульсного генератора. Так как ток в обмотке трансформатора 7 из-за накопленной магнитной энергии не может мгновенно измениться, возникает ЭДС самоиндукции обратного знака. Диод VD открывается, и ток вторичной обмотки (выводы 6, 12) резко возрастает. Таким образом, если в начальный период времени магнитное поле было связано с током, который протекал через обмотку 1, 19, то теперь оно создается током обмотки 6, 12. Когда вся энергия, накопленная за время замкнутого состояния ключа 3, перейдет в нагрузку, то во вторичной обмотке достигнет нулевого значения.
Из приведенного примера можно сделать вывод, что, регулируя длительность открытого состояния транзистора в импульсном генераторе, можно управлять количеством энергии, которое поступает в нагрузку. Такая регулировка осуществляется с помощью каскада управления 4 по сигналу обратной связи — напряжению на выводах обмотки 7, 13 импульсного трансформатора. Сигнал обратной связи на выводах этой обмотки пропорционален напряжению на нагрузке 9.
Если напряжение на нагрузке по каким-либо причинам уменьшится, то уменьшится и напряжение, которое поступает в устройство стабилизации 5. В свою очередь, устройство стабилизации через каскад управления начнет закрывать транзистор импульсного генератора позже. Это увеличит время, в течение которого через обмотку 1, 19 будет течь ток, и соответственно возрастет количество энергии, передаваемой в нагрузку.
Момент очередного открывания транзистора 3 определяется устройством стабилизации, где анализируется сигнал, поступающий с обмотки 13, 7, что позволяет автоматически поддерживать среднее значение выходного постоянного напряжения.
Применение импульсного трансформатора дает возможность получить различные по амплитуде напряжения в обмотках и устраняет гальваническую связь между цепями вторичных выпрямленных напряжений и питающей электрической сетью. Каскад управления 4 определяет размах импульсов, создаваемых генератором, и при необходимости отключает его. Отключение генератора осуществляется при уменьшении напряжения сети ниже 150 В и понижении потребляемой мощности до 20 Вт, когда каскад стабилизации перестает функционировать. При неработающем каскаде стабилизации, импульсный генератор оказывается неуправляемым, что может привести к возникновению в нем больших импульсов тока и к выходу из строя транзистора импульсного генератора.






























Номиналы деталей не желательно отклонять, поскольку чистые 70 метров жук пробивает именно с такими номиналами деталей. Резистор который ограничивает ток микрофона (на схеме резистор без надписи) подбираем в пределах от 5 до 10 килоом.