Какими характеристиками обладает операционный усилитель LM324
Источник электропитания устройства должен иметь напряжение:
- при наличии одного поля — от 3 до 32 В;
- 2 поля — 1,5 — 16 В.
Другие параметры:
- усиление неизменного напряжения — 100 Дб;
- внутренняя сила потребляемого тока — 700 мкА;
- сила тока смещения на входе при компенсации температур — 45 нА;
- напряжение смещения на входе — 2 мВ;
- разброс синфазных напряжений входа ключает “землю”;
- напряжение выхода — 1,5 В.
Показатели lm324 от различных производителей — чуть разнятся, так что, если вы планируете разрабатывать свои схемы, лучше внимательно прочитать технические документы на используемый прибор.

Анализ особенностей применения КМОП-микросхем

Рис.5 Передаточные характеристики для разных значений питающего напряжения Vcc
В данном разделе рассмотрены различные ситуации, возникающие при разработке цифровых систем с использованием КМОП-микросхем: неиспользуемые входы, параллельное включение элементов для увеличения нагрузочной способности, разводка шин данных, согласование с логическими элементами других семейств.

Рис. 6. Гарантированные значения диапазона напряжений логических уровней для ТТЛ-схем в диапазоне температур как функция напряжения питания V
Неиспользуемые выводы или, проще говоря, неиспользуемые входы не должны оставаться неподключенными. Из-за очень большого входного сопротивления (1012 Ом) плавающий вход может дрейфовать между логическими «нулем» и «единицей», создавая непредсказуемое поведение выхода схемы и связанные с этим проблемы в системе. Все неиспользуемые входы должны быть подключены к шине питания, «общему» проводу или другому используемому входу. Выбор решения не случаен, поскольку надо учитывать возможное влияние на выходную нагрузочную способность схемы. Рассмотрим для примера че-тырехвходовый элемент 4И-НЕ, используемый как двухвходовый логический вентиль 2И-НЕ. Его внутренняя структура показана на рис. 7.
Пусть входы А и В будут неиспользуемыми входами. Если неиспользуемые входы подключены к фиксированному высокому логическому уровню, то входы А и В — к шине питания, чтобы разрешить работу остальных входов. Это приведет к включению нижних А и В транзисторов и выключению соответствующих верхних А и В. В таком случае могут быть включены одновременно не более двух верхних транзисторов. Однако если входы А и В подключены к входу С, входная емкость утроится, но каждый раз, когда на вход С поступает уровень логического «нуля», верхние транзисторы А, В и С включаются, утраивая значение максимального выходного тока уровня логической «единицы». Если на вход D поступает также уровень логического «нуля», все четыре верхних транзистора включены. Таким образом, подключение неиспользуемых входов элемента И-НЕ к шине питания (ИЛИ-НЕ к «общему» проводу) приведет к их включению, но подключение неиспользуемых входов к другим используемым входам гарантирует увеличение выходного вытекающего тока уровня логической «единицы», в случае элемента И-НЕ (или выходного втекающего тока уровня логического «нуля» в случае элемента ИЛИ-НЕ).
Для последовательно включенных транзисторов увеличения выходного тока не происходит. Учитывая это обстоятельство, многовходовый логический элемент может использоваться для непосредственного управления мощной нагрузкой, к примеру, обмоткой реле или лампой накаливания.
В зависимости от типа логического элемента объединение входов гарантирует увеличение нагрузочной способности для вытекающего или втекающего токов, но не двух одновременно. Для того чтобы гарантировать увеличение двух выходных токов, необходимо параллельно включить несколько логических элементов (рис. 8). В таком случае увеличение нагрузочной способности достигается за счет параллельного включения нескольких цепочек транзисторов (рис. 7), что увеличивает соответствующий выходной ток.

Рис. 7. Четырехвходовый логический элемент 4И-НЕ, входящий в состав микросхемы КР1561ЛА1
Для разводки шин данных существуют два основных способа. Первый способ — параллельное соединение обычных буферных КМОП-элементов (например, К561ЛН2). И второй, наиболее предпочтительный, способ — соединение элементов с тремя выходными состояниями.
Динисторы симисторы тиристоры
Зарубежные тиристоры симисторы динисторы
- Тиристоры CR02AM-8,CR03AM-16A,CR04AM-12A,CR05AM-16A,CR05AS-8,CR05BM-12A,CR05BS-8,CR08AS-12A,CR12CM-12A,CR12CM-12B,CR12CS-16B,CR12FM-12B,CR12LM-12B,CR12PM-12A,CR12PM-12B,CR25RM-12D,CR2AS-16A,CR2AS-8UE,CR2PM-8UE,CR3AS-8ME,CR3AS-8UE,CR3PM-12G,CR3PM-8ME,CR5AS-12A,CR5AS-8UE,CR6CM-12A,CR6CM-12B,CR6FM-12B,CR6LM-12B,CR6PM-12A,CR6PM-12B,CR6PM-12G,CR8CM-12A,CR8CM-12B,CR8FM-12B,CR8LM-12B,CR8PM-12A,CR8PM-12B
- Симисторы BCR 1 — BCR 30
- Симисторы BTA серии
- Симисторы и тиристоры BT серии
- Симисторы BT134
- Тиристоры BT169D
- Тиристоры, симисторы, динисторы Philips
- Тиристоры BSt
- Симисторы и тиристоры TAG
- Динисторы симисторы тиристоры tic серии
- Тиристоры X0402MF, X0402NF, X0405MF, X0405NF
- Симисторы BTA40, BTA41, BTB41
Отечественные тиристоры симисторы динисторы
- Динисторы КН102
- Тиристоры КУ101
- КУ103
- КУ104
- КУ108
- КУ109
- КУ201
- КУ202
- Симисторы КУ208
- Фазовые регуляторы мощности PR1000, PR1500, PR1500ST
Логические КМОП (КМДП) элементы «И»
Схема логического элемента «И-НЕ» на КМОП микросхемах практически совпадает с упрощенной
схемой «И» на ключах с электронным управлением, которую мы рассматривали ранее. Отличие заключается в том, что
нагрузка подключается не к общему проводу схемы, а к источнику питания. Это формирует инверсию выходного сигнала. Принципиальная
схема логического элемента «2И-НЕ», выполненного на комплементарных МОП
транзисторах (КМОП или КМДП), приведена на рисунке 3.
«2И-НЕ»
В этой схеме можно было бы применить в верхнем плече обыкновенный резистор,
однако при формировании низкого уровня сигнала схема постоянно потребляла бы ток. Вместо этого, в качестве нагрузки
используются p-МОП транзисторы. Эти транзисторы образуют активную нагрузку. Если на выходе требуется сформировать
высокий потенциал, то транзисторы открываются, а если низкий — то закрываются.
Обратите внимание, что КМОП топология логического элемента «2И-НЕ» получается еще проще. В качестве нижних двух полевых
транзисторов используется единый n канал, на котором формируется два затвора (двухзатворный полевой транзистор)
Упрощенная
топология логического элемента «2И-НЕ» на комплементарных МОП транзисторах приведена в и показана на
рисунке 4.
«2И-НЕ»
Такая топология позволяет занимать на кристалле интегральной микросхемы минимальное место и получать максимальную
плотность логических элементов. Способом, подобным приведенному на рисунке 4 легко могут быть получены логические
элементы «3И-НЕ», «4И-НЕ», «8И-НЕ» и т.д.
В приведённой на рисунке 3 схеме логического КМОП-элемента «2И-НЕ», ток от источника питания на выход
КМОП-микросхемы будет поступать через один из транзисторов, если хотя бы на одном из входов (или на обоих сразу)
будет присутствовать низкий потенциал (уровень логического нуля). Если же на обоих входах логического КМОП-элемента
«И» будет присутствовать уровень логической единицы, то оба p-МОП транзистора будут закрыты и на выходе
КМОП микросхемы сформируется низкий потенциал. В этой схеме, так же как и в схеме, приведенной на рисунке 1,
если транзисторы верхнего плеча будут открыты, то транзисторы нижнего плеча будут закрыты, поэтому в статическом
состоянии ток КМОП-микросхемой от источника питания потребляться не будет.
Условно-графическое изображение КМОП логического элемента «2И-НЕ»
не отличается от УГО ТТЛ, ДТЛ или ЭСЛ логических элементов и показано на рисунке 5, а таблица истинности
приведена в таблице 1. В таблице 1 входы обозначены как x1 и x2, а выход —
F.
Как работает устройство lm324n
Микросхема lm324n функционирует, благодаря находящимся внутри нее сразу 4 ОУ. У этих усилителей — общий источник электропитания. Они оснащены инвертирующими и не неинвертирующими входами, одним выходом. Возможно использование 1-полярного и 2-полярного источника.

Обратите внимание, как выглядит внутренняя схема операционного усилителя с однополярным. Она приведена в даташит к lm324n

Обычно, в состав ОУ входит дифкаскад, промежуточные и выходные каскады.
Дифкаскад усиливает разность напряжений, поступающих на вход, и нейтрализует синфазные сигналы. Таким образом обеспечивается большое входное сопротивление.
Задача промежуточного каскада — обеспечить операционный баланс, то есть фиксацию нулевого напряжения выхода при замыкании входов. Другая функция заключается в том, чтобы согласовывать дифференциальное и выходное сопротивления, корректировать частоты.
Каскад выхода позволяет добиться небольшого выходного сопротивления, необходимой нагрузочной мощности, ограничить силу тока и предотвратить короткое замыкание.
Конструкция
Тестер состоит из двух плат, соединённых «бутербродом». На основной плате расположены цветной дисплей 128×128, клавиатура, панель ZIF-40, микроконтроллеры и UBS-UART-преобразователь с miniUSB-разъёмом. На дополнительной плате установлены MOSFET-ключи для подачи питания на проверяемую микросхему.
Выводы микроконтроллера имеют максимальную нагрузочную способность выводов до 40 мА. Этого достаточно для питания КМОП-микросхем, операционных усилителей,оптопар, сборок ключей и большинства микросхем 155й серии (и большинства микросхемам серий 555 и 1533). Но для части ТТЛ-микросхем этого тока недостаточно и для удобной работы с ними предназначен модуль ключей, который содержит 24 полевых транзистора для подачи питания на разные выводы ZIF. 16 ключей подают «землю» и 8 — питания +5В.
Тестер v3 в сборе:
Высокоточный термометр на основе lm324n
Основу прибора составляет температурный датчик. В данном случае, он является стабилитроном LM113. Его подключают к плечу моста измерения с определенным сопротивлением.
Микросхема состоит из двух операционных усилителей. Они обеспечивают стабилитрон-измеритель постоянной силой тока. Это нужно для того, чтобы напряжение стабилитрона зависело только от температурных колебаний.

Выходное напряжение ОУ является опорным. Смена напряжения диода после применения ОУ приводит к появлению пропорционального потенциала выхода устройства.
Потенциометр помогает задать минимальную температуру. Ее индикатором является амперметр, где стрелка полностью отклоняется на 1 мА., отклонение резисторов составляет максимуму 1%, температур — 0, 1 градус.
Характеристики
Симистор имеет несколько параметров, которые можно расположить по порядку убывания важности (лучше сказать, частоты использования) следующим образом:
- Напряжение обратного пробоя, Uобр, В;
- Напряжение закрытого состояния, Uзс, В;
- Ток открытого состояния средний, Iос, А;
- Время включения, tвк, мкс;
- Время выключения, tвык, мкс;
- Ток открытого состояния импульсный, Iос, А;
- Ток закрытого состояния, Iзс, мА;
- Обратный ток, Iобр, мА;
- Напряжение открытого состояния, Uос, В;
- Управляющее напряжение, Uупр, В;
- Ток управления, Iупр, мА;
- Скорость нарастания напряжения, dU/dt, В/мкс;
- Скорость нарастания тока, dI/dt, А/мкс.
Вольт-амперная характеристика триакаОбратите внимание! Параметр «напряжение обратного пробоя» означает максимальное напряжение, которое способен выдержать симистор или тринистор без выхода из строя. Напряжение закрытого состояния характеризует только динисторный эффект
Взаимозаменяемость зарубежных и отечественных серий стандартной логики
Микросхемы логики становятся все более и более доступными.
Наряду с этим появляются новые семейства, обладающие новыми свойствами, использующие новые
физические принципы, технологии и возможности современного производства.
В настоящее время практически все крупные производители полупроводников имеют в перечне продукции
микросхемы логики. Тем более важным становится умение разбираться в различных типах логики,
понимать отличия, которые предлагают те или иные технологии, основные или опциональные возможности.
Знание тех или иных особенностей современных микросхем логики поможет выбрать наиболее оптимальное
решение при проведении разработок и организации производства электронной аппаратуры.
В приведенных ниже справочных материалах на примере различных семейств микросхем логики фирмы
Fairchild Semiconductor даны основные характеристики различных технологий и характеристики
самих микросхем.
Сравнительные характеристики семейств
| ГОСТ | Напряжение питания**Vcc+_10%,B | Совместимость | Входной ток~ IIL/IIH, мкА/мкА | Нагрузка~~IOL/IOH, мА/мА | Ток потреб-ления~ ICC,мкА | Быстро-действие | |||||||||||||||||||||||||||||||||||||||||||||||||||||||||||||||||||||||||||||||||||||||||||||||||||||||||||||||||||||||||||||||||||||||||||||||||||||||||||||||||||||||||||||
| по входам VIL/VIH | по выходам VOL/VOH | ||||||||||||||||||||||||||||||||||||||||||||||||||||||||||||||||||||||||||||||||||||||||||||||||||||||||||||||||||||||||||||||||||||||||||||||||||||||||||||||||||||||||||||||||||
| BICMOS | |||||||||||||||||||||||||||||||||||||||||||||||||||||||||||||||||||||||||||||||||||||||||||||||||||||||||||||||||||||||||||||||||||||||||||||||||||||||||||||||||||||||||||||||||||
| ABTLVT(16) | — | 53,3 | TTLTTL,CMOS | TTLTTL,CMOS | -5/5-5/1 | 64/-3264/-32 | 30 mA9,0 mA | 3,64,1 | |||||||||||||||||||||||||||||||||||||||||||||||||||||||||||||||||||||||||||||||||||||||||||||||||||||||||||||||||||||||||||||||||||||||||||||||||||||||||||||||||||||||||||
| CMOS | |||||||||||||||||||||||||||||||||||||||||||||||||||||||||||||||||||||||||||||||||||||||||||||||||||||||||||||||||||||||||||||||||||||||||||||||||||||||||||||||||||||||||||||||||||
|
|
|
|
|
|
|
|
|
|||||||||||||||||||||||||||||||||||||||||||||||||||||||||||||||||||||||||||||||||||||||||||||||||||||||||||||||||||||||||||||||||||||||||||||||||||||||||||||||||||||||||||
| Биполярные | |||||||||||||||||||||||||||||||||||||||||||||||||||||||||||||||||||||||||||||||||||||||||||||||||||||||||||||||||||||||||||||||||||||||||||||||||||||||||||||||||||||||||||||||||||
|
|
|
|
|
|
|
|
|
* — для типа 244, если не указано иное
** — исключая ECL и HC
~ — максимальное значение при VCCmax
~~ — при VCCMAX
° — для типа 7407
°° — для типа CD4010
°°° — не +-10%
# — для типа 16612
## — вентиль И-НЕ
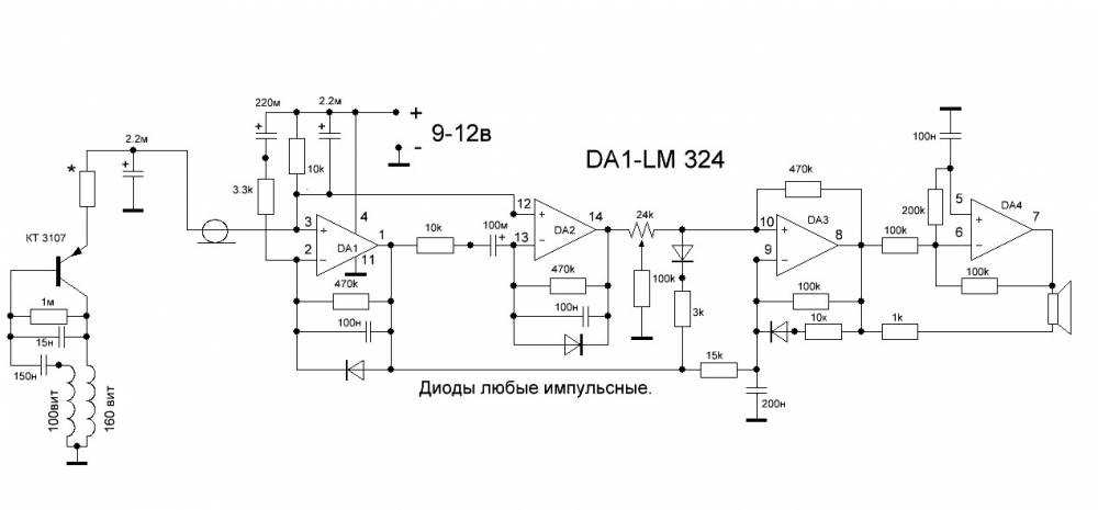
Как изготовить простой металлоискатель на lm324n своими руками
Предлагаем вашему вниманию схему элементарного металлического детектора, который может собрать даже школьник. Отметим, что у него — довольно высокие показатели.
В основе конструкции — одна микросхема с 4-мя операционными усилителями. У нее — довольно высокая чувствительность за счет колебательного генераторного контура. Он, в свою очередь, собран по типовой схеме на основе транзистора (VT1).
Резистор (R1) напрямую влияет на глубину обратной связи. Генератор находится в особом режиме быстрой реакции на прочность контура колебаний. Он, в свою очередь, влияет на глубину обнаружения металлических предметов устройством.
Металлы не различаются по магнитным характеристикам, но и серьезных требований к катушкам в плане жесткости — нет. Главное — собрать ее правильно. Стабильное напряжение, которое снимается с точки “А”, идет на 2-каскадный усилитель, состоящий из 2 ОУ. Они, в свою очередь, находятся в составе микросхемы. Подключите конденсатор не к основному проводу, а к “+” питания, чтобы избежать связи в обратном направлении с этим знаком.

В конструкции нужно использовать 2 диода из кремния, где протекает небольшой обратный ток. Они помогают быстро восстанавливать режимы усилителя, если найдены крупные предметы из металла.
Металлоискатель необходимо настроить. Для этого нужно использовать не постоянный резистор, а переменный, сопротивление которого равно 10 кОм. Положение его движка должно соответствовать наибольшему сопротивлению. Если оно уменьшается, то же самое происходит с напряжением в точке “А”. В определенное время этот процесс остановится, начнется, наоборот, увеличение. Нужно запомнить, когда будет достигнут минимум напряжения в этой точки, узнать, какое при этом сопротивление у переменного резистора и в обязательном порядке установить постоянный, с таким же показателем.
Генератор должен находиться на обособленной плате, рядом с катушкой и состоять только из прецизионных деталей
Не важно, каково устройство транзистора, он может быть германиевый с небольшим усилением, либо иметь переходы p-n-p. Подберите конденсатор, согласно уровню чувствительности контура, с емкостью от 5 до 20 нФ
Возможен положительный результат при подключении одного из конденсаторов к основному проводу, а не обмотке.
Приобрести операционный усилитель LM324 можно по
И еще классное видео в котором показывается как сделать блок питания на LM324 и КТ825 с регулятором тока:
Поддерживаемые микросхемы
Ниже представлен список поддерживаемых логических микросхем (в скобках указаны импортные аналоги 74xxx):
TTL, серии 155/531/555/1531/1533
АП2, АП3 (240), АП4 (241), АП5 (244), АП6 (245), АП9 (640), АП10 (646), АП14 (465), АП15 (466), АП16 (643), АП17(651), АП24 (652), АП26 (620) ИД3 (154), ИД4 (155), ИД5 (156), ИД6 (42), ИД7 (138), ИД9, ИД10 (145), ИД11, ИД12, ИД13, ИД14 (139), ИД15 ИЕ1, ИЕ2 (90), ИЕ4 (92), ИЕ5 (93), ИЕ6 (192), ИЕ7 (193), ИЕ8, ИЕ9 (160), ИЕ10 (161), ИЕ11 (162A), ИЕ12 (190), ИЕ13 (191), ИЕ14, ИЕ15, ИЕ16 (168), ИЕ17 (169), ИЕ18 (163), ИЕ19 (393), ИЕ23 (4520) ИМ2 (82), ИМ3 (83), ИМ5 (183) ИК1 (Am25S05) ИП2 (180), ИП3 (181), ИП4, ИП5 (280), ИП6 (242A), ИП7 (243) ИР1 (95), ИР8 (164), ИР9 (165), ИР10 (166), ИР11, ИР12 (195), ИР13 (198), ИР15 (173), ИР16 (295), ИР17, ИР18 (AM2507), ИР19 (AM2508), ИР21 (AM25S10), ИР22 (373), ИР23 (374), ИР24 (299), ИР26 (670), ИР27 (377), ИР29 (323), ИР30 (259), ИР32 (170), ИР33 (573), ИР34 (873), ИР35 (273), ИР37 (574), ИР38 (874), ИР40 (533), ИР43 (396), ИР51 (4035), ИР52 (595) ИВ1 (148) КП1 (150), КП2 (153), КП5 (152), КП7 (151), КП11 (257), КП12 (253), КП13 (298), КП14 (258), КП15 (251), КП16 (157), КП17 (353), КП18 (158), КП19(352) ЛА1 (20), ЛА2 (30), ЛА3 (00), ЛА4 (10), ЛА6 (40), ЛА7 (22), ЛА8 (01), ЛА9 (03), ЛА10 (12), ЛА11 (26), ЛА12 (37), ЛА13 (38), ЛА16 (140), ЛА17, ЛА18 (452), ЛА19 (134), ЛА21 (1000), ЛА22 (1020), ЛА23 (1003), ЛА24 (1010) ЛЕ1 (02), ЛЕ2 (23), ЛЕ3 (25), ЛЕ4 (27), ЛЕ5 (28), ЛЕ6 (128), ЛЕ7 (260), ЛЕ10 (1002), ЛЕ11 (33) ЛИ1 (08), ЛИ2 (09), ЛИ3 (11), ЛИ4 (15), ЛИ5, ЛИ6 (21), ЛИ8 (1008), ЛИ9 (34), ЛИ10 (1011) ЛЛ1 (32), ЛЛ2, ЛЛ4 (1032) ЛН1 (04), ЛН2 (05), ЛН3 (06), ЛН5 (16), ЛН6 (366), ЛН7 (368), ЛН8 (1004), ЛН10 (1005) ЛП3, ЛП5 (86), ЛП7, ЛП8 (125), ЛП9 (07), ЛП10 (365), ЛП11 (367), ЛП12 (136), ЛП16 (1034), ЛП17 (1035) ЛР1 (50), ЛР3 (53), ЛР4 (55), ЛР9 (64), ЛР11 (LS51), ЛР13 (54) ТМ2 (74), ТМ5 (77), ТМ7 (75), ТМ8 (175), ТМ9 (174), ТМ10 (375) ТР2 (279) ТВ1 (72), ТВ6 (107), ТВ9 (112), ТВ10 (113), ТВ11 (114), ТВ15 (109) ТЛ1 (13), ТЛ2 (14), ТЛ3 (132) РП1 ПР6 (184), ПР7 РУ2, РУ5 СП1 (85)
КМОП (серии 176, 561, 1561, в скобках указаны импортные аналоги 40xxx, 45xxx)
ИД1 (4028), ИД2, ИД3, ИД6 (4555), ИД7 (4556) ИЕ1 (4028), ИЕ3, ИЕ4, ИЕ8 (4017), ИЕ9 (4022), ИЕ10 (4520), ИЕ11 (4516), ИЕ14 (4029), ИЕ16 (4020), ИЕ19 (4018), ИЕ20 (4040), ИЕ21 (40161) ИК1 ИМ1 (4008A) ИП2 (MC14585), ИП5 (MC14554) ИР2 (4015), ИР3, ИР6, ИР9 (4035), ИР10, ИР11 (4036), ИР12 (MC14580), ИР15 (MC14194) КП1, КП2, КП4 (4519) КТ1 (4016), КТ3 (4066) ЛА7 (4011), ЛА8 (4012), ЛА9 (4023), ЛА10 ЛЕ5 (4001), ЛЕ6 (4002), ЛЕ10 (4025) ЛИ1, ЛИ2 (4081) ЛН1 (4502), ЛН2 (4049), ЛН3 (4503) ЛП2, ЛП4, ЛП11, ЛП12, ЛП13, ЛП14 (4070) ЛС2 (4019) ПР1 (4094) ПУ4 (4050), ПУ7 (4069) РУ2 (4061) ТВ1 (4027) ТЛ1 (4093) ТМ1 (4003), ТМ2 (4013), ТМ3 ТР2 (4043) 4052 (КР1561КП1), 4053 (КР1561КП5), 4060, 4071, 4073, 40103, 40106, 4511
Серии 580 и 589
КР580ВВ55 (Intel 8255) КР580ИР82 (Intel 8282), КР580ИР83 (Intel 8283) КР580ВА86 (Intel 8286), КР580ВА87 (Intel 8287) К589ИР12 (Intel M8212/M3212) К589АП16 (Intel 8216/3216), К589АП26 (Intel 3226)
К565РУ2 (1024 x 1) К132РУ4 (1024 x 1) К537РУ10 (2K x
ОЗУ (DRAM)
К565РУ5 (64K x 1) К565РУ6 (16K x 1) К565РУ7 (256K x 1) 2118 (16K x 1) 4164 (64K x 1) 41256 (256K x 1) KM41C1000 (1M x 1) 4416 (16K x 4) 41464, 4464 (64K x 4) 514256 (256K x 4)
Операционные усилители
LM358 (LM158, LM258, LM2904), LM393 (LM193, LM293, LM2903), LM386, LM324 (LM124, LM224, LM2902, TL084) Также тестер должен работать с другими ОУ, имеющими аналогичную цоколёвку, и работающими от источника однополярного напряжения 5В.
Датчики
DS18B20, DS18S20, DS1822 (датчики температуры) DHT11 (датчик влажности и температуры)
Аналоги цифровых микросхем широкого применения.
Российские микросхемы.
Для обеспечения максимального использования информации, заложенной в условное обозначение (маркировку) интегральных микросхем на основе их классификации следует более подробно рассмотреть особенности принятого обозначения микросхем.
Первый элемент (одна цифра) маркировки интегральных микросхем указывает на принадлежность к одной из трех групп в зависимости от конструктивно-технологической особенности их изготовления. Так цифрами 1,5,6 и 7 обозначена полупроводниковая группа интегральных микросхем, цифрой 2,4, и 8 обозначены гибридные интегральных микросхем и цифрой 3 обозначены прочие микросхемы (в том числе пленочные, керамические и др.).
Следующий элемент маркировки интегральных микросхем, состоящий из двух цифр (от 00 до 99) или из трех цифр (от 000 до 999) обозначает порядковый номер разработки серии. Два же первых элемента маркировки интегральных микросхем обозначают полный номер серии.
Третий элемент маркировки интегральных микросхем, состоящий из двух букв указывает на подгруппу и вид интегральных микросхем в зависимости от ее функционального назначения.
Микросхемы различных фирм.
Микросхемы обозначаются с помощью серийных номеров, состоящих из 4, 5, 6 или 7 цифр. Некоторые фирмы-производители маркируют свою продукцию, используя дополнительные буквы перед серийными номерами. Известны следующие фирменные обозначения схем:
- Advanced Micro Devices (AMD) — перед серийным номером ставятся буквы Am (таким образом, фирменное обозначение схемы имеет вид AmХХХХ);
- Fairchild (FA) — в большинстве случаев не используется никаких дополнительных букв перед серийными номерами (фирменное обозначение схемы: ХХХХ);
- Hitachi — перед серийным номером схемы ставятся буквы HD (HDХХХХ);
- Monolithic Memories (MMI) — буквы SN (SN ХХХХ);
- Motorola (MOT) — буквы SN (SNХХХХ) или МС (МСХХХХ);
- National Semiconductor (NS) — буквы DM (DMХХХХ);
- SGS-Ates (SGS) — перед серийным номером пишется буква Т (ТХХХХ);
- Siemens — используется фирменное обозначение FLH 101, также применяется обозначение, которое имеют стандартные схемы (Std) — 74ХХ;
- Texas Instruments (TI) — перед серийным номером ставятся буквы SN (SNХХХХ);
- Toshiba — буквы ТС (ТСХХХХ);
- Valvo — иногда серийному номеру предшествует буква N (таким
образом, схема имеет обозначение NХХХХ).
Все фирмы-производители традиционно обозначают отдельные серии схем ТТЛ следующим образом:
- Стандартные ТТЛ 74ХХ;
- Быстродействующие на диодах Шоттки
с низким энергопотреблением 74ALSXX; - Быстродействующие на диодах Шоттки 74ASXX;
- Сверхбыстродействующие на диодах Шоттки 74FXX;
- Микросхемы с высоким энергопотреблением 74НХХ;
- Микросхемы с низким энергопотреблением 74LXX;
- Микросхемы с низким энергопотреблением на диодах Шоттки 74LSXX;
- Микросхемы ТТЛ на диодах Шоттки 74SXX.
Обозначение КМОП микросхем содержит в себе ряд элементов. Например, CD4099DCN состоит из трех частей. Первые две буквы CD используют почти все фирмы-производители для обозначения КМОП цифровых микросхем. Исключением является только фирма MОTORОLА, которая вместо CD ставит МС1. Эта единичка сливается с последующим номером и в результате получается, например, не 40-я, а 140-я серия.
Следующая группа цифр — серийный номер микросхемы. Последняя группа букв указывает тип корпуса. Почти все западные фирмы выпускают КМОП цифровые микросхемы в корпусах DIP и SOIC.
При использовании российских аналогов следует иметь в виду, что параметры российских микросхем могут резко уступать как по максимально допустимому напряжению, так и по быстродействию. Так, напряжение питания для российских КМОП микросхем не должно превышать 16 В, а тактовые частоты, как правило, не превышают 2 МГц.
Микросхемы
Микросхемы для блоков питания — онлайн справочник
- HA16107 HA16108
- HM9207
- IX1779ce
- KA3882
- M67209
- MA2830
- MA2831
- STK730-080
- STK7348
- STR451
- STR6307
- STR10006
- STR11006
- STR40115
- STR50103
- STR50115
- STR54041
- STR80145
- STRD1816
- STRD6004
- STRD6601
- STR-M6549
- STR-S5941
- TDA4600
- TDA4601
- TDA4601b
- TDA4605
- TDA8380
- TEA1039
- TEA2018
- TEA2019
- TEA2162
- TEA2164
- TEA2260
- TEA2262
- TEA5170
- UAA4006
- Шим-контроллер UC3842
- UC3844, UC3845, UC2844, UC2845
- LNK623, LNK624, LNK625, LNK626
Микросхемы для фотовспышек
- AT1450
- BD4222
- TPS65560
Стабилизаторы напряжения
- Микросхемы стабилизаторов напряжения AN_ххх серии
- Микросхемы стабилизаторов напряжения MC_ххх серии
- Микросхемы стабилизаторов напряжения LM_ххх серии
Микросхемы выходного каскада кадровой развертки
- Микросхемы LA7837, LA7838
- LA7845
- Микросхемы LA7875N, LA7876N
- STK792-210
- STK79315A
Микросхемы для аудио и радиоаппаратуры
- ТЕА6310T
- Микросхема TDA7386 4х канальный УМЗЧ
Драйверы
- BD6735FV BD6736FV
- DRV8833
- LB1838m
- LV8401
- LV8011
- LV8013T
- LV8713T
- MPC17511A
Отечественные микросхемы
TDA8567q 4х25 Вт
Мостовой усилитель класса Hi – Fi на четыре канала. Открыть в полном размере
Есть защита от короткого замыкания выходного каскада и термозащита с уменьшением выходной мощности при перегреве. А еще микросхема обладает защитой от колебаний напряжения и режимом отключения. Еще данная микросхема обладает режимом вкл/выкл входного сигнала(режим Mute), и защитой при подаче напряжения на схему от «щелчка».
Характеристики микросхемы
| Параметр | Значение |
| Uпит | 6-18 В |
| Iвых | 7,5 А |
| Iпокоя | 230 мА |
| Pвых | 4х25 Вт |
| Rвх | 30 кОм |
| Коэффициент усиления | 26 дБ |
| Полоса частот | 20-20000 Гц |
| Коэффициент гармоник | 0,05 % |
| Rнагр | 4 Ом |
Назначение выводов
| Номер вывода | Назначение |
| 1 | Напряжение питания |
| 2 | Выход 1+ |
| 3 | Общий |
| 4 | Выход 1- |
| 5 | Выход 2- |
| 6 | Общий |
| 7 | Выход 2+ |
| 8 | Напряжение питания |
| 9 | Диагностика |
| 10 | Вход 1 |
| 11 | Вход 2 |
| 12 | Общий сигнальный |
| 13 | Вход 3 |
| 14 | Вход 4 |
| 15 | Выбор режима |
| 16 | Напряжение питания |
| 17 | Выход 3+ |
| 18 | Общий |
| 19 | Выход 3- |
| 20 | Выход 4- |
| 21 | Общий |
| 22 | Выход 4+ |
| 23 | Напряжение питания |
Особенности применения КМОП-микросхем
Первой и основной особенностью КМОП-микросхем является большое входное сопротивление этих микросхем. В
результате на ее вход может наводиться любое напряжение, в том числе и равное половине напряжения питания,
и храниться на нём достаточно долго. При подаче на вход КМОП-элемента половины питания открываются транзисторы
как в верхнем, так и в нижнем плече выходного каскада, в результате микросхема начинает потреблять недопустимо
большой ток и может выйти из строя . Вывод: входы цифровых КМОП-микросхем ни в коем
случае нельзя оставлять неподключенными!
Второй особенностью КМОП-микросхем является то, что они могут работать при отключенном питании. Однако
работают они чаще всего неправильно. Эта особенность связана с конструкцией входного каскада. Полная
принципиальная схема КМОП-инвертора приведена на рисунке 8.
Диоды VD1 и VD2 были введены для защиты входного каскада от пробоя статическим электричеством. В то же самое время
при подаче на вход КМОП-микросхемы высокого потенциала он через диод VD1 попадёт на шину питания микросхемы, и так как
онапотребляет достаточно малый ток, то КМОП микросхема начнёт работать. Однако в ряде случаев этого тока может не хватить
дляпитания микросхем. В результате КМОП микросхема может работать неправильно. Вывод: при неправильной работе КМОП
микросхемы тщательно проверьте питание микросхемы, особенно выводы корпуса. При плохо пропаянном выводе отрицательного
питания его потенциал будет отличаться от потенциала общего провода схемы.
Третья особенность КМОП микросхем связана с паразитными диодами VD3 и VD4, которые могут быть пробиты при неправильно
подключенном источнике питания (микросхемы ТТЛ выдерживают кратковременную переполюсовку питания). Для защиты КМОП
микросхем от переполюсовки питания следует в цепи питания предусмотреть защитный диод.



























