Высокое напряжение и не только

Одним из таких специализированных генераторов является микросхема IR2153, из себя представляет высоковольтный полумостовой драйвер — одна из самых любимых моих микросхем. Микросхема отлично работает с полевыми транзисторами, даже с довольно тяжелыми затворами, она имеет встроенный драйвер для управления силовых ключей, следовательно городить дополнительный драйвер, как в случае TL494 не нужно.

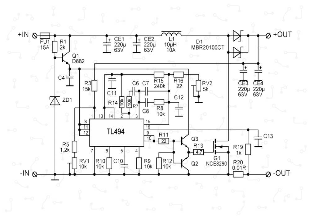
В качестве силовых ключей я взял любимые IRF840, можно и 740, они даже мощнее, но от меня требовалось получить мощность в районе 500 ватт, для запитки усилителя ланзар, а с указанными ключами это вполне возможно.

Мощность схемы, как сказал выше — 500 ватт (реальная мощность 470 ватт, расчетная, чуть больше 600 ватт). особенность этой схемы — наличие защиты, которая срабатывает очень точно. Защита настраивается переменным резистором — на любой угодный ток срабатывания. Для наиболее точной настройки этот резистор нужно взять многооборотный, номинал резистора не критичен, может отклонятся в ту или иную сторону на 1-1.5кОм.

Светодиодный индикатор срабатывает только тогда, когда блок ушел в защиту. В режиме защиты блок может находится бесконечно долго

Второе достоинство — система плавного пуска и задержки. При включении схемы в сеть 220 Вольт через резистор 2W 22R заряжается основной электролит и за доли секунды ( с незначительной задержкой) открывается составной транзистор KSP13 и замыкается электромагнитное реле. Реле с напряжением катушки 12 Вольт , с током желательно 10 и более Ампер (лично я взял на 20 Ампер). В моем случае, рабочая частота генератора в районе 47-48кГц, трансформатор рассчитан по программе.

Для двухполярного 60 Вольт на выходе, первичная обмотка (сетевая) намотана двумя жилами провода 0,7 мм (каждая) и состоит из 36 витков, намотку делал в два слоя.

Вторичка имеет 2 независимые обмотки, каждая из них имеет отвод от середины. Каждая обмотка состоит из 2х18 витков, намотана 4-я жилами провода 0,7мм, тоже самое и со второй вторичкой В качестве выпрямителя применены диодные сборки Шоттки с общим катодом, ток каждого диода не менее 10 Ампер при обратном напряжении не менее 100 Вольт, лучше взять на 200.

В конце все силовые части (диоды, полевики) укрепляются к общему теплоотводу, не забываем их изолировать слюдяными прокладками и шайбами

Основной диодный мост по входу брать с обратным напряжением 600-1000 Вольт, с допустимым током не менее 4-х Ампер, а лучше взять с запасом, скажем на 6 Ампер. Аналогичные мосты можно найти в комповых блоках питания.

Основной электролит на 400 Вольт, с емкостью 220-330мкФ Ну на этом думаю все понятно, схему уже несколько раз повторил — работает отменно.
Скачать архив можно тут
Обсудить на Форуме
Последовательность действий по переделке БП ATX в регулируемый лабораторный.
1. Удаляем перемычку J13 (можно кусачками)
2. Удаляем диод D29 (можно просто одну ногу поднять)
3. Перемычка PS-ON на землю уже стоит.

4. Включаем ПБ только на короткое время, так как напряжение на входа будет максимальное (примерно 20-24В). Собственно это и хотим увидеть. Не забываем про выходные электролиты, расчитанные на 16В. Возможно они немного нагреются. Учитывая Ваши «вздутости», их все равно придется отправить в болото, не жалко. Повторюсь: все провода уберите, они мешают, а использоваться будут только земляные и +12В их потом назад припаяете.
5. Удаляем 3.3-х вольтовую часть: R32, Q5, R35, R34, IC2, C22, C21.

6. Удаляем 5В: сборку шоттки HS2, C17, C18, R28, можно и «типа дроссель» L5.

7. Удаляем -12В -5В: D13-D16, D17, C20, R30, C19, R29.
8. Меняем плохие : заменить С11, С12 (желательно на бОльшую ёмкость С11 — 1000uF, C12 — 470uF).
9. Меняем несоответствующие компоненты: С16 (желательно на 3300uF х 35V как у меня, ну хотя бы 2200uF x 35V обязательно!) и резистор R27 — у Вас его уже нет вот и замечательно. Советую его заменить на более мощный, например 2Вт и сопротивление взять 360-560 Ом. Смотрим на мою плату и повторяем:

10. Убираем всё с ног TL494 1,2,3 для этого удаляем резисторы: R49-51 (освобождаем 1-ю ногу), R52-54 (. 2-ю ногу), С26, J11 (. 3-ю ногу)

11. Не знаю почему, но R38 у меня был перерублен кем-то рекомендую Вам его тоже перерубить. Он участвует в обратной связи по напряжению и стоит параллельно R37-му.
12. Отделяем 15-ю и 16-ю ноги микросхемы от «всех остальных», для этого делаем 3 прореза существуюших дорожек а к 14-й ноге восстанавливаем связь перемычкой, как показано на фото.

13. Теперь подпаиваем шлейф от платы регулятора в точки согласно схемы, я использовал отверстия от выпаянных резисторов, но к 14-й и 15-й пришлось содрать лак и просверлить отверстия, на фото.
14. Жила шлейфа №7 (питание регулятора) можно взять от питания +17В ТЛ-ки, в районе перемычки, точнее от неё J10/ Просверлить отверстие в дорожку, расчистить лак и туда. Сверлить лучше со стороны печати.

Ещё посоветовал бы поменять конденсаторы высоковольтные на входе (С1, С2). У Вас они очень маленькой ёмкости и наверняка уже изрядно подсохли. Туда нормально станут 680uF x 200V. Теперь, собираем небольшую платку, на которой будут элементы регулировки. Вспомогательные файлы смотрите тут .
2.8 4 голоса
Рейтинг статьи
Рекомендуемые рабочие параметры.
| Параметры | Мин. | Макс. | Ед. Изм. |
| VCC Напряжение питания | 7 | 40 | В |
| VI Напряжение на входе усилителя | -0,3 | VCC – 2 | В |
| VO Напряжение на коллекторе | 40 | В | |
| Ток коллектора (каждого транзистора) | 200 | мА | |
| Ток обратной связи | 0,3 | мА | |
| fOSC Частота генератора | 1 | 300 | кГц |
| CT Емкость конденсатора генератора | 0,47 | 10000 | нФ |
| RT Сопротивление резистора генератора | 1,8 | 500 | кОм |
| TA Рабочая температура TL494C TL494I | 70 | °C | |
| -40 | 85 | °C |
Предельные её характеристики следующие;
Напряжение питания……………………………………………..41В
Входное напряжение усилителя………………………………(Vcc+0.3)В
Выходное напряжение коллектора…………………………..41В
Выходной ток коллектора………………………………………250мА
Общая мощность рассеивания в непрерывном режиме….1Вт
Импульсный блок питания или линейный. История вопроса
Наверно ни для кого не секрет, что большинство специалистов, радиолюбителей и просто технически грамотных покупателей источников питания с опаской относятся к импульсным блокам питания, отдавая предпочтение линейным.
Причина проста и понятна. Репутация импульсных блоков питания серьезно подорвана еще в 80-х годах, во времена массовых отказов отечественных цветных телевизоров, низкокачественной импортной видеотехники, оснащенных первыми импульсными блоками питания.
Что мы имеем на сегодняшний день? Практически во всех современных телевизорах, видеоаппаратуре, бытовой технике, компьютерах используются импульсные блоки питания. Все меньше и меньше сфер применения линейных (аналоговых, параметрических) источников. Линейный источник электропитания сегодня в бытовой аппаратуре практически не найдёшь. А стереотип остался. И это не консерватизм, несмотря на бурный прогресс электроники, преодоление стереотипов происходит очень медленно.
Давайте попробуем объективно посмотреть на сегодняшнее положение и попробуем изменить мнение специалистов. Рассмотрим «стереотипные» и присущие импульсным блокам питания недостатки: сложность, ненадёжность, помехи.
Импульсный блок питания. Стереотип «сложность»
Да, импульсные блоки питания сложные, точнее сказать сложнее аналоговых, но намного проще компьютера или телевизора. Вам не нужно разбираться в их схемотехнике, так же как и в схемотехнике цветного телевизора. Оставьте это профессионалам. Для профессионалов там нет ничего сложного.
Импульсный блок питания. Стереотип «ненадёжность»
Элементная база импульсного блока питания не стоит на месте. Современная комплектация, применяемая в импульсных блоках питания, позволяет сегодня с уверенностью сказать: ненадёжность – это миф. В основном надежность импульсного блока питания, как и любого другого оборудования, зависит от качества применяемой элементной базы. Чем дороже импульсный блок питания, тем дороже элементная база в нем. Высокая интеграция позволяет реализовать большое количество встроенных защит, которые порой недоступны в линейных источниках.
Импульсный блок питания. Стереотип «помехи»
В схемотехнике импульсных блоков питания заложено формирование мощных импульсов и затухающих колебаний в обмотках трансформатора. Эти коммутационные процессы предопределяют широкий спектр паразитного излучения. Поэтому корпус и соединительные провода источника могут стать антенной для излучения радиопомех. Но если конструкция импульсного блока питания тщательно проработана, о помехах можно забыть. Кроме этого, благодаря современным технологиям импульсные блоки питания позволяют существенно сгладить пульсации сетевого напряжения.
Схемы блоков питания
Сложные схемы импульсных блоков питания TL494 рассматривать не буду. Они требуют множества деталей и времени, поэтому изготавливать своими руками не рационально. Проще у китайцев купить готовый аналогичный модуль за 300-500руб.
Простой и мощный импульсный БП
Повышающий преобразователь с 12 на 220 Вольт.
При сборке повышающих преобразователей напряжения особое внимание уделяйте охлаждению силовых транзисторов на выходе. Для 200W на выходе будет ток около 1А, относительно не много
Тестирование на стабильность работы проводить с максимально допустимой нагрузкой. Необходимую нагрузку лучше всего сформировать из ламп накаливания на 220 вольт, мощностью 20w, 40w, 60w, 100w. Не стоит перегревать транзисторы более чем на 100 градусов. Соблюдайте правила техники безопасности при работе с высоким напряжением. Семь раз померяй, один раз включи.
Повышающий преобразователь на TL494 практически не требуют настройки, повторяемость высокая. Перед сборкой проверьте номиналы резисторов и конденсаторов. Чем меньше будет отклонение, тем стабильней будет работать инвертор с 12 на 220 вольт.
Контроль температуры транзисторов лучше производить термопарой. Если радиатор маловат, то проще поставить вентилятор, чтобы не ставить новый радиатор.


Блок питания на TL494 своими руками мне приходилось изготавливать для усилителя сабвуфера в автомобиле. В то время автомобильные инверторы с 12В на 220В не продавались, и у китайцев не было Aliexpress. В качестве усилителя УНЧ применил микросхему серии TDA на 80W.

За последние 5 лет увеличился интерес с технике с электрическим приводом. Этому поспособствовали китайцы, начавшие массовое производство электрических велосипедов, современных колесо-мотор с высоким КПД. Лучшей реализацией считаю двух колёсные и одноколесные гироскутеры.В 2015 году китайская компания Ninebot купила американской Segway и начал производства 50 видов электрических скутеров типа Сегвея.
Для управления мощным низковольтным двигателем требуется хороший контроллер управления.

Особенности импульсного варианта ЭН
Аналоговые электронные нагрузки безусловно хороши и многие из тех, кто использовал ЭН при наладке силовых устройств, оценили ее преимущества. Импульсные ЭН имеют свою изюминку, давая возможность для оценки работы блока питания при импульсном характере нагрузки таком, как, например, работа цифровых устройств. Мощные усилители звуковых частот так же оказывают характерное влияние на питающие устройства, а потому, неплохо было бы знать, как поведет себя блок питания, расчитанный и изготовленный для конкретного усилителя, при определенном заданном характере нагрузки.
При диагностике ремонтируемых блоков питания эффект применения импульсной ЭН так же заметен. Так, например, с помощью импульсной ЭН была найдена неисправность современного компьютерного БП. Заявленная неисправность данного 850-ваттного БП была следующей: компьютер при работе с этим БП выключался произвольно в любое время при работе с любым приложением, независимо от потребляемой, на момент выключения, мощности. При проверке на обычную нагрузку (куча мощных резисторов по +3В, +5В и галогенных лампочек по +12В) этот БП отработал на «ура» в течении нескольких часов при том, что мощность нагрузки составила 2/3 от его заявленной мощности. Неисправность проявилась при подключении импульсной ЭН к каналу +3В и БП начал отключаться, едва стрелка амперметра доходила до деления 1А. При этом токи нагрузки по каждому из прочих каналов положительного напряжения не превышали 3А. Неисправной оказалась плата супервизора и была заменена на аналогичную (благо, был такой же БП с выгоревшей силовой частью), после чего БП заработал нормально на максимальном токе, допустимом для используемого экземпляра импульсной ЭН (10А), которая и является предметом описания в данной статье.
TL494 схемы для зарядного устройства на основе компьютерного блока питания
Ниже представлены для повторения четыре принципиальные схемы с использованием ИС TL494 схемы.
Здесь показана схема устройства, созданного на основе устаревшего компьютерного АТ блока питания на IC TL494 с выходной мощностью 200 Вт гарантирующий ток, примерно 11 — 13А.

Здесь схема, в основе которой использован более современный АТX блок питания, также выполненный на TL494


Модернизация
Наиболее важным и нужным моментом в усовершенствовании схемы является следующий шаг. Убираем все ненужные провода, которые выходят из корпуса блока питания на коннекторы материнской платы. Однако, убирать надо не все, оставить нужно четыре провода желтого цвета под напряжение +12v и четыре черных идущих на корпус и каждую «четверку» переплетаем в виде косички.
Далее, ищем на печатной плате чип с кодовым обозначением 494, впереди этого номера возможны дополнительные буквенные обозначения
Также следует обратить внимание, что в БП могут быть установлены аналоги микросхемы TL494, такие как например: KA7500, MB3759, но схема включения у них аналогичная оригиналу. Теперь нужно найти постоянный резистор установленный в цепи первого вывода микросхемы и идущий на контакт +5v (это там, где раннее находились провода красного цвета) и убираем его тоже

Для блока питания с возможностью регулировки напряжения в диапазоне от 4v до 25v, постоянный резистор R1 должен иметь номинальное сопротивление 1кОм. Помимо этого, в выходной цепи постоянного напряжения +12v, необходимо поставить электролитический конденсатор с большей емкостью, чем которая указана в оригинале.
В случае изготовления зарядного устройства, то этот конденсатор лучше вообще не ставить. Далее, желтыми проводами, которые сплетены в «косичку» (+12v), на кольце диаметром 25мм из феррита 2000НМ делаем несколько витков.
То есть, рассчитана на рабочее напряжение 40v и ток 10A, но если найдете готовую сборку BYV42E-200, которая выдерживает прямой ток 30A и напряжение 200v, то лучше будет если вы поставите ее. Как вариант, можно использовать пару выпрямительных диодов КД2999, включенных встречно друг другу. В таблице представленной ниже, можно подобрать оптимальные параметры необходимых вам диодов.

Если блок питания АТХ, то для его запуска нужно соединить провод soft-on с идущим на корпус проводником (на коннектор подается провод зеленого цвета). Вентилятор необходимо повернуть на 180°, что бы поток воздуха направлялся во внутреннюю часть БП. В случае использования устройства по прямому назначению, то тогда лучше будет подать питание на вентилятор от 12 вывода микросхемы через сопротивление с номиналом 100 Ом.
Так же, нужно иметь ввиду, что во время включения блока питания, происходит мощный бросок тока, при этом может включится система защиты. Однако, у меня устройство защиты свободно воспринимает ток в 9 ампер при включении аппарата и не срабатывает. В случае, у кого-то появится такая проблема, то тогда необходимо будет создать двухсекундную задержку включения нагрузки во время старта.
Вот ниже представлен еще один хороший вариант усовершенствования блока питания от компьютера.
Эта принципиальная схема в состоянии изменять выходное напряжение в пределах от 0,9v до 32v и силу тока от 0,09v до 10A.

Предыдущая запись Индикатор сетевого напряжения: светодиодный маяк
Следующая запись Размыкатель цепи: защита от превышения тока
Рекомендуемые рабочие параметры.
| Параметры | Мин. | Макс. | Ед. Изм. |
| VCC Напряжение питания | 7 | 40 | В |
| VI Напряжение на входе усилителя | -0,3 | VCC – 2 | В |
| VO Напряжение на коллекторе | 40 | В | |
| Ток коллектора (каждого транзистора) | 200 | мА | |
| Ток обратной связи | 0,3 | мА | |
| fOSC Частота генератора | 1 | 300 | кГц |
| CT Емкость конденсатора генератора | 0,47 | 10000 | нФ |
| RT Сопротивление резистора генератора | 1,8 | 500 | кОм |
| TA Рабочая температура TL494C TL494I | 70 | °C | |
| -40 | 85 | °C |
Предельные её характеристики следующие;
Напряжение питания……………………………………………..41В
Входное напряжение усилителя………………………………(Vcc+0.3)В
Выходное напряжение коллектора…………………………..41В
Выходной ток коллектора………………………………………250мА
Общая мощность рассеивания в непрерывном режиме….1Вт
Обзор и описание TL494
TL494 является ШИМ-контроллером, который уже можно использовать для сборки блоков питания. Здесь доступно два рабочих параметра – одноконтактный и двухконтактный. Внутренняя схема питания поддерживает возможность применения двойного импульса. Встроенный стабилизатор напряжения позволяет снизить вероятность скачков и отклонений до 5% от заданного значения. Архитектура системы легко адаптируется и синхронизируется с прочими источниками.
Стандартная схема включает в себя все необходимые системы модуляции с помощью использования всего одного кристалла. Данная система применяется для контроля подачи энергии, другого применения не имеет. Усилители ошибки, управляемый генератор, компаратор управления, переключатели – всё это основные составляющие контроллера.
Независимые формировщики сигнала позволяют оптимально распределить нагрузку по микросхеме, таким образом, чтобы снизить возможные риски поломки. Рабочая температура установки составляет от -40 до 85 градусов Цельсия.
Зарядка из блока АТХ на TL494 и TPS3510 – ISO-450PP
При переделке в зарядное устройство АТХ блока на основе ШИМ TL494, можно столкнуться со схемами, у которых для контроля выходных напряжений используется отдельный супервизор TPS3510; WT7510 или др. Сегодня мы покажем пример того, как отключать подобный супервизор, что бы он никак не влиял на работу ШИМ. И так, зарядка из блока АТХ CWT ATX-300 (ISO-450PP), поехали!
Зарядка из блока АТХ на TL494 и TPS3510
Микросхемы на подобии TPS3510; WT7510 отслеживают напряжение сразу на нескольких шинах блока, в случае отклонения напряжения хоть на одной из них этот супервизор останавливает работу блока.
При изготовлении самодельного зарядного устройства на основе такого компьютерного блока питания основная переделка заключается в поднятии напряжения по шине +12 до 14В.
Если не отключать супервизор – блок будет работать крайне нестабильно, будут наблюдаться сбои в работе при нагрузке или проблемы со стартом.
Типовые схемы блоков на основе TL494 и TPS3510; WT7510. На схемах уже обозначены некоторые важные элементы, о них речь пойдет ниже.
Отключение супервизора и организация автостарта блока
В зарядное устройство будем переделывать блок CWT ATX-300.
На плате находятся TL494 и TPS3510.
Удаляем диод D15, он выделенный на схеме красной рамкой. Если в блоке используется другая нумерация деталей или другая схема, ищем диод, который соединяет 4-ю ножку Tl494 (DTC) и 3-ю ножку TPS3510 (FPO).
После удаления диода, блок будет запускаться автоматически при включении в сеть, а TPS3510 уже не будет влиять на работу БП.
Как поднять напряжение в блоке питания компьютера?
Оптимальным для зарядки автомобильного АКБ считается напряжение 14-14,5В. Для поднятия напряжения нужно установить подстроечный резистор вместо резистора, соединяющего 1-ю ножку TL494 с шиной +12В.
На схеме он выделенный зеленой рамкой. Подстроечный резистор можно брать на 100-200кОм (желательно многооборотный).
Перед установкой его на плату его нужно настроить на такое же сопротивление, какое было у резистора, вместо которого его ставим.
После удачного старта корректируем выходное напряжение с помощью подстроечника.
При желании можно дополнительно изготовить защиту от переполюсовки и зарядка из блока АТХ готова!
А какие достоинства импульсного блока питания?
Импульсный блок питания. Высокий КПД
Высокий КПД (до 98%) импульсного блока питания связан с особенностью схемотехники. Основные потери в аналоговом источнике это сетевой трансформатор и аналоговый стабилизатор (регулятор). В импульсном блоке питания нет ни того ни другого. Вместо сетевого трансформатора используется высокочастотный, а вместо стабилизатора — ключевой элемент. Поскольку основную часть времени ключевые элементы либо включены, либо выключены, потери энергии в импульсном блоке питания минимальны. КПД аналогового источника может быть порядка 50 %, то есть половина его энергии (и ваших денег) уходит на нагрев окружающего воздуха, проще говоря, улетают на ветер.
Импульсный блок питания. Небольшой вес
Импульсный блок питания имеет меньший вес за счет того, что с повышением частоты можно использовать трансформаторы меньших размеров при той же передаваемой мощности. Масса импульсного блока питания в разы меньше аналогового.
Импульсный блок питания. Меньшая стоимость
Спрос рождает предложение. Благодаря массовому выпуску унифицированной элементной базы и разработке ключевых транзисторов высокой мощности сегодня мы имеем низкие цены силовой базы импульсных блоков питания. Чем больше выходная мощность, тем дешевле стоит источник по сравнению со стоимостью аналогичного линейного источника. Кроме того, главные компоненты аналогового источника (медь, железо трансформатора, радиаторы из алюминия) постоянно дорожают.
Импульсный блок питания. Надёжность
Вы не ослышались, надежность. На сегодняшний момент импульсные блоки питания надёжнее линейных за счет наличия в современных блоках питаниях встроенных цепей защиты от различных непредвиденных ситуаций, например, от короткого замыкания, перегрузки, скачков напряжения, переполюсовки выходных цепей. Высокий КПД обуславливает меньшие теплопотери, что в свою очередь обуславливает меньший перегрев элементной базы импульсного блока питания, что так же является показателем надёжности.
Импульсный блок питания. Требования к сетевому напряжению
Что творится в отечественных электросетях, вы наверно знаете не понаслышке. 220 Вольт в розетке скорее редкость, чем норма. А импульсные блоки питания допускают широчайший диапазон питающего напряжения, недостижимого для линейного. Типовой нижний порог сетевого напряжения для импульсного блока питания — 90…110 В, любой аналоговый источник при таком напряжении в лучшем случае «сорвется в пульсации» или просто отключится.
Итак, импульсный или линейный? Выбор в любом случае за вами, мы лишь хотели помочь вам объективно взглянуть на импульсные блоки питания и сделать правильный выбор. Только не забывайте, что качественный источник – это источник сделанный профессионально, на базе качественных комплектующих. А качество это всегда цена. Бесплатный сыр только в мышеловке. Впрочем последняя фраза в равной мере относится к любому источнику, и к импульсному и к аналоговому.
Мощность и автономное время работы
Существуют различные по мощности типы устройств:
- Устройства большой мощности, более 5000 ВА. Такие мощности позволяют обеспечить безопасностью серверы и целую группу компьютеров;
- Элементы средней мощности, в пределах 1000 – 5000 ВА. Такого рода аппараты применимы для малых серверов и локальных сетей;
- Аппаратура малой мощности, менее 1000 ВА. Применяются в основном для домашнего использования.
Рекомендуется для более корректной работы ИБП, выбирать его мощность на 25-35% больше подключаемого к нему устройства. В случае модернизации своего компьютера, этот запас позволит не переплачивать за новый, более мощный ИБП. Мощность указывается на задней стенке блока питания.
Довольно частой причиной повреждения «бесперебойников» являются различные насекомые, которые любят находиться в теплых местах. В помещениях, где сконцентрировано большое количество компьютерных машин, должна проводиться регулярная дезинсекция.
Существуют различные диапазоны длительности работы источников БП. Они колеблются (2 – 15 минут):
- Для домашнего «бесперебойника» наилучшим будет источник, длительность работы которого около 10 минут;
- Для корпоративной работы выбираются ИБП по длительности в зависимости от объемов и мощностей используемых машин.
Множество электрических приборов способны выдержать перепады напряжения, длительностью порядка 100 мс. Многие ИБП переключаются за 6-11 мс. Чем меньше время переключения, тем лучше.
Следует не забывать при выборе бесперебойного источника о защите периферийных устройств (принтера, сканера и т.п.).
четверг, 29 сентября 2021 г.
Ограничение TL494 по току

ПРИМЕР 3
Тут в этой схеме, к косичке трансформатора подается через полярный конденсатор положительное напряжение это очень важно чтобы на 16 ноге было +V от источника тока или съемной катушке трансформатора. https://radiokot.ru/circuit/power/charger/40/

как это работает в конкретных цифрах:
- При отсутствии тока в нагрузке, падение напряжения на R4 равно нулю. Значит, на делителе будет 5V*R7/(R7+R5), т.е. около 50мВ, на 16-й ноге естественно 0В
- Что же будет при токе, ну допустим, 2А? На R4 возникнет падение напряжения в R4*2A=12mV. Это напряжение на вывод делителя из R5 и R7 приложится в отрицательной полярности, т.е на 15-й ножке ШИМ теперь будет уже не 50мВ, а 50-12=38мВ
- При дальнейшем росте тока нагрузки, будет расти и падение напряжения на R4, а следовательно, и на верхнем по схеме выводе делителя на R5 и R7 отрицательное напряжение будет увеличиваться. При определённом токе, оно достигнет -50мВ, и полностью скомпенсирует изначальные 50мВ холостого хода. Т.е. напряжение на 15-й ноге ШИМ станет равно 0В и сравняется с напряжением на 16-й ноге, которая «сидит» на земле. Компаратор начнёт работать и дальнейшего роста тока нагрузки не произойдёт.
Еще ни много расчета:
1. 15-14 (om) = 10000 om (сопротивление между 14(+5) и 15 ногой) 2. 15-GND (om) = 3 om (сопротивление между 15 ногой и минусом) 3. 16-GND (om) = 0,2 om (сопротивление между 16 ногой и минусом) ————— 4. 15-GND (V) = +5(V) * 15-GND (om) / 15-14 (om) + 15-GND (om) = + 0,00149955 (V) это напряжение падение на 15 ноге. 6. 16 = 15 (A) условие срабатывания инвертирующего компоратора = 15-GND (V) / 16-GND (om) = 0,007497751 (A) это амперы которые необходимо пропустить чтобы 15V = 16V и прерывания сработали.
ПРИМЕР 4
Измеряя операционным усилителем напряжение на резисторе R10, можно ограничить выходной ток. На второй вход подается опорное напряжение делителем R5; R6. Ну понимаете R10 будет греться.
Источник
Варианты устройств на микросхеме TL494
Данный ШИМ-контроллер обладает различными вариантами исполнения и подключения, которые отличаются по принципу работы и другим особенностям.
Плавное включение на микросхеме TL494
Система плавного включения на схеме подразумевает плавную ШИМ-регулировку. Здесь суть заключается в максимально аккуратном переходе от начального напряжения к максимально заданному. При этом диапазон напряжения напрямую зависит от особенностей работы установки.
Схема блок питания на TL494 с регулировкой напряжения и тока
Данная микросхема активно используется в установках импульсного типа, которые проявляют максимальную чувствительность к перепадам энергии в сети. Схема подключения включает переключатели, которые используются для контроля и регулировки силы тока и напряжения. Данная схема необходима для управления силовыми значениями электроники. По узлам функциональных возможностей и параметров.
Повышающий преобразователь на TL494
Работает по принципу плавного повышения рабочей мощности системы от 28 В до значения 220. Для этого используются специальные системные переключатели.
Импульсный блок питания на 5 Вольт на TL494
Он работает по принципу резкого изменения уровня напряжения на входе, на 5 В. Особенности подключения зависят от определённых параметров и требований.
Схема блока питания 5 Вольт 10 Ампер на микросхеме TL494
Максимально простая установка, которая позволяет адаптировать рабочие характеристики под определённые нужды и уровень напряжения в системе.
При работе с микросхемой важна практика и понимание теоретической части. Со временем получится настраивать и более сложные ШИМ-контроллеры для работы.
Расположение и назначение выводов микросхемы
Классическая микросхема оснащается несколькими разными типами вывода, которые применяются для подключения и передачи энергии. Среди наиболее распространённых потоков:
Вход на положительной части. Он указывает на значение напряжения. Если оно превышает второй вывод, тогда мощность упадёт, а ширина входных импульсов будет минимальной. Наблюдается и обратная зависимость. Вход на отрицательной части. Работает по аналогичному принципу с предыдущим вариантом. Показывает ошибку при высоком входном напряжении. Усилитель. Это усиленный выход системы, который проходит через специальные диоды. Изменение мёртвого времени
Это своеобразная скважность, которая задаёт мощность на 50%. ГПН
Данный вывод используется для подключения конденсатора, задающего время работы. ГПН. Он также отвечает за время работы микросхемы. Подключается ко всей схеме контроллера. Содержится в составе микросхемы. Позволяет обеспечить необходимое подключение. Другие выводы и каналы связи. Вывод для работы на выходном компоненте контролирующей схемы и получения выходных сигналов. Стабилизация источника напряжения, который может использоваться для работы усилительной части. Вывод для выявления погрешности при работе микросхемы.
Выше перечислены в общем порядке выводы контролирующей схемы, которые используются для подключения и контроля за различными возможностями и функциями.




























