Предварительная диагностика
Прямой признак неисправности электронного модуля всего один – соответствующий код ошибки на дисплее. И даже его отсутствие не исключает полностью сбой в работе модуля. Большинство признаков неисправностей могут свидетельствовать о неправильной работе платы, а также о поломках других деталей.
Перед принятием решения самостоятельно прошивать стиральную машину, необходимо убедиться, что неисправность не кроется в каком-то другом ее узле. Необходимо снять верхнюю и переднюю панели корпуса.

Демонтируются они следующим образом:
- откручиваем саморезы верхней крышки, они находятся со стороны задней стенки корпуса стиральной машины;
- сдвигаем крышку и убираем ее;
- фотографируем все соединения, чтобы впоследствии по фото можно было правильно собрать;
- скучиваем саморезы, которые держат панель управления, отсоединяем провода, которые крепятся к ней через разъемы;
- открываем защелки и снимаем нижнюю панель;
- снимаем манжету, вытягиваем хомут, нажав на пружину;
- раскручиваем саморезы, на которых держится передняя панель;
- снимаем замок люка;
- снимаем переднюю панель, приподняв ее.
Вскрыв корпус стиральной машины, нужно прозвонить все узлы, чтобы исключить в них поломки. Прошивка электронного модуля – трудоемкое и рискованное занятие. Прошивать ее «на всякий случай» недальновидно.

Корпус стиральной машины
Исключив неисправность в других деталях, осматриваем электронный модуль на наличие механических повреждений. Если визуально таковых нет, вероятность программного сбоя высокая.
Каково устройство электронного агрегата?
Решением в данном случае может быть возможность подключения техники Самсунг не напрямую, а через стабилизатор. Ход наполнения загрузочного бака водой осуществляется постепенно и также регулируется электроникой.
Ремонт тиристорного блока Ремонт данного блока следует осуществлять только после проверки на неисправность конденсаторов.
В инструкции к технике, производитель дает несколько рекомендаций на случай, если машинка не включается: Необходимо проверить сеть подключения и целостность провода; Проверить правильность подключения наливного шланга; Убедиться в плотности закрытия дверцы; Необходимо также обратить внимание на параметры выбранной программы для стирки, отсутствие отсрочки стирки. Что может указывать на неисправность и последующий ремонт платы в стиральной машине: СМА выдаем код ошибки на дисплее
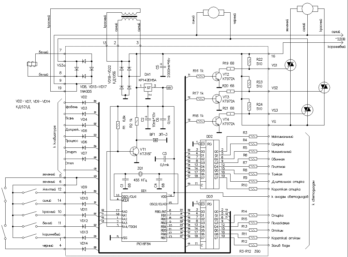
Со второго анода А2 этого симистора сигнал поступает через резистивный делитель напряжения на выв. Естественно, подобные модули будут неработоспособны, так как в них необходимо предварительно записать файлы прошивки, соответствующие определенным моделям СМ. Схему обмотки также можно найти в сети
Что может указывать на неисправность и последующий ремонт платы в стиральной машине: СМА выдаем код ошибки на дисплее. Со второго анода А2 этого симистора сигнал поступает через резистивный делитель напряжения на выв. Естественно, подобные модули будут неработоспособны, так как в них необходимо предварительно записать файлы прошивки, соответствующие определенным моделям СМ. Схему обмотки также можно найти в сети.
Рекомендуем: Как подключить тройную розетку
Вода перегревается или не нагревается, что не соответствует выбранному режиму. Индезиты-Аристоны,тоже штук пять плат валяются,с процами Электролюкс и Зануси,очень редко в смысле которую не смог отремонтировать-В домашней коллекции всего одна плата электролюксовская LG -Нет ни одной,которую не смог отремонтировать,не смотря на неудобство ремонта.
Индезиты-Аристоны,тоже штук пять плат валяются,с процами Схема модуля управления стиральной машины Самсунг, Аристон, Индезит или других популярных марок, позволяет разобраться в последовательности соединений компонентов цепи и функций каждого компонента. В этой схеме разберется любой человек, даже далекий от физики.
О механизме в целом
После этого можно монтировать новый триггер. Устранить такие неприятности, если системы защиты не допустили аварии, просто. Конденсатор всегда припаивается только к положительному электроду в блоке.
Общие сведения Отличительной особенностью рассматриваемых электронных модулей СМ ВЕКО является то, что, несмотря на различные функциональные возможности СМ, их «электронная начинка» почти не претерпевает изменений за исключением внешних узлов электронного модуля в составе СМ. Стоит отметить, что некоторые из производителей стремятся полностью исключить данную проблему. В этой схеме разберется любой человек, даже далекий от физики.
Ремонт модуля стиральной машины «Samsung» WF-R862. Не включается.
Признаки поломки модуля управления
- соответствующий код ошибки на дисплее;
- индикаторы панели хаотично мигают;
- программы не включаются, работают некорректно;
- путается последовательность процессов, пропускаются некоторые этапы;
- температура воды, время стирки не соответствуют назначенному режиму;
- двигатель самопроизвольно меняет количество оборотов;
- барабан беспричинно изменяет направление вращения.
Для диагностики придётся снять верхнюю крышку стиралки, демонтировать переднюю панель, чтобы добраться до платы управления. Сняв плату, убедитесь в целостности элементов микросхемы визуально и прозвонив мультиметром. Процесс проверки платы управления поможет провести это видео:
Убедившись в целостности «материнки», микроконтроллера, можно организовывать подготовку прошивки для стиральных машин
Обратите внимание, есть ли у модуля разъёмы подключения оборудования. Когда таковые отсутствуют, программное обеспечение восстанавливается через процессор
Для этого используется дорогая, профессиональная аппаратура, которая есть в сервисных центрах.
Основные элементы командоаппарата
На механических стиралках программатор – это ключевой узел управляющего блока. Внутри него множество деталей, каждая из которых со временем может загрязниться или сломаться. Для починки командоаппарата придется проверить все элементы конструкции, а при необходимости их подлатать или заменить.
Прежде чем начинать проверку и ремонтировать программатор, необходимо изучить его внутреннее устройство. Так, стандартный командоаппарат состоит из:
- синхромотора;
- редуктора;
- контактов;
- моторчика;
- зубчаток и шестеренок;
- кулачков (пазы, выемки и выступы).
Принцип работы программатора зависит и от его типа. Так, гибридные устройства надежнее и более просты в эксплуатации, но имеют ограниченный функционал. Электронные командоаппараты, напротив, удобнее в быту за счет тонкой настройки и наличия множества дополнительных опций. Но электроника чаще ломается, чутко реагируя на скачки напряжения.
Электронные модули стиральных машин BEKO
Микросхема в рассматриваемом ИИП включена по схеме ключевого понижающего преобразователя часта переключения составляет 60 кГц. К примеру, ремонт стиральной машины Индезит своими руками может сводиться к протирке модуля и тщательному высушиванию платы.
Сначала отключите стиралку от сети, затем поступите так: Вытащите лоток-дозатор для моющих средств.
Если сопротивление было нарушено, то следует перепаять резисторы.
Можем скооперироваться. Сервисные центры всеми силами стараются признать такой случай поломки не гарантийным. Обращаться с техникой максимально аккуратно. Для оценки работы триггера нужно замерить уровень напряжения на его выходных контактах.
Модуль формирования команд Используется для приема команд узлов, которые задают режим работы стиралки таймер, дополнительные функциональные кнопки , преобразование и передачу сигналов на входы микроконтроллера U1. В заключении Далеко не каждая хозяйка имеет желание изучать электрическую схему стиральной машины. Если резко оборвать провод, может произойти скачок напряжения, что повлияет на работу модуля. Машинка перейдет в режим самодиагностики.
Ибо в статье написано «продолжение следует Однако принцип подключения к сети мало чем отличается, как и модели других марок, техника Самсунг не защищена от скачков напряжения, несмотря на то, что в комплектации присутствует конденсатор.
Нужно, в зависимости от модели, снять переднюю панель или добраться до места установки, демонтировав верхнюю часть машинки. За обозначенный период белье, находящееся в баке, пропитывается водой. Некоторые современные модели имеют режим самотестирования, который позволяет определить, какой именно ремонт электронных модулей стиральных машин требуется. В свою очередь, на общей шине объединены плюсы каналов 5 и 24 В ИИП. Придется тестировать параметры элементов, проверять целостность цепей.
К примеру: Сбой датчиков установки программы. К другим причинам относится избыточный нагар, наличие токопроводящих испражнений домашних вредителей тараканов, мышей , а также замыкания через тело насекомых или грызунов.
Принцип работы стиральной машины
EVO-2 (EVO-II)
Одна из самых массовых платформ концерна Merloni. В этом модуле впервые используются электронные smd -компоненты. В электронном модуле EVO-2 (EVO-II) применяется двухсторонняя разводка проводников печатной платы. Для ремонта этой платформы необходимы дополнительные инструменты и навыки, в связи с необходимостью работы с поверхностным монтажом. Довольно надежный и ремонтопригодный модуль. Основой является микроконтроллер семейства H8/300H в корпусе QFP64. Возможна его замена.
Одна из типовых неисправностей этой платформы — это периодическое ухудшение контакта в переходных межслойных колодцах.
Сгорела плата стиральной машины — ремонтировать или менять на новую
Замена всегда надёжней, чем ремонт, но и существенней бьёт по карману, поскольку модуль управления — одна из самых дорогих запчастей стиральных машин. Есть и ещё один нюанс. Для редких марок (например, General Electric, Kuppersbusch, Hoover и др.) новые блоки в России не продаются, их нужно заказывать за рубежом и ждать по несколько месяцев. В такой ситуации ремонт электронного модуля — единственно возможный вариант. Прожить без машинки 1-2 месяца для большинства клиентов физически невозможно.
![]()
Платы СМА редких марок мы успешно ремонтируем. Прайс-лист на услуги смотрите на странице «Сколько стоит отремонтировать модуль управления стиральной машины».
Причины поломки
Почему ломается модуль управления стиральной техники?
Бесспорно, современные машины достаточно умны и обеспечивают нам, людям, комфортные условия жизни. Но, случается неприятность и электроника перестает реагировать.
Возникает вопрос: как отремонтировать модуль управления стиральной машины?
В идеале нужен специалист, который профессионально подготовлен и знает, что делать и как исправить ситуацию. Электронные модули ломаются не так часто, в основном им присуща долговечность.
Но есть причины, влияющие на их долговечность и работоспособность.
Что приводит к неисправности модуля?
- Скачки в электросети при включенной стиральной машине.
- Попадание воды на микропроцессор. Если вода попала на плату, блок управления блокируется. Решение проблемы несложное, например протереть тряпочкой и высушить плату модуля управления стиральной машины. Часто возникает данная ситуация при переезде или переноске машины.
- Неисправность электропроводки.
- Поломка деталей машины, например: предохранитель, конденсатор и другие.
- Брак при производстве. Проблема возникает в первые недели после покупки техники и заметна визуально по качеству пропайки контактов, дорожкам с отслойкой. Если машина на гарантии, то лучшее решение – обратиться в сервисный центр, где деталь без проблем заменят.
- Нарушение работы датчиков.
Признаки неисправности
Большинство неисправностей по отдельности означают, что сломан не блок управления, а другой элемент машинки (глючит датчик, порван ремень, сгорел двигатель, УБЛ сломался и т.д.). Но если одновременно наблюдаются два или более признака, скорей всего, причина именно в контроллере.
Машинка странно себя ведет
Косвенный признак поломки платы — странное поведение машины: барабан бешено вращается; то набирает, то сливает воду; меняется порядок программ и тому подобное. Если двигатель, датчики и насос исправны, необходим ремонт или замена детали на новую.
Аппарат не включается
Для детальной диагностики необходима электрическая схема агрегата и мультиметр, что-бы прозвонить, вероятно, сгоревшие радиодетали.
Но для начала исключите другие неисправности: проверьте розетку, шнур и наличие электричества в сети. Если с ними всё в порядке, не факт, что сломана именно плата: может поломаться и кнопка включения.
Машинка зависает
Если «стиралка» периодически останавливается, а потом продолжает работу, обратите внимание на электронный модуль или программатор (зависит от конкретной модели). Необходима профессиональная диагностика, перепрошивка или замена управляющего элемента
Прибор не работает: пишет ошибку, мигают индикаторы
Если на дисплее указан код ошибки или соответствующий символ, это не значит, что причина именно в плате. Поводом может быть неисправность ТЭНа, отсутствие воды, незакрытая дверца и многое другое. Конкретные коды ошибок прописаны в инструкции к машинке или на официальном сайте производителя.
«Стиралки» без дисплея указывают на ошибки морганием индикаторов на передней панели. Если горят все лампочки, возможно, сломались конденсаторы в блоке управления. Определённый набор мигающих лампочек указывает на конкретную неполадку. Эти коды тоже можно узнать из руководства по эксплуатации конкретной модели.
Машинка не стирает по программе
Если машина сбивается с программы, стала стирать дольше положенного времени, не переходя в режим полоскания или отжима, возможно, есть проблемы с набором, со сливом, нагревом воды или перегрузке барабана.
При недоливе прочистите все имеющиеся фильтры и шланги, проверьте напор воды в системе, работает ли заливной клапан.
Если вода набирается, но не уходит, устраните засор в сливном шланге и проверьте помпу.
При недостаточном нагреве обратите внимание на ТЭН и датчик температуры.
Если дело точно не в этом, значит программный модуль глючит и надо выяснить почему (об этом ниже).
Не соблюдается температурный режим стирки
Один из симптомов – возможно, плата управления не дает сигнал на нагревательный элемент.
Или же, вода не набирает нужную температуру, так как неисправен ТЭН. Реже выходит из строя термодатчик или контроллер. В таком случае вода может закипеть, что существенно сократит срок службы стиральной машины.
Как работает модуль управления стиральной машины
Это искусственное сердце машины многофункционально. Если придется заменить деталь, то приобрести новое не составит труда, так как запчасть эта довольно универсальна и подходит на различные модели машинок.
Для справки: модуль управления стиральной машины Индезит имеет маркировку W105TX или WISL82.
Устройство работает, благодаря сигналу, который передается посредством клемм на шины. Имея в наличии схемы модулей управления стиральных машин, реально выяснить место, в котором пропал сигнал.
Обычно информация и схема найдется в прилагаемой инструкции или можно поискать в интернете.
Ремонт своими руками
Самостоятельное исследование
Можно самостоятельно провести диагностику.
Если рассматривать модуль управления стиральной машины Ардо, то тестирование проводится так:
- Из машины удаляется вся жидкость, и опустошается бак.
- Селектор программ поворачивается вертикально вниз.
- Температура должна стоять на отметке 0.
- Сразу нажимаются все кнопки управления. Это переведет машинку в режим самодиагностики.
Нужно понимать, что ситуация с поломкой электронного сердца совсем не говорит о приобретении новой техники. Есть большая вероятность возможности ремонта модулей управления стиральных машин.
Извлекаем панель
Нужно знать, что плата в машине фиксируется на пластинах, которые крепятся к корпусу.
Есть модели машинок, где эта деталь держится на винтах. Чтобы отремонтировать модуль управления стиральной машины своими руками, нужно его достать, что очень просто сделать. Достаточно убрать переднюю крышку или панель.
Устраняем поломки
Самостоятельно можно решить небольшие поломки, например:
- Сбой датчиков по причине засора в ручке регулировки. Ремонт заключается в разборе регулятора и чистке ее.
- Нагар на фильтре тоже можно очистить самостоятельно.
- Остатки мыла выводят из строя замок люка. Решается проблема чисткой.
- Машина отказывается запускаться. Для ремонта нужно разобрать технику и подтянуть шкив, чтобы подтянулись ремни передачи.
- Модуль управления может заблокировать работу машины из-за отсутствия заземления.
- Можно поменять конденсатор. В основном эта деталь устанавливается на блок с фильтрами и ремонту не подлежат. Если он сгорел, то подлежит замене. Заменить его не трудно. Если есть навык работы с паяльной лампой. Припаивается конденсатор только к положительному электроду.
- Резисторы часто перегорают и требуют замены. Без тестера не обойтись. Платы первого порядка имеют сопротивление в 0 Ом с перегрузкой в 2 А, а у второго диапазон перегрузки не должен превышать от 3 до 5 А. При несовпадении показателей, резисторы перепаиваются.
Для решения остальных проблем с блоком управления потребуется помощь специалиста или специальные навыки.
Когда бытовая техника на гарантии, то, конечно же, не нужно мучиться с вопросом как отремонтировать модуль управления стиральной машины, а сразу обращаться в сервисный центр.
К ремонту своими руками можно переходить после его истечения. Бывают случаи, когда борьба с неисправностями не дает результата, тогда возможно имеет смысл полностью заменить модуль.
ТОП магазинов стиральных машин и бытовой техники:
- mvideo.ru/- магазин бытовой техники, большой каталог стиральных машинholodilnik.ru – Недорогой магазин бытовой техники.
- techport.ru — выгодный современный интернет магазин бытовой техники
- citilink.ru — современный интернет магазин бытовой техники и электроники, дешевле офлайн магазинов!
- ru.aliexpress.com- запчасти для стиральных машин
«Полетели мозги» у стиральной машины!
«Что такое модуль управления стиральной машины и для чего он нужен? Как определить его неисправность? Какие сбои могут свидетельствовать о поломке? Почему мы рекомендуем только профессиональный ремонт электронных модулей?»
Одним из самых главных компонентов в стиральной машине является модуль управления. Без него не осуществим запуск программы и функционирование узлов. Если модуль управления стиральной машины приходит в негодность, дальнейшая эксплуатация бытового прибора попросту невозможна. К сожалению, электронный блок рано или поздно выходит из строя, как у дешевых, так и более дорогих аппаратов. Причин этому может быть множество, а всё потому, что электронные компоненты, датчики и платы очень чувствительны к любым воздействиям и неблагоприятным факторам, которые могут спровоцировать сбои.
Вообще, вся электроника, по сути, очень капризна и непредсказуема. Поэтому следует предостеречь пользователей о том, что ремонт модуля управления не должен осуществляться неопытным мастером или еще хуже прибегать к подобным работам самостоятельно. Самое правильное и адекватное решение – заказать профессиональный ремонт стиральных машин в проверенной компании с хорошими отзывами о работающих там специалистах.
Вызов мастера
Выход из строя платы управления – серьезная неисправность, для ее исправления потребуются знания и умение обращаться с компонентами электрических схем. До того как затевать самостоятельный ремонт стоит задуматься над тем, достаточно ли квалификации для подобной работы. В случае малейших сомнений, правильным будет обратиться к специалистам.

Часто можно услышать совет – снять плату и везти в мастерскую, там ее протестируют и отремонтируют. Это не лучший выход. Если уж решено обращаться к мастеру, он должен осмотреть машину полностью, правильным будет отвезти машину в сервис или вызвать мастера на дом.
Машину следует вести в мастерскую и в том случае, если она находится на гарантии. Стоит понимать, что любое вмешательство в ее схему будет стоить гарантии, а значит, за ремонт придется платить.
EVO-2 3х фазный
Для возможности использования трехфазных асинхронных моторов в качестве привода барабана стиральной машины был разработан этот электронный модуль. Такое назначение очень усложнило его схемотехнику. Добавился еще один микроконтроллер, формирующий сигналы для генерации трехфазного тока, а также операционный усилитель и компаратор для контроля тока выходного каскада. Тем не менее, ремонт этого модуля возможен, в том числе вплоть до замены микроконтроллеров — как основного, так и сигнального. Правда, при необходимости замены обоих, ремонт модуля, как правило, не целесообразен.
Устройство и принцип работы: описание
Блок управления стиральной машиной — одна из наиболее важных и дорогостоящих деталей в системе. В большинстве случаев является универсальным для всех типов устройств и представляет собой набор печатных плат с электронными компонентами. Первая микросхема отвечает за подачу команд исполнительным узлам машины, а вторая осуществляет управление режимами стирки.
Основной функционал:
- контроль давления воды;
- запуск насосов;
- блокировка дверцы;
- контроль температуры воды;
- регулирование работы электродвигателя;
- регулирование программ стирки.
Реле, симисторы и тиристоры с помощью сигналов от вспомогательных датчиков коммутируют электрический импульс в зависимости от программы стирки, которую вы выбираете кнопками и рычажками на передней панели. Все переключатели находятся на плате индикации и связаны с контроллером через провода. Благодаря блоку управления можно выбирать режимы стирки, выполнять конкретные операции (например, только отжим или слив воды) и следить за ходом процесса.
Arcadia
Платформа Аркадия — это принципиально новая линейка электронных модулей, которая массово стала устанавливаться в стиральных машинах с 2007 года. Выпущено сотни моделей стиральных машин на этой электронной платформе. Этот электронный модуль полностью построен на смд компонентах, что значительно снижает его габаритные размеры, повышает устойчивость к вибрации, но значительно усложняет диагностику электронного модуля и ремонт стиральной машины. Впрочем, надежность этого модуля достаточно высока, и в большинстве случаев его приходится ремонтировать по причине воздействия различных внешних факторов. Некоторые электронные компоненты, применяемые в модуле Аркадия, не маркированы, что создает дополнительные сложности при его ремонте, впрочем для тех кто занимается этим не первый день, это не является большой проблемой. Компоновка модуля выполнена в виде основной платы и двух субмодулей — питания и процессорного. В этой платформе применяется микроконтроллер MC9S08GB60A семейства HCS08 фирмы Motorola. Возможна его замена и смена ПО. Это позволяет вернуть к жизни более 90% модулей при различных неисправностях электроники.
Существует несколько разновидностей данного модуля.
- Модуль ARCADIA 8WAYS C00252878. Отличается количеством контактов в разъеме J005 (8 шт) и версией ПО микроконтроллера SW 01.03.09, что указана на наклейке крышки модуля.
- Модуль ARCADIA BP PTC 9WAYS C00270972. В разъеме J005 у него 9 контактов, версия программного обеспечения (ПО) SW 01.04.03. Также этот модуль может встречаться с другими партномерами, которые зависят от применяемого ПО. Версии SW этих модулей лежат в диапазоне 01.04.ХХ — 16.00.ХХ
- Также встречается разновидность модуля ARCADIA 9WAYS C00271127 для работы с быстрым замком
Подробнее о платформе Аркадия и Аркадия-2 можно почитать здесь
Автоматическое тестирование машины
Большинство автоматических стиральных машин производства известных производителей имеют функцию проверки работоспособности – автотест. Эта процедура позволяет получить точные данные о системе и, исходя из полученного результата, принимать решение о необходимости ремонта.

Процедура запуска программы автоматического тестирования зависит от конкретной модели. Стоит внимательно изучить инструкцию, там обязательно будет указана последовательность действий. Для примера, автотест стиральной машины Ardo запускается следующим образом:
- стрелка программатора поворачивается и устанавливается вертикально вниз,
- выставляется нулевая температура,
- зажимаются все кнопки панели управления.
Важно не забывать о том, что во время тестирования в барабане должно быть пусто, до начала теста надо убрать белье, при необходимости вычерпать и вымокать тряпкой воду. Результатом работы программы автоматического тестирования будет код ошибки, который однозначно укажет на причину поломки
Правда, в случае неисправности платы модуля управления автотест далеко не всегда сможет корректно отработать, что также можно считать косвенным подтверждением выхода платы из строя
Результатом работы программы автоматического тестирования будет код ошибки, который однозначно укажет на причину поломки. Правда, в случае неисправности платы модуля управления автотест далеко не всегда сможет корректно отработать, что также можно считать косвенным подтверждением выхода платы из строя.





























