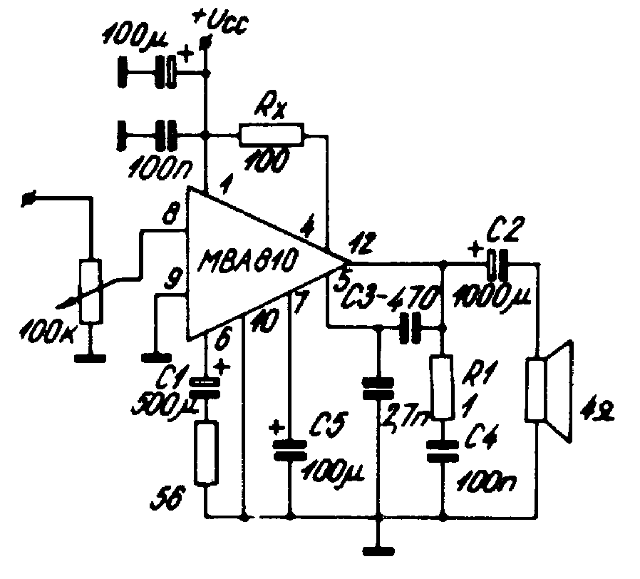
УМЗЧ с малыми искажениями на ИС К174УН7
Усилители мощности, построенные на основе ИС К174УН имеют сравнительно высокий (до 10% при выходной мощности 4,5 Вт) коэффициент гармоник. В разное время радиолюбителями предлагались схемные решения, позволяющие снизить искажения до 1…2%, однако этого недостаточно для высококачественных усилителей ЗЧ.
![]()
Рис. 3. Схема УМЗЧ с малыми искажениями на ИС К174УН7.
Снижение искажений достугнуто введением дополнительного усилительного каскада и цепи ООС. Напряжение ООС снимается с делителя, образованного резистором R10 (нижнее плечо) и резистором сопротивлением 4…6 кОм (верхнее плечо), находящимся внутри ИС и включенным между выводами 6 и 12.
Дополнительный усилительный каскад позволяет снизить искажения, вносимые ИС, поскольку дает возможность увеличить глубину ООС, повысив сопротивление резистора R10.
Неизбежное снижение коэффициента усиления ИС компенсируется дополнительным каскадом усиления на транзисторе. При указанных на схеме номиналах элементов коэффициент усиления микросхемы DA1 составляет 4…6, а каскада на транзисторе VT1 — 10…12. Резистором R3 устанавливают симметричное ограничение полуволн сигнала при изменении напряжения питания в пределах 5…15 В.
Сборка усилителя
Схема проверенная и рабочая. Это простой моно усилитель, собран на микросхеме К174УН7. На эту микросхему необходим радиатор. Аналогами микросхемы являются TBA810AS и LA4420. Печатную плату можно сделать с помощью перекиси, этот метод очень доступен. Только для этой платы нужно 200 мл перекиси. Красная линия на печатной плате это ее граница, ее перед травлением нужно стереть. Плату можно питать от аккумуляторов, даже от 4 вольт. Еще в схеме еще регулировка звука с помощью переменного резистора на 40 кОм.

Проверить работу схемы просто. После подключения питания можно дотронуться пальцем до джека (вход усилителя). В динамике (выход усилителя) будет слышен резкий треск с фоновым шумом.
Пайку лучше начинать с проводов и мелких компонентов, например керамических конденсаторов или резисторов.
Микросхему нужно установить на радиатор и припаивать к плате последней.
Время пайки одного вывода за одно прикосновение паяльника не больше пары секунд, затем перерыв.

Если вывод плохо запаялся, подождите пока он остынет, снова нанесите флюс и паяйте. Радиатор немного экранирует тепло, но чтобы перестраховаться, пайка одного контакта не должна быть слишком долгой.

Усилитель звука на К174УН7
Интегральный усилитель к174ун7 отечественного производства имел широкий диапазон применения в советском и постсоветском пространстве. Микросхема применялась в усилителях низкой частоты (УНЧ) телевизоров, радиоприемников, магнитофонов. Кроме того, данный усилитель звука являлся одним из самых популярных среди радиолюбителей, за счёт простоты сборки.
Усилитель к174ун7 и в настоящее время присутствует на прилавках магазинов электронных компонентов. Люди чинят старые радиоприемники, магнитофоны, а некоторые просто повторяют сборку электронных схем взятых из старых журналов. Совсем недавно, а именно 20.06.2017 я без труда купил в одном из магазинов г.Иркутска микросхему к174ун7 за 20 рублей.
Я сильно и не нуждался в этом компоненте, мне не нужно было что-либо ремонтировать или собирать, тут имел место интерес. Как и многим любителям, мне было интересно повторить сборку простого усилителя НЧ на к174ун7, а также послушать, как она звучит.
Основные технические характеристики к174ун7
— номинальное напряжение питания………………………15В
— максимальное напряжение входного сигнала…………30-70мВ
— напряжение выходного сигнала при Uпит=15В………2,6-5,5В
— ток покоя при Uпит=15В…………………………………..5-20мА
— выходная мощность при R=4Ома………………………..4,5Вт
— коэффициент гармоник при мощности 4,5Вт………..10%
— частота усиливаемого сигнала……………………………40-20000Гц
— коэффициент полезного действия (КПД)……………….50%
— предельно допустимое напряжение питания…………..16,6В
— предельно допустимая амплитуда входного сигнала…2В
— предельно допустимая температура кристалла………+85°С
Внешний вид микросхемы и номера выводов
а всякий случай приобрел себе пару «микрух».

Если посмотреть на исполнение корпуса, то в голову начинает пролазить мысль: “Как обеспечить теплоотвод?“. Действительно, если сравнивать с интегральными усилителями серии TDA, то последние несколько проще установить на радиатор, пластину, либо корпус усилителя.

Дам небольшой вам совет, не перегибайте уши микросхемы, они очень ломкие. Попытавшись перегнать ушки, я их отломил на двух экземплярах и посчитал, что будет надежнее закрепить радиатор за саму плату, а охлаждение будет происходить за счёт соприкасающихся поверхностей микросхемы и радиатора, через теплопроводную пасту. Если у кого есть родной радиатор, тогда задача упрощается.

Усилитель к174ун7 схема принципиальная электрическая

Элементы схемы
| ОБОЗНАЧЕНИЕ | ТИП | НОМИНАЛ | КОЛИЧЕСТВО |
| С1 | Электролит | 4,7мкФ 16В | 1 |
| С2,С8 | Электролит | 100мкФ 16В | 2 |
| С3 | Электролит | 470мкФ 16В | 1 |
| С4 | Керамика | 510пФ | 1 |
| С5 | Керамика | 4700пФ | 1 |
| С6,С10 | Керамика | 100нФ | 2 |
| С7,С9 | Электролит | 1000мкФ 16В | 2 |
| R1 | Резистор | 100кОм 0,25Вт | 1 |
| R2 | Резистор | 2кОм 0,25Вт | 1 |
| R3 | Резистор | 56 Ом 0,25Вт | 1 |
| R4 | Резистор | 1 Ом 0,25Вт | 1 |
| R5 | Резистор | 100 Ом 0,25Вт | 1 |
| Микросхема | К174УН7 | 1 |
Если использовать напряжение питания +12В, то можно ставить электролитические конденсаторы рассчитанные на напряжение 16В. Если напряжение питания будет 15В, то соответственно электролиты необходимо ставить на 25В.
Аналоги к174ун7
Аналогами являются микросхемы TBA810 и A210.
Дополнительная информация
При изготовлении печатной платы методом ЛУТ, зеркалить изображение не нужно, печатаем как есть и переводом на фольгу.
Схема после сборки и смывки флюса запускается без каких-либо проблем. Источником питания у меня послужил импульсный блок питания на 12В.
Используемый радиатор и метод его крепления, изображенные на фото, обеспечивают надежное охлаждение микросхемы.
Печатная плата
Список элементов
Структурная схема микросхемы TDA1557Q
Монтаж усилителя на TDA 1558Q
Если сборку можно производить навесным монтажом без применения печатной платы, то сначала у микросхемы надо удалить не используемые выводы 4, 9 и 15. Потом аккуратно распрямите выводы. Далее отогните выводы 5, 13 и 14 вверх, все эти выводы подключаются к плюсу питания. Следующим шагом отогните выводы 3, 7 и 11 вниз – это минус питания, или «земля». После этих манипуляций прикрутите микросхему к теплоотводу, используя теплопроводную пасту. На рисунках виден монтаж с разных ракурсов, но я всё же поясню. Выводы 1 и 2 спаиваются вместе – это вход правого канала, к ним надо припаять конденсатор 0.33 мкФ. Точно так же надо поступить с выводами 16 и 17. Общий провод для входа это минус питания или «земля».
К выводам 5, 13 и 14 припаяйте провод плюса питания. Этот же провод припаивается к плюсу конденсатора 6800 мкФ. Отогнутые вниз выводы 3, 7 и 11 так же спаиваются вместе проводом, и этот провод припаивается к минусу конденсатора 6800 мкФ. Далее от конденсатора провода идут к источнику питания.
Выводы 6 и 8 – это выход правого канала, 6 вывод припаивается к плюсу динамика, а вывод 8 к минусу.
Выводы 10 и 12 – это выход левого канала, вывод 10 припаивается к плюсу динамика, а вывод 12 к минусу.
Конденсатор 0.22 мкФ надо припаять параллельно выводам конденсатора 6800 мкФ.
Варианты собранных усилителей
Микросхемы имеют довольно высокую выходную мощность (около 22Вт х 2) и для её охлаждения понадобится радиатор, площадью не менее 100кв см. Можно применить радиатор от процессора.
Прежде чем подавать питание, внимательно проверьте правильность монтажа.
На входе усилителя надо поставить сдвоенный переменный резистор 47-100 кОм для регулировки громкости.
Вышеизложенные схемы для начинающих радиолюбителей, вполне лёгкие в сборке и не нуждаются в настройке. Собраны на дешёвых деталях, которые можно купить в любом радиомагазине. Детали можно также найти в автомагнитолах.
- Доработка усилителя «Радиотехника У-101-стерео»
У многих со времен СССР остались усилители мощности «Радиотехника У-101-стерео». В статье, ниже рассмотрены его схема, характеристики и доработки.
МЗЧ с малыми нелинейными искажениями
Основные технические характеристики:
- Номинальная выходная мощность на нагрузке 8 Ом, Вт … 25
- Коэффициент гармоник, %, не более ……………….. 0,003
- Скорость нарастания выходного напряжения , В/мкс …. не менее 40
- Номинальное входное напряжение, В ……………….. 0,7 Подробнее…
Активная акустическая система.
Всем хороши минимузыкальные центры, и широкий набор функциональных возможностей, и неплохие характеристики, мало места занимают в квартире. Одно плохо, — выходная мощность невысокая, обычно не более 5-10W. Конечно, можно купить более мощный аппарат, но музыкальный центр с выходной мощностью около 100W стоит на порядок дороже. А это существенно для кармана многих наших граждан. Подробнее…
Аннтенные усилители — SWA
В публикуемой здесь статье наш постоянный автор анализирует схемотехнику антенных усилителей польского производства и обосновывает свой осознанный подход к их выбору с точки зрения коэффициентов шума и усиления.
Он также дает рекомендации по ремонту таких устройств, довольно часто выходящих из строя от грозовых разрядов, и устранению самовозбуждения.
Это позволит, надеемся, многим радиолюбителям не только выбрать необходимый усилитель, но и улучшить его работу. Подробнее…
Популярность: 55 904 просм.
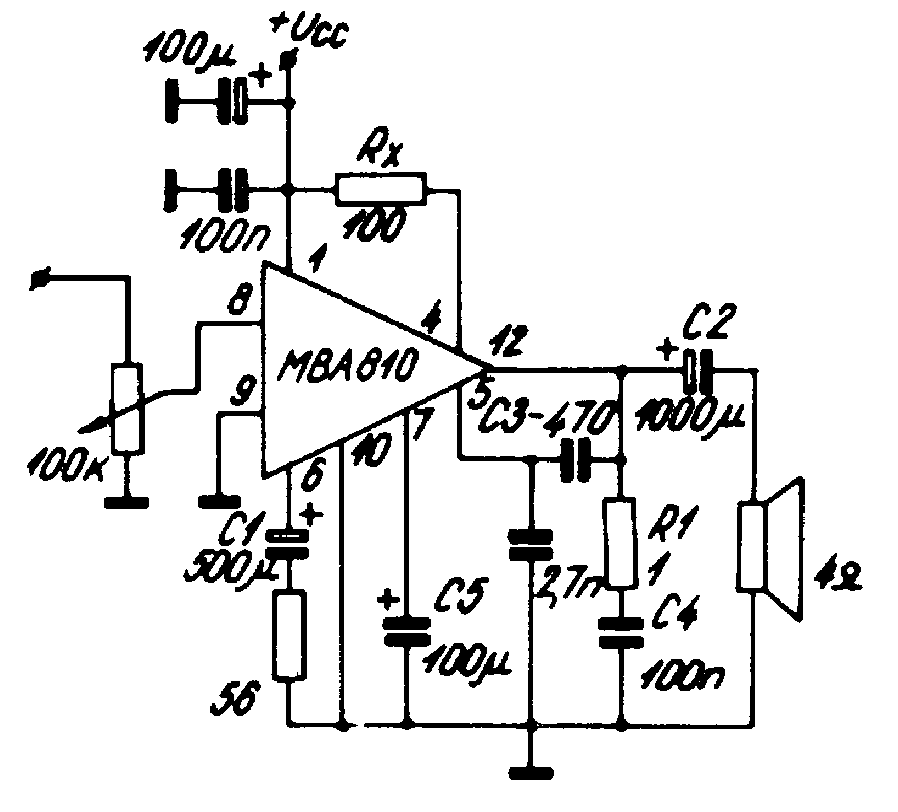
Типовое включение ИС К174УН7
![]()
Рис. 1. Схема усилителя звука на основе микросхемы К174УН7.
Эта микросхема получили широкое распостранение во многих радиолюбительских и промышленных конструкциях. Схемы на еге основе отличаются простотой, дешевизной и надежностью.
Несмотря на невысокие электрические параметры и качественные показатели, в большинстве случаев этого бывает достаточно, особенно для малогабаритной и бытовой аппаратуры.
Усилитель, описанный ниже, имеет выходную мощность 4 Вт при напряжении питания 15 В и сопротивлении нагрузки 4 Ом. Входное сопротивление 80 кОм, ток потребления до 500 мА. Чувствительность усилителя около 100 мВ.
Микросхему К174УН7 во всех случаях можно заменить на А210К, МВА810Б.
Презентация на тему: » УСИЛИТЕЛЬ НИЗКОЙ ЧАСТОТЫ НА МИКРОСХЕМЕ НА МИКРОСХЕМЕ К174УН7.» — Транскрипт:
1
УСИЛИТЕЛЬ НИЗКОЙ ЧАСТОТЫ НА МИКРОСХЕМЕ НА МИКРОСХЕМЕ К174УН7
2
ЦЕЛИ РАБОТЫ Собрать усилитель на микросхеме К174УН7 Провести исследование УХЧ Добиться максимально громкого воспроизведения звука
3
О МИКРОСХЕМЕ Микросхема представляет собой усилитель мощности звуковой частоты с номинальной выходной мощность 4,5 Вт на нагрузку 4 Ом. Микросхема предназначена для применения в телевизионной аппаратуре. Содержит 41 интегральный элемент. Конструктивно оформлена в корпусе типа Масса не более 2,0
4
КОРПУС ИМС 1 — питание +U и.п. ; 4 — цепь обратной связи для регулировки К у.u ; 5 — коррекция; 6 — обратная связь; 7 — фильтр; 8 — вход; 9 — общий — U и.п эмиттер выходного транзистора; 12 — выход;
5
ПРИНЦИПИАЛЬНАЯ СХЕМА УСИЛИТЕЛЯ
6
ПРИНЦИПИАЛЬНАЯ СХЕМА ИМС К174УН7
7
ТИПОВАЯ СХЕМА ВКЛЮЧЕНИЯ ИМС К174УН4
8
ЭЛЕКТРИЧЕСКИЕ ПАРАМЕТРЫ Номинальное напряжение питания 15 В ± 10% 2 Выходное напряжение при U п = 15 В, f вх = 1 к Гц 2,6…5,5 В 3 Максимальное входное напряжение при U п = 15 В, U вых = 3,16 В, f вх = 1 к Гц, Р вых = 2,5 Вт 30…70 мВ 4 Ток потребления при U п = 15 В 5…20 мА 5 Выходная мощность при R н = 4 Ома 4,5 Вт 6 Коэффициент гармоник при U п = 15 В, f вх = 1 к Гц: U вых = 4,25 В, Р вых = 4,5 Вт U вых = 0,45 В, Р вых = 0,05 Вт U вых = 3,16 В, Р вых = 2,5 Вт > 10 % > 2 % > 2 % 7 Коэффициент усиления по напряжению при Т= -10…+55 ° С 45 8 Входное сопротивление при U п = 9 В, f вх = 1 к Гц 30 к Ом 9 Диапазон рабочих частот 40… Гц 10 Коэффициент полезного действия при P вых = 4,5 Вт 50 %
9
ПРЕДЕЛЬНО ДОПУСТИМЫЕ РЕЖИМЫ ЭКСПЛУАТАЦИИ 1 Напряжение питания 13,5…16,5 В 2 Амплитуда входного напряжения > 2,0В 3 Постоянное напряжение: на выводе 7 на выводе 8 > 15 В 0,3…2,0 В 4 Сопротивление нагрузки 4 Ом 5 Тепловое сопротивление: кристалл-корпус кристалл-среда 20 ° С/Вт 100 ° С/Вт 6 Температура окружающей среды -10…+55 ° С 7 Температура кристалла + 85 ° С
10
ОБЩИЕ РЕКОМЕНДАЦИИ ПО ПРИМЕНЕНИЮ Не допускается эксплуатация микросхемы без дополнительного теплоотвода при мощности в нагрузке более 0,27 Вт. При температуре корпуса выше 60 ° С максимальная рассеиваемая мощность рассчитывается по формуле Р=(150-Т корп )/20, Вт (с теплоотводом), где Т корп — температура на поверхности теплоотвода у основания пластмассового корпуса микросхемы. Допускается кратковременное (в течении 3 мин) увеличение напряжения питания до 18 В. Подача постоянного напряжения от внешнего источника на выводы 5, 6 и 12 микросхемы недопустима. Выходное сопротивление источника питания должно быть не более 0,05 Ом.
Типовое включение ИС К174УН7
![]()
Рис. 1. Схема усилителя звука на основе микросхемы К174УН7.
Эта микросхема получили широкое распостранение во многих радиолюбительских и промышленных конструкциях. Схемы на еге основе отличаются простотой, дешевизной и надежностью.
Несмотря на невысокие электрические параметры и качественные показатели, в большинстве случаев этого бывает достаточно, особенно для малогабаритной и бытовой аппаратуры.
Усилитель, описанный ниже, имеет выходную мощность 4 Вт при напряжении питания 15 В и сопротивлении нагрузки 4 Ом. Входное сопротивление 80 кОм, ток потребления до 500 мА. Чувствительность усилителя около 100 мВ.
Микросхему К174УН7 во всех случаях можно заменить на А210К, МВА810Б.
DataSheet
| Типовая схема включения ИМС К174УН7 в качестве усилителя мощности. При нагрузках 8 или 16 Ом емкость конденсатора должна быть 500 или 100…200 мкФ соответственно | Корпус типа 201.12-1 |
| Электрическая схема включения | Типовая схема включения микросхемы К174УН7 |
| Принципиальная схема мостового усилителя мощности низкой частоты на двух микросхемах К174УН7 (21) | Принципиальная схема генератора стирания и подмагничивания для магнитофона на микросхеме К174УН7 (21) |
Описание Микросхема представляет собой усилитель мощности звуковой частоты с выходной мощностью 4,5 Вт. Предназначена для работы в телевизионной аппаратуре. Содержит 41 интегральный элемент. Корпус типа 201.12-1, масса не более 2 г (ТУ 1986 г.).
Назначение выводов: 1 — напряжение питания (+Uп); 6 — цепь обратной связи для регулировки Ку,U; 7 — коррекция; 8 — обратная связь; 9 — фильтр; 10 — вход; 11, 14 — напряжение питания (—Uп); 16 — выход.
Общие рекомендации по применению
При монтаже микросхемы необходимо предусматривать наименьшую длину соединений между выводами и навесными элементами для уменьшения влияния паразитных связей. Температура пайки при монтаже микросхемы 235±5 °С, расстояние от основания корпуса до места пайки не менее 1,5 мм, продолжительность пайки не более 6 с. При проведении монтажных операций допускается не более двух перепаек выводов микросхемы. Допускается использовать микросхему с нагрузкой не менее 4 Ом. При увеличении сопротивления нагрузки выходная мощность уменьшается. Допускается использовать микросхему при напряжении питания менее 15 В; при этом выходная мощность снижается. Не допускается эксплуатация микросхемы без дополнительного теплоотвода при мощности в нагрузке более 0,27 Вт. При температуре корпуса выше 60 °С максимальная рассеиваемая мощность рассчитывается по формуле Р = ( 150-Ткорп)/20, Вт (с теплоотводом), где Ткорп — температура на поверхности теплоотвода у основания пластмассового корпуса микросхемы. Допускается кратковременное (в течение 3 мин) увеличение напряжения питания до 18 В. Подача постоянного напряжения от внешнего источника на выводы 5 ,6 и 12 микросхемы недопустима. Допустимое значение статического потенциала 500 В. Выходное сопротивление источника питания должно быть не более 0,05 Ом.
| Электрические параметры | |||
| Параметры | Условия | К174УН7 | Ед. изм. |
| Номинальное напряжение питания | — | 15±10% | В |
| Выходное напряжение | при Uп = 15 В, fвх = 1 кГц | 2,6…5,5 | В |
| Максимальное входное напряжение | при Uп = 15 В, Uвых = 3,16 В, fвх = 1 кГц, Pвых = 2,5 Вт | 30…70 | мВ |
| Ток потребления | при Uп = 15 В | ≤5…20 | мА |
| Выходная мощность | при Rн = 4 Ом | 4,5 | Вт |
| Коэффициент гармоник | при Uп = 15 В, Uвых = 4,25 В, fвх = 1 кГц, Pвых = 4,5 Вт | ≤10 | % |
| при Uп = 15 В, Uвых = 0,45 В, fвх = 1 кГц, Pвых = 0,05 Вт | ≤2 | ||
| при Uп = 15 В, Uвых = 3,16 В, fвх = 1 кГц, Pвых = 2,5 Вт | ≤2 | ||
| Коэффициент усиления по напряжению | при Т = -10…+55 °С | ≥45 | — |
| Диапазон рабочих частот | — | 40…20×103 | Гц |
| Значение КПД | при Pвых = 4,5 Вт | ≥50 | % |
| Входное сопротивление | — | ≥30 | кОм |
| Предельно допустимые режимы эксплуатации | |||
| Параметры | Условия | К174УН7 | Ед.изм. |
| Напряжение питания | — | 13,5…16,5 | В |
| Амплитуда входного напряжения | — | ≤2 | В |
| Постоянное напряжение | на выводе 7 | ≤15 | В |
| на выводе 8 | 0,3…2 | ||
| Сопротивление нагрузки | — | ≥4 | Ом |
| Тепловое сопротивление | переход—среда | 100 | °С/Вт |
| переход—корпус | 20 | ||
| Температура корпуса | — | 85 | °С |
| Температура окружающей среды | — | -10…+55 | °С |
| Зависимость выходного напряжения от напряжения питания при Rн = 4 Ом, Kr = 10%, Т = +25 °С. Заштрихована область разброса значений параметров для 95 % микросхем. Сплошной линией показана типовая зависимость | Амплитудно-частотная характеристика |
| Зависимость коэффициента гармоник от выходной мощности | Зависимость коэффициента гармоник от частоты |
| Зависимость выходной мощности от напряжения питания при Rн = 4 Ом, Kr = 10%, Т = +25 °С. Заштрихована область разброса значений параметров для 95 % микросхем. Сплошной линией показана типовая зависимость |
Если вы нашли ошибку, пожалуйста, выделите фрагмент текста и нажмите Ctrl+Enter.


























