БЛОК ПИТАНИЯ ЛАМПОВОГО УСИЛИТЕЛЯ
Ничто так не выдаёт консерватизм, чем изготовление ламповых усилителей звука. А может это просто признак особого изысканного вкуса настоящих аудиофилов? В любом случае собрать такой УНЧ представляется прикольным и теоретически выгодным занятием. Как знать, сколько подобный шедевр будет стоить спустя 20 лет. Тут один только внешний вид лампового усилителя уже делает достойной установку его на самом видном месте кабинета. А звук.. Ну это каждый решит после прослушки для себя сам. В общем приступая к сборке самого усилителя, вначале продумайте сам блок питания. Это вам не 12В взятые из БП ATX. Здесь должны присутствовать минимум два напряжения разной величины и мощности. Напряжение накала берётся в пределах 5,5 — 6,5В и чаще всего подаётся на схемы переменным, сразу с обмоток трансформатора, а питание анодов достигает 300 и даже 500В. При уже постоянной форме тока.
Несмотря на то, что в последнее время наметилась стойкая тенденция к импульсным источникам питания всего и вся, рекомендую всё-же забыть на время про электронные трансформаторы и задействовать старый добрый ТС180 (ТС160) от любого чёрно-белого лампового телевизора. Тому есть две причины. Во-первых обычный трансформатор прощает невнимательность монтажа и не взорвётся, как электронный, при случайных боках и замыканиях, а во-вторых цена ЭТ может быть весьма и ввесьма, в отличии от обычных ТС, коих у многих хватает в закромах. Представляется правильным собрать один универсальный блок питания с анодным и накальным напряжением, и питать от него или один конкретный ламповый усилитель (спрятав сам БП подальше), или собирая другие ламповые схемы переключать его при необходимости на них. На каждый ламповый УНЧ блоков питания не напасёшся:)
Смотрим схему простого блока питания лампового усилителя:
По питанию 220В ставим модный пластмассовый тумблер 250В 5А с зелёной подсветкой. Не забываем про предохранители — один на пару ампер по сети, второй трёхамперник по накалу, и третий по высоковольтному напряжению анода. В отличии от электронных трансформаторов, где предохранители сгорают последними, здесь они выполнят свою миссию, так как даже и без них блок питания выдержит кратковременные замыкания выходов. За что я и уважаю трансы в железе. Диоды для двухполупериодных мостов или собираем из советских КД202 с нужной буквой, или берём готовый диодный мост на подходящее напряжение и ток. Если у вас усилитель на пару ламп типа 6П14П с небольшой мощностью выхода, диодный мост выпрямителя пойдёт и советский коричневый КЦ405 или КЦ402. Накал выпрямлять следует только для входных ламп первого одного — двух каскадов. Дальше влияние постоянного накала сводится к нулю и это будет только расход тепла на диодах.
Можно питать накал от моста с конденсатором 4700 — 10000мкФ, а можно и КРЕН5 поставить. и не стремитесь на входные лампы подавать строго 6,3В — лучше питать их немного заниженным напряжением вплоть до 5В. Так что обычная пятивольтовая КРЕНка и всё будет ОК. Обязательно советую поставить пару светодиодов — индикаторов напряжения анода и накала. Во-первых красиво, а во-вторых информативно, сразу видны возможные проблемы с питанием.
Корпус лучше делать делезный, точнее из листового алюминия — он обрабатывается очень удобно. Или просто взять готовый подходящих размеров, где просверлить гнёзда под кнопку сети, светодиоды и разъёмы. Сеть тоже вводите в корпус не просто через дырку, а подключив штеккером к специальному сетевому гнезду. Лично я делаю только так на всех конструкциях — это удобно.
Конденсаторы фильтров анода берём чем больше — тем лучше. Минимум два по 300 микрофарад. Напряжение на них должно быть на 100В выше, чем напряжение на выходе БП. Если у вас схема рассчитана на 250В, то берём конденсатор на 350. Конечно я это правило выполняю далеко не всегда, а бывает вообще ставлю один к одному, но вы так не делайте и в этом с меня пример не берите. Резистор на 47 Ом 5 ватт уточняем по конкретной схеме лампового усилителя. Для простого однотактного его хватит, а для мощного двухтактника надо вообще ставить дроссель. Выдиратся он из любого лампового телевизора и называется ДР-0,38. Трансформатор питания перед установкой в БП обязательно послушайте на предмт гудения и жужжания. А то купите, рассчитете и соберёте под него корпус, а он гудит громче вечернего Пинк Флойда. Будет большой облом. И напоследок порекомендую все диоды шунтировать конденсаторами на 0,01-0,1 мкФ с соответствующими напряжениеми.
Все вопросы — на форум по БП
USB зарядное Устройство для аккумулляторной батареи типоразмера 6F22
Рейтинг: / 5
- Подробности
 - Категория: Зарядные устройства
 - Опубликовано: 24.11.2018 18:01
 - Просмотров: 1682
 
И. НЕЧАЕВ, г.Москва Батареи типоразмера 6F22, как аккумуляторные, так и состоящие из гальванических элементов, пока ещё достаточно широко применяются для питания различной малогабаритной маломощной радиоаппаратуры. Если «свежей» батареи хватает ненадолго, предпочтительно применить аккумуляторный вариант, но тогда возникает проблема с его зарядкой. В настоящее время широко распространены сетевые (в основном зарядные устройства для сотовых телефонов) и автономные или аккумуляторные (power bank) источники питания с выходным напряжением 5 В и выходным USB-разъёмом. Поскольку у аккумуляторных батарей типоразмера 6F22 номинальное напряжение около 8,7 В, заряжать их от указанных выше источников питания без повышающего преобразователя напряжения невозможно. Предлагаемое устройство представляет собой такой преобразователь с контролем тока зарядки. Схема устройства показана на рис. 1.
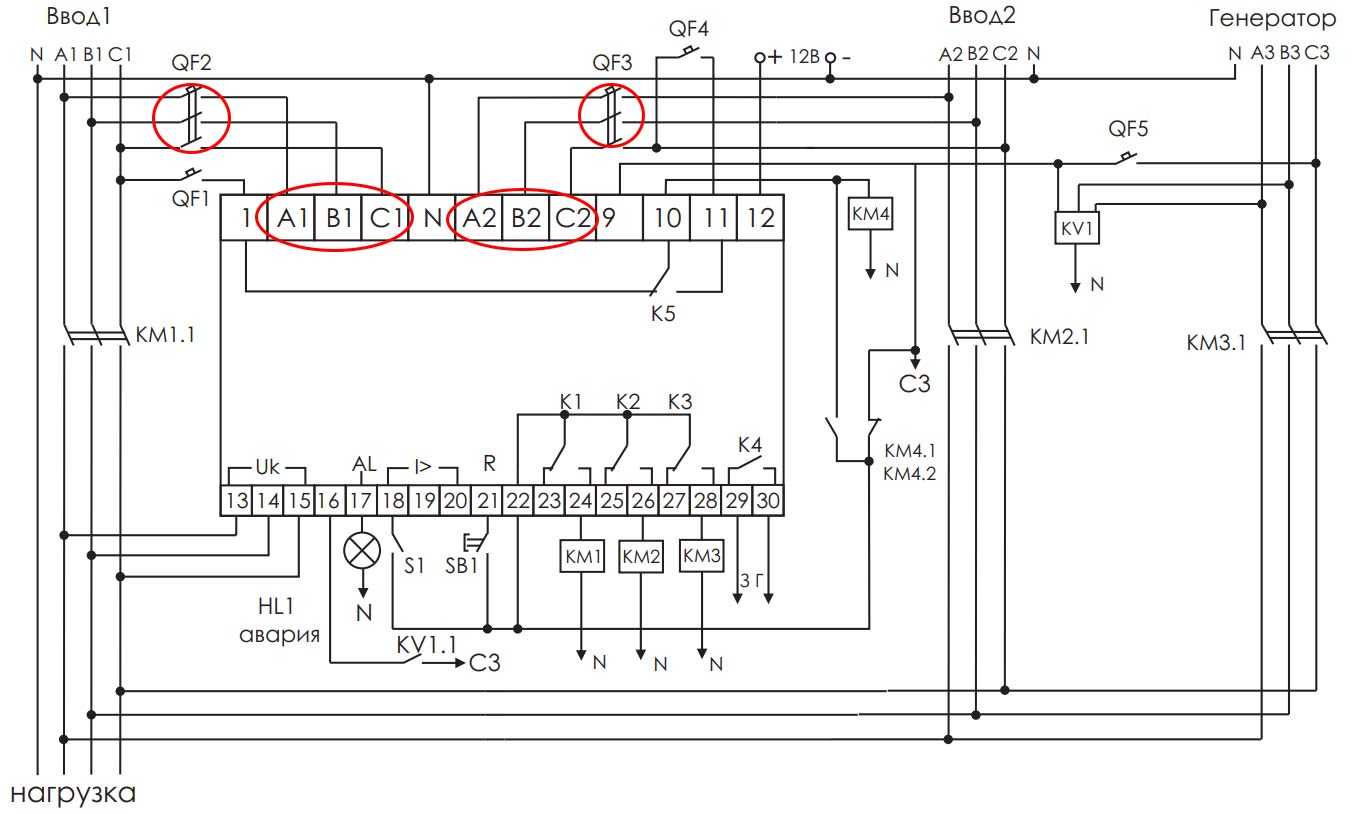
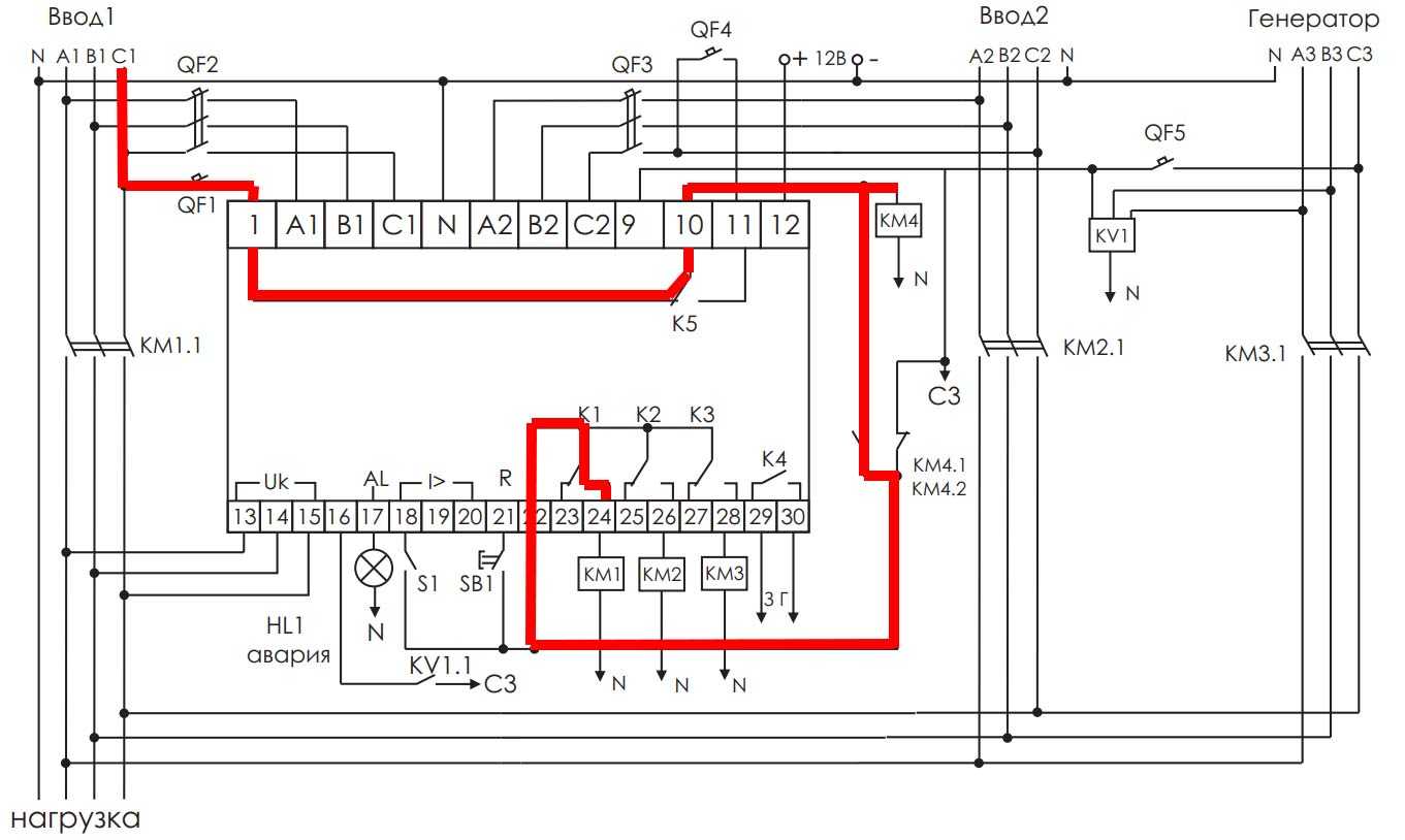
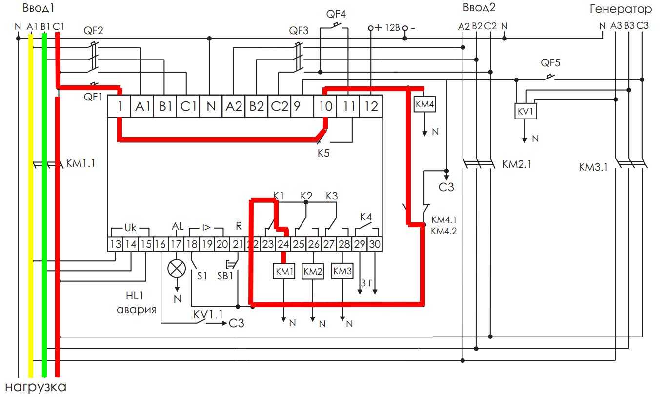
Ввод №1 и ввод №2 исправны
Первый ввод является основным, второй – резервным. Устройство посредством контактов А1,В1,С1 через защитный автомат QF2 следит за напряжением на вводе-1.
То же самое происходит по вводу-2, через контакты А2,В2,С2.
Так как на всех этих контактах все в норме, AVR-02 должен подать напряжение на катушку КМ. Как это происходит?
Контакт 1 и 11 формируют сигнал управления посредством реле К5. Данное реле К5, если уровень напряжения нормален на обоих вводах, должно включить ввод№1.
То есть находится в том положении, как на изначальной схеме. Напряжение через него попадает на 10 контакт и идет до катушки КМ4. Это промежуточное реле. Его контакты обозначены КМ4.1 и КМ4.2
Реле срабатывает, замыкая свои контакты и напряжение через них попадает на 22-й контакт. Далее AVR включает реле К1. Через него и контакт №24 фаза достигает катушки включения КМ1. При этом другие реле К2,К3,К4 остаются разомкнутыми.
Как правильно заряжать литиевые аккумуляторы
Существует несколько схем зарядки литиевых аккумуляторов. Чаще используется двухэтапная зарядка, разработанная компанией SONY. Не применяются устройства с применением импульсного заряда и ступенчатой зарядки, как для кислотных АКБ.
Зарядка любых разновидностей ионно-литиевых или литий-полимерных аккумуляторов требует строгое соблюдение напряжения. На одном элементе заряженного литиевого аккумулятора должно быть не больше 4,2 В. Номинальным напряжением для них считается 3,7 В.
Литиевые аккумуляторы можно ли заряжать быстро, не полностью? Да. Их всегда можно дозарядить. Работа батареи на 40-80 % емкости удлинняет АКБ срок годности.
Двухступенчатая схема зарядки батареи литиевых аккумуляторов
Принцип схемы CC/CV – постоянная сила зарядного тока/ постоянное напряжение. Как зарядить по этой схеме литиевый аккумулятор?
На схеме до 1 этапа зарядки изображен предэтап, для восстановления глубоко севшего литиевого аккумулятора, с напряжением на клеммах не менее 2,0 В. Первый этап должен восстановить 70-80 % емкости. Ток зарядки выбирают 0,2-0,5 С. Ускоренно заряжать можно, током 0,5-1,0 С. (С – емкость литиевых аккумуляторов, цифровое значение). Каким должно быть напряжение зарядки на первом этапе? Стабильным, 5 В. Когда достигнуто напряжение на клеммах аккумулятора 4,2 – это сигнал перехода на второй этап.
Теперь ЗУ поддерживает стабильное напряжение на клеммах, а зарядный ток по мере поднятия емкости снижается. При уменьшении его значения до 0,05-0,01 С зарядка закончится, устройство отключится, не допуская перезарядки. Общее время восстановления емкости для литиевого аккумулятора не превышает 3 часов.
Если литий-ионная батарея разряжена глубже 3,0 В, потребуется провести «толчок». Это заключается в зарядке малым током до тех пор, пока на клеммах не будет 3,1 В. Потом используется обычная схема.
Как контролируют параметры зарядки
Так как литиевые аккумуляторы работают в узком диапазоне изменения напряжения на клеммах, их нельзя перезаряжать выше 4,2 В и допускать разрядку ниже 3 В. Контроллер заряда установлен в ЗУ. Но каждый аккумулятор или батарея имеют собственные прерыватели, РСВ плату или РСМ модули защиты. В аккумуляторах установлена именно защита от того или иного фактора. В случае нарушения параметра, она должна отключить банку, разорвать цепь.
Контроллер – устройство, которое должно реализовать функции управления – переводить режимы CC/CV, контролировать количество энергии в банках, отключать зарядку. При этом сборка работает, нагревается.
Самодельные схемы зарядки, применяемые для литиевых аккумуляторов
- LM317 – схема простого зарядного устройства с индикатором заряда. От USB порта не запитывается.
 - MAX1555, MAX1551- специально для Li Аккумуляторов, устанавливаются в адаптер питания от телефона в USB. Есть функция предварительного заряда.
 - LP2951- стабилизатор ограничивает ток, формирует стабильное напряжение 4,08-4,26В.
 - MCP73831- одна из простейших схем, подходит для зарядки ионных и полимерных устройств.
 
Если батарея состоит из нескольких банок, разряжаются они не всегда равномерно. При зарядке необходим балансир, распределяющий заряд и обеспечивающий равномерный заряд всех банок в батарее. Балансир может быть отдельным или встроенным в схему подключения АКБ. Устройство защиты батареи называется BMS. Зная как заряжать приборы, разбираясь в схемах, можно своими руками собрать схему защитного устройства для литиевого аккумулятора.
Блок питания
Если к блоку питания не предъявлять жестких требований по стабильности напряжения и уровню пульсаций, что характеризует, в частности, описанный выше усилитель мощности, то в качестве источника питания можно использовать обычный двухполярный блок питания, принципиальная схема которого показана на рис. 3.
Рис. 3. Принципиальная схема Стабилизированного двуполярного блока питания для УМЗЧ на +- 44В.
Мощные составные транзисторы VT7 и VT8, включенные по схеме эмиттерных повторителей, обеспечивают достаточно хорошую фильтрацию пульсаций напряжения питания с частотой сети и стабилизацию выходного напряжения благодаря установленным в цепи стабилитронов VD5. VD10.
Элементы L1, L2, R16, R17, С11, С12 устраняют возможность возникновения высокочастотной генерации, склонность к которой объясняется большим коэффициентом усиления по току составных транзисторов.
Величина переменного напряжения, поступающего от сетевого трансформатора, выбрана такой, чтобы при максимальной выходной мощности УМЗЧ (что соответствует току в нагрузке 4 А) напряжение на конденсаторах фильтра С1. С8 снижалось примерно до 46. 45 В. В этом случае падение напряжения на транзисторах VT7, VT8 не будет превышать 4 В, а рассеиваемая мощность транзисторами составит 16 Вт.
При уменьшении мощности, потребляемой от источника питания, увеличивается падение напряжения на транзисторах VT7, VT8, но рассеиваемая на них мощность остается постоянной из-за уменьшения потребляемого тока. Блок питания работает как стабилизатор напряжения при малых и средних токах нагрузки, а при максимальном токе – как транзисторный фильтр.
В таком режиме его выходное напряжение может снижаться до 42. 41 В, уровень пульсаций на выходе достигнет значения 200 мВ, КПД равен 90%. Как показало макетирование, плавкие предохранители не могут защитить усилитель и блок питания от перегрузок по току из-за своей инерционности.
По этой причине было применено устройство быстродействующей защиты от короткого замыкания и превышения допустимого тока нагрузки, собранное на транзисторах VT1. VT6.
Причем функции защиты при перегрузках положительной полярности выполняют транзисторы VT1, VT2, VT5, резисторы R1, R3, R5, R7. R9, R13 и конденсатор С9, а отрицательной – транзисторы VT4, VТЗ, VТ6, резисторы R2, R4, R6, R10. R12, R14 и конденсатор С10.
Рассмотрим работу устройства при перегрузках положительной полярности. В исходном состоянии при номинальной нагрузке все транзисторы устройства защиты закрыты. При увеличении тока нагрузки начинает расти падение напряжения на резисторе R7, и, если оно превысит допустимое значение, начинает открываться транзистор VТ1, а вслед за ним и транзисторы VТ2 и VТ5.
Последние уменьшают напряжение на базе регулирующего транзистора VТ7, а значит, и напряжение на выходе блока питания. При этом за счет положительной обратной связи, обеспечиваемой резистором R13, уменьшение напряжения на выходе блока питания приводит к ускорению дальнейшего открывания транзисторов VТ1, VТ2, VТ5 и быстрому закрыванию транзистора VТ7.
Если сопротивление резистора положительной обратной связи R13 мало, то после срабатывания устройства защиты напряжение на выходе блока питания не восстанавливается даже после отключения нагрузки.
В этом режиме необходимо было бы предусмотреть кнопку запуска, отключающую, например, на короткое время резистор R13 после срабатывания защиты и в момент включения блока питания.
Однако, если сопротивление резистора R13 выбрать таким, чтобы при коротком замыкании нагрузки ток не был равен нулю, то напряжение на выходе блока питания будет восстанавливаться после срабатывания устройства защиты при уменьшении тока нагрузки до безопасной величины.
Практически сопротивление резистора R13 выбирается такой величины, при которой обеспечивается надежное включение блока питания при ограничении тока короткого замыкания значением 0,1 . 0,5 А. Ток срабатывания устройства защиты определяет резистор R7. Аналогично работает устройство защиты блока питания при перегрузках отрицательной полярности.
Мощный металлоискатель Pirat своими руками
Подобные металлоискатели можно купить примерно за 100-300 долларов. Цена на металлодетекторы сильно взаимосвязана с их глубиной обнаружения, далек не каждый металлоискатель может «видеть» монеты на глубине в 15 см. Помимо этого на стоимости металлодететкора еще сильно сказывается наличие распознавателя типа металлов ну и типа интерфейса, модные металлоискатели порой оснащают дисплеем для удобной работы.
В этой статье будет рассмотрен пример сборки своими руками мощного металлоискателя под названием Pirat. Прибор способен улавливать под землей монеты на глубине в 20 см. Что же касается крупных предметов, то здесь вполне реальна работа на глубине и во все 150 см.
Видео работы с металлоискателем:
Такое название этот металлоискатель получил из-за того, что он является импульсным, это обозначение двух первых его букв (PI-импульс). Ну а RA-T созвучно со словом radioskot — это название сайта разработчиков, где была и выложена самоделка. По словам автора, собирается Пират очень просто и быстро, для этого хватит даже начальных навыков в работе с электроникой.
Недостатком такого устройства является то, что оно не имеет дискриминатора, то есть не умеет распознавать цветные металлы. Так что поработать с ним на загрязненных различного рода металлами участках не получится.
Материалы и инструменты для сборки: — микросхема КР1006ВИ1 (или ее зарубежный аналог NE555) — на ней строится передающий узел; — транзистор IRF740; — микросхема К157УД2 и транзистор ВС547 (на них собирается приемный узел); — провод ПЭВ 0.5 (для наматывания катушки); — транзисторы типа NPN; — материалы для создания корпуса и так далее; — изолента; — паяльник, провода, прочий инструмент.
Остальные радиокомпоненты можно увидеть на схеме. Еще нужно найти подходящую пластиковую коробочку для монтажа электронной схемы. Еще будет нужна пластиковая труба для создания штанги, на которую крепится катушка.
Процесс сборки металлоискателя:
Шаг первый. Создаем печатную плату
Самой сложной частью устройства является, конечно же, электроника, поэтому с нее и целесообразно начать. В первую очередь нужно сделать печатную плату. Всего есть несколько вариантов плат, в зависимости от используемых радиоэлементов. Есть плата для NE555, а есть плата на транзисторах. Все необходимые файлы для создания платы есть к статье. Также в интернете можно найти и другие варианты плат.
Шаг второй. Устанавливаем электронные элементы на плату
Шаг третий. Источник питания для металлоискателя
Шаг четвертый. Собираем катушку для металлоискателя В связи с тем, что это импульсный металлоискатель, здесь точность сборки катушки не так важна. Оптимальным диаметром является оправка 1900-200 мм, всего нужно намотать 25 витков. После того, как катушка будет намотана, ее нужно хорошенько обмотать сверху изолентой для изоляции. Чтобы увеличить глубину обнаружения катушки, нужно намотать ее на оправку диаметром порядка 260-270 мм, а количество витков снизить до 21-22. Провод при этом используется диаметром 0.5 мм.
После того, как катушка будет намотана, ее нужно установить на жестком корпусе, на нем не должно быть металла. Здесь нужно немного подумать и поискать любой подходящий по размерам корпус. Он нужен для того, чтобы защитить катушку от ударов во время работы с устройством.
Выводы от катушки припаиваются к многожильному проводу, диаметром около 0.5-0.75 мм. Лучше всего, если это будут два, свитые между собой провода. Шаг пятый. Настраиваем металлоискатель
При сборке точно по схеме настраивать металлоискатель не требуется, он и так имеет максимальную чувствительность. Для более тонкой настройки металлоискателя нужно покрутить переменный резистор R13, нужно добиться редких щелчков в динамике. Если достичь этого получается только в крайних положения резистора, то необходимо сменить номинал резистора R12. Переменный резистор должен настраивать устройство на нормальную работу в средних положениях.
Если есть осциллограф, то с помощью него можно померить частоту на затворе транзистора Т2. Длительность импульса должна составлять 130-150 мкс, а нормальная рабочая частота равна 120-150 Гц.
Как работать с металлоискателем
После включения прибора нужно подождать около 10-20 секунд, чтобы работа металлоискателя стабилизировалась. Теперь можно крутить резистор R13 для настройки. После этого можно приступать к поиску.
imp_tranz.rar (скачиваний: 11569)
Источник (Source)
Становитесь автором сайта, публикуйте собственные статьи, описания самоделок с оплатой за текст. Подробнее здесь.
Контроллер заряда Li-ion аккумулятора своими руками
Контроллер — электронная плата которая по характеристикам поддерживает рабочее напряжение и ток разряда. То есть напряжение контроллера должно отвечать характеристике прибора. Токовая нагрузка подбирается в 2 раза ниже предельной. Значит, для 18650 ток должен быть 12-15 А, для 26650 – 30-40 А.
Под контроллером заряда-разряда понимают схему защиты от слишком глубокого разряда, он же препятствует перезаряду банок выше 4,2 В. Но это только защита. Настоящий контроллер установлен в ЗУ, рассчитан на зарядку в 2 этапа с последующим отключением аккумулятора. Зарядное устройство это не блок питания. Назначение этого инструмента стабилизировать ток на первом этапе процесса, при этом выходное напряжение зависит от тока нагрузки.
В конструкции предусмотрены резисторы для регулирования выходного напряжения, индикации окончания заряда, порога ограничения выходного тока. Микросхема LM2596 выступает в виде контроллера ШИМ, компаратор LM358 поддерживает параметры тока, управляет индикацией. Стабилизатор 78L05 питает компаратор и поддерживает напряжение.
Для того, чтобы отключить аккумулятор именно в момент полного набора заряда, необходимо доработать схему. Такая доработка обусловит отключение зарядки при достижении полного заряда.
Защитная плата MBS отключит аккумулятор при достижении полного заряда. Но она срабатывает с некоторым опозданием. Поэтому батарея может получить небольшой перезаряд, сокращающий срок службы дорогого прибора.
TINA-TI на русском
SPICE-симулятор для серьезных разработок, имитации работы и отладки схем для продвинутых радиолюбителей.
Программа позиционируется как SPICE-симулятор с доброжелательным и доступным интерфейсом, не требующим значительных усилий для усвоения навыков работы по проектированию и симуляции электронных устройств. Количество устройств и узлов неограниченно, подходит для масштабных проектов, фишка программы — конструирование аналоговых схем и импульсных источников питания.
В симуляторе 6 категорий устройств: базовые пассивные радиодетали, ключи, полупроводники, измерительные приборы, макромодели сложных устройств и источники. Несколько схем включены в комплект в качестве примеров.
TINA-TI предоставляет хорошие возможности симуляции и анализа. Разработки перед апробированием проверяются на ошибки (ERC) и выводится перечень найденных ошибок схемы. Ошибки выделяются маркерами.
Конструктор работает в английской и русскоязычной версиях.
Контроллеры заряда и схемы защиты — в чем разница?
Важно понимать, что модуль защиты и контроллеры заряда — это не одно и то же. Да, их функции в некоторой степени пересекаются, но называть встроенный в аккумулятор модуль защиты контроллером заряда было бы ошибкой
Сейчас поясню в чем разница.
Важнейшая роль любого контроллера заряда заключается в реализации правильного профиля заряда (как правило, это CC/CV — постоянный ток/постоянное напряжение). То есть контроллер заряда должен уметь ограничивать ток зарядки на заданном уровне, тем самым контролируя количество «заливаемой» в батарею энергии в единицу времени. Избыток энергии выделяется в виде тепла, поэтому любой контроллер заряда в процессе работы достаточно сильно разогревается.
По этой причине контроллеры заряда никогда не встраивают в аккумулятор (в отличие от плат защиты). Контроллеры просто являются частью правильного зарядного устройства и не более.
Кроме того, ни одна плата защиты (или модуль защиты, называйте как хотите) не способен ограничивать ток заряда. Плата всего лишь контролирует напряжение на самой банке и в случае выхода его за заранее установленные пределы, размыкает выходные ключи, отключая тем самым банку от внешнего мира. Кстати, защита от КЗ тоже работает по такому же принципу — при коротком замыкании напряжение на банке резко просаживается и срабатывает схема защиты от глубокого разряда.
Путаница между схемами защиты литиевых аккумуляторов и контроллеров заряда возникла из-за схожести порога срабатывания (~4.2В). Только в случае с модулем защиты происходит полное отключение банки от внешних клемм, а в случае с контроллером заряда происходит переключение в режим стабилизации напряжения и постепенного снижения зарядного тока.
Где купить модуль заряда Li акумулятора?
Я не могу ручаться за все подобные модул. Их производством не брезгует каждый уважающий себя житель поднебесной. Показанные модули заказывались уже не первый раз у конкретного продавца. Которого советую и вам.
Покупать такие модули поштучно не выгодно — продавцы начинают накручивать цену и за модуль и за доставку. Удобнее и дешевле закупать сразу по 5 или 10 штук даже если требуется 1-2. Очень удобно, когда где-то в шкафу лежит кучка таких модулей и при необходимости можно быстро сообразить из них зарядку. Вот ссылки на разные лоты проверенного магазина:
- 5 шт. micro-USB – 1.57$
 - 5 шт. mini-USB – 1.57$
 - 10 шт. micro-USB – 2.61$
 - 10 шт. mini-USB – 2.61$
 
1.57$ за 5 штук, и тем более 2.61$ за 10 штук — это копейки. Во многих магазинах радиодеталей с вас попросят аналогичную сумму за каждый такой модуль.
цены от 16 сентября 2020






























