Если выходной каскад вашего операционного усилителя не может справиться с давлением
Базовая схема буферизации на биполярном транзисторе, рассмотренная в предыдущей статье, отлично подходит для многих приложений, но у нее есть два ограничения, которые необходимо учитывать: во-первых, для высоких токов нагрузки может потребоваться слишком большой выходной ток операционного усилителя; во-вторых, она не совместима с отрицательными напряжениями нагрузки. Начнем с первой проблемы.
Как упоминалось в предыдущей статье, выходной ток, требуемый от операционного усилителя, будет приблизительно равен току нагрузки, деленному на коэффициент усиления по току транзистора (он же бета или hFE). В некоторых ситуациях может быть проблематично добавить в ваш проект возможность получения большого выходного тока.
Например: вы используете компонент операционного усилителя, который включает в себя несколько усилителей в одном корпусе. Если у вас уже есть деталь с низким выходным током, которая подходит именно для вашей системы, и вы используете три из четырех усилителей в комплекте, вы можете решить использовать этот четвертый усилитель. Или, скажем, у вас есть операционный усилитель, встроенный в микроконтроллер, используемый на плате. Этот операционный усилитель вряд ли может предложить большой выходной ток, но вы не хотите добавлять внешнюю деталь просто потому, что вам нужно еще 20 или 30 мА от встроенного операционного усилителя. Решением таких ситуаций является дополнительное усиление по току с помощью биполярного транзистора. Первое, что нужно сделать, это просто найти транзистор с более высоким hFE. Но если вам нужно гораздо большее усиление по току (потому что у вас слишком большой ток нагрузки, или ваш операционный усилитель настолько слаб, или и то, и другое), то настало время использовать пару Дарлингтона.
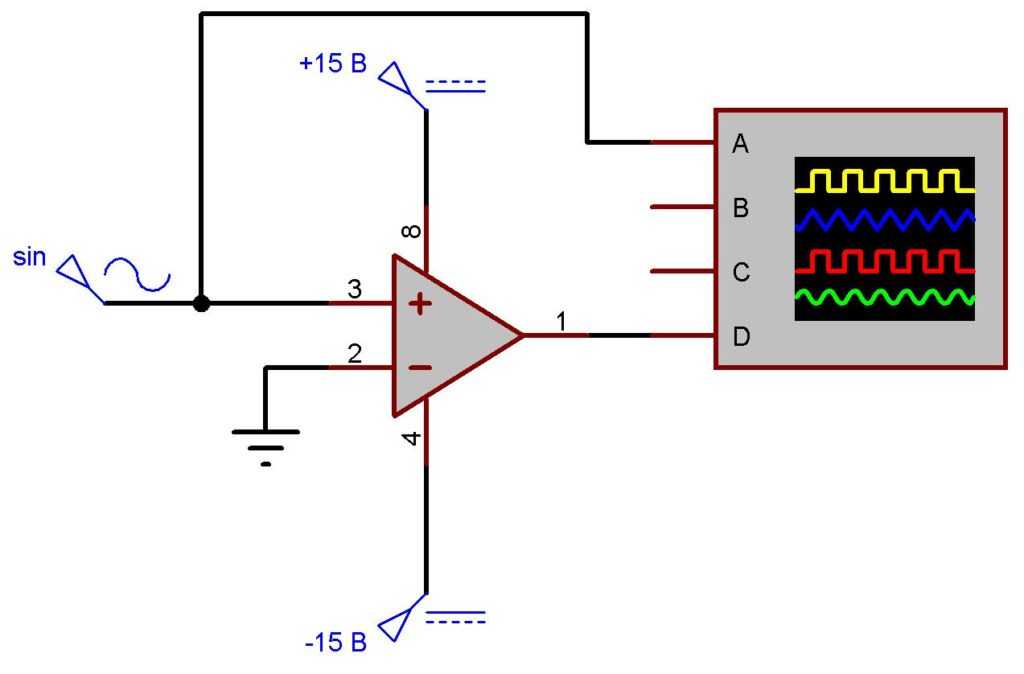
Что будет на выходе ОУ, если на обоих входах будет ноль вольт?
Итак, мы рассмотрели случай, когда напряжение на входах может различаться. Но что будет, если они будут равны? Что нам покажет Proteus в этом случае? Хм, показал +Uпит.

А что покажет Falstad? Ноль Вольт.

Кому верить? Никому! В реале, такое сделать невозможно, чтобы на два входа загнать абсолютно равные напряжения. Поэтому такое состояние ОУ будет неустойчивым и значения на выходе могут принимать значения или -E Вольт, или +E Вольт.
Давайте подадим синусоидальный сигнал амплитудой в 1 Вольт и частотой в 1 килоГерц на НЕинвертирующий вход, а инвертирующий посадим на землю, то есть на ноль.

Смотрим, что имеем на виртуальном осциллографе:

Что можно сказать в этом случае? Когда синусоидальный сигнал находится в отрицательной области, на выходе ОУ у нас -Uпит, а когда синусоидальный сигнал находится в положительной области, то и на выходе имеем +Uпит.
Синтетические элементы
Гиратор индуктивности
Имитирует индуктор (т.е. обеспечивает индуктивность без использования потенциально дорогостоящего индуктора). Схема использует тот факт, что ток, протекающий через конденсатор, во времени ведет себя как напряжение на катушке индуктивности. Конденсатор, используемый в этой схеме, меньше, чем катушка индуктивности, которую он моделирует, и его емкость меньше подвержена изменениям в величине из-за изменений окружающей среды. Приложения, в которых эта схема может превосходить физический индуктор, моделируют переменную индуктивность или имитируют очень большую индуктивность.
Эта схема имеет ограниченное использование в приложениях, использующих обратная ЭДС свойство катушки индуктивности, поскольку этот эффект будет ограничен в цепи гиратора до источников напряжения операционного усилителя.
Преобразователь отрицательного импеданса (NIC)
Создает резистор имеющий отрицательное значение для любого генератора сигналов.
В этом случае соотношение между входным напряжением и входным током (таким образом, входное сопротивление) определяется как:
- рв=−р3р1р2{ displaystyle R _ { text {in}} = — R_ {3} { frac {R_ {1}} {R_ {2}}}}
В общем, компоненты р1{ displaystyle R_ {1}}, р2{ displaystyle R_ {2}}, и р3{ displaystyle R_ {3}} не обязательно должны быть резисторы; они могут быть любым компонентом, который можно описать с помощью сопротивление.
Компоновка схемы: отрицательная и положительная обратная связь
Отрицательная обратная связь вызывает противодействие изменению выходной переменной. В операционном усилителе с этой целью выход усилителя соединяется с инвертирующим входом (см. рис. «Отрицательная и положительная обратная связь» ). Это соединение может быть реализовано при помощи канала обратной связи. Причина изменения выходного напряжения UА всегда заключается в изменении дифференциального входного напряжения UD следовательно, отрицательная обратная связь всегда действует таким образом, что напряжение UD уменьшается и в идеальном случае становится равным нулю.
В отличие от отрицательной обратной связи положительная обратная связь способствует изменению выходного напряжения. Таким образом, выходное напряжение UA усиливается положительной обратной связью, т.е. напряжение UD при изменении напряжения UA возрастает и, следовательно, отлично от нуля. Таким образом, выходное напряжение UA может принимать только два стационарных значения, т.е. максимальное или минимальное значение.
С точки зрения техники автоматического регулирования система регулирования с отрицательной обратной связью состоит из операционного усилителя и контура обратной связи, как показано на рис. «Отрицательная обратная связь» . С учетом большого значения коэффициента усиления АD
UA = AD·UD = AD(UE-k·UA)
и общий коэффициент усиления
A=UA /UE = AD /(1+k·AD )≈1/k
Таким образом, становится ясно, что, несмотря на очень высокий коэффициент усиления при разомкнутой цепи обратной связи АD, при помощи отрицательной обратной связи может быть получен конечный коэффициент усиления А. Это более детально поясняется на приведенных ниже примерах.
Интегратор
Интегратор позволяет реализовать схему, в которой изменение выходного напряжения пропорционально входному сигналу. Схема простейшего интегратора на ОУ показана ниже
Интегратор на операционном усилителе.
Данная схема реализует операцию интегрирования над входным сигналом. Я уже рассматривал схемы интегрирования различных сигналов при помощи интегрирующих RC и RL цепочек. Интегратор реализует аналогичное изменение входного сигнала, однако он имеет ряд преимуществ по сравнению с интегрирующими цепочками. Во-первых, RC и RL цепочки значительно ослабляют входной сигнал, а во-вторых, имеют высокое выходное сопротивление.
Таким образом, основные расчётные соотношения интегратора аналогичны интегрирующим RC и RL цепочкам, а выходное напряжение составит
Интеграторы нашли широкое применение во многих аналоговых устройствах, таких как активные фильтры и системы автоматического регулирования
Идеальные и реальные операционные усилители
Идеальный ОУ обладает следующими свойствами: Он усиливает разницу напряжений между инвертирующим и неинвертирующим входами. Он обладает бесконечным коэффициентом усиления. Он имеет бесконечное входное сопротивление и нулевое выходное. Идеальный операционный усилитель может работать при любых входных напряжениях и напряжении питания. Значение выходного напряжения не зависит от значений входных, а только от их разницы (он подавляет симфазный сигнал). Выходное напряжение равно нулю, если напряжения на обоих входах равны. Идеальный операционный усилитель имеет мгновенное быстродействие, то есть напряжение на выходе изменяется в тот же момент времени, как и разница напряжений на входах (бесконечное быстродействие). Идеальный ОУ может отдавать нагрузке неограниченный ток. Свойства идеального ОУ не зависят от формы и частоты входного сигнала. Он может усиливать любой сигнал от постоянного напряжения до сплошного белого шума в любом диапазоне частот. Идеальный операционник не шумит, не формирует сигналы на выходе при отсутствии сигнала на входе.
Понятно, что идеальных ОУ не существует. Операционным усилителем принято называть устройства, в некоторой степени, отвечающие перечисленным выше требованиям. Реальные ОУ обладают коэффициентом усиления от 10 000 до 1 000 000 и более. Хорошие операционные усилители имеют входное сопротивление то десятков МОм и выше. Максимальный выходной ток может быть до 10 мА. При рекомендованной для данного ОУ нагрузке можно приблизительно считать, что напряжение на ней не зависит от тока, то есть выходное сопротивление операционника близко к нулю. ОУ сильно ослабляют симфазный сигнал, в 100 и более раз, но, все же, не абсолютно. Напряжение питания может быть разным, но наиболее распространено двуполярное питание 15 вольт. Для обеспечения близкого к нулю выходного напряжения применяется ручная или автоматическая балансировка. Операционный усилитель хорошо работает с входными напряжениями от на пару вольт больших, чем минус питания, до на пару вольт меньших, чем плюс. Выходное напряжение обычно бывает в тех же пределах. Существуют операционники, рассчитанные на работу в самых разных диапазонах частот, но для высоких частот (выше 10 МГц) операционники не применяются.
Самой неприятной особенностью реальных ОУ является конечное быстродействие — некоторая задержка по времени между изменением входного и выходного напряжения. К чему она приводит, я расскажу позже.
Особенности во время проектирования схем с ОУ
Все сложности, возникающие во время работы над проектированием схем с ОУ, можно систематизировать следующим образом:
- стандартные советы;
- размеры полосы пропуска ОУ;
- каскады на входе ОУ.
Стандартные советы
Высоту напряжения, подаваемую на выводы питания операционных усилителей, необходимо контролировать. Стоит следовать указаниям, размещенным на ОУ, делать их предельно низкими не нужно. Слишком высокое значение может быть чревато повреждением деталей или же других компонентов, так как это может обернуться смещением транзисторов.
Необходимо убедиться, что отрицательный выход питания на самом деле подключен к шине с низким потенциалом
Кроме того, важно убедиться, что источник положительного напряжения действительно обеспечивает требуемое напряжение относительно отрицательного вывода питания ОУ
Для того чтобы убедиться в правильности схемы, необходимо подключить вольтметр к выходам ОУ. Если схема содержит много цифровых цепей, подумайте над использованием отдельных слоев земли и питания. Зачастую не представляется возможности убрать из аналогового сигнала помехи, вызванные работой цифровых компонентов.
Можно использовать короткие проводники на входах операционных усилителей
В случае, если во время разработки макета применяется беспаечная плата, то берите во внимание, что это может стать причиной появления в схеме нежелательных колебаний и шумов. Проблемы подобного характера возникают при работе с печатной платой, но это скорее исключение, чем закономерность
ОУ очень восприимчивы по отношению к статическому электричеству. Если микросхема имеет некоторые повреждения, то операционный усилитель либо просто приостановит работу, либо возникнут непредвиденные погрешности (например, значение напряжения смещения или входного тока может колебаться), которые в процессе работы будут только возрастать.
Размеры полосы пропуска ОУ
Следует заострить внимание на полосах пропускания операционного усилителя. В случае эксплуатации ОУ с коэффициентом усиления равным 10, а величина на выходе переменного тока в разы отстаёт от предполагаемой, то чаще всего стоит заменить имеющийся прибор на тот, который имеет полосу пропускания больше
Для поддержания стабильности ОУ, в большинстве случаев, стоит установить конденсатор параллельно резистору в цепи обратной связи усилителя.
Каскады на входе ОУ
Необходимо брать во внимание диапазон входных напряжений имеющегося ОУ. Если напряжение хотя бы одном из входов превзойдет допустимые пределы, то на выходе, скорее всего, установится напряжение одной из шин питания
Если схема имеет большой коэффициент усиления, не забывайте о напряжении смещения ОУ. Это напряжение усиливается вместе с полезным сигналом и может препятствовать сигналу на выходе усилителя.
Не используйте ОУ со входами типа «rail-to-rail», если в этом нет прямой необходимости. Заметим, что такие ОУ обычно требуются только для буферных усилителей и в некоторых случаях для эксплуатации усилителей.
Подводя итоги, стоит заметить, что тема подразумевает множество особенностей, но прилагая усилия можно вникнуть. Схемы операционных усилителей применяются во многих областях, включая дифференциальные усилители на ОУ, стабилизаторы напряжения и тока.
ОПЕРАЦИОННЫЙ УСИЛИТЕЛЬ. Как он работает и как усиливает звук. Самое понятное объяснение!
Помогла ли вам статья?
ДаНе особо
Пример работы инвертирующего усилителя
Давайте посмотрим, как работает наш усилитель в программе-симуляторе электронных схем Proteus. Здесь мы собираем базовую схему с двухполярным питанием
В Proteus она будет выглядеть вот так:

Здесь мы взяли значение резисторов R2=10 кОм и R1=1 кОм, следовательно, коэффициент усиления такой схемы будет равен -10. Знак “минус” в данном случае просто инвертирует усиленный сигнал, что мы и видим на осциллограмме ниже. Входной сигнал – это розовая осциллограмма, а выходной – это желтая осциллограмма. Выходной сигнал находится в противофазе относительно входного, то есть инвертирует его. Отсюда и название “инвертирующий усилитель”.

Параметры операционных усилителей
Современные операционные усилители обладают колоссальным входным сопротивлением. У того же дешевого и распространенного TL062 входное сопротивление составляет 1012 Ом. Для сдвоенного операционного усилителя (TL062, TL072, NE5532, LM833….) в корпусе DIP-8 или SO-8, включение по схеме повторителя показано ниже:
У операционных усилителей по мере увеличения коэффициента усиления сужается частотный диапазон и снижается верхняя передаваемая частота. Но в режиме повторителя, работая с единичным коэффициентом усиления, ОУ способен работать до максимально возможных для него частот.
Так или иначе, при выборе ОУ для повторителя, желательно иметь запас по частоте в несколько раз, лучше в 10. В таком случае можно однозначно не беспокоиться о каких либо фазовых искажения вносимых самим операционным усилителем.
При выборе микросхемы для повторителя, помимо ширины частотного диапазона, важной характеристикой является также выходной ток, который ОУ способен дать в нагрузку. Если операционный усилитель не способен обеспечить требуемый для нагрузки выходной ток, то начинаются просадки и искажения
Поэтому если речь идет о низкоомной нагрузке, для которой требуется ток более 100 мА, то с таким справится далеко не каждый операционный усилитель.
Питание усилителя
Для звука очень важно качество питания. Данная схема рассчитана на двухполярное напряжение питания
Это избавляет нас от необходимости добавлять лишние детали в звуковой тракт, и в целом это лучше для звука.
Сегодня существуют ОУ работающие от ±1.5В, но большинство операционников работают при двухполярном напряжении питания от ±3В до ±18В. Оптимальными можно назвать напряжение в ±12В или ±15В, которые входят в пределы питания большинства ОУ.
Для питания усилителя рекомендуется собрать двухполярный трансформаторный блок питания. Для сглаживания напряжения после диодного моста будет достаточным установить по два конденсатора емкостью 10 мкФ и 100 — 470 мкФ.
Стабилизацию напряжения удобно реализовать на микросхемах 7812 и 7912.
Для обеспечения хорошей стабилизации необходимо, чтобы входное напряжение было минимум на 2.5-3 вольта выше напряжения стабилизации.
Интегратор на операционном усилителе.
Интегратор, блок интегрирования — техническое устройство, выходной сигнал (выходная величина, выходной параметр) которого пропорционален интегралу, обычно по времени, от входного сигнала.
В случае, когда к инвертирующему входу подключен резистор, а в цепь обратной отрицательной связи установлен конденсатор, схема с операционным усилителем выполняет функцию интегратора:
т.е. выходное напряжение является интегралом от входного напряжения.
Пример.
Если на входном резисторе напряжение изменить скачком от 0 до U0, то на выходе ОУ напряжение будет изменяться по закону , т.е. расти пропорционально времени. Это соответствует случаю зарядки конденсатора С постоянным током Iвх=Uвх/R
Повышение точности электронных аналоговых интеграторов можно достичь применяя в качестве активных компонентов операционные усилители (ОУ). Упрощенная схема такого интегратора приведена на рисунке. Идеальный ОУ имеет бесконечный коэффициент усиления и бесконечное входное сопротивление (нулевой входной ток), современные реальные ОУ по этим параметрам приближаются к идеальным — имеют коэффициент усиления более нескольких сотен тысяч и входные токи менее 1 нА и даже пА. Поэтому при упрощенном анализе цепей с ОУ обычно допускают, что ОУ идеальный.
Реальный интегратор на ОУ
За счет действия отрицательной обратной связи через конденсатор благодаря бесконечному коэффициенту усиления потенциал инвертирующего входа ОУ (обозначен «-») всегда равен нулю, можно считать, что резистор виртуально закорочен на «землю». Благодаря этому ток через резистор не зависит от выходного напряжения интегратора и равен . Так как этот же ток является током конденсатора (из 1-го правила Кирхгофа, так как ток входа ОУ равен нулю), модуль напряжения на конденсаторе выражается:
.
Подставляя в последнюю формулу выражение для тока резистора имеем:
.
Знак минус указывает, что ОУ инвертирует сигнал.
Разбивая интервал интегрирования на 2 интервала, первый от до 0 и второй от 0 до {\displaystyle t} (в виде суммы 2 интегралов) окончательно имеем:
,
где — начальное выходное напряжение интегратора до начала цикла интегрирования (момент ).
Реальный интегратор на ОУ.
Неидеальности ОУ и конденсатора влекут ошибки интегрирования. Главная из них — «сползание» выходного сигнала, это выражается в том, что при нулевом входном сигнале выходное напряжение интегратора медленно изменяется. Сползание вызвано, главным образом, ненулевым входным током реальных ОУ, ненулевым входным смещением реальных ОУ, и, в меньшей степени, током утечки заряда конденсатора через его диэлектрик. Иногда параллельно конденсатору умышленно подключают резистор для самосброса со временем интегратора в «ноль». На рисунке утечки конденсатора символически обозначены резистором .
Кроме того, входной ток ОУ вызывает паразитное дополнительное падение напряжения на входном резисторе , изменяющее потенциал инвертирующего входа ОУ, что эквивалентно появлению дополнительного входного напряжения смещения ОУ. Для компенсации этого тока включают резистор , если выбрать его сопротивление равным:
,
то смещение, вызванное входным током полностью компенсируется (в предположении, что входные токи инвертирующего и неинвертирующего входов равны), практически при этом ошибку в смещение потенциала входа ОУ вносит только разность токов входов.
Теми или иными схемными ухищрениями удается практически полностью устранить систематические ошибки электронных интеграторов за счет усложнения схемы. При этом остаются неустраненными случайные ошибки и ошибки, вызванные дрейфом параметров компонентов, например, из-за влияния температуры окружающей среды или старения.
Практические схемы интеграторов, как правило, снабжаются дополнительными электронными ключами для сброса выходного сигнала в ноль и/или задания начального значения.
Применение интеграторов
- В инерциальных навигационных системах, например, летательных и космических аппаратов, боевых ракет. Двойное интегрирование сигналов датчиков ускорений и датчиков угловых ускорений позволяет вычислить координаты объекта и направления осей объекта не прибегая к внешним наблюдениям.
- При учете потребления веществ, сыпучих, жидких и газообразных сред.
- Измерении поглощенных и излученных доз излучений разной природы.
- Измерении степени заряда и разряда электрохимических источников тока.
- Учета наработки, ресурса оборудования.
- В технологических процессах, например, при напылении пленок.
- Информационной обработке и преобразовании сигналов, электронике, радиотехнике.
- В научном экспериментальном оборудовании, измерительных приборах.
- В аналоговых вычислительных машинах.
Коэффициент усиления
Полученная схема — это неинвертирующий усилитель. Коэффициент усиления сигнала определяют резисторы R1 и R2. Его точное значение определяется формулой:
Будем считать, что на вход мы подаем сигнал с линейного выхода. В таком случае коэффициента усилия по напряжению равного 3 будет с хорошим запасом. Поэтому на три и будем ровняться.
От точности резисторов R1 и R2 зависит насколько одинаковым будет усиление у каналов. Поэтому желательно, чтобы резисторы имели точностью не хуже ±1%.Далеко не всегда в магазинах или в домашних запасах можно найти большой ассортимент номиналов резисторов хорошей точности. Но в данном случае можно обойтись резисторами одного номинала.
Так, в закромах шкафа были найдены прецизионные резисторы по 7,5 кОм которые и стали резисторами R1. В качестве R2 было использовано по два резистора в 7,5 кОм, которые были включены последовательно. Аналогично можно сделать, включив параллельно два резистора по 15кОм в качестве R1, и один резистора на 15кОм в качестве R2.
Для изменения коэффициента усиления лучше менять резистор R2. Для звуковых схем на ОУ, обычно рекомендуется использовать резисторы номиналом 1÷50 кОм. Любой резистор вносит шум в аудио тракт и чем больше номинал этого резистора — тем больше вносимый им шум.
Нелинейный
Прецизионный выпрямитель
Падение напряжения VF через диод с прямым смещением в цепи пассивного выпрямителя нежелательно. В этой активной версии проблема решается подключением диода в цепь отрицательной обратной связи. Операционный усилитель сравнивает выходное напряжение на нагрузке с входным напряжением и увеличивает собственное выходное напряжение на значение VF. В результате падение напряжения VF компенсируется, и схема ведет себя почти как идеальная (супер) диод с VF = 0 В.
Схема имеет ограничения скорости на высокой частоте из-за медленной отрицательной обратной связи и из-за низкой скорости нарастания напряжения многих неидеальных операционных усилителей.
Логарифмический вывод
Соотношение между входным напряжением Vв и выходное напряжение Vвне дан кем-то:
-
- Vвне=−VТпер(VвяSр){ displaystyle V _ { text {out}} = — V _ { text {T}} ln left ({ frac {V _ { text {in}}} {I _ { text {S}} , R}} right)}
- где яS это ток насыщения и VТ это тепловое напряжение.
Если операционный усилитель считается идеальным, инвертирующий входной вывод фактически заземлен, поэтому ток, протекающий в резистор от источника (и, следовательно, через диод на выход, поскольку входы операционного усилителя не потребляют ток), составляет:
-
- Vвр=яр=яD{ displaystyle { frac {V _ { text {in}}} {R}} = I _ { text {R}} = I _ { text {D}}}
- где яD ток через диод. Как известно, для диод является:
-
- яD=яS(еVDVТ−1).{ displaystyle I _ { text {D}} = I _ { text {S}} left (e ^ { frac {V _ { text {D}}}} {V _ { text {T}}}} — 1 вправо).}
- Когда напряжение больше нуля, это можно приблизительно определить следующим образом:
-
- яD≃яSеVDVТ.{ displaystyle I _ { text {D}} simeq I _ { text {S}} e ^ { frac {V _ { text {D}}} {V _ { text {T}}}}.}
- Собирая эти две формулы вместе и учитывая, что выходное напряжение является отрицательным значением напряжения на диоде (Vвне = −VD), связь доказана.
Эта реализация не учитывает температурную стабильность и другие неидеальные эффекты.
Экспоненциальный выход
Соотношение между входным напряжением Vв{ displaystyle V _ { text {in}}} и выходное напряжение Vвне{ displaystyle V _ { text {out}}} дан кем-то:
- Vвне=−ряSеVвVТ{ displaystyle V _ { text {out}} = — RI _ { text {S}} e ^ { frac {V { text {in}}} {V _ { text {T}}}}}
где яS{ displaystyle I _ { text {S}}} это ток насыщения и VТ{ displaystyle V _ { text {T}}} это .
Считая операционный усилитель идеальным, отрицательный вывод практически заземлен, поэтому ток через диод определяется выражением:
- яD=яS(еVDVТ−1){ displaystyle I _ { text {D}} = I _ { text {S}} left (e ^ { frac {V _ { text {D}}}} {V _ { text {T}}}} — 1 справа)}
когда напряжение больше нуля, его можно приблизительно рассчитать следующим образом:
- яD≃яSеVDVТ.{ displaystyle I _ { text {D}} simeq I _ { text {S}} e ^ { frac {V _ { text {D}}} {V _ { text {T}}}}.}
Выходное напряжение определяется как:
- Vвне=−ряD.{ displaystyle V _ { text {out}} = — RI _ { text {D}}. ,}
Однополярное питание операционных усилителей
Если за точку отсчета будет принят положительный полюс батарейки а измеряющий щуп был подключен к минусу то любой вольтметр нам покажет В. Теория это хорошо, но без практического применения это просто слова. Схемы включения операционных усилителей, описанные выше, не являются исчерпывающими, а лишь только призваны дать основные понятия. При превышении напряжения на входе величины основного опорного напряжения, на выходе получается наибольшее напряжение, которое равно положительному питающему напряжению.
![]()
Поэтому интегратор может действовать в качестве активного фильтра низких частот.

И в результате мы получаем К сожалению инвертирующий усилитель обладает одним явным недостатком — низким входным сопротивлением, которое равняется резистору R1.

Как следует из схемы на рис.
![]()
Скорее она связана с неприятностями, так как в схеме с отрицательной ОС на высокой частоте могут возникать достаточно большие сдвиги по фазе, приводящие к возникновению положительной ОС и нежелательным автоколебаниям. Усилитель с единичным коэффициентом усиления называют иногда буфером, так как он обладает изолирующими свойствами большим входным импедансом и малым выходным.

Более подробно смещение ОУ при однополярном питании рассматривается в . Сигнала поступает на усилитель с бесконечным входным сопротивлением, а напряжение на неинвертирующем входе имеет такое же значение, как и на инвертирующем входе.

Здесь было бы уместно вспомнить транзистор включенный по схеме с ОЭ. В современной измерительной аппаратуре в качестве линейных усилителей используются операционные усилители. Электроника от простого к сложному. Урок 8. Первые схемы на оу. (PCBWay)

Принципы работы операционного усилителя
Идеальный стандартный операционный усилитель представляет собой усилитель, двумя входами и (обычно) одним выходом (рис. «Базовая схема операционного усилителя» ). Усилитель имеет инвертирующий и неинвертирующий входы. Усилитель осуществляет усиление дифференциального напряжения UD. Выходное напряжение UА определяется по следующей формуле:
UA= AD·UD
где AD — коэффициент усиления при разомкнутой цепи обратной связи. Операционный усилитель подключается к источникам положительного и отрицательного напряжений питания относительно общего вывода. В случае однополярного питания общий вывод соединяется с отрицательным выводом источника питания. Напряжения питания обычно на схемах не показываются, однако, разумеется, они необходимы для нормальной работы усилителя.
Существуют следующие варианты операционных усилителей (см. рис. «Виды операционных усилителей» ):
- «Нормальный» операционный усилитель (операционный усилитель VV-типа) с входами напряжения и выходом напряжения;
- Усилитель тока, управляемый напряжением (операционный усилитель VC-типа) с входом напряжения и токовым выходом;
- Усилитель напряжения, управляемый током (операционный усилитель CV-типа) с токовым входом и выходом напряжения;
- Усилитель тока (операционный усилитель СС-типа) с токовым входом и токовым выходом.
Как правило, используются операционные усилители VV-типа; детальные пояснения приведены ниже. Поскольку функции операционного усилителя определяются схемой его включения, прежде всего, детально рассмотрим возможные схемы. Здесь важным является различие между положительной и отрицательной обратной связью. При выводе соотношений предполагается, что мы имеем дело с идеальным операционным усилителем.




























