Как определить неполадки в модуле управления
Признаков, что плату управления пора почистить или отремонтировать, а также проверить состояние датчиков, может быть несколько:
- Аппарат не включается, на дисплее высвечивается ошибка.
- На некоторых моделях светодиоды панели мерцают, мигают или горят все одновременно.
- Машинка отказывается стирать, набирать или сливать воду, делать отжим, нагревать, выполнять одну из операций, входящих в цикл стирки.
- Не выполняется одна из программ.
- Вода холодная или перегревается.
- Индикаторы хаотично мигают.
Причины могут быть самые разнообразные, к примеру, неожиданные режимы работы двигателя – он или крутится на полных оборотах, или с натугой еле-еле проворачивается.

Индикаторы СМА хаотично мигают
Некоторые современные модели имеют режим самотестирования, который позволяет определить, какой именно ремонт электронных модулей стиральных машин требуется. Информация о том, как сделать автоматическую проверку, не указывается в документации. Однако ее можно найти в интернете на специализированных форумах. К примеру, некоторые модели Ардо тестируются так:
- сливается вода и опустошается бак;
- механический селектор программ поворачивается стрелкой вертикально вниз;
- устанавливается нулевая температура.
После этого достаточно нажать все кнопки панели управления одновременно. Машинка перейдет в режим самодиагностики. После его прохождения на дисплее высветится ошибка, по которой легко определяется неисправность.
Вызов мастера
Ремонт стиральной машины — процесс достаточно сложный, требующий определенных знаний и навыков. Несмотря на то, что встроенная система самодиагностики через код ошибки помогает самостоятельно определить причину неисправности, не понимая внутреннего устройства, ремонт стиралки лучше доверить профессионалам.
Вызвать мастера на дом можно по телефону. Контакты сервисных центров или частных лиц занимающихся ремонтом стиральных машин несложно найти через поисковые системы сети Интернет.
При подаче заявки необходимо сообщить:
- модель стираной машины,
- год ее выпуска,
- код ошибки.
После визуального осмотра и более детальной диагностики, мастер сможет сообщить, во сколько обойдется ремонт бытового прибора.
Ни при каких условиях нельзя полностью оплачивать еще не оконченную работу мастера. В противном случае велики риски, что «ремонт» не будет завершен до конца.
В зависимости от того, что привело к появлению кода ошибки, восстановление работоспособности стиральной машины Электролюкс обойдется от 1500руб. до 3500руб.
Коды ошибок стиралок Zanussi без дисплея
Не все модели оснащены дисплеем, который позволяет легко прочитать ошибку. Но на машинах без экрана код тоже отображается, но только с помощью световой индикации. Это может быть сложно, особенно учитывая, что Zanussi выпустила три платформы. И на каждом из них неисправности подсвечивались по-разному. Давайте разберемся.
Контроллер EWM2000
Определить эту платформу можно с помощью панели управления. Он имеет вертикальный ряд из 8 светодиодов справа.
Первые четыре индикатора — это первая цифра ошибки, следующие четыре — вторая.
Расшифровка происходит с использованием таблицы шестнадцатеричных кодов.
Ниже приведен пример ошибки E41. Вы можете подобрать свечение к столу.
Управление на базе модуля EWM1000
В этом случае все немного сложнее, потому что ошибка отображается последовательностью мигания двух индикаторов. При этом раздаются звуковые сигналы.
Индикатор «WASH END» информирует о первой цифре, а «START / PAUSE» — о второй цифре. Пауза между вспышками составляет 0,4 секунды, а между подходами — 2,5 секунды.
В этом случае нужно подсчитать количество вспышек и сравнить со значениями в таблице выше.
Подключение к электросети
Стиральные машины размещают в ванных, кухнях, коридорах
Во время монтажа обращайте внимание на ту розетку, в которую вы собираетесь подключать технику. Помните, нагревательный элемент создает крайне большую нагрузку на энергосистему вашего дома
Поэтому подключайте стиральную машину только в те розетки, которые имеют заземление.
Собрались устанавливать стиралку на кухне ни в коем случае не подключайте её в сдвоенные розетки вместе с другой мощной техникой. Это может привести к скачкам напряжения, выбитым пробкам. Если стиральная машина стоит в ванной, убедитесь в том, что на розетку не попадает влага. Плохая проводка, скачки напряжения в сети – частая причина выхода из строя наиболее чувствительных в этому компонентов (датчики, микроэлектроника). Отнеситесь к подключению техники так же ответственно, как к выбору.
Почему выходит из строя модуль управления
Причин отказа управляющего контроллера может быть несколько. Перечислим основные, с указанием возможных вариантов несложного ремонта:
- Заводской брак. Он определяется визуально – по некачественным пропайкам контактов, отслаивающимся дорожкам, наплывам флюса в зонах установки центрального чипа. Если машинка на гарантии, не стоит демонтировать модуль самостоятельно. Электронная плата заменяется в условиях мастерской по гарантии. Заводской брак проявляется очень быстро, в течение первых недель-месяца эксплуатации.
- Несоответствие параметров электросети. Частые броски, перепады, превышение предельных напряжений могут привести к выходу из строя тонкой электроники. Параметры, которые должны соблюдаться, обычно указываются в инструкции. Чаще всего поломка из-за недостатков энергопитания легко идентифицируется в ходе тестирования платы для стиральной машины. Сервисные центры всеми силами стараются признать такой случай поломки не гарантийным.
- Отказ или ненадлежащая работа одного или нескольких датчиков. Данная проблема часто легко решается, как – расскажем ниже.
- Попадание воды в электронику. Стоит отметить, что некоторые из производителей стремятся полностью исключить данную проблему. Например, блок управления отдельных моделей ВЕКО, LG, Samsung залит компаундом, герметизирован. Другие производители допускают попадание жидкости в паузе между стирками. При попытке запуска мокрой платы срабатывает защита, и управление блокируется. К примеру, ремонт стиральной машины Индезит своими руками может сводиться к протирке модуля и тщательному высушиванию платы. Вода может попасть как в результате аварийных режимов, так и в ходе переноски машины, например, при переезде.
https://youtube.com/watch?v=24CrV6YZt2w
К другим причинам относится избыточный нагар, наличие токопроводящих испражнений домашних вредителей (тараканов, мышей), а также замыкания через тело насекомых или грызунов. Устранить такие неприятности, если системы защиты не допустили аварии, просто. Плату достаточно почистить.
Общая схема. Основные детали стиральной машины
Разобраться в электрической схеме стиральной машины сможет далеко не каждый пользователь, но узнать об основных системах ему не помешает. На картинках ниже представлены следующие узлы, который есть практически в каждой стиралке:
- противовес;
- реле (датчик) уровня воды;
- помехоподавляющий фильтр;
- сливной фильтр;
- помпа (насос);
- сливной шланг;
- двигатель барабана;
- трубчатый электрический нагреватель (ТЭН);
- пускозащитное реле напряжения;
- силовой блок;
- термостат;
- наливной шланг;
- шкив барабана;
- барабан (бак);
- дозатор;
- система подачи моющих средств;
- пружины барабана;
- электромагнитный клапан.


Рассмотрим некоторые основные детали, выход из строя которых служит поводом для обращения в сервисный центр, причиной покупки новой стиральной машины.
Система управления
Все современные автоматические стиральные машины оснащены неким подобием компьютера, который обрабатывает информацию с датчиков, управляет подачей, сливом воды, переключает программы очистки. Количество программ, которые установлены в модуль управления, варьируется в зависимости от модели. Наличие или отсутствие особо удобных режимов стирки оказывает ощутимое влияние на цену агрегата.
Причиной поломки может служить как сбой в операционной системе, так и выход из строя электрических узлов, датчиков. Сломанная электроника ремонту обычно не подлежит. Вот список тех реле, поломка которых не позволит начать стирку.
- Датчик уровня воды (прессостат). Сообщает о количестве воды в барабане.
- Термостат. Встроен в барабан снизу, регулирует температуру жидкости.
- Датчик скорости вращения барабана.
Электромагнитный клапан
Этот модуль отвечает за наполнение барабана водой. Работает в связке с прессостатом. Когда на клапан поступает сигнал о том, что жидкости в баке достаточно, он закрывается, вода перестает поступать.
Двигатель барабана
Представляет из себя стандартный электрический двигатель. Вращает барабан, передавая энергию движения через ременную передачу шкиву. Скорость, направление вращения задаются системой управления с учетом показателей датчика скорости.
При поломке можно заменить любым аналогичным двигателем, который подойдет по размеру, мощности. Существуют стиральные машины с прямым приводом: барабан вращается за счет магнитного поля. Множество моделей с таким типом двигателя встречается у Индезит, Занусси.
Загрузочный люк
Дверца, которая находится на передней панели. Перед началом стирки система управления запирает её, чтобы пользователь не мог случайно открыть люк во время того, когда в баке находится вода. У новейших моделей Аристон предусмотрена функция загрузки вещей во время стирки через специальный отсек. Через неё одежда загружается в барабан.
Нагревательный элемент

Начинает нагревать воду в баке по команде системы управления. Термостат в это время начинает замерять температуру. Когда она достигает необходимого значения, ТЭН отключается. Самой частой причиной поломки этой детали является образование на ней толстого слоя солевых отложений (накипь). Этот слой ухудшает теплообмен, что ведет к систематическому перегреву металлической трубки.
Используйте очищающие средства вместе с порошком, чтобы предотвратить образование налета на нагревательном элементе. Компания Самсунг поставляет свои стиральные машины с ТЭНом, крайне устойчивым к образованию накипи. Это достигается за счет двойного керамического покрытия.
Сливной насос
Перед запуском программы отжима из бака сливается вся вода. В этом процессе участвует помпа. Она состоит из фильтра и электромотора с крыльчаткой. Причиной поломки насоса может быть выход из строя электродвигателя, общее загрязнение системы. Фильтр находится внизу фронтальной части корпуса в большинстве стиральных машин.
Не забывайте раз в полгода вынимать его для очистки. Компании LG и Bosch разрабатывают новейшее поколение фильтров, которые будут обладать функцией самостоятельной очистки.
Прошивка контроллера
Если после ремонта проблемы остались, то дело может быть в программной части. Поэтому стоит попробовать обновить прошивку контроллера.
Для прошивки контроллера понадобится адаптер – программатор, предоставляющий доступ ПО к модулю посредством ПК. Профессиональные решения довольно часто встречаются в специализированных магазинах и стоят в районе 2-4 тысяч рублей. Можно приобрести и более простую версию программатора рублей за 500, но тогда нужно учитывать марку оборудования. К примеру, для стиральных машин брендов «Электролюкс», «Индезит», «Аристон» и Whirlpool используют адаптер «Аркадия» (USBDM MemoryDump).

Программатор USBDM
Дополнительно понадобятся драйвера и фирменный софт. И то, и другое можно найти на официальных ресурсах производителей техники в разделе «Программное обеспечение». Разберём процедуру установки ПО на примере адаптера «Аркадия».
Прошивка через USBDM MemoryDump:
- подключаем адаптер к контроллеру и к компьютеру;
- инсталлируем драйвер программатора;
- заходим в панель управления ОС и находим «Диспетчер устройств»;
- кликаем на строчке USBDM;
- переходим в раздел Target и выбираем DetectChip;
- система должна определить модуль, если он работает и корректно подключен;
- кликаем на LoadHexFiles и определяемся с прошивкой;
- нажимаем ProgramFlash и ждём окончания процедуры.
Как снять модуль управления
Для начала стоит визуально осмотреть плату на предмет физических повреждений. На ней могут быть явно выгоревшие элементы, сломы или обрывы.
Где располагается плата
В доброй половине случаев контроллер находится за передней панелью. Расположение может меняться и зависит главным образом от типа загрузки техники. Модуль управления – это достаточно крупный элемент, поэтому с поиском каких-то проблем возникнуть не должно. Некоторые производители указывают его местонахождение в инструкции по эксплуатации.

Вариант расположения управляющего модуля
Демонтаж
У рядовых стиральных машин главная плата, как правило, легкодоступна. Но в более продвинутых премиальных или каких-то промышленных моделях она может быть спрятана за ворохом других элементов. В этом случае лучше переложить все работы на плечи специалистов.
Демонтаж контроллера:
- обесточиваем оборудование;
- перекрываем кран подачи воды;
- демонтируем верхнюю крышку;
- извлекаем лоток для моющих средств;
- отсоединяем клеммы с проводами;
- откручиваем крепёж, удерживающий контрольную плату;
- аккуратно вытаскиваем деталь.
Коды основных неисправностей в стиральных машинах Zanussi
Современные СМ имеют систему самодиагностики, которая позволяет быстро локализовать поломку. Коды ошибок стиральных машин Zanussi отображаются на дисплеях в виде буквенно-цифрового сочетания. Первый символ – латинская буква «E», за ним следует код из двух цифр или из буквы и одной цифры. Такие же коды неисправностей применяются в АСМ торговых марок Electrolux и AEG. Ниже перечислены основные неисправности и соответствующие им обозначения.
| Код | Неисправность |
| E10, E11 | Вода не поступает в бак либо льется медленно. Причиной может быть засор сетчатого фильтра на входе впускного клапана, слабый напор воды в водопроводе либо повреждение в клапане, впускающем воду в бак |
| E20, E21 | Жидкость не сливается из бака после стирки. Возможные причины – поломка сливного насоса, засор сливного фильтра, неисправность электронного блока управления (в дальнейшем также – ЭБУ) |
| EF1 | Засор сливного фильтра или шланга, жидкость медленно сливается из бака |
| EF4 | Нет сигнала с датчика, фиксирующего проток воды при открытом заливном клапане. Причины – низкое давление воды в водопроводе, засор входного сетчатого фильтра |
| EA3 | Процессор не фиксирует вращение шкива электромотора. Одной из причин может быть повреждение приводного ремня |
| E61 | ТЭН не нагревает воду в течение установленного времени. Чаще всего неисправность связана с образованием слоя накипи на нагревателе |
| E69 | Нагреватель не работает. Возможные причины – неисправность нагревателя, обрыв в цепи, подающей напряжение на ТЭН |
| E40 | Люк не закрыт. Возможная причина – неисправность замка дверцы люка |
| E41 | Дверца люка закрыта негерметично |
| E42 | Неисправно устройство блокировки люка |
| E43 | На плате ЭБУ поврежден симистор, управляющий работой УБЛ |
| E44 | Не срабатывает датчик закрытия люка. Возможно, неисправен датчик или замок, блокирующий люк |
Под брендом Zanussi производится широкий ассортимент моделей, в которых отсутствует дисплей, например, FL 504 NN, ZWP 581 (СМ с вертикальной загрузкой белья), ZWS 382, ZWS 3102, FE 802, FA 832, СМ серии Aquacycle и многие другие. Коды ошибок в таких агрегатах определяются по индикаторам. Расшифровать неисправности не так просто, потому что в таких СМ существует несколько разновидностей контроллеров, и каждый из них отображает коды по-своему.
Панель управления EWM 1000
Подобные панели управления имеют горизонтальное или вертикальное расположение кнопок.
EWM 1000 с горизонтальным расположением кнопок
Панель EWM 1000 с вертикально расположенными кнопками
Код ошибки вычисляется по количеству миганий двух индикаторов: «Конец программы» высвечивает первую цифру кода, а «Старт/Пауза» – вторую цифру (согласно приведенной выше таблице). Буква «E» не отражается, поскольку она присутствует во всех кодах.
Буквы от A (10 миганий) до F (15 миганий) индицируются согласно шестнадцатеричному коду. Пауза между миганиями – около 0,5 сек. Повторение цикла происходит через 2,5 сек.
Панель управления EWM 2000
Такой контроллер установлен, например, в популярной модели СМ Aquacycle 900.
Ошибка E41, высвечиваемая индикаторами панели управления EWM 2000
4 лампочки вверху отображают первую цифру кода, 4 внизу – вторую цифру. Каждый индикатор имеет свое значение, увеличивающееся от нижнего светодиода к верхнему: 1, 2, 4, 8. При их сложении получается итоговая цифра. Значения больше 9 соответствуют буквам шестнадцатеричного кода: например, цифра 15 соответствует F.
Почему выходит из строя
Существует несколько причин, в результате которых плата приходит в негодность:
- Попала жидкость;
- выход из строя конденсаторов;
- поломка резисторов;
- короткое замыкание;
- сломанный триггер;
- вышел из строя тиристорный блок.
Произошел скачок напряжения
Скачок появляется в случае резкого обрыва питания — например, при отключении машины от сети во время стирки. Например при падении вольтажа с 220 до 110-130 вольт, произойдет отключение двигателя. А при превышении напряжения на 20-30 вольт от номинала, как минимум сгорит сетевой фильтр установленный в корпусе. И как максимум – повлечет за собой выгорание элементов платы и дорогостоящий ремонт.
Сгорел сетевой фильтр
Чтобы избавить машинку от перегрузок в сети, производители предусматривают сетевые фильтры. Эти устройства первыми принимают на себя последствия перепада напряжения. Понять, сгорел фильтр или нет, можно при помощи несложной диагностки — снять верхнюю крышку, под которой располагается деталь, и извлечь ее из корпуса. Фильтры меняются но новые и не подлежат ремонту.
https://youtube.com/watch?v=he6z3YdSit8
Произошло короткое замыкание
Замыкание способно полностью вывести из строя плату управления: ее компоненты перегорят, потребуется либо ремонт, либо замена контроллера на новый. Такое случается со старыми машинками.
На контроллер попала вода
Повышенная влажность губительна для стиральной машины, которая эксплуатируется в ванной комнате. При транспортировке бывшей в употреблении машины извлекайте отсек для порошка — в нем может скопиться вода, которая попадет на плату управления. При первом же включении, жидкость уничтожит элементы контроллера, замкнув электрические цепи.
Внутри корпуса оборвалась проводка
Обесточьте машину и внимательно осмотрите жгут проводов, идущих от сетевого фильтра к блоку управления. Замените оборванные провода на новые. Если видимых повреждений нет, приступайте к диагностике мультиметром.
https://youtube.com/watch?v=hPXa1uKODnM
Микросхема повредилась при перевозке
Небрежная транспортировка может привести к трещинам, сколам, вмятинам снаружи и огромный ущерб деталям, скрытым под корпусом. Наиболее уязвимое место в стиральной машине — барабан, который крепится к корпусу посредством амортизаторов для уменьшения вибраций. При тряске или мощном ударе контроллер выйдет из строя. Поэтому, всегда закрепляйте бак с помощью транспортировочных болтов.
Вам достался бракованный контроллер
Брак на плате видно сразу: элементы плохо припаяны, дорожки не очищены от флюса и местами отслаиваются и так далее. Проблемы с бракованной деталью проявятся сразу после начала эксплуатации. Если есть гарантия на машинку, лучше обратитесь в сервис, чтобы деталь заменили бесплатно.
https://youtube.com/watch?v=mdWnwyfYH5Y
Сигналы о неисправностях стиральных машин Электролюкс без дисплея
Сигнал о неисправности стиральная машина Электролюкс без дисплея на панели управления подает миганием индикаторов. В зависимости от типа модуля управления (EWM 1000 или EWM 2000) комбинация кодовых миганий и способ их расшифровки отличается.
В стиральной машине с модулем управления EWM 1000 (уточнить тип модуля можно в паспорте бытового прибора) расшифровать код ошибки можно по миганию двух светодиодных лампочек, расположенных возле кнопки «Старт/Пауза» и «Окончание стирки» (на фото п.2).

Количество миганий первого светодиода — первая цифра кода ошибки. По количеству миганий второго индикатора определяют вторую цифру кода.
Например: первый индикатор моргнул три раза, через две секунды второй индикатор моргнул пять раз. Такая комбинация миганий индикаторов сигнализирует об ошибке Е35.
В стиралке с модулем управления EWM 2000 в расшифровке сигнала о поломке задействованы восемь светодиодных лампочек (расположены по вертикали в правой части панели). Четыре верхние лампочки отвечают за первую цифру кода ошибки, четыре нижних светодиода — а вторую цифру кода (на фото п.3, п.4). Отсчет светодиодных лампочек начинают снизу вверх.

Используя таблицу, рассмотрим на примере расшифровку кода ошибки Е53. В нижнем ряду четырех индикаторов загорается первая и третья лампочка, в верхнем ряду четырех индикаторов загорается первая и вторая лампочка.
| Код ошибки | Причина | Что делать? |
| Е10,Е11 | Проблема с набором воды в барабан | Проверить давление воды в системе водоснабжения, прочистить впускной фильтр, протестировать (заменить) клапан залива воды |
| Е13 | Протечка с поддон | Проверить все элементы стиралки на предмет течи |
| Е20,Е21,Е23,Е24,EF0, EF1 | Проблема со сливом воды | Проверить на предмет засоров крыльчатку сливного насоса, сливной шланг, протестировать сливную помпу, осмотреть контакты насоса |
| Е31,Е32,Е33,Е34,Е35,Е38 | Проблемы с наполнением бака | Проверить, чтобы ничего не мешало свободному закрыванию дверцы люка, протестирвоать датчик уровня воды, прочистить систему забора воды |
| Е40,Е41,Е42,Е43,Е44,Е45 | Отсутствует блокировка люка | Протестировать устройство блокировки люка, проверить замок на предмет механических повреждений, открыть и заново закрыть дверцу люка до характерного щелчка. |
| Е51 | Неисправен симистор двигателя | Протестовать и при необходимости заменить симистор |
| Е50,Е53,Е54,Е55 | Неполадки в работе электродвигателя | Заменить щетки мотора, протестировать работу таходатчика, датчика Холла, протестировать функционирование двигателя. |
| Е52,Е56,Е59 | Неисправен тахогенератор | Протестировать и при необходимости заменить датчик контроля скорости вращения двигателя |
| Е57,Е58 | Проблема с мотором | Проверить правильность подключения бытового прибора в сеть, перезапустить стиральную машину, прозвонить цепь контроллера |
| Е61,Е62,Е66,Е68,Е69,Е3А, Е41,Е74 | Проблемы с нагревом воды (вода не нагревается или наоборот температуры воды превышает установленную программой норму) | Проверить контакты ТЭНа и температурного датчика |
| Е90,Е91 | Отсуствует связь с модулем управления | Протестировать блок управления при необходимости заменить неисправные элементы |
| EF5 | Дисбаланс барабана | Откорректировать вес загруженного белья согласно норме, равномерно распределить белье по барабану |
| EF2 | Чрезмерное образование пены | Проверить систему слива, запустить новую стирку с меньшим количеством моющего средства |
| EH1 | Частота напряжения не соответствует норме | Протестировать показатель напряжения в сети, правильность подключения стиральной машины |
| EH2 | Слишком высокое напряжение | Проверить показатель напряжения в сети электроснабжения дома. |
| EH3 | Слишком низкое напряжение | Проверить показатель напряжения, привести несоответствие в норму (возможно потребуется помощь электрика) |
Этапы диагностического теста
При переключении в режим диагностики вне зависимости от типа панели управления машины (с вертикальным или горизонтальным расположением кнопок) и настройки селектора программ поверните селектор по часовой стрелке, чтобы выполнить диагностику различных компонентов машины и просмотреть коды неисправности. Во время выполнения диагностики доступны все коды неисправности
| — | Положение селектора | Активированные компоненты | Условия | Проверяемая функция |
| 1 |
|
Доступно всегда | Пользовательский интерфейс | |
| 2 |
|
|
Вода подается через дозатор основной стирки | |
| 3 |
|
|
Вода подается через дозатор моющего средства для предварительной стирки (для отбеливателя) | |
| 4 |
|
|
Вода подает через дозатор для смягчителя | |
| 6 |
|
|
Нагрев | |
| 7 |
|
|
Проверка утечек в барабане | |
| 8 |
|
|
Слив и отжим, проверка согласованности срабатывания реле давления на соответствующих уровнях | |
| 9 |
Только для машин с вертикальной загрузкой и системой позиционирования барабана:
|
|
Проверка позиционирования барабана |
(*) В большинстве случаев этого времени достаточно для проверки нагрева. Тем не менее, время можно увеличить за счет повторения этапа нагрева без слива воды: перейдите ненадолго к другому этапу диагностики, а затем вернитесь на этап проверки нагрева (если температура превышает 80°C, нагрев должен отключиться).
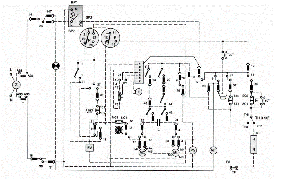
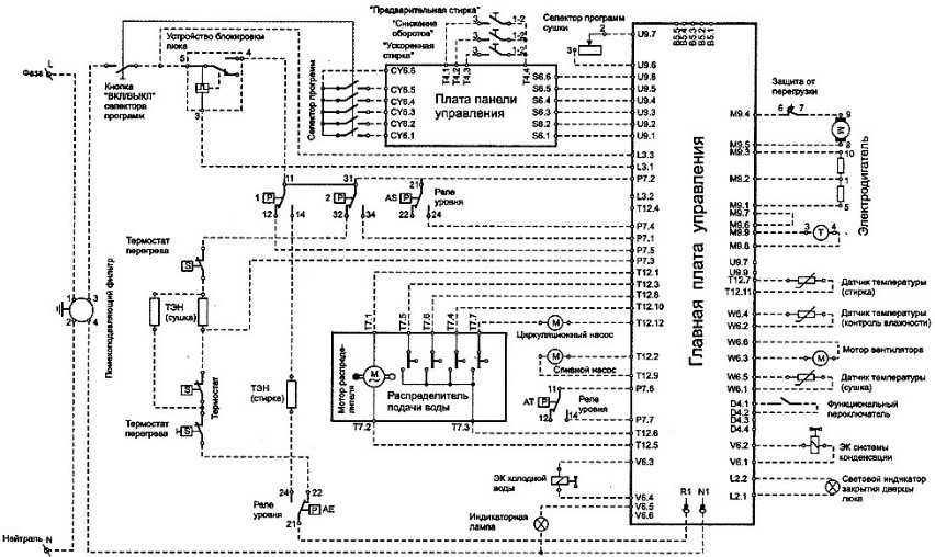
Примеры электрических схем стиральных машин
Принципиальная электрическая схема может помочь выполнить диагностику неисправностей с помощью сетевого тестера. Разобраться в них самостоятельно – задача крайне сложная. Без соответствующего энергетического образования, опыта в обращении с микроэлектронными схемами будет крайне трудно прочитать эти чертежи.
Для лучшего понимания того, что изображено на этих схемах, под ними будут расшифрованы некоторые наиболее часто используемые обозначения.

Схема стиральной машины Аристон

Схема стиральной машины Ардо

Схема стиральной машины Электролюкс

Схема Канди
- AQS – электромагнитный клапан;
- B – зуммер (прибор для подачи аудио сигналов);
- BP – запорный механизм дверцы люка;
- ET – термостат (выкл.);
- EV – электромагнитный клапан;
- I – инвертор (переключатель);
- IP – предохранитель;
- L – линия;
- M – главный электродвигатель/заземление;
- MC – электродвигатель/обмотка отжима;
- MI – асинхронный электродвигатель
- ML – электродвигатель/обмотка стирки
- MO – коробка;
- MP – выключатель дверцы люка;
- MR – магнитный замок;
- N – нейтраль/колодка;
- NTC – датчик температуры;
- P – датчик давления;
- PM – релейная защита электродвигателя;
- PS – сливной насос;
- R – резистор нагревательного элемента;
- RR, RTF – нагревательный элемент;
- T – датчик скорости вращения барабана;
- TH – датчик температуры.
Наиболее распространенные поломки и их причины
Специалисты сервисных центров уже много лет ремонтируют стиральную технику Zanussi. За это время накопилось достаточно информации, чтобы представить статистику распространенных неисправностей СМ этой марки и причин, приводящих к поломкам:
- Ненадежные приводные ремни, которые со временем растягиваются и проскальзывают в шкиве, что приводит к замедлению вращению барабана. Возможна остановка барабана из-за ремня, слетевшего со шкива.
- Устройства блокировки люка (в дальнейшем также – УБЛ, замок) не отличаются высоким качеством. Множество ремонтов СМ Zanussi связано именно с этой поломкой.
- Трубчатые электронагреватели (в дальнейшем также – ТЭН) не рассчитаны на работу с жесткой водой, поэтому быстро покрываются накипью и сгорают от перегрева.
Кроме недоработок производителя существуют проблемы в работе, общие для СМ всех марок, включая агрегаты как с фронтальной, так и с вертикальной загрузкой:
- Засоры в системе слива воды, в результате которых машинки плохо отжимают белье и сливают воду из бака не полностью.
- Быстрый износ деталей из-за контакта с жесткой и загрязненной водой. Грязная и ржавая вода из водопровода забивает входные фильтры, нарушая работоспособность АСМ.
Основные причины поломок стиральных машин Zanussi – нарушение правил эксплуатации и жесткая вода в водопроводе
Устройство и принцип работы: описание
Блок управления стиральной машиной — одна из наиболее важных и дорогостоящих деталей в системе. В большинстве случаев является универсальным для всех типов устройств и представляет собой набор печатных плат с электронными компонентами. Первая микросхема отвечает за подачу команд исполнительным узлам машины, а вторая осуществляет управление режимами стирки.
Основной функционал:
- контроль давления воды;
- запуск насосов;
- блокировка дверцы;
- контроль температуры воды;
- регулирование работы электродвигателя;
- регулирование программ стирки.
Реле, симисторы и тиристоры с помощью сигналов от вспомогательных датчиков коммутируют электрический импульс в зависимости от программы стирки, которую вы выбираете кнопками и рычажками на передней панели. Все переключатели находятся на плате индикации и связаны с контроллером через провода. Благодаря блоку управления можно выбирать режимы стирки, выполнять конкретные операции (например, только отжим или слив воды) и следить за ходом процесса.
https://youtube.com/watch?v=P0Aj1sJda2g
Признаки поломки модуля управления
- соответствующий код ошибки на дисплее;
- индикаторы панели хаотично мигают;
- программы не включаются, работают некорректно;
- путается последовательность процессов, пропускаются некоторые этапы;
- температура воды, время стирки не соответствуют назначенному режиму;
- двигатель самопроизвольно меняет количество оборотов;
- барабан беспричинно изменяет направление вращения.

Для диагностики придётся снять верхнюю крышку стиралки, демонтировать переднюю панель, чтобы добраться до платы управления. Сняв плату, убедитесь в целостности элементов микросхемы визуально и прозвонив мультиметром. Процесс проверки платы управления поможет провести это видео:
Убедившись в целостности «материнки», микроконтроллера, можно организовывать подготовку прошивки для стиральных машин
Обратите внимание, есть ли у модуля разъёмы подключения оборудования. Когда таковые отсутствуют, программное обеспечение восстанавливается через процессор
Для этого используется дорогая, профессиональная аппаратура, которая есть в сервисных центрах.
Замена модуля управления
Если контроллер не подлежит ремонту, и специалисты сервисного центра это подтвердили, то его придётся менять. Покупка б/у платы – это кот в мешке, поэтому лучше смотреть в сторону новых устройств. Благо они продаются практически в каждом специализированном магазине, в особенности если речь идёт о технике известных брендов.
Ремонт блока управления стиральной машины – задача, требующая вмешательства квалифицированного персонала. Самостоятельный демонтаж платы управления стоит делать только тогда, когда срок гарантии истек. Если это произошло, и другие методы борьбы с неисправностями не помогают – модуль снимается, при отсутствии навыков починки электронной аппаратуры его можно заменить целиком.
https://youtube.com/watch?v=5rYbjUSuqK0
Примечания относительно некоторых кодов неисправностей
- Коды неисправности настройки E93-E96: при индикации кодов неисправности настройки (при включенной машине) машина находится в нерабочем состоянии, все индикаторы светятся. Переход в режим диагностики невозможен. Единственная возможная операция — выключение машины (установка селектора программ в положение «0»).
- Код неисправности настройки E94: для данного кода неисправности выполняется только индикация семейства с кодом 9. Переход в режим диагностики невозможен, функция быстрого просмотра кодов неисправности недоступна.
- Коды неисправности EB1-EB2-EB3: При неисправности в сети электропитания машина находится в аварийном режиме до восстановления частоты или напряжение в сети электропитания до номинальных значений или до отключения (установка селектора программ в положение «0»). Выполняется индикация кодов неисправности семейства «В». Переход в режим диагностики невозможен, функция быстрого просмотра кодов неисправности недоступна. Полностью код неисправности можно просмотреть только после устранения причины неисправности.
- Коды неисправности E51- E52: в режиме диагностики выполняется индикация всех кодов неисправности. Обычно при переключении селектора из одного этапа проверки на другой машина выходит из аварийного режима и выполняет выбранный этап проверки. Это не происходит в случае аварийного сигнала E51 (короткое замыкание в цепи симистора питания электродвигателя) и аварийного сигнала E52 (нет сигнала с тахогенератора электродвигателя): в этих случаях единственный способ выхода из аварийного режима — выключение машины с помощью установки селектора в положение «0» (сброс).
Прошивка модулей
Чтобы прошить машину самому через ноутбук, понадобится:
- ноутбук;
- электронная плата вышедшей из строя машинки;
- программатор с драйверами;
- программа для прошивки, соответствующая модификации СМА.
Программатор — специальное устройство, соединяющее модуль с ноутбуком. С его помощью программа, установленная на ноутбук (компьютер), восстанавливает командные алгоритмы в памяти СМА.
Выбор программатора для прошивки

Для каждой торговой марки выпускается отдельный программатор. Драйвера (если они не идут комплектом), индивидуальные программы для СМА, есть в свободном доступе на специализированных сайтах, страницах разработчиков. В частности, чтобы перепрограммировать стиральную машину Indesit, используется USBDM Memory Dump, так называемый программатор «Аркадия». Он подойдёт платформам брендов Electrolux, Whirlpool, Ariston.

Как прошить модуль управления самому

- Подключите прибор в подходящий разъём ПК.
- С противоположного конца соедините с микросхемой.
- Установите драйвера, программный файл.
- Откройте вкладку «Панель управления», окно «Диспетчер устройств».
- Вкладка USBDM высветит наименование присоединённого прибора.
- Чтобы перепрошить, откройте окошко Target.
- Номер модуля распознаёт отдел Device Selection.
- Нажмите ключ Load Hex Files.
- Загрузите «прошивочный» документ.
- Выберите кнопку Program Flash.
- Ждите, пока файл выполнит процесс.
Если вы всё сделали правильно, а микросхема не распознаётся, возможно, при диагностике вы пропустили повреждения элемента. Ещё раз проверьте мультиметром полупроводники, симисторы, прочие части электросхемы.
Как видите, вполне реально провести такую процедуру самому. Главное — вооружиться необходимыми знаниями, соответствующим оборудованием, энтузиазмом. Терпения вам и удачного ремонта!
Плохо
17
Интересно
57
Супер
21





























