DIY: Ламповый усилитель на 100Вт
Как оказалось, сделать не сложно. Уже довольно давно я задумывался на тему сборки лампового усилителя. Несмотря на то, что познаний в области ламповой схемотехники у меня практически никаких нет, покупать готовый не хотелось. И не являясь фанатичным любителем теплого лампового звука, для меня был интересен сам процесс сборки. Самым сложным оказалось — найти выходные трансформаторы. Себе купил уже готовые от усилителя ТУ-100М. Схему почти полностью повторил как на ТУ-100М с небольшими изменениями. Вся теория очень хорошо расписана тут и тут.
Сборку корпуса начал с каркаса, который сделал из алюминиевого профиля. C запасом по прочности немного переборщил.
Верхнюю часть корпуса сделал из 3мм. стали Отверстия для трансформаторов и ламп были вырезаны лазером.
Дно вырезано из 2мм. стали с вентиляционными отверстиями.
Переднею панель сделал из вот такого куска алюминия.
После шлифовки:
Вырезанная и готовая.
Электрическая схема. Оконечный усилитель собран по двухтактной схеме на двух лампах Г-807(широко распространена).
Предварительный усилитель содержит два каскада усиления, собранных на двойном триоде 6Н9С(зарубежный аналог 6SL7, особенно ценятся лампы Московского Электролампового завода выпуска 50-х годов).
Достоинства 6Н9С: 1)Лампа изначально разработана для звукового применения. 2)Два триода в баллоне. 3)Высокая линейность. 4)Широкое распространение, невысокая цена. Недостатки: 1)Высокое внутреннее сопротивление.
Предоконечный усилитель (промежуточное звено между однотактным и двухтактным усилителями) собран по фазоинверсной схеме на двойном триоде 6Н9С, основное назначение –формирование из входного сигнала двух взаимно противофазных, равных по амплитуде сигналов. В схеме ТУ-100М лампа усиливает входной сигнал и усиленное ею напряжение поступает на сетку лампы первого плеча двухтактного усилителя. Часть выходного напряжения первой лампы фазоинверсного усилителя подается на вход второй лампы этого усилителя. Напряжение, усиленное второй лампой фазоинверсного усилителя, поступает на сетку лампы второго плеча двухтактного усилителя. Т.о. для первого плеча двухтактного усилителя сигнал проходит через одну лампу, а для второго через две.
Необходимо чтобы напряжение, подаваемое на вход первого плеча, было бы равно напряжению на вход второго плеча. Попробовал немного другую схему, с измененным фазоинверсным каскадом. Нарисовал в painte) Преимущества: 1) Пониженные требования к фильтрации напряжения питания. 2) Крайне низкий уровень шумов. 3) Равные выходные напряжения плеч.
Панельки для ламп 6Н9С.
В корпусе усилителя собран ЦАП с возможностью подключения к компьютеру по USB.
Первый, наладочный вариант.
Экраны трансформаторов были вырезаны из 2мм стал.
После подгонки напильником.
После шлифовки.
Покраска корпуса лаком.
Готовый блок.
еще немного фотографий Оранжевое свечение накалов и создаёт приятную атмосферу при прослушивании, которая присуща усилителям на лампах.
Стоимость. Трансформаторы, радиолампы Г807, панельки под лампы – 5000руб. (avito.ru) Радиолампы 6Н9С (4шт.) – 560руб. (Радиомагазин ) Алюминиевый профиль для каркаса — 1500руб. брал с запасом (Леруа Мерлен) 3мм стальной лист с лазерной резкой отверстий для трансформатора – 700руб. Дно с вырезанными вентиляционными отверстиями – 700руб. Экраны для трансформаторов – 3300руб. Конденсаторы и разная мелочь – 3000руб. Расходные материалы -1000руб. Итого: 15760руб. в общем, потратил примерно 3 свои стипендии.
В завершение хочу сказать, что высокие напряжения слишком коварны. В ламповых конструкциях используются опасные для жизни напряжения. При работе со схемами будьте предельно внимательны и осторожны! Опасность представляет даже устройство, отключенное от электрической сети — конденсаторы могут хранить заряд долгое время, сам несколько раз убеждался в этом). Ставил каждый раз галочку, когда конденсаторы разряжались на меня. Бодрит!
Усилитель звука своими руками
У каждого радиолюбителя есть мечта, собрать мощный усилитель низкой частоты своими руками. Благодаря современным технологиям любую мечту легко осуществить. Например, собрать высококачественный усилитель мощности HI-FI класса устанавливаемый в дорогой радиоаппаратуре на микросхеме TDA7850. Эта микросхема представляет собой 4-х канальный усилитель НЧ с максимальной выходной мощностью 4х50 Вт на каждый канал при подключении динамических головок с сопротивлением 4 Ом, что в сумме составляет 200 Вт. Номинальная мощность усилителя 4х30 Вт. Чем отличается максимальная мощность от номинальной? Тем, что максимальную мощность усилитель выдает кратковременно, например во время воспроизведения баса. Номинальная мощность, это мощность при которой усилитель может работать без повреждений длительное время, например воспроизводить музыку.
На этом рисунке изображена схема усилителя низкой частоты на микросхеме TDA7850.

Усилитель звука НЧ на микросхеме TDA7850
Чтобы собрать эту схему, вам понадобится минимальное количество радиодеталей. Процессором усилителя является микросхема TDA7850 заменить её можно только на TDA7560, других аналогов нет. Ни в коем случае не ставьте сюда микросхемы TDA7850A, TDA7850EP, TDA7850H у них совершенно другая распиновка. Все резисторы металлоплёночные мощностью 0.125 Вт или 0.25 Вт. Чтобы не было искажения звука конденсаторы лучше всего поставить полиэстеровые с рабочим напряжением не менее 25 вольт. Конденсаторы С5, С7, С8 обычные электролитические. Кстати С7 и С8 можно заменить одним конденсатором емкостью 10000 мкФ 25В. Большая емкость нужна, чтобы не было просадки напряжения и хрипов во время сочного баса. У микросхемы имеется функция бесшумного включения ST-BY устраняющая щелчки при включении усилителя и функция MUTE, которая устраняет шипение во время отсутствия сигнала на входе усилителя.
По умолчанию эти две функции желательно включить поставив две перемычки в местах отмеченных на схеме Jmp1 и Jmp2. К усилителю можно подключать четыре динамические головки с сопротивлением катушки 4 Ом и номинальной мощностью 50 Вт. Напряжение питания усилителя однополярное от 12 до 16В. Для питания усилителя лучше всего использовать блок питания от компьютера или бортовую сеть автомобиля. На максимальной громкости с четырьмя динамиками усилитель потребляет более 6А. Во время работы, особенно на максимальной громкости микросхема TDA7850 очень сильно нагревается, поэтому необходимо поставить большой радиатор от компьютерного процессора или принудительное охлаждение в виде небольшого вентилятора.

Детали усилителя разместите на печатной плате размером 80х53 мм. Жёлтыми линиями на печатной плате отмечены перемычки, которые необходимо установить. Если вы хотите подключить усилитель к 4-х канальной магнитоле, тогда необходимо удалить две перемычки соединяющие входы IN1, IN2 и IN3, IN4. При подключении к МП3 плееру, телефону, 2-х канальной магнитоле, перемычки должны стоять на своих местах.

Печатная плата усилителя звука на микросхеме TDA7850
В качестве источника звука я подключил универсальный МП3 плеер. Провода соединяющие вход усилителя с источником звука обязательно должны быть экранированными, иначе будет присутствовать противный фоновый шум.

К усилителю можно подключать 4 динамика с сопротивлением катушки 4 Ом и номинальной мощностью 50 Вт. Я подключил всего два динамика АС JVC CS-DR1720, для моих целей вполне достаточно. Звук очень громкий и качественный, как в дорогих автомобильных магнитолах. Осталось установить динамики на свои места и наслаждаться великолепным звучанием.
Радиодетали для сборки усилителя звука низкой частоты
- Микросхема TDA7850 или TDA7560
- Резисторы 0.125 — 0.25 Вт R1, R5 470K, R2, R3 10K, R4 47K
- Конденсаторы C1, C2, C3, C4 0.1mf, C5 47mf 50V, C6, C9 1mf, C7, C8 4700mf 35V, C10 0.47mf
- Динамики 4 шт. сопротивление катушки 4 Ом номинальная мощность 50 Вт из недорогих и качественных АС JVC CS-DR1720
Друзья, желаю вам удачи и хорошего настроения! До встречи в новых статьях!
Рекомендую посмотреть видеоролик о том, как сделать усилитель звука своими руками
Блок питания усилителя

Схема выпрямителей блока питания и стабилизатор напряжения фиксированного смещения ламп
Выпрямитель анодного напряжения
Анодный выпрямитель не имеет каких либо особенностей. Диодный мостик собран из четырех советских диодов типа КД206. Можно с успехом использовать 4 диода типа 1N4007. При этом размеры выпрямителя будут меньше.
Пульсации выпрямленного напряжения сглаживаются пассивным фильтром, состоящим из конденсаторов С2, С4 и дросселя L1. Дроссель можно взять от старого телевизора или лампового приемника. В крайнем случае его можно заменить на обычный резистор сопротивлением 22 — 24 Ом и мощностью не менее 5 Вт.
Входное напряжение (от силового трансформатора) может быть в пределах 220 — 260 вольт.
Цепи накала
Цепи накала всех ламп используют переменное напряжение 6.3В. Параллельно проводам цепей накала включен подстроечный резистор R1, движок которого соединен с «землей». Такая схема в ламповых усилителях позволяет минимизировать наводки от цепей накала с частотой 50 Гц. Настраиваем его так: включаем усилитель, устанавливаем регулятор громкости в минимальное положение и прослушивая выходной сигнал, поворачиваем движок этого продстроечника. Добиваемся минимума проникновения фона с частотой сети.
Выпрямитель и стабилизатор отрицательного напряжения для фиксированного смещения оконечных ламп.
Этот узел нужен ТОЛЬКО если вы решили сделать усилитель с фиксированным смещением на лампах 6П1П. В остальных вариантах схемы усилителя этот узел не нужен.
Для получения напряжения смещения используется обмотка силового трансформатора с выходным напряжением 24 В. наша задача получить на выходе стабилизированное отрицательное напряжение в районе -22 вольта.
в 2006 году я использовал диодный мостик типа КЦ405. Здесь можно использовать любой диодный мостик китайского производства, либо 4 диода 1N4007. Все электролитические конденсаторы стабилизатора рассчитаны на напряжение 35 вольт. Стабилизатор выполнен на транзисторе VT1 типа BD140. Можно использовать отечественные транзисторы КТ814, КТ817 и другие средней мощности и структуры PNP.
Цепочка стабилитронов в базовой цепи транзистора должна быть на суммарное напряжение 22 вольта. Для подбора стабилитронов можно использовать вот такой тестер>>.
Подстроечные резисторы R5, R6 служат для регулировки напряжения смещения и соответственно тока покоя выходных ламп.
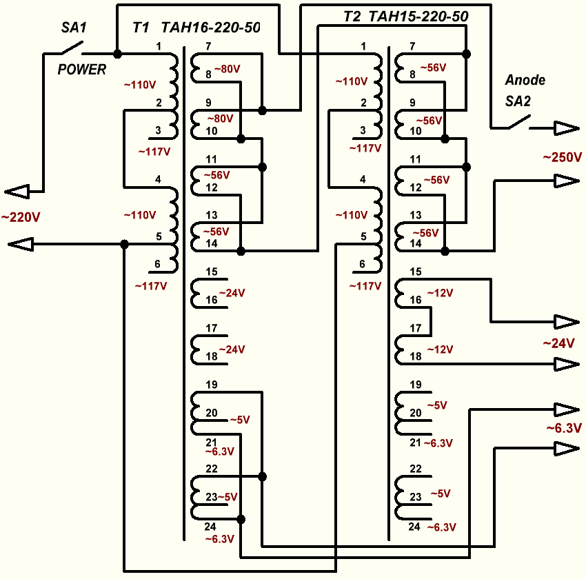
Подключение советских трансформаторов типа ТАН
В своем первом усилителе по этой схеме я использовал два силовых унифицированных трансформатора, которые были у меня в наличии. Об этом я уже рассказывал в начале статьи. Здесь я привожу схему того, как я соединил два трансформатора для получения нужных напряжений и нагрузочной способности. Более подробно об этих трансформаторах можно почитать в статье>>.

Схема включения двух силовых трансформаторов в моей первой версии усилителя
SA1 — это выключатель питания. SA2 — выключатель анодного напряжения. дело в том, что для увеличения срока службы ламп анодное напряжение лучше подавать только тогда, когда катоды лампы полностью прогреются. Если включать анод сразу, при холодных нитях накала, это ведет к разрушению активирующего слоя на катодах ламп. Поэтому сначала включаем SA1, ждем пару минут пока прогреются катоды ламп и только после этого включаем SA2.
Вы можете сделать также, либо попробовать использовать только один трансформатор типа ТАН16, однако он будет довольно серьезно нагреваться, так как для него это будет предельная нагрузка.
Другой совет — использовать хороший трансформатор с Алиэкспресс и отказаться от фиксированного смещения в пользу автоматического.
КВ усилитель на двух ГК71. Схема.
КВ усилитель на ГК 71 я решил сделать по схеме с общими сетками. Почему пал выбор на лампы ГК71? Да потому что эти лампы были проверены временем. Это очень надёжная лампа. Надо очень постараться чтобы её убить. Но убить всё таки можно. Так как умельцы у нас есть и в этой области. Но я пошёл по пути наименьшего сопротивления. Очень много в интернете подобных схем кв усилитель на гк 71. Я сделал КВ усилитель на ГК 71 основываясь на другие схемы. Но с некоторыми изменениями. Потому что каждый человек вносит что то своё. И делает так как считает нужным. Моя схема не исключение. Потому что я тоже брал что то за основу, а потом добавлял другие решения. Всё практически одно и тоже, за исключением некоторых моментов. КВ усилитель на ГК71 — характеристики усилителя в предыдущей статье.

Схема усилителя
В архиве для скачивания будут фото, сделанные на всех этапах сборки. А так же некоторые данные.Но несколько фотографий усилителя я разместил в описании. Ниже фото на монтаж с низу шасси.

вид на монтаж в подвале шасси.
В схеме КВ усилитель на ГК71 есть некоторые особенности. Хотя можно обойтись и без этого. Схема построена по классическому варианту, и ничего особенного в схеме я не применил. Так как схемы с такими лампами давно обкатаны, всё отработано. Возможно кто то и возмутится, типа сделал велосипед. Но не надо торопиться. Ниже фото усилителя- вид сверху. На фото Вы увидите как я сделал контур на диапазон 28 мГц. Контур спиральный плоский. Но только благодаря применению такого контура удалось получить высокую мощность в диапазоне 28 мГц

Вид на монтаж сверху
Краткое описание УМ на ГК 71
Переключение усилителя в режим передачи осуществляется с помощью педали и или кнопки S1. Но в цифре предусмотрена возможность VOX . VOX я собрал на транзисторе VT5. При срабатывании, контактами реле Р 17 усилитель переводится в режим передачи. VOX активируется нажатием кнопки S7 (FM/SSB). Кнопка S3 (обдув выкл.) служит для включения обдува. Но когда усилитель находится в дежурном режиме, вентилятор обдува работает в половину своих оборотов. Но когда усилитель переводится в режим передачи, то включается на полные обороты.

полосовые фильтры
Усилитель на входе имеет полосовые фильтры, на вход которых подключается трансивер. Потому что у меня два трансивера, я сделал на входе два гнезда для подключения трансиверов. Выбор осуществляется с помощью переключения реле Р 15. В нажатом положении кнопки S9, трансивер будет подключен вход 2. При отжатой на вход 1. Так как техника дорогая, то необходимо позаботиться о безопасности трансивера. Поэтому я на входе поставил дроссель L8.В случае если попадёт высокое напряжение, через этот дроссель оно стекёт на корпус.
Далее
Так как лампы при включении накала практически сразу готовы к работе, я сделал возможность подавать полный накал в режиме передачи. Но полный накал можно и включить сразу.

накальный дроссель на сердечнике от ТВС
Накалом управляет реле Р18. При включении усилителя на передачу контакт реле перекидывается на вторую обмотку накального трансформатора. Потому что в режиме приёма контакт соединён с корпусом. Таким образом на накал ламп подаётся половина напряжения. Но в усилителе предусмотрено плавное включение. Работает следующим образом. При включении кнопки S5 на анодный трансформатор подаётся напряжение. После этого включается реле, подключенное через диод к обмотке 3 анодного трансформатора. Замыкается контакт реле Р2.1 и шунтирует резистор в цепи питания трансформатора ТР1. В качестве токоограничивающего резистора используется лампочка на 110 вольт. Но можно использовать галогенную на 220 вольт.(есть такие малогабаритные) Так как переключение диапазонов осуществляется реле В 1 В использую галетный переключатель. Смотрите схему переключения диапазонов.

конструкция п контура
Ну вот вроде и всё, если коротко. Ниже я разместил ссылку на скачивание печатных плат и всех других схем. А также процесс сборки в фото. Если кому мешает логотип на фото, напишите мне на почту указав свой позывной. Я вышлю чистые фото. Логотип по той причине, что сайт молодой и боты (и не только боты, воруют контент и размещают на своих ресурсах)
Транзисторный усилитель мощности на 100 Ватт

Всем Привет! В этой статье я буду подробно описывать как изготовить классный усилитель для дома или авто. Усилитель несложный в сборке и настройке, и имеет хорошее качество звучания. Ниже вашему вниманию представлена принципиальная схема самого усилителя.

Схема выполнена на транзисторах и не имеет дефицитных деталей. Питание усилителя двуполярное +/- 35 вольт, при сопротивлении нагрузки в 4 Ома. При подключении 8-ми Омной нагрузки, питание можно увеличить до +/- 42 вольт.Резисторы
R7, R8, R10, R11, R14 — 0,5 Вт; R12, R13 — 5 Вт; остальные 0.25 Вт. R15 подстроечный 2-3 кОм.Транзисторы: Vt1, Vt2, Vt3, Vt5 — 2sc945 (на корпусе пишется обычно c945). Vt4, Vt7 — BD140 (Vt4 можно заменить нашим Кт814). Vt6 — BD139. Vt8 — 2SA1943. Vt9 — 2SC5200.
ВНИМАНИЕ!
У транзисторов c945 есть разная цоколевка: ЭКБ и ЭБК. Поэтому перед впайкой нужно проверять мультиметром. Светодиод обычный, зеленого цвета, именно ЗЕЛЕНОГО! Он здесь не для красоты! И НЕ должен быть сверхъярким. Ну а остальные детали видно на схеме.
И так, Погнали!
Для изготовления усилителя нам понадобятся инструменты
: -паяльник -олово -канифоль (желательно жидкий), но можно обойтись и обычным -ножницы по металлу -кусачки -шило -медицинский шприц, любой -сверло 0.8-1 мм -сверло 1.5 мм -дрель (лучше какую-нибудь мини дрель) -наждачная бумага -и мультиметр.
Материалы:
-односторонняя текстолитовая плата размером 10х6 см -лист тетрадной бумаги -ручка -лак для дерева (желательно темного цвета) -небольшой контейнер -пищевая сода -лимонная кислота -соль.
Список радиодеталей я перечислять не буду, их видно на схеме. Шаг 1 Готовим плату
И так, нам нужно изготовить плату. Так как лазерного принтера у меня нет (вообще нет ни каково), плату мы будем изготавливать «по старинке»! Для начала нужно просверлить отверстия на плате для будущих деталей. У кого есть принтер, просто распечатайте эту картинку:

если нет, то тогда нам надо перенести на бумагу разметку для сверловки. Как это сделать вы поймете на фото ниже:

когда будете переводить, не забудьте про размер платы! (10 на 6 см)

вот как то так! Отрезаем ножницами по металлу нужный нам размер платы.

Теперь прикладываем листок к вырезанной плате и фиксируем скотчем, чтобы не съехала. Далее берем шило и намечаем (по точкам) где будем сверлить.

Можно конечно обойтись без шила и сверлить сразу, но сверло может съехать! Дальше должно получиться вот так:

Теперь можно и начать сверловку. Сверлим дырки 0.8 — 1 мм.Как я говорил выше: лучше использовать мини дрель, так как сверло очень тонкое и легко ломается. Я например использую моторчик от шуруповерта.

Дырки под транзисторы Vt8, Vt9 и под провода сверлим сверлом 1.5 мм. Теперь надо зачистить наждачкой нашу плату.

Вот теперь можно и начать рисовать наши дорожки. Берем шприц, стачиваем иголку, чтоб была не острой, набираем лак и вперед!

Подравнивать косяки лучше когда лак уже застынет.

Шаг 2Травим плату Для травления плат я использую самый простой и самый дешевый метод: 100 мл перекиси, 4 ч ложки лимонной кислоты и 2 ч ложки соли.

Размешиваем и погружаем нашу плату.

Далее счищаем лак и получается вот так!

Желательно сразу все дорожки покрыть оловом для удобства пайки деталей.

Шаг 3Пайка и настройка Паять удобно будет по этой картинке (вид со стороны деталей)

Для удобства с начало впаиваем все мелкие детали, резисторы и прочее.

А потом уже все остальное.

После пайки плату нужно отмыть от канифоли. Отмыть можно спиртом или ацетоном. На крайняк можно даже бензином.

Теперь можно и пробовать включать! При правильной сборке усилитель работает сразу. При первом включении резистор R15 надо вывернуть в сторону максимального сопротивления (меряем прибором). Колонку не подключать! Выходные транзисторы ОБЯЗАТЕЛЬНО на радиатор, через изолирующие прокладки.
И так: включили усилитель, светодиод должен гореть, меряем мультиметром напряжение на выходе. Постоянки нет, значит все хорошо. Далее нужно установить ток покоя (75-90mA): для этого замкните вход на землю, нагрузку не подключать! На мультиметре поставьте режим 200mV и подсоедините щупы к коллекторам выходных транзисторов. (на фото отмечено красными точками)

Далее медленным вращением резистора R15 нужно установить 40-45 mV.

Выставили, теперь можно подключить динамик и погонять усилитель на небольшой громкости 10-15 мин. Потом опять нужно будет подкорректировать ток покоя. Ну вот и все, можно наслаждаться!
Вот видео работы усилителя:
Становитесь автором сайта, публикуйте собственные статьи, описания самоделок с оплатой за текст. Подробнее здесь.
Понадобится
Транзисторы мощности и операционный усилитель:
- 2SC5200 Транзисторы х 5 — https://ali.pub/4xjey2
- 2SA1943 Транзисторы х 5 — https://ali.pub/4xjf1k
- ОУ HA17741 x 1 — https://ali.pub/4xjf4h
- SC 2SC2073 Транзисторы х 2.
- S 2SA940 Транзисторы х 2.
- 3 0,33 / 5 Вт резисторы х 10.
- 4.7 / 1W резисторы x 10.
- резисторы 10/2 Вт x 2.
- резисторы 100/1 Вт х 6.
- резисторы 330/1 Вт х 2.
- 10 резисторов х 1.
- 100 резисторов х 1.
- 1K резисторы х 1.
- 5K6 резисторов х 2.
- резисторы 10К х 2.
- 47К резисторов х 1.
- резисторы 100К х 1.
- 33P конденсаторы х 1.
- конденсаторы 220P x 4.
- 680P конденсаторы х 1.
- 0.1 мкФ конденсаторы х 1.
- 10 мкФ / 50 В конденсаторы х 2.
- 100 мкФ / 25 В конденсаторы х 3.
- 10.000 мкФ / 80 В конденсаторы х 2 или х 4.
- Диод 4148 х 2.
- Диодный мост 35A X 1.
- Стабилитрон 15V X 2.
- Катушка 16 витков (медная проволока диаметром 1,5мм).
- 50 К Потенциометры х 1.
- Слюдяная изоляция транзисторов x 10.
- Алюминиевый радиатор х 1.
- Трансформатор 45 — 50 В переменного тока 2 x 30A.
Анодное питание для УМ на 2xГК-71
2800v) и 50 мкф на выходе при нагрузке в 1А, напряжение просаживается где-то на 100-120В. Могу я рассчитывать, что от такого «проседания» качество сигнала не пострадает? Cпасибо!
= Такая просадка при постоянной нагрузке нормально. Снимаете 2800вт. Транс в УИП какую Ргаб..имеет? . Мгновенный провал на выбросе огибающей (при Fн=200Гц)= = 2800 — 2800/ e^(0, 005 * 1000000/ 2800 * 50) = 98в. 100% * 98/2800 = 3,5 %. Искажение формы мало. Ставьте транс в УМ.
Вполне можете
Если обратите внимание на анодные характеристики ГК-71 то это практически горизонтальные линии. При такой просадке качество сигнала не должно пострадать
К сожалению, пока не могу оценить его железо и, соответственно, посчитать габаритную мощность, поскольку транс недоступен. Он находится в работающем УИПе, а разбирать его я пока не стал. Я просто бросил изнутри пару проводов на удвоитель, а стабилизаторы использовал для питания сеток. Спасибо всем за конкретику!
2800v) и 50 мкф на выходе при нагрузке в 1А, напряжение просаживается где-то на 100-120В. Могу я рассчитывать, что от такого «проседания» качество сигнала не пострадает? Cпасибо!
1 А с этого тр-ра? Какое там удвоение? У транса от УИП течет парафин при работе даже на 3-х ГУ-50. :rotate:
Уважаемый! Не наводите тень на плетень! Что же это у Вас за суперусилитель на 3хГУ50 такой? УИП-1 в штатном режиме обеспечивает стабилизированное напряжение 600V при токе до 600mA, что дает 360Вт выходной мощности и 400V при токе 5 мА, что дает еще 20Вт итого 380Втю И это заметьте сутками! И cтабилизированные напряжения получают с одного и того же высоковольтного трансформатора. Скорее всего, Ваш транс либо не от УИПа, либо имеет внутренний деффект
Источник
Накальный трансформатор 2 x ГК-71
- Поделиться
- Поделиться этим сообщением через
- Digg
- Del.icio.us
- Technorati
- Разместить в ВКонтакте
- Разместить в Facebook
- Разместить в MySpace
- Разместить в Twitter
- Разместить в ЖЖ
- Разместить в Google
- Разместить в Yahoo
- Разместить в Яндекс.Закладках
- Разместить в Ссылки@Mail.Ru
- Reddit!
- Поделиться
- Поделиться этим сообщением через
- Digg
- Del.icio.us
- Technorati
- Разместить в ВКонтакте
- Разместить в Facebook
- Разместить в MySpace
- Разместить в Twitter
- Разместить в ЖЖ
- Разместить в Google
- Разместить в Yahoo
- Разместить в Яндекс.Закладках
- Разместить в Ссылки@Mail.Ru
- Reddit!
Давно использую в качестве накальных для ГК71 стандартные трансформаторы ТПП-277. По одному на каждую лампу. Для двух — два, для трёх — три и т.д. Эти трансформаторы имеют мощность 72Вт, четыре обмотки по 5В и две — по 1,35В (на всякий случай, если не будет хватать напряжения накала или захочется несколько форсировать накал). Ток каждой вторичной обмотки — 3,2А. Соединить вторичные последовательно, при этом есть средняя точка. Очень удобно. И при этом трансформаторы имеют качественную изоляцию между обмотками, что позволяет без проблем питать усилитель с безтрансформаторной схемой питания анодной цепи — схемы умножения на восемь — 2500В или удесятирение сети — 3100В для схем с ОС.
Источник
DIY: Ламповый усилитель на 100Вт
Как оказалось, сделать не сложно. Уже довольно давно я задумывался на тему сборки лампового усилителя. Несмотря на то, что познаний в области ламповой схемотехники у меня практически никаких нет, покупать готовый не хотелось. И не являясь фанатичным любителем теплого лампового звука, для меня был интересен сам процесс сборки. Самым сложным оказалось — найти выходные трансформаторы. Себе купил уже готовые от усилителя ТУ-100М. Схему почти полностью повторил как на ТУ-100М с небольшими изменениями. Вся теория очень хорошо расписана тут и тут.
Сборку корпуса начал с каркаса, который сделал из алюминиевого профиля. C запасом по прочности немного переборщил.
Верхнюю часть корпуса сделал из 3мм. стали Отверстия для трансформаторов и ламп были вырезаны лазером.
Дно вырезано из 2мм. стали с вентиляционными отверстиями.
Переднею панель сделал из вот такого куска алюминия.
После шлифовки:
Вырезанная и готовая.
Электрическая схема. Оконечный усилитель собран по двухтактной схеме на двух лампах Г-807(широко распространена).
Предварительный усилитель содержит два каскада усиления, собранных на двойном триоде 6Н9С(зарубежный аналог 6SL7, особенно ценятся лампы Московского Электролампового завода выпуска 50-х годов).
Достоинства 6Н9С: 1)Лампа изначально разработана для звукового применения. 2)Два триода в баллоне. 3)Высокая линейность. 4)Широкое распространение, невысокая цена. Недостатки: 1)Высокое внутреннее сопротивление.
Предоконечный усилитель (промежуточное звено между однотактным и двухтактным усилителями) собран по фазоинверсной схеме на двойном триоде 6Н9С, основное назначение –формирование из входного сигнала двух взаимно противофазных, равных по амплитуде сигналов. В схеме ТУ-100М лампа усиливает входной сигнал и усиленное ею напряжение поступает на сетку лампы первого плеча двухтактного усилителя. Часть выходного напряжения первой лампы фазоинверсного усилителя подается на вход второй лампы этого усилителя. Напряжение, усиленное второй лампой фазоинверсного усилителя, поступает на сетку лампы второго плеча двухтактного усилителя. Т.о. для первого плеча двухтактного усилителя сигнал проходит через одну лампу, а для второго через две.
Необходимо чтобы напряжение, подаваемое на вход первого плеча, было бы равно напряжению на вход второго плеча. Попробовал немного другую схему, с измененным фазоинверсным каскадом. Нарисовал в painte) Преимущества: 1) Пониженные требования к фильтрации напряжения питания. 2) Крайне низкий уровень шумов. 3) Равные выходные напряжения плеч.
Панельки для ламп 6Н9С.
В корпусе усилителя собран ЦАП с возможностью подключения к компьютеру по USB.
Первый, наладочный вариант.
Экраны трансформаторов были вырезаны из 2мм стал.
После подгонки напильником.
После шлифовки.
Покраска корпуса лаком.
Готовый блок.
еще немного фотографий Оранжевое свечение накалов и создаёт приятную атмосферу при прослушивании, которая присуща усилителям на лампах.
Стоимость. Трансформаторы, радиолампы Г807, панельки под лампы – 5000руб. (avito.ru) Радиолампы 6Н9С (4шт.) – 560руб. (Радиомагазин ) Алюминиевый профиль для каркаса — 1500руб. брал с запасом (Леруа Мерлен) 3мм стальной лист с лазерной резкой отверстий для трансформатора – 700руб. Дно с вырезанными вентиляционными отверстиями – 700руб. Экраны для трансформаторов – 3300руб. Конденсаторы и разная мелочь – 3000руб. Расходные материалы -1000руб. Итого: 15760руб. в общем, потратил примерно 3 свои стипендии.
В завершение хочу сказать, что высокие напряжения слишком коварны. В ламповых конструкциях используются опасные для жизни напряжения. При работе со схемами будьте предельно внимательны и осторожны! Опасность представляет даже устройство, отключенное от электрической сети — конденсаторы могут хранить заряд долгое время, сам несколько раз убеждался в этом). Ставил каждый раз галочку, когда конденсаторы разряжались на меня. Бодрит!






























