LM386 Часть 2
Ещё раз о покупке электронных комплектующих на Aliexpress. На этот раз LM386 в корпусе DIP8. Список сокращений: Кг (THD) — коэффициент гармоник ООС — отрицательная обратная связь ЗК — звуковая карта PC — персональный компьютер (англоязычное сокращение) 1. Покупка. После положительных результатов с модулями LM386 захотелось продолжить эксперименты. Были куплены 10 шт. LM386 в корпусе DIP8.

Микросхемы приехали. Вскоре состоялась проверка. Схема стенда — проще простого: всего-то надо подключить питание к выводам микросхемы и померить напряжение на выходе (вывод 5).

Если микросхема исправна, на 5-м выводе присутствует напряжение около половины питающего. Т.к. проверка выполнялась от 4В источника, на выходе ожидалось около 2В.
И тут сюрпрайз: +0,6В. Естественно, в стенде побывали все 10 штук микросхем. У всех — одинаковые симптомы. Сделал фото, открыл спор, через время получил обратно свой доллар.
Отзыв на али:
Дополнительная информация

2. Некоторые замечания о бракованных LM386.
Упрощённая схема LM386:

2.1. Резистор ООС между выводами 1 и 5 легко проверяется омметром: вместо 15 кОм было значение около 20 кОм.
2.2. Обозначение на корпусе: 18CXY LM386 M-82
— это БРАК!
Бракованные микросхемы отправились в мусорное ведро. На их замену с местном инет-магазине были куплены LM386 от производителя UTC. Фото не приводится, т.к. отсутствие полноценного макро объектива не позволяет отснять надписи на корпусе.
3. Продолжение экспериментов. Вновь прибывшие микросхемы также были проверены на стенде: +1,9В на выводе 5, т.е. всё ОК. Сопротивление резистора ООС — около 15 кОм, что вполне соответствует документации.
Спектр выходного сигнала. Условия замера: — питание 4В от LiIon аккумулятора через защитный диод Шоттки 1N5819
— экранированный корпус — оба входа закорочены на землю через 1 кОм

Если очень внимательно читать документацию на LM386, можно заметить, что входной сигнал подаётся на вывод 3 (неинвертирующий). Вывод 2 (инвертирующий вход), как правило, не используется.
Была собрана модель LM386 в симуляторе Multisim10. И проверены две схемы: — входной сигнал подаётся на вход 2 (инвертирующий)

— входной сигнал подаётся на вход 3 (неинвертирующий)

Можно заметить: Кг получился разный (0,28% и 0,44%). Было логично повторить замеры вживую.
Входной сигнал (10 мВ 1 кГц) — на вход 2 (инвертирующий):

Входной сигнал (10 мВ 1 кГц) — на вход 3 (неинвертирующий):

Выводы: — Кг по входам 2 и 3 примерно одинаковый, но при использовании входа 3 немного ниже — не всегда симуляторы дают адекватную оценку таких деликатных параметров, как Кг (THD)
4. Особенности питания LM386 от других источников.
Все замеры выше выполнены при использовании 4В источника (свежезаряженная LiIon аккумулятор, который при малых разрядных токах обеспечивает «чистое» питание 4,0..4,1В под нагрузкой). В цепи питания всегда присутствует защитный диод Шоттки 1N5819.
Падение напряжения на диоде около 0,2В никаким образом не влияет на работоспособность микросхемы.
Некоторые критики внимательные читатели могут заметить, что работоспособность LM386 гарантируется от 4В и выше. С этим никто не спорит.
Как обычно, хочется где-то съэкономить и\или упростить себе жизнь.
4.1. Питание от USB. Условия замера: — +5В подано через RC-фильтр (51 Ом и 47 мкФ) — использован только плюсовой провод от USB — входы закорочены на землю через резисторы 1 кОм

На спектре появилась «расчёска». (
4.2. Питание от повербанка Условия замера: — +5В подано через RC-фильтр (51 Ом и 47 мкФ) — входы закорочены на землю через резисторы 1 кОм

«Расчёска» также присутствует.
ВЫВОДЫ
: — покупать микросхемы необходимо у проверенных продавцов — использование LM386 предпочтительно от LiIon аккумулятора — в зависимости от задачи возможно использование входов 2 и 3 — Кг (THD) в пределах 0,1% при выходном напряжении 200 мВ (типичное значение чувствительности линейных входов звуковой аппаратуры и линейного входа ЗК)
Всем удачных разработок!
PS По незнанию в обзор были добавлены файлы .ovl По сути это текстовые файлы, которые создаёт и использует программа SpectraLab.
Объём этих файлов оказался настолько большим, что при попытке опубликовать обзор сайт выдал ошибку «Более 15000 символов». Поэтому пришлось удалить лишние строки кода из отчёта.
Для желающих скачать все исходные материалы данного обзора, ссылка на гуглодиск.
↑ Усилительные схемы на ИС LM386
↑ Усилитель с коэффициентом усиления 200
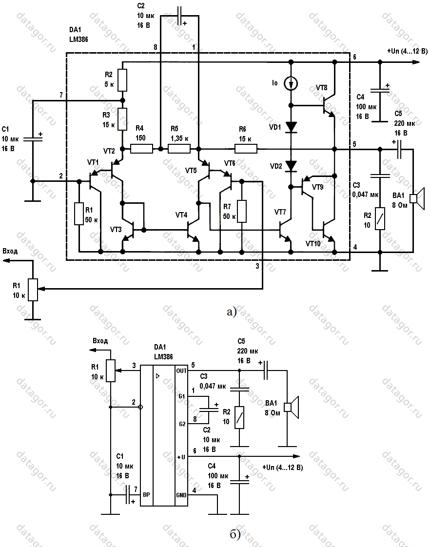
Принципиальная схема усилителя с коэффициентом усиления Ku=200 (46 дБ), изображена на рис. 2 а, б. На первом из них (рис. 2 а) показана функциональная схема ИС LM386, позволяющая лучше понять работу усилителя, а на втором (рис. 2 б) микросхема изображена в виде «чёрного ящика», по ней легче выполнять разводку печатной платы и проверку правильности установки смонтированных на ней элементов.
![]()
Рис. 2. Усилитель с коэффициентом усиления 200
Резистор R1 служит регулятором громкости, конденсатор C1 является фильтрующим
Конденсатор C2 шунтирует выводы 1 и 8 микросхемы DA1 по переменному току, благодаря чему достигается максимальный коэффициент усиления; конденсатор C4 служит для развязки по питанию, что важно в условиях работы с разряженной батареей, когда её внутреннее сопротивление увеличивается
Цепочка C3, R2 предназначена для повышения стабильности при работе усилителя на ёмкостную нагрузку. Иногда её установкой пренебрегают, что не является преступлением, но нежелательно, поскольку может преподнести «сюрприз» в самый неподходящий момент. Нагрузка ВА1 подключена к выходу ИС через разделительный конденсатор С5.
↑ Усилитель с минимальным количеством внешних элементов и коэффициентом усиления 20
На рис. 3 показана схема с минимальным количеством элементов, имеющая коэффициент усиления по напряжению Ku=20 (26 дБ). Здесь выводы 1 и 8 микросхемы оставлены свободными, исключён из схемы фильтрующий конденсатор, подключаемый к выводу 7. В результате весь усилитель содержит всего семь элементов, включая и динамическую головку ВА1.

Рис. 3. Усилитель с минимальным количеством внешних элементов и коэффициентом усиления 20
↑ Усилитель с коэффициентом усиления 50
Ещё один вариант схемы приведён на рис. 4. При значениях элементов, показанных на этой схеме, обеспечивается усиление по напряжению Ku=50 (34 дБ).

Рис. 4. Усилитель с коэффициентом усиления 50
По сравнению с предыдущей схемой добавлено три элемента: два конденсатора и резистор. В табл. 2 приведены значения резистора R2 для получения других коэффициентов усиления по напряжению.

↑ Усилитель с подъёмом низких частот
Примером усилителя, в котором производится формирование требуемой частотной характеристики, является схема, показанная на рис. 5. Здесь усиление по напряжению изменено шунтированием внутреннего резистора обратной связи (R6), доступного через выводы 1 и 5 микросхемы LM386. Шунтирование цепочкой R2, C2 позволяет получить подъем частотной характеристики около 6 дБ на частоте 85 Гц, что может быть использовано для улучшения звучания малогабаритных акустических систем.
Коэффициент усиления по напряжению усилителя на частоте 1 кГц составляет Ku=10 (20 дБ).

Рис. 5. Усилитель с подъёмом низких частот
↑ Принципиальная схема усилителя для АМ радиоприёмника
Ещё один пример применения ИС в качестве усилителя для малогабаритного АМ радиоприёмника показан на 6. В этой схеме радиовещательный сигнал после детектора поступает через конденсатор С1, устраняющий передачу постоянной составляющей на регулятор громкости R1.

Рис. 6. Принципиальная схема усилителя для АМ радиоприёмника
Сигнал со среднего вывода R1 поступает на неинвертирующий вход микросхемы DA1 через развязывающую цепочку – фильтр нижних частот R2, C2, устраняющий попадание остатков высокочастотного напряжения. Для этих же целей на выходе усилителя включена цепочка L1, C7. Дело в том, что усилитель на микросхеме DA1 довольно широкополосный (полоса пропускания составляет около 300 кГц) и без принятия подобных мер служит отличным источником радиоизлучений в длинноволновом и средневолновом диапазонах волн.
Резистор R3, включённый параллельно катушке L1, служит для устранения нежелательных резонансов в звуковом диапазоне частот. Коэффициент усиления по напряжению усилителя максимален (Ku=200).
Наряду с оксидным конденсатором С6 включён керамический конденсатор С5, используемый для высокочастотной развязки по цепи источника питания; не забыт в этой схеме и фильтрующий конденсатор, подключаемый к выводу 7 микросхемы (С3).
Катушка L1 представляет собой ферритовую бусинку с пропущенным проводом внутри (Ferrite Bead).
Усилитель звука на микросхеме LM386-1 с усилением 74 dB
В приведена схема интегрального усилителя в несколько необычном включении, позволяющем получить от микросхемы LM386-1 усиление до 74 dB. Схема – несложная, видимо, поэтому к ней отдельно не разрабатывается печатная плата, тем более что конструкторы встраивают такой усилитель в свои конструкции, где монтаж производится с другими деталями на общей плате.

Схема усилителя приведена на рис. 1. Его усиление меняется дискретно путём установки на место Rx резистора сопротивлением из таблицы 1, напротив значения сопротивления резистора приведено значение, получаемого, при этом, усиления.
Все резисторы усилителя мощностью рассеяния 0,125 Вт, неполярный конденсатор С3 – типа К10-17 или аналогичный импортный, полярные конденсаторы К50-16, К50-35 или аналогичные импортные 100 мкФ х 16 В. Динамическая головка ВА1 – с сопротивлением обмотки 8 Ом.
Монтажная плата, на которой собран усилитель, имеет размеры 32,5×22,5 мм и выполнена из фольгированного стеклотекстолита толщиной 1,0…1,5 мм (рис. 2). Если УЗЧ будет эксплуатироваться в условиях сильных РЧ наводок (обычная ситуация у радиолюбителя – коротковолновика), целесообразнее выполнить усилитель на плате из материала, фольгированного с двух сторон.

При этом фольга со стороны расположения деталей является экраном и соединяется с общим проводом усилителя. Для исключения замыкания выводов деталей, не соединённых с общим проводом, отверстия со стороны расположения деталей на плате зенкуются. Диаметр отверстий под выводы деталей – 0,6…0,7 мм, зенковка производится сверлом большего диаметра (2…7 мм).
По углам платы имеются отверстия для крепления платы к корпусу, например, приёмника, причём, совсем не обязательно крепить её винтами, можно просто припаять плату с помощью отрезков жёсткого лужёного провода, в этом случае, целесообразно диаметр отверстий для крепления делать не более 1 мм. Отрезки провода для крепления платы припаиваются к её общему проводу.
Поскольку микросхема включена по схеме с повышенным коэффициентом усиления, целесообразно (если входной сигнал подаётся через провод длиной более 5…10 см), экранировать провод, припаяв его оплётку с двух сторон к фольге общего провода платы, как показано на рис. 3.
Несмотря на то, что микросхема LM386-1 обладает повышенным уровнем собственных шумов, её очень часто используют конструкторы в своих разработках из-за малого количества сопутствующих деталей для получения полноценного усилителя, но коэффициент усиления такого усилителя в предлагаемых стандартных схемах включения составляет от 20 до 200 раз (26…46 dB) – возможно, такой, заложенный в ИМС коэффициент усиления и призван маскировать её собственный шум, но конструкторы, в частности JF10ZL, решили, всё-таки, “разогнать” усиление ИМС до 70.. .74 dB (3000…5000 раз).

При максимальном усилении (74 dB) отмечается склонность усилителя к самовозбуждению и, хоть это зависит от экземпляра микросхемы, УЗЧ становится капризным к изменениям напряжения питания, повышенному внутреннему сопротивлению источника питания. При использовании ИМС в предельном по усилению режиме, желательно либо стабилизировать напряжение питания УЗЧ (при сетевом питании), либо использовать свежие гальванические батареи (при автономном использовании усилителя).
Полезным будет и увеличение ёмкости блокировочных конденсаторов по напряжению питания (С5, С6). Часто встаёт вопрос: чем отличаются микросхемы с маркировками (LM)386N, (LM)386N-1, (LM)386N-3, (LM)386N-4? Первая – более старая версия второй, которая работает при низких напряжениях питания (4…12 В) – данные на неё приводятся при напряжении питания 6 В, номинальное напряжение питания для третьей – 9 В, четвёртая работает при более высоких напряжениях (5…18 В), номинальное напряжение питания 16 В и номинальное сопротивление нагрузки для неё составляет 32 Ом, для предыдущих – 8 Ом.
Тестирование работы генератора сигналов
Соберите аппаратную часть проекта и загрузите программу в плату Arduino. В идеале тестировать работу данного генератора нужно с помощью осциллографа, но если у вас его нет, то можно использовать простой светодиод – им можно оценить работу схему на частотах, которые видит человеческий глаз.

Подключите зонд к выходу прямоугольной и синусоидальной волны в схеме. Подключите к этим двум контактам светодиоды если у вас нет осциллографа. Подайте питание на схему и вы увидите приветственное сообщение на экране ЖК дисплея. Затем, вращая ручку углового кодера, вы можете установить желаемое значение частоты сигнала. Формируемые сигналы будет наглядно видно на экране осциллографа. Если вы используете для проверки схемы светодиоды, то вы увидите что частота их мигания будет изменяться с вращением ручки углового кодера.

Более подробно работу проекта вы можете посмотреть на видео, приведенном в конце статьи.
↑ Другие варианты применения микросхемы LM386
↑ Усилитель на LM386 с гнездом для подключения наушников
На рис. 7 показан усилитель с возможностью подключения головных телефонов. На схеме входное напряжение от источника аудиосигнала подаётся через конденсатор С1, устраняющий постоянную составляющую на регулятор громкости R1.

Рис. 7. Усилитель с гнездом для подключения наушников
Второй конденсатор (С2), включённый между средним выводом R1 и неинвертирующим входом, в принципе не нужен, но такое схемотехническое решение устраняет шорохи при возможном плохом качестве переменного резистора, а также уменьшает смещение половинного напряжения на выходе усилителя.
Гнездо для подключения наушников включено через развязывающий конденсатор С5 таким образом, что при отсутствии штекера наушников подключён динамик ВА1, а при включении штекера – динамик отключается.
Назначение остальных элементов усилителя было рассмотрено выше. Коэффициент усиления по напряжению минимален (Ku=20).
↑ Переговорное устройство на LM386
Взяв за основу усилитель с максимальным коэффициентом усиления (рис. 2), можно получить простое переговорное устройство. Как видно из схемы, представленной на рис. 8, в неё добавлен выключатель питания и переключатель «Приём – передача», обеспечивающий попеременную работу динамических головок ВА1 и ВА2 в качестве микрофона или громкоговорителя.

Рис. 8. Переговорное устройство
Устройство позволяет организовать проводную связь между двумя абонентами. Дальность связи достигает нескольких сотен метров.
Область применения этой конструкции: связь между двумя абонентами, игры и т. п. Усилитель с динамической головкой ВА1 располагается на основном пункте связи, а другая динамическая головка – на удалённом пункте связи. Соединение основного и удалённого пунктов связи выполняют многожильным телефонным двухпроводным кабелем. Конструкция питается от батареи напряжением 9 В типа «Крона».
↑ Генератор синусоидальных сигналов с малыми искажениями на LM386
Этот же усилитель без больших затрат превращается в генератор синусоидальных сигналов с малым коэффициентом гармоник. Схема генератора с мостом Вина показана на рис. 9.

Рис. 9. Генератор синусоидальных сигналов с малыми искажениями
Напомним, что частота генератора определяется выражением:
fo=½Π√(R1R2C1C2)
Чаще всего выбирают R1=R2 и C1=C2, при этом выражение упрощается:
fo=½ΠR1C1
Вторым требованием является то, что коэффициент отрицательной обратной связи усилителя должен быть равен точно 1/3 . При указанных условиях в схеме возникают незатухающие колебания. Если этот коэффициент меньше 1/3, амплитуда колебаний будет быстро увеличиваться со временем, пока выходное напряжение не превратится в меандр.
Если коэффициент отрицательной обратной связи более 1/3, амплитуда колебаний через некоторое время будет стремиться к нулю. Ясно, что установить идеальное значение коэффициента можно, если применить систему автоматической регулировки амплитуды.
Для этого предусмотрена цепь отрицательной обратной связи R3, HL1, которая так воздействует на коэффициент усиления, чтобы амплитуда колебаний стабилизировалась при весьма малых нелинейных искажениях (порядка 0,05%).
Если выходное напряжение генератора по каким-либо причинам увеличивается, увеличится и ток через R3, а также напряжение на нелинейном элементе – лампе накаливания HL1. Нить лампы накаливания разогреется, и её сопротивление увеличится, что приведёт к уменьшению глубины отрицательной обратной связи и уменьшению напряжения на выходе генератора. При уменьшении выходного напряжения генератора процессы происходят в обратном направлении, в результате обеспечивается автоматическая стабилизация коэффициента усиления.
При указанных на принципиальной схеме значениях элементов частота генерируемых колебаний составляет 1 кГц, а амплитуда – около 2 В эфф.
↑ Генератор прямоугольных импульсов на LM386
Схема, показанная на рис. 10, представляет собой генератор сигналов прямоугольной формы.

Рис. 10. Генератор прямоугольных импульсов
Усилитель DA1 играет роль компаратора. Положительная обратная связь реализуется с помощью делителя R1, R2, подключённого к неинвертирующему входу усилителя. Коэффициент обратной связи Kос=R2/(R1+R2). В состав отрицательной обратной связи включена интегрирующая цепь R3, C1.
Период колебаний генератора для симметричных сигналов прямоугольной формы составляет:
T=2R3C1ln[(1+Kос)/(1-Kос)]
При Кос=0,462 формула упрощается:
Т=2R3C1, и частота f=½R3С1
Максимальная частота генерируемых схемой колебаний ограничена скоростью нарастания выходного напряжения усилителя DA1.
Формирование прямоугольного сигнала с изменяемой частотой
Если вы знакомы с Arduino, то вы должны знать что плата Arduino может достаточно просто формировать ШИМ сигнал (с помощью функции analogwrite) на ряде своих контактов
Но с помощью этой функции можно управлять только коэффициентом заполнения (скважностью) ШИМ сигнала, но нельзя управлять его частотой – а это как раз и нужно для нашего генератора сигналов. Управление частотой сигнала прямоугольной формы можно осуществить используя таймеры платы Arduino и непосредственно переключая состояние контактов на их основе
Помочь нам в этом может библиотека Arduino PWM Frequency Library (библиотека управления частотой ШИМ сигнала), более подробно работу с ней мы рассмотрим далее в статье.

Но в использовании этой библиотеки есть ряд слабых сторон. Дело в том, что данная библиотека изменяет настройки по умолчанию Таймера 1 (Timer 1) и Таймера 2 (Timer 2) платы Arduino. В связи с этим вы уже не сможете, к примеру, использовать библиотеку для управления серводвигателем или другие библиотеки, задействующие эти таймеры платы Arduino. Также функция analogwrite на контактах 9,10,11 & 13 использует Timer 1 и Timer 2, следовательно, вы уже не сможете формировать SPWM сигнал (синусоидальный ШИМ сигнал) на этих контактах.
Но преимуществом этой библиотеки является то, что она не мешает работа Таймера 0 (Timer 0) платы Arduino, который в нашем случае является более важным чем Timer 1 и Timer 2 потому что в этом случае вы можете без проблем использовать функцию задержки (delay) и функцию millis(). Также контакты 5 и 6 управляются Таймером 0, поэтому мы без проблем сможем использовать на этих контактах функцию analogwrite или осуществлять управление сервомотором.
Как происходит формирование синусоидальных колебаний?
Любой генератор (не только синусоидальных колебаний) представляет собой замкнутую цепь, состоящую из усилителя и селективной цепи (частотно-избирательная цепь). Причем селективная цепь включена в цепь ПОС (положительная обратная связь) усилителя, где могут быть включены дополнительные усилители.
Допустим, на вход селективной цепи поступает сигнал, состоящий из большого количества синусоидальных колебаний (гармоник). Проходя через селективную цепь, колебания ослабляются (происходит уменьшение амплитуды) в различной степени, а также происходит изменение фазы данных колебаний. В результате на вход усилителя с выхода селективной цепи поступают синусоидальные сигналы с различными уровнями амплитуды и фазовыми сдвигами, где происходит их усиление для компенсации ослабления селективной цепью.
Так как селективная цепь пропускает без изменения фазы только гармонику определённой частоты, то после усилителя на вход селективной цепи поступит та же гармоника с такой же амплитудой и фазой, которую пропускает селективная цепь, а остальные гармоники будут с изменёнными амплитудами и фазами сигнала. В результате сложения исходного сигнала и сигнала поступающего с выхода усилителя только у гармоники, на частоту которой настроена частотно-избирательная цепь, будет происходить значительное увеличение амплитуды.
Из всего выше сказанного можно сделать вывод, что петлевое усиление схемы должно быть не меньше единицы (в идеальном случае равно 1), а полный фазовый сдвиг схемы равен нулю.
Схем генераторов синусоидальных или как их ещё называют гармонических колебаний, существует большое количество, рассмотреть которые в одной статье не представляется возможным. Поэтому ограничимся лишь некоторыми из них, которые построены на ОУ и RC-цепочках.
Генератор синусоидальных колебаний на основе моста Вина
Генератор синусоидальных колебаний на основе моста Вина или просто генератор Вина является одним из самых распространённых RC-генераторов синусоидальных колебаний. Схема данного генератора показана на рисунке ниже

Схема генератора Вина на основе ОУ.
Генератор Вина состоит из ОУ DA1, который охвачен ООС (отрицательная обратная связь) посредством резисторов R1 и R2, а также ПОС (положительная обратная связь) с помощью частотно-избирательной цепи R3C1R4C2.
Частотно-избирательная цепь R3C1R4C2 называется мостом Вина, от названия которого и получил наименование генератор данного типа. Данный мост состоит из последовательно включённых дифференцирующей цепи R4C2 и интегрирующей цепи R3C1. Как известно для генерирования сигнала мост Вина должен обеспечить нулевой фазовый сдвиг сигнала. Это обеспечивается равенством постоянной времени интегрирующей цепи R3C1 и дифференцирующей цепи R4C2
Тогда частота, при которой будет сдвиг фаз равный нулю, определяется следующим выражением
При данном условии коэффициент передачи цепи ПОС будет равен 1/3. Поэтому для того чтобы компенсировать данное условие коэффициент передачи цепи ООС должен быть равен 3, то есть
Генератор с мостом Вина обеспечивает выходной синусоидальный сигнал с небольшими искажениями – порядка 0,05 %. Однако у данного типа генератора существует серьёзная проблема в том, что для получения качественного синусоидального сигнала необходимо обеспечить точные соотношения резисторов в цепи ООС R1 и R2, то есть обеспечить коэффициент передачи цепи равный трём (β = 1/3). Так если β < 1/3 то возникшие колебания будут с сильными искажениями, а в случае β > 1/3 даже если и возникнут колебания их амплитуда будет постепенно уменьшаться и со временем станет равной нулю. Поэтому для стабилизации работы генератора Вина применяют различные автоматические системы стабилизации амплитуды.
Стереоусилитель на двух LM386 на подставке из древесины плюща

Автор Hackaday.io под ником carbono.silício (переводится как карбид кремния — абразив и одновременно полупроводник, который одно время даже в светодиодах применяли) собрал, на первый взгляд, обычный стереоусилитель, каждый из каналов которого содержит по одной микросхеме LM386. Но эта самоделка представляет собой не только утилитарный предмет, но и произведение искусства. Устройство собрано, во-первых, на подставке из древесины плюща, покрытой шеллаком, а во-вторых — объёмным монтажом, придающим ему особую, неповторимую «скульптурность». Схема обоих стереоканалов — стандартная, из даташита на микросхему, её можно посмотреть, например, здесь. Есть два варианта этой схемы, с фиксированным и регулируемым (и одновременно повышенным) коэффициентом усиления:


Взяв кусок древесины плюща, мастер не особо и вмешивается в его форму. Только делает две поверхности плоскими для удобства, и всё. Далее он покрывает получившуюся подставку шеллаком и приступает к размещению компонентов, начав с разъёма для блока питания, выключателя, входных и выходных гнёзд типа RCA (тюльпан), а также панелек для микросхем обоих каналов. Для тех, кто хорошо умеет паять, панельки не обязательны, но здесь они являются частью электронной скульптуры:

Затем он добавляет сдвоенный переменный резистор, постоянные и подстроечные резисторы, конденсаторы, выключатель тонкомпенсации. По подстроечным резисторам догадайтесь, по какой из двух стандартных схем мастер собирает стереоканалы. С электролитических конденсаторов он снимает термоусадку, отчего они выглядят как винтажные, и даже лучше. Но перед её снятием надо нацарапать сверху на алюминии едва заметную метку с указанием полярности, иначе эти данные потеряются безвозвратно.

В принципе, на этом усилитель можно посчитать готовым и начать им пользоваться. Но мастер добавляет две, на первый взгляд, незначительные детали, придающие конструкции законченный вид. Во-первых, это ручка на оси переменного резистора, а во-вторых, подсветка, состоящая из последовательно включённых резисторов (постоянного и подстроечного) и светодиода. В куске древесиы изначально присутствовала небольшая выемка, в которую как раз поместился светодиод
Обратите внимание: ручка сделана из корпуса электролитического конденсатора

А вот вид на готовый усилитель ещё с трёх ракурсов:



Давайте посмотрим видео об этом усилителе:

Получайте на почту подборку новых самоделок. Никакого спама, только полезные идеи!
*Заполняя форму вы соглашаетесь на обработку персональных данных





























