Содержание / Contents
- 1 Несколько слов о выходном трансформаторе
- 2 Звук
- 3 Прилагаю чертеж платы и чертежи корпуса в AutoCAD
- 4 Две печатки в одном файле
- 5 Чертежи гибки и резки для корпуса
При выборе схемы, в результате долгих поисков по интенету я остановился на этой схеме:
Исключён фрагмент. Полный вариант статьи доступен меценатам и полноправным членам сообщества. Читай условия доступа.
Здесь мы видим два канала усиления, общую эквализацию сигнала, в общем вполне достаточно. в схеме были сделаны следующие изменения:
1) замена выходных ламп на более дешевые 6П3С
, (пентодный режим работы) и остальных ламп на6Н2П 2) диодный выпрямитель по мостовой схеме 3) было решено похерить дроссель.
Дело в том что схемы я рисовать не люблю, и все идеи сразу же воплощаю в Sprint Layout, понимая что так нельзя конечно но ниче с собой не могу поделать, я ленив. Конструктивно усилитель распологается в корпусе из нержевеющей стали, который мне любезно делают мои друзья, по моим чертежам, на каком то своем аппарате лазерного раскроя металла. Усилитель состоит из двух блоков: блок питания, и предварительный усилитель. Вот фото:
Я чето поленился стирать канифоль с платы. Плата разведена так, что ламповые панельки припаиваются со стороны фольги
Выбор схем для сборки
Предварительный усилитель довольно просто собрать. Для него вы можете выбрать любую подходящую схему и начать сборку. Другой случай – выходной каскад, то есть усилитель мощности. С ним, как правило, возникает множество различных вопросов. Выходной каскад имеет несколько типов сборки и режимов работы.
Первый тип – однотактная модель, которая считается стандартным каскадом. При работе в режиме «А» он имеет небольшие нелинейные искажения, но, к сожалению, имеет довольно плохой КПД. Также следует отметить среднюю выходную мощность. Если вам необходимо полностью озвучить довольно большое помещение, необходимо будет применять двухтактный усилитель мощности. Эта модель может работать в режиме «АВ».
В однотактной схеме для хорошей работы устройства достаточно всего двух частей: усилителя мощности и предварительного усилителя. В двухтактной модели уже используется фазоинверсный усилитель или драйвер.
Конечно, для двух типов выходного каскада, чтобы комфортно работать с акустической системой, необходимо согласовать высокое межэлектродное сопротивление и низкое сопротивление самого прибора. Это можно сделать с помощью трансформатора.
Если вы являетесь ценителем «лампового» звучания, то должны понимать, что необходимо использовать выпрямитель, который произведен на кенотроне, для достижения такого звука. При этом нельзя использовать полупроводниковые детали.
Разрабатывая ламповый усилитель Hi-End, можно не применять сложные схемы. Если вам нужно озвучить достаточно небольшое помещение, то можно применить простую однотактную конструкцию, которую проще сделать и настроить.
Сочетание ретро и современных технологий

Я выбрал LynePAudio A962, как наиболее доступное и универсальное.
Итак, на борту имеем:
- выходной усилительный каскад на 2 лампах 6ж9 в китайском исполнении,
- встроенный цифровой ЦАП с декодированием аудиопотока 16-32 бит, 44.1/48 КГц,
- поддержка ASIO,
- 2 высокоомных выхода для наушников с импедансом от 16 до 600 Ом,
- линейный стереовыход на RCA для использования в качестве преампа,
- цифровой вход (USB),
- аналоговый вход 3,5 и RCA.
Внушает? Еще как, ведь конечная мощность усилителя — 1,1 Вт для нагрузки в 32 Ома. Для настольной игрушки этой цифры хватит даже мониторы раскачать, не говоря уже о любых портативных наушниках.

Плата аккуратно упакована в красивый корпус и может украсить любой интерьер. Особенно — рабочий стол. Очень круто! И реально экономит время — даже если потом придется дорабатывать.
Внешний вид LynePAudio A962 действительно стоит того, чтобы купить готовое изделие, а не заморачиваться самоделкой. Удобство и простота использования еще важнее. Включил — пользуйся.
Для работы с цифровыми источниками аудиосигнала не требуются драйвера или дополнительный софт (если не использовать смартфон). Встроенный ЦАП цифровой и переваривает большинство форматов, поступающих с компьютера или смартфона: съедает и MP3, и FLAC, и WAV. Впрочем, есть ограничение до 32 бит и 48 КГц. DSD не переваривает вовсе.

При наличии качественного ЦАП можно обойтись без встроенного. Для этого у LynePAudio A962 есть отдельный аналоговый вход (мини-джек на 3,5 миллиметра). Не самое правильное решение, но иногда пригодится. Он работает на удивление стабильно, но требует толстый провод. Желательно — с хорошим экранированием.
Блок питания для лампового усилителя
Блок питания сделан по классической схеме с дросселями , хотя в этом усилителе можно было и электронный фильтр замутить на полевике IRF840 или 830 , но я решил сделать классику. Единственное , что сделал один мощный мост а не два как на схеме.
На накал делаем через пару 150 ом резисторов среднюю точку и прикручиваем их на землю , это для того чтоб накал не фонил .Можно конечно и выпрямить накал , ну это дело кому как нравится .У меня и без выпрямления фона нет.


блок питания лампового усилителя схема


по переменке поставил EMI фильтр , такие можно заказать на али

для провода питания на заднюю часть поставил колодку с выключателем и предохранителем


при разводке монтажа блока питания были допущены ошибки — длинные провода, расположение деталей итд, на фото ниже это безобразие исправил.
Ламповый монтаж
Монтаж делал по однотактной схеме, драйвер делал на 6н9с, чтоб задействовать оба триода использовал каскад с динамической нагрузкой или его еще называют SRPP, такое включение не новость, эту схему драйвера придумали еще в 50х годах, и поет она очень даже неплохо. Выходные лампы использовал 6п6с (можно и 6ф6с, 6V6 поют получше)

Выходные трансформаторы использовал TW4SE. Силовой трансформатор использовал ТАН-28.
↑ О конструкции
В качестве материала шасси был взят композит (структура – толстая алюминиевая фольга с двух сторон и внутри пластик) у рекламщиков, можно гнуть, резать, пилить, сверлить.

И вообще у рекламщиков много чему поживиться можно из остатков алюминиевых профилей, пластика и другого листового материала. Места изгибов можно делать строительным ножом, но я их отфрезеровал заточенным под фрезу сверлом с помощью бытового фрезера по дереву на малых оборотах. Стыки проклеены термоклеем и дополнительно прогреты, чтобы клей протек в стыки. Шина земли проведена по центру корпуса. Некоторые детали и колодки приклеены тем же термоклеем, держится хорошо. Корпус заземлен. Вот, что получилось:
Корпус лампового усилителя для наушников
Первым делом было сделаны все необходимые отверстия. А под разъёмы для входа/выхода и отверстие для регулятора громкости. На задней стенке был сделано отверстие под интерфейс для сетевого питания.
Это готовый блочек, в котором уже совмещены разъем для сетевого провода, выключатель и предохранитель. Потрясающая штука, заказывал в этом магазине всего по 95 центов:

Когда все отверстия готовы, а новых не предвидится – пора переходить к отделочным работам. Для придания корпусу солидного вида – он был отшкурен до металла, затем отшпаклеван автомобильной шпатлевкой. И, после тщательного прошкуривания, я покрыл его тремя слоями черной краски с промежуточными прошкуриваниями.
Исходно, по классике жанра, корпус предполагался черным матовым. Но, увы, нормальную краску удалось достать только глянцевую. Я использовал акриловую нитрокраску. Однако последний слой, так получилось, я наносил при температуре около 17 градусов, что ниже указанной в условиях нанесения. В результате слой таки получился матовым.
Кожух трансформатора красился вместе с корпусом.
Макетирование
Разумеется перед тем, как пилить шасси и заморачиваться с корпусом для лампового усилителя для наушников я в первую очередь решил проверить всё на макете, чтобы вообще убедиться надо ли оно мне.
Для макетирования я разбомбил какой-то ламповый блок от советского самописца. Очень удобно пользоваться готовыми кусками. Плюс тут и трансформатор хороший, даже с экранами между обмотками.
Макетирование так же удобно для того чтобы подобрать детали, и прикинуть необходимые размеры будущего девайса.
Что меня очень приятно удивило в этой схеме – так это полное отсутствие шумов. Сам автор говорит, что на измерениях спектра есть небольшой пик от сетевой наводки, но он абсолютно отсутствует на слух.
Ламповый усилитель Hi-End своими руками
Перед началом монтажа необходимо разобраться с некоторыми правилами для сборки такого рода приборов. Нам необходимо будет применить основной принцип монтажа ламповых приборов – минимизацию креплений. Что это значит? Вам нужно будет отказаться от монтажных проводов. Конечно, это не везде получится сделать, но их количество необходимо свести к минимуму.

В хорошем ламповом усилителе Hi-End применяются монтажные лепестки и планки. Они используются в виде дополнительных точек. Такая сборка называется навесной. Также вам нужно будет распаивать резисторы и конденсаторы, которые находятся на ламповых панелях. Крайне не рекомендуется использовать печатные платы и собирать проводники так, чтобы получились параллельные линии. Таким образом сборка будет выглядеть хаотичной.
Усилитель по схеме Манакова EL34/6П3С
![]()
Эта широко известная схема двухтактного лампового усилителя на 6П3С и 6Н9С была разработана Анатолием Манаковым. Оригинал смотрите здесь. Она довольно проста и при внимательной сборке заработала сразу без танцев с бубном.
Отмечу сразу, что некоторые установленные мной номиналы отличаются от предложенных автором. Но сделано так не потому, что я проводил длительные слуховые эксперименты с кучей пластинок Pink Floyd и Led Zeppelin, а просто по причине отсутствия у меня в закромах некоторых емкостей и переменных резисторов, рекомендованных разработчиком. Не мудрствуя лукаво, я не столь дотошен к погрешности радиодеталей.
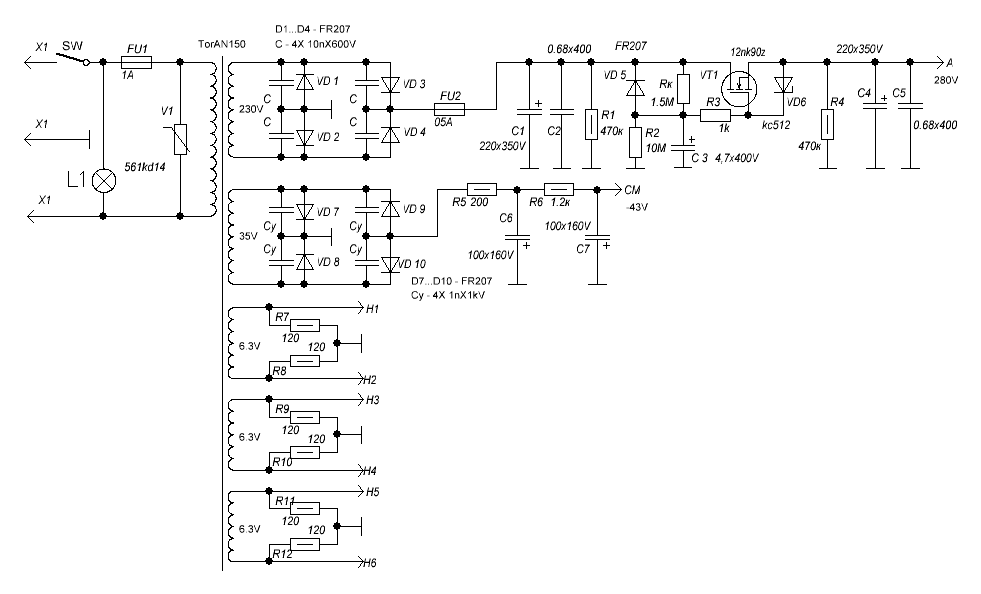
Я применил триодное включение выходных ламп, поскольку тороидальный выходной трансформатор не имеет дополнительных отводов. Любителям серьезного и громкого звука лучше реализовать пентодное включение выходных ламп или найти рекомендуемые трансформаторы. Понятно дело: выходные лампы желательно подобрать в пару. В оригинальной схеме есть фильтрующий конденсатор С8, которого нет в моей интерпретации. Я решил его перенести на плату блока питания.
![]()
В выпрямителе напряжения я применил «электронный дроссель» на полевом транзисторе 12NK90Z и не стал упражняться с катушками индуктивности в виде «железных дросселей». Схема смещения и накальные цепи сделаны идентичными авторскому варианту.
Я запитал каждую лампу моноусилителя от независимой обмотки, благо тороидальный транс имеет три накальные обмотки. Большое значение в плане подавления нежелательных шумов играет заземление накальных обмоток через сопротивления 100-150 Ом на землю с каждого плеча.
Нужное напряжение БП выставляется подбором резистора Rk. Я использовал корпус усилителя в качестве радиатора охлаждения для стабилизирующего транзистора VT1, поскольку греется он весьма прилично.
Монтаж печатных плат в металлическом корпусе
При монтаже нужно уделить особое внимание схеме смещения, которое должно быть отрицательным по отношению к земле. Следует соответствующим образом впаять банки электролитов и диодный мост
В противном случае, думаю, вы сами знаете последствия неправильно впаянных электролитов в блоке питания. Я смонтировал элементы схемы на двух функциональных платах: звуковой и БП.

Вся конструкция свободно поместилась в стандартном алюминиевом корпусе BO19 размерами 275/175/65. Печатные платы монтируются на столбики к нижней крышке. Все отверстия корпуса, через которые ведутся провода к траснформаторам, обязательно изолируются резиновыми вставками. Под трансформаторы подкладываются изолирующие прокладки, чтобы исключить замыкания обмотки на корпус в случае продавливания изоляции. Входной разъем на джеке 6.3, регулятор громкости и кнопку включения питания я разместил на верхней панели – для удобства использования при размещении на полу. Вокруг отверстий под выходные лампы и драйвер 6н9с лучше сделать много вентилирующих отверстий, чтобы тепло от керамических панелек тоже выходило наверх.
Есть один нюанс в закрытии трансформаторов металлическими колпаками. Дело в том, то при замыкании колпака на корпус через центральный болт образовывается короткозамкнутый виток. В таком случае корпус усилителя будет очень сильно нагреваться и мешать работе трансформатора. Следовательно, нужно использовать изолирующие прокладки для крепления колпаков через болт, либо изобретать другие варианты установки без контакта с корпусом.
Настройка напряжения смещения и анодного напряжения для драйвера

Настройка моноблока делается в режиме молчания по рекомендациям Манакова. Само собой, ко вторичной обмотке транса должна быть подключена активная нагрузка в виде проволочного резистора 4-8 Ом достаточной мощности (5-10 Вт).
Далее настраивается входной каскад установкой напряжения 1.8…2 вольта на катодах драйвера 6н9с. Для этого нужно подобрать сопротивление резистора R4.
Затем производим регулировку напряжение смещения для выходного каскада. С помощью переменных резисторов R10 и R12 устанавливаем на катодах выходных ламп напряжение 0,035…0,04 вольта. После чего подаем на сетку первого триода V1 сигнал с частотой около 3 кГц и напряжением 0,5 вольта. Регулируя переменный резистор R7, выставляем одинаковое переменное напряжение на анодах V1.
После настройки усилитель продемонстрировал замечательное качество звучания и полное отсутствие посторонних шумов. Данный двухтакт выдает насыщенный и прозрачный звук с замечательными низами. Триодная схема включения может обеспечить приемлемую громкость для небольшой комнаты 4×4 метра. Самое главное, такой воздушный звук хочется слушать бесконечно, а громкость здесь отходит на второй план.
Ламповый усилитель. Доработка готовой платы и изменение схемы.

И схема

Схема у многих вызывает вопросы. И сам производитель, в следующих своих моделях, от нее отказался. В хозяйстве нашлись лампы 6П6С и их «военный» аналог 1515, выходные трансформаторы (мотались под другие лампы и пришлось немного адаптировать под эти), силовой трансформатор (тоже слегка «допиленный») и прочие детальки.

Я собрал, наигрался вдоволь с настройками и, не получив заявленных и ожидаемых параметров, решил переделать все кардинально.
Было решено реализовать усилитель по проверенной-перепроверенной схеме.

Но как эту схему посадить на плату, «заточенную» под другую? Внимательно посмотрев, задача оказалась совсем несложной. Достаточно сделать 11 разрывов существующих дорожек и просверлить 8 дополнительных отверстий.

Размещение деталей и перемычек на картинке ниже

Макет показал весьма неплохие результаты.

и было принято решение довести проект до логического завершения. Результат на фото

В цифрах параметры следующие: Абсолютно честные и чистые 8 Вт на 8 Омах при КНИ около 0,8…0,9%. Интермодуляционные на «стандартных» парах частот из СпектраПлюса около 0,45% Обратная связь совсем небольшая, только что бы подровнять каналы по чуйке, около 1,5…1.8 дБ. При 10 Вт на выходе, — КНИ около 3,5% При 10% КНИ, — на выходе около 13 Вт. Фон от сети и его гармоники — не выше -85 дБ, т.е., его нету даже при крутилке до упора.
Звучит чистенько, разборчиво-внятно и «бархатно». Понравился звук и мне и семейной «аудитории».
СпрОсите про головки индикаторов? Они отсюда Есть подобные, перевернутые. https://aliexpress.ru/item/-/4001142663883.html?spm=a2g0s.8937460.0.0.41282e0eEJxHU7&_ga=2.205379472.1630494118.1609262952-985983766.1601124750&_gac=1.124211704.1608363097.Cj0KCQiAw_H-BRD-ARIsALQE_2OQtqHdkDyXidr8Oq2p0SnMVFg7jra3TL8-TPq4T_gSOOM1sPV3YcgaAvrxEALw_wcB
На вопросы отвечу с удовольствием. Всем успехов и добра! Свершений и впечатлений! Здоровья и желаний!
Список элементов
Усилитель
- R1, R1A — 1 кОм,
- R2, R2A — 470 кОм,
- R3, R3A — 150 кОм,
- R4, R4A — 1-1,5 кОм,
- R5, R5A — 150-200 кОм
- R6, R6A — 470 кОм,
- R7, R7A — 1 кОм,
- R8 — 500-1000 Ом, отрегулируйте ток сетки, чтобы он не превышал 5 мА,
- R9, R9A — 120-180 Ом, подберите для получения нужного тока катода,
- R10, R10A — 5-20 кОм,
- R11 — 10-20 кОм,
- P — 2×47 кОм / логарифмический,
- C1, C1A — 100 мкФ / 16 В,
- C2, C2A — 100-220 нФ / 250 В,
- C3 — 100 нФ / 400 В,
- C4 — 47 мкФ / 400 В,
- C5, C5A — 100 мкФ / 25 В,
- C7 — 33-100 пФ, выбрать чтобы он не срезал высокие частоты и сигнал осциллографа был правильным,
- C6, C6A — около 1 нФ / 250 В припаять непосредственно к выходам трансформатора громкоговорителя.
Блок питания
- R101 — 400-1000 Ом / 5 Вт,
- R102, — 3-5 кОм / 1 Вт,
- R103 — 270 кОм / 0,5 Вт,
- R106 — 0,8-1,5 кОм чтобы светодиод светил достаточно ярко,
- R104, R105 — 100 Ом,
- C101 — 100 нФ / 400 В, C102, C103, C104, 105 — 100 мкФ / 400 В,
- C106, C107 — 47 мкФ / 400 В,
- M1 — диодный мост выпрямитель 5-10 А / 600 В,
- трансформатор питания 220 В / 250 В — 0,15 А, 6,3 В — 2,5 A.
Схема очень проста. На рисунке показан один канал, другой идентичен. Сигнал со входа через потенциометр P подается на триоды малой мощности (L1), работающие в схеме с общим катодом. После усиления на пентод (L2) подается через конденсатор C2. Трансформатор громкоговорителя (его анодная обмотка) является нагрузкой для этой лампы. Вторичные обмотки трансформатора позволяют питать динамик или наушники.

Усилитель охвачен петлей отрицательной обратной связи, которая уменьшает искажения и расширяет частотную характеристику. Однако это делается за счет усиления. Обратная связь берется с выхода динамика трансформатора и через резистор R10 подается на катод первой лампы (L1). Конденсатор С7 используется для возможной фазовой коррекции. Конденсаторы C3, C4 и резистор R11 образуют фильтр для предотвращения возбуждения усилителя. Аналогичную роль играют резисторы R1 и R7 в цепях ламповых сеток.

Радиолампа L2 может работать в двух режимах — пентод и триод. Режим пентод более мощный, с большим искажением. Режим триода менее эффективен, но имеет меньше искажений. Изменение режима работы может быть сделано с резистором R8. Он в режиме триода должен иметь небольшое значение — обычно это 100 Ом. Если хотим использовать режим пентод для работы усилителя, подключаем R8 как показано на схеме. Можно дать и более высокое значение но так, чтобы ток, протекающий через сетку 2, был немного меньше 5 мА. Как правило значение резистора составляет 500-1000 Ом.

Для подключения громкоговорителей необходим трансформатор, который изменит высокое напряжение в анодной цепи подходящим для сопротивления динамиков или наушников. Для этой цели идеально подходят популярные и простые в добыче трансформаторы из старого лампового телевизора. Естественно понадобится два, по одному на канал.

Можете поэкспериментировать с другими лампами, вместо 6П14П использовать более мощные пентоды (например 6L6 или другие) но помните, что это требует изменения напряжения питания, силовой трансформатор должен иметь также большую мощность. Значения элементов, определяющих рабочую точку лампы, тоже должны быть соответствующим образом подобраны, и трансформаторы АС должны быть адаптированы к типу ламп. Схемы таких усилителей можно легко найти на нашем сайте.
Я выбрал советские лампы и китайскую сборку
Самый простой ламповый усилитель собирается на советских лампах типа 6ж«Х», где Х — цифра от 1 до 12. В зависимости от конкретной цифры, меняется звучание готового устройства и некоторые условия настройки, не критичные для готового изделия.
Преимущество этой схемы — невероятная простота и возможность отказаться от громоздкого трансформатора — лампы этого типа можно питать не переменным, а постоянным током! Вот с этого и начинается «дешево и сердито».
К тому же, лампы этого типа до сих пор выпускаются (завод восстановлен американским бизнесменом). Да и раньше были очень распространены: на любом рынке их можно покупать десятками. Кроме того, их можно заменить на не менее распространенные E180F или 6688. Китайские производители выпускают на базе этих ламп множество готовых аудиорешений различного назначения.
Резисторы
Качественный ламповый усилитель Hi-End – это ретроприбор. Конечно, детали для его сборки должны быть соответствующие. Вместо резистора может подойти углеродный и проволочный элемент. Если вы не жалеете средств на разработку этого прибора, следует применить прецизионные резисторы, которые довольно дорого стоят. В ином случае применимы МЛТ-модели. Это довольно неплохой элемент, о чем свидетельствуют отзывы.
Ламповые усилители Hi-End также применимы с ВС-резисторами. Их изготавливали около 65 лет назад. Отыскать такой элемент довольно просто, достаточно всего лишь прогуляться по радиорынку. Если вы применяете резистор с мощностью больше 4 Ватт, нужно выбирать проволочные эмалированные элементы.
Двухтактный усилитель класса А
Усилители в режиме A обеспечивают высокое качество звучания, однако переход к режиму AB при той же мощности рассеяния на аноде позволяет получить в два-три раза большую выходную мощность. Выходной каскад в режиме AB уже не может работать с катодной связью, поэтому без отдельного фазоинверсного каскада не обойтись.
Выходная мощность = 6 Вт (Кг<1%). Входное напряжение = 0,1B.
Рис. 2. Принципиальная схема двухтактного ламповго УНЧ класса А на 6C4, EL84 (6 Ватт).
Усилитель выполнен по схеме с непосредственной связью каскадов и охвачен глубокой ООС (-30 дБ). Двухтактный выходной каскад работает в классе А. Он выполнен по схеме с катодной связью и не требует отдельного фазоинверсного каскада.
Сетка VL3 заземлена по переменному току. Часть напряжения с катодов выходных ламп подана на экранирующую сетку VL1, что стабилизирует режим по постоянному току.
Налаживание сводится к подбору R1 …R3 так, чтобы напряжение на управляющих сетка выходных ламп составляло -12 В относительно их катодов.
Выходной трансформатор выполнен на сердечнике Ш-22х50. Первичная обмотка содержит 2×1 000 витков провода d=0,18мм, вторичная — 42 витка провода d=1,25. Обмотки секционированы, вторичная обмотка размещена между слоями первичной.
Трансформаторы
Еще один важный момент – использование различных трансформаторов. Как правило, применяются силовой и выходные, которые необходимо подключать перпендикулярно. Таким образом вы сможете уменьшить уровень низкочастотного фона. Трансформаторы следует располагать в заземленных кожухах. Необходимо помнить, что сердечники каждого из трансформаторов также следует заземлить. Не нужно применять экранированный провод, когда будете устанавливать приборы, чтобы не появились дополнительные проблемы. Конечно, это не все особенности, связанные с монтажом. Их довольно много, и все рассмотреть не получится. При установке Hi-End (лампового усилителя) нельзя использовать новые элементные базы. Их сейчас применяют для подключения транзисторов и интегральных микросхем. Но в нашем случае они не подойдут.
Особенности первой версии моего усилителя. Почему я отказался от параллельного включения выходных ламп
Параллельное соединение ламп в выходном каскаде действительно несколько увеличило выходную мощность. Но в последствии я от этого отказался, так как в случае со стерео усилителем одной лампы на выходе каждого канала оказалось вполне достаточно, но при этом усилитель потребляет в 2 раза меньшую мощность и меньше нагревается силовой трансформатор. Так как я уже установил на шасси 4 панельки под выходные лампы, я решил перепаять две крайнее панельки под цоколевку ламп 6П14П.
Теперь в усилителе можно использовать либо 2 лампы 6П1П, либо две 6П14П, в зависимости от того, какие ламы у вас есть. Усилитель прекрасно работает с пентодами 6П14П. Может быть даже лучше, так как выходные трансформаторы изначально рассчитаны на лампы 6П14П. Проблема в том, что нельзя просто вставить 6П14П вместо 6П1П в панельку, так как у ламп не совпадает цоколевка. Кроме того, тетроды 6П1П хорошо работают с фиксированным смещением, тогда как пентоды 6П14П рекомендуется использовать в схеме с автоматическим смещением. Сейчас на шасси усилителя есть две дополнительных панельки под 6П14П, и я могу использовать любые лампы по моему выбору и оценить разницу в звуке., и те. При этом в случае использования 6П1П они работают с фиксированным смещением, а если установить 6П14П они будут работать с автоматическим. Это реализовано просто разной распайкой панелек под лампы.

Если вы захотите повторить данный усилитель, вам совершенно не обязательно мудрить с разными типами ламп. Вы можете сделать усилитель либо под 6П14П (EL84) либо под 6П1П. И даже не нужно делать дополнительный стабилизатор напряжения для фиксированного смещения 6П1П — эти лампы прекрасно работают и с автоматическим смещением. Можно сильно упростить усилитель если использовать автоматическое смещение также и в случае использования 6П1П. Фиксированное смещение — это моя прихоть в данном усилителе.
Также возможно имеет смысл сразу сделать этот усилитель именно под лампы 6П14П, так как эти лампы сейчас более доступны. особенно их зарубежный аналог EL84. Их можно легко заказать в Китае на Алиэкспресс. Схему изменений в для 6П14П я помещу далее в статье.
Лампа EL84 с Алиэкспресс (полный аналог советской 6П14П)
↑ Конструкция и монтаж
Конструкция, дизайн — тут кто как сможет. Я заказал распил элементов из ламинированного МДФ в магазине «Дизайн-мебель», это конечно не массив дорогой породы дерева, но для нас, «начинающих хайэндщиков», вполне себе подходит.

Клеммы акустики на задней панели. На передней панели регуляторы громкости, входные «тюльпаны» и стрелочные приборы контроля токов покоя. Потенциометр установки токов покоя на плате УЗЧ, должен быть легкодоступен. Индикатор включенного состояния — свечение накалов ламп. Плата УЗЧ (шасси) – нефольгированный стеклотекстолит 5 мм. Нефольгированный для уменьшения ёмкости монтажа, всё «висит в воздухе» (как на макете) и конструкция «легко дышит».
Проводники: одножильный, медный, лужёный или даже посеребрённый монтажный провод (проволока). Цепи переменного тока: витые пары гибких многожильных проводов. Монтаж на контактах ламповых панелей, выводах электролитических конденсаторов и стойках, установленных «по месту» в процессе сборки.

Кожух трансформаторов склеен из пластика, покрашен матовой эмалью из баллончика.
Звуковая аппаратура своими руками

Во времена технического прогресса, когда смартсфоны уже настолько тонкие, что ими можно блины на сковороде переворачивать, а на телевизорах ну никак не могут с комфортом покемарить няшные котейки, я решил сотворить ламповый усилитель в максимально возможном тонком корпусе. Набравшись уже достаточно опыта в лампостроении и, выпрямив руки до нужной кондиции, я решил выйти на новую планку качества в схематехническом и дизайнерском планах. Придумывать свою схему я не стал, а просто взял наработку из интернета под названием «Покемон». Схема в стерео варианте, состоящая из одной лампы 6Н23П в раскачке и двух оконечных 6П14П. Мощность 4,3 Ватта в канале. Вся схема разведена мною на одной моноплате. Блок питания и выходные трансформаторы на печатном монтаже. Лишь сетевые трансформаторы вынесены за экран. Корпус высотой 45 мм. С защитными стойками для ламп. На передней панели стерео гнездо 6,3, две ручки громкости и два индикатора мощности. Индикаторы были мною переделаны из советских амперметров путём замены шкалы и сборки схемы измерения мощности. Фон выведен в полный ноль. Если при нулевом сигнале выкрутить потенциометры на максимальную мощность и прислонить ухо к резонатору динамика, не будет слышно ровно никаких гудений, свистов и посторонних призвуков. Подобный эффект достигнут сверхнадёжной схемой питания и глухой экранировкой питающих трансформаторов. Усилитель собирал в течение 3 месяцев и меня удовлетворил по всем параметрам. Если раньше я писал, что сборка ламповых усилителей и гитарных ламповых эффектов мне почти перестала доставлять удовольствие, то в этом случае результат меня «прёт что надо». К чему можно подключить этот девайс? — Компьютеру. Кабелем 3,5 на 6,3. — К виниловому проигрывателю со встроенным предусилителем. — К гитаре. Да-да, как гитарный девайс он тоже хорош. Частота межкаскадными емкостями не зажата, что просто шикарно для подключения гитары, или связки гитара + примочка. Единственный нюанс – нужно подключать вместо широкополосок гитарные 4 Ом,ные динамики (или один динамик а на второй выход вешать эквивалент нагрузки чтобы не спалить выходные трансформаторы).
— При желании даже к мобилке, или профессиональному айфону. Слушать нереально качественную музыку из ВК, или поймать радио Шансон, лузгать семки и строить дерзкие планы на вечер. В конечном итоге усилитель пошёл в подарок отцу на день рождения, заменив его китайские скрипящие и сквончащие недоколонки, которые я давно уже хотел выкинуть. Полную версию статьи с описанием процесса сборки, платой, схемой и видео обзором в будущем можно будет прочитать на сайте Datagor.ru, где я публикуюсь.
Хочу дешево и сердито. Какие есть варианты?
Итак, с типом обновления определенность есть. Но что покупать — всегда большой вопрос. Современные цифровые усилители предлагают массу дешевых, но качественных вариантов.
Аналоговые системы сегодня считаются уделом аудиофилов. Со всеми вытекающими проблемами: «золотыми» проводами, уникальными схемами питания (сочиненными без знаний электротехники), огромными размерами и ужасающими ценниками.
Вариантов остается немного: сделать самому или купить все такой же огромный усилитель из далекого прошлого. Впрочем, последний вариант может оказаться очень интересным, если заниматься не только звуком, но и украшением комнаты. В условиях ограниченного рабочего пространства 20-килограммовый агрегат окажется лишним. Да и рядом с современной компьютерной техникой такие решения нисколько не смотрятся.
Путь самурая-самодельщика долог и сложен. Однажды мы коснемся и этой темы. А сегодня поговорим о том, что будет, если простую аналоговую схему заказать в виде уже готового усилителя из Китая. На самом деле, получится намного лучше, чем собирать самому — уж по-крайней мере, в среднестатистическом случае. Дешевле и надежнее.
Сборка усилителя
Собирая этот усилитель мне захотелось отойти от классического металлического шасси в пользу «хорошо звучащего» дерева. Правда вместо дерева я воспользовался фанерой, которая в прошлой жизни гордо называлась кухонной доской.
Но вот корпус я все равно предпочел сделать из метала для экранировки потрохов усилителя. На роль крышки пошла крышка от куска какого-то военного прибора для проверки радиоламп в полевых условиях. Это счастье досталось мне от соседа, после сноса его гаража.
После того как я определился с расположением элементов на фанерной крышке корпуса, были просверлены все необходимые отверстия
Тут стоит заострить внимание, пожалуй, только на сверление отверстий под панельки для ламп. Т.к
панельки было решено устанавливать с верхней стороны, то для свободного доступа к контактам, с внутренней стороны я высверливал отверстия бОльшего диаметра, оставляя 4 слоя фанеры, для крепления самих ламп.
Тут стоит быть осторожным и внимательным т.к. фанера любит расслаиваться. Поэтому как только появлялся намек на трещину я подклеивал его суперклеем.






























