Как выбрать светодиод для подключения к 12 вольтам
Необходимый вид диодов подбирают исходя из конкретных задач. На рынке существует множество вариантов, от индикаторных до сверхмощных. Для подсветки кнопок и индикаторов на панели приборов в авто можно использовать маломощные диоды. Для подсветки интерьера квартиры или машины применяют простые сверхъяркие. Для установки в головную оптику, дневные головные огни автомобилей или в фонарики устанавливают мощные светодиоды.
Важным фактором является размер и форма корпуса. В зависимости от предназначения могут использоваться диоды в круглом корпусе или детали поверхностного монтажа (SMD). Все зависит от потребности и задач.
Подключение через понижающий трансформатор
Подключить магнитолу дома можно через понижающий трансформатор с питанием 12В. Прибор можно запитать к самодельному или фабричному источнику питания, который подключается к сети в 220 В
Чтобы создать трансформатор своими руками, важно избавиться от вторичной обмотки и сделать несколько дополнительных витков с изолирующим покрытием

Еще следует определить тип шнура, который подойдет для создания обмотки. Большинство автомобильных магнитол снабжаются усилителем с потреблением тока до 10-15 А. Создавая самодельный узел, нужно убедиться, что он сможет справляться с повышенными нагрузками, не подвергаясь перегреву или оплавлению изолятора. Чтобы предотвратить нагрев внутренних деталей, необходимо поставить на выходе диодного моста вентилятор.
Для оценки напряжения обмотки задействуется мультиметр. После этого пользователю нужно рассчитать количество витков, при которых можно получить напряжение в 12 Вольт. Еще в цепь нужно включить выпрямитель из 4 полупроводников типа Д226. Система оснащается индуктивной катушкой с 2 конденсаторами по 10 тыс. мкФ. Для сборки диодного моста задействуют пластину гетинакса.
Подготовка к работе
Перед тем как подключить магнитолу к компьютеру или источнику питания на 220 В, важно подготовить такие приспособления:
- Преобразователь напряжения.
- Изолятор.
- Провод с оптимальной длиной и сечением.
- Мультиметр.
- Калькулятор для проведения расчетов.
Как сделать понижающий трансформатор своими руками
Понижающий трансформатор создается по следующей инструкции:
- Выбираем свободный участок провода и обматываем его изолятором и куском провода оптимальной длины и сечения.
- Чтобы определить оптимальное число витков, необходимо собрать схему включения и померить выходное напряжение одного витка. Если мультиметр выдает 2,9 В, одна обмотка обладает показателем в 0,41 В. Чтобы получить 12-вольтное напряжение, потребуется 30 витков.
- Дальше необходимо подключить диодный мост.

Перечисленные компоненты продаются в различных магазинах запчастей к электронным приборам или изготовляются своими руками в домашних условиях.
Непосредственное подключение
Все компоненты нужно соединить с помощью кабелей, а потом закрепить в защитном кожухе из огнестойкого сырья. Коммутация выполняется с помощью отдельных шнурков.
В процессе подключения следует убедиться в правильности выбора схемы. В противном случае система перегорит.
Бестрансформаторное электропитание: возможные схематические решения
Микросхема линейного стабилизатора
Можно своими руками собрать простой драйвер (источник стабилизированного тока) на недорогой (0,3 $) микросхеме линейного стабилизатора LM317АMDT. На вход преобразователя DС-AC подается напряжение сети 220 В, 50 Гц.
Стабилизированное напряжение 12 В получается на ИМС с минимальным набором элементов в обвязке (в самом простом варианте используется только R1 и R2). Подбирая номинал резисторов, можно регулировать ток в нагрузке, при суммарном токе светодиодов до 0,3 А микросхема отлично работает без радиатора. Ниже приведена типовая схема устройства на микросхеме LM317:

Зарядное устройство
Самым бюджетным вариантом, безусловно, считается использование зарядного устройства (ЗУ) от сотового телефона. Плата зарядника имеет совсем небольшие габариты и подойдет для питания 12 В гаджета с мощностью ≤ P ном. блока питания. Необходимо только заменить в ней однополупериодный выпрямитель на выпрямитель с удвоенным напряжением (добавляется по одному диоду и конденсатору). После модернизации получаем искомые 12 вольт с током 0.5А и полноценной развязкой от сети.
В качестве альтернативы, не требующей вмешательства в конструкцию, можно к выходу ЗУ через переходник подключается повышающий DС-DС преобразователь напряжения (например, 2-х амперный, размером 30мм х 17мм х 14мм, стоимостью 1$) с USB-разъемом. Требуется только выставить подстроечным резистором требуемое напряжение 12 В и подключить преобразователь к гаджету или стационарному электроприемному устройству.
Как понять, что именно БП вышел из строя
Самый заметный признак неисправного БП телевизора – не горит светодиод дежурного режима и устройство не реагирует на нажатие кнопок (в том числе, с пульта ДУ).
Другими основаниями считать, что БП вышел из строя могут быть:
- нестабильное включение (с нескольких попыток);
- светодиод дежурного режима светит, но реакция на попытку включения отсутствует;
- цвет светодиода меняется с красного на зеленый, но экран не горит и звука нет;
- посторонние шумы со стороны задней стенки (свистит, трещит и т.п.);
- ТВ включается, и присутствует звук, но экран не светит;
- другие неисправности.
Источниками любой из этих проблем могут быть и другие неисправности, но диагностику рекомендуется начать именно с проверки БП.
Виды и типоразмеры батареек на 12 вольт
В качестве основных элементов питания напряжением 12 вольт используются модели 23A и 27A. Такие батареи имеют цилиндрическую форму и отличаются между собой очень незначительно
Основные характеристики
| Параметр | A27 | A23 |
| Вид | Щелочная | Щелочная |
| Емкость, мАч | 20 | 40 |
| Напряжение, м | 12 | 12 |
| Форма | Цилиндрическая | Цилиндрическая |
| Высота, мм | 28.2 | 28.9 |
| Диаметр, мм | 8 | 10.3 |
| Масс, гр | 4.4 | 8 |
| Состоит из | 8 элементов LR632 | 8 элементов LR932 |
Как видно из данного сравнения, источник 27A имеет более компактные размеры, благодаря этому ее можно использовать в небольших устройствах, например, брелоках сигнализации.
Этапы сборки

Примерная последовательность сборки и проверки в рабочем режиме.
- найдите в документации технические характеристики, сколько вольт падает на каждом LED;
- составьте схему подключения учитывая напряжение питания;
- вычислите потребляемую мощность всей электрической цепи;
- подберите блок питания или драйвер подходящий по мощности;
- рассчитайте резистор в случае использования питания стабилизированным напряжением;
- найдите правильную полярность на ножках LED;
- припаяйте провода диодным компонентам;
- подключите источник питания;
- плотно установите диоды на радиатор и закрепите их;
- включаем всю конструкцию в сеть 220V предварительно зажмурившись;
- если ничего не взорвалось, то измеряем потребление энергии, нагрев, потребляемый ток;
- корректируем ток, если он оказался выше или ниже расчётного;
- прогреваем в течение 30 минут
- для китайских диодов температура на электрическом контакте не должна превышать 60°, для фирменных это указано в спецификациях, может быть максимум до 130° — 150°.
Алюминиевая звезда
Установка на систему охлаждения чаще всего требует хорошего оборудования и навыков. Поэтому диоды невысокой мощности 1W, 3W, 5W лучше покупать сразу на подложке из алюминия или меди в виде звезды. Таким образов вы не перегреете ножки и не испортите диодный чип. Затем звезду ставят на радиатор с использованием теплопроводной пасты.
Ремонт стандартных устройств
Как уже говорилось, большинство блоков питания современных компьютеров и телевизоров построено по типовой схеме. Они отличаются типоразмерами используемых электронных деталей и выходной мощностью. Методика диагностирования и устранения неполадок для этих устройств идентичны.
Однако качественный ремонт требует соответствующего инструмента, в номенклатуру которого входят:
- паяльник (желательно с регулируемой мощностью);
- припой, флюс, спирт или очищенный бензин («Галоша);
- приспособление для удаление расплавленного припоя (оловоотсос);
- набор отверток;
- бокорезы (кусачки);
- бытовой мультиметр (тестер)
- пинцет;
- лампа накаливания на 100,0 ватт (используется в качестве балластной нагрузки).
Читать также: Переплетный станок своими руками
В принципе простые телевизоры можно ремонтировать без схемы, однако главной сложностью ремонта некоторых моделей является то, что питающее устройство вырабатывает весь спектр напряжений – включая высоковольтное, используемое для развертки кинескопа. Блоки питания бытовых компьютеров выполнены по однотипной схеме. Рассмотрим отдельно методику определения неисправности и ремонта телевизора и десктопа.
Особенности такой подсветки
Чтобы понять, стоит ли делать в доме или квартире освещение на 12 вольт, особенно это касается часто посещаемых помещений (гостиная, спальня, кухня, ванная комната), необходимо выяснить особенности такого типа подсветки. Поскольку предполагается работа светильников с нестандартным напряжением в 12 вольт, то сразу же становится понятным – необходим трансформатор для преобразования напряжения. Это основная особенность такой подсветки. Но вот что действительно необходимо учесть, так это ток, который будет течь в проводах 12-вольтовой сети. Чтобы понять значимость этого факта, рассмотрим следующий пример:
- у нас есть лампочка с мощностью в 60 Ватт и нам необходимо ее запитать;
- в ситуации с напряжением цепи в 220 вольт с такой лампочкой ток по проводам будет течь примерно в 0.3 ампера;
- а вот при наличии 12-ти вольтного напряжения, при тех же условиях, ток будет иметь уже 5 ампер.
Как видно, при организации такого типа освещения необходимо правильно подобрать сечение провода, чтобы добиться нужного уровня тока. Для решения этой проблемы (уменьшение значения тока), нужно уменьшить суммарную мощность потребления осветительных приборов, применяемых для освещения помещения. Но следует помнить, что здесь имеются потери проводов и, в конечном счете, уместить всю суммарную мощность даже в пределах 60 Ватт не всегда получается. Самым рациональным решением при создании освещения на 12 вольт в квартире или доме будет разбивка осветительных приборов на отдельные группы. Такие группы светильников в доме (в ванной, гостиной, спальне и т.д.) можно размещать рядом. Но при этом каждая такая группа должна иметь свой отдельный трансформатор (220/12 вольт). Вот таким простым и нехитрым способом решается главная проблема в такого рода подсветке — высокий ток в проводах.
Светодиодное освещение гостиной
Кроме этого необходимо помнить, что с таким напряжением могут работать современные экономные источники света. Среди них самыми экономными и выгодными в плане эксплуатации являются светодиодные лампочки. Экономия электроэнергии при их использовании будет максимальной по сравнению с остальными вариантами лампочек. Еще одним плюсом установки именно светодиодных лампочек является возможность подключения к схеме питания контроллера. Он позволит эффективно настраивать и регулировать освещение.
Напряжения на выходе блока питания не соответствуют норме
В этом случае требуется проверить исправность сетевого конденсатора, элементов обеспечения работы ШИМ-модулятора и защитного оптрона.
При периодическом возникновении проблем в блоке питания
Для поиска причин неисправности следует использовать такой алгоритм:
- Внимательно рассмотреть места пайки элементов блока питания на предмет наличия круговых трещин;
- Отыскать в схеме блока питания элементы с почерневшим корпусом, что указывает на их перегрев;
- Если неисправность начинает проявляться только после разогрева телевизора, то вычислить виновный элемент можно его искусственным охлаждением (смачивание спиртом или ацетоном) или нагревом (паяльником). Характер поведения блока питания при этом может существенно сузить круг поиска неисправности.
Как самому сделать адаптера для подачи питающего напряжения на антенный усилитель
При изготовлении адаптера для подачи питающего напряжения на антенный усилитель с развязкой, я решил не устанавливать дополнительный разъем для подключения блока питания, а использовать один из разъемов для подключения F-штекера. Для этого пришлось удалить один из трансформаторов, ограничив возможность краба подключением только двух телевизоров.

В результате переделки к крабу можно будет подключать только два телевизора, и его схема изменилась.

Осталось установить в крабе LC-фильтр и адаптер будет готов для применения. Так как корпус краба выполнен из дюралюминия, то соединить вывод конденсатора к нему пришлось через дополнительно установленную латунную клемму, прикрученную к корпусу адаптера с помощью винта и гайки с фасонной шайбой.

В результате доработки, электрическая принципиальная схема краба приобрела следующий вид. Как видно из схемы, трансформатор Т1 остался родной, а добавились дроссель и два конденсатора.

Для лучшего согласования схемы можно между выходными выводами XW2 и XW3 припаять резистор величиной 150 Ом. Устанавливать адаптер можно в любом удобном месте, непосредственно у одного из телевизоров, или например, у входа кабеля в квартиру. Если нужно подключить только одни телевизор, то трансформатор Т1 можно удалить, а правый вывод конденсатора С1 припаять непосредственно к центральному выводу одного из разъемов XW2 или XW3, к которому и подключать кабель, идущий к телевизору.
Для чего может использоваться напряжение 12 или 24 вольт в быту
В бытовых условиях зачастую используются источники электропитания низкого напряжения. От напряжения 12 или 24В постоянного тока DС запитываются переносные/стационарные электротехнические и электронные устройства, а также некоторые осветительные приборы:
- аккумуляторные электродрели, шуруповерты и электропилы;
- стационарные насосы для полива огородов;
- аудио-видеотехника и радиоэлектронная аппаратура;
- системы видеонаблюдения и сигнализации;
- батареечные радиоприемники и плееры;
- ноутбуки (нетбуки) и планшеты;
- галогенные и LED-лампы, светодиодные ленты;

- портативные ультрафиолетовые облучатели и портативное медицинское оборудование;
- паяльные станции и электропаяльники;
- зарядные устройства мобильных телефонов и повербанков;
- слаботочные сети электропитания в местах с повышенной влажностью и системы ландшафтного освещения;
- детские игрушки, елочные гирлянды, помпы аквариумов;
- различные самодельные радиоэлектронные устройства, в том числе на популярной платформе Arduino.
Большинство устройств работает от батареек и Li-ion аккумуляторов, но использование товарных позиций не всегда оправдано с точки зрения эксплуатационных затрат. Заряжать аккумуляторные батареи можно 300–1500 раз, но гальванические элементы с большой энергоемкостью и низким током саморазряда стоят дорого. Заметно дешевле обойдется приобретение батареек, особенно солевых и щелочных, но такие элементы придётся часто менять. Тем более, что для обеспечения подающего напряжения 12 В понадобится 8 последовательно соединенных пальчиковых батареек (типа АА или ААА) или 1,5-вольтовых «таблеток» в корпусе типа 27А.
Поэтому в местах с доступом к бытовой сети 220 В 50 Гц для питания электроприемников с амперажом больше 0,1 А рациональнее использовать блок питания.
Возможные причины поломки
Неисправности, которые приводят импульсный блок питания в нерабочее состояние, могут появляться по самым разнообразным причинам. Наиболее часто поломки происходят из-за:
- наличия колебания сетевого напряжения. К неисправности могут привести те колебания, на которые не рассчитаны данные понижающе-выпрямительные модули;
- подключение к блоку питания нагрузок, на которые бытовые приборы не рассчитаны;
- отсутствие защиты. Не устанавливая защиту, некоторые производители просто экономят. При обнаружении такой неполадки нужно просто установить защиту в конкретное место, где она и должна находиться;
- несоблюдение правил и рекомендаций эксплуатации, которые указаны производителями для конкретных моделей.
При этом в последнее время частой причиной поломки преобразователей напряжения является заводской брак или использование при сборке некачественных деталей. Поэтому, если вы хотите, чтобы ваш купленный импульсный блок питания проработал как можно дольше, не стоит покупать его в сомнительных местах и не у проверенных людей. Иначе это могут быть просто впустую потраченные деньги. После диагностики блока зачастую выясняются следующие неисправности:
- 40% случаев – нарушение работы высоковольтной части. Об этом свидетельствует перегорание диодного моста, а также поломка фильтрующего конденсатора;
- 30% — пробоем биполярного (формирующего импульсы высокой частоты и располагающегося в высоковольтной части устройства) или силового полевого транзистора;
- 15% — пробой диодного моста в его низковольтной части;
редко встречается выгорание (пробой) обмоток дросселя на выходном фильтре.
Все остальные поломки можно будет определить только специальным оборудованием, которое вряд ли хранится дома у среднестатистического человека. Для более глубокой и точной проверки необходим цифровой вольтметр и осциллограф. Поэтому если поломки не кроются в четырех приведенных выше вариантах, то в домашних условиях блок питания такого типа вы не сможете починить. Как видим, ремонт, проводимый в данной ситуации своими руками, может иметь самый разнообразный вид. Поэтому, если у вас перестал работать компьютер или телевизор по причине поломки блока питания, то не нужно бежать в ремонтную службы, а можно попутаться решить проблему своими силами. При этом домашний ремонт обойдется значительно в меньшую стоимость. А вот если вы не сможете своими силами справиться с поставленной задачей, тогда можно уже идти на поклон к специалистам из ремонтной службы.
Читать также: Как обрезать зеркало болгаркой
Разновидности 12В стабилизаторов
Подобные устройства могут быть собраны на транзисторах или на интегральных микросхемах. Их задача – обеспечить значение номинального напряжения Uном в нужных пределах, несмотря на колебания входящих параметров. Наиболее популярны следующие схемы:
- линейная;
- импульсная.
Схема линейной стабилизации представляет собой простой делитель по напряжению. Его работа заключается в том, что при подаче на одно «плечо» Uвх, на другом «плече» изменяется сопротивление. Это поддерживает Uвых в заданных пределах.
Важно! При такой схеме при большом разбросе значений между входным и выходным напряжениями происходит падение КПД (некоторое количество энергии переходит в тепло), и требуется применение теплоотводов. Импульсная стабилизация контролируется ШИМ-контроллером
Он, управляя ключом, регулирует длительность токовых импульсов. Контроллер проводит сравнение величины опорного (заданного) напряжения с напряжением на выходе. Входное напряжение подаётся на ключ, который, открываясь и закрываясь, подаёт полученные импульсы через фильтр (ёмкость или дроссель) на нагрузку
Импульсная стабилизация контролируется ШИМ-контроллером. Он, управляя ключом, регулирует длительность токовых импульсов. Контроллер проводит сравнение величины опорного (заданного) напряжения с напряжением на выходе. Входное напряжение подаётся на ключ, который, открываясь и закрываясь, подаёт полученные импульсы через фильтр (ёмкость или дроссель) на нагрузку.
К сведению. Импульсные стабилизаторы напряжения (СН) обладают большим КПД, требуют меньшего отвода тепла, но электрические импульсы при работе создают помехи для электронных устройств. Самостоятельная сборка подобных схем имеет существенные сложности.
Классический стабилизатор
Такое устройство имеет в своём составе: трансформатор, выпрямитель, фильтры и узел стабилизации. Стабилизация обычно осуществляется при помощи стабилитронов и транзисторов.
Основную работу выполняет стабилитрон. Это своеобразный диод, который подключается в схему в обратной полярности. Рабочий режим у него – режим пробоя. Принцип работы классического СН:
- при подаче на стабилитрон Uвх < 12 В элемент находится в закрытом состоянии;
- при поступлении на элемент Uвх > 12 В он открывается и удерживает заявленное напряжение постоянным.
Внимание! Подача Uвх, превышающего максимальные значения, указанные для определённого вида стабилитрона, приводит к его выходу из строя. Схема классического линейного СН

Схема классического линейного СН
Интегральный стабилизатор
Все элементы конструкции таких устройств располагаются на кристалле из кремния, сборка заключена в корпусе интегральной микросхемы (ИМС). Они собраны на базе двух типов ИМС: полупроводниковых и гибридно-плёночных. У первых компоненты твердотельные, у вторых – изготовлены из плёнок.
Главное! У таких деталей всего три вывода: вход, выход и регулировка. Такая микросхема может выдавать стабильно напряжение величиной 12 В при интервале Uвх = 26-30 В и токе до 1 А без дополнительной обвязки.

Схема СН на ИМС
Советы по доработке:
- Многие производители источников питания в целях экономии ставят слабые диоды (мосты) в выпрямители. Следует заменить как минимум в 2 раза больше по току: Диоды можно поставить на 4 ампера, диодную сборку на 5-7 ампер.
- Выходные диоды (Шоттки) желательно тоже поставить помощнее
- Электролитические конденсаторы по выходным цепям тоже необходимо поменять на ёмкость вдвое больше вместо 1000 мкФ. смело можно ставить 2200 мкФ. Вместо 1500 и 2200 соответственно 3300 мкФ. и 4700 мкФ. Думаю логика вам понятна. Напряжение на новых конденсаторах должно быть не ниже 25 вольт.
- Часто можно встретить в цепи +12 вольт два диода на радиаторе – необходимо поставить MBR20100 или подобный.
- В цепях ключевых транзисторов стоят маленькие электролиты на 1 мкФ. – причина многих проблем. Стоит их заменить на 4,7 мкФ. 50 вольт.
Доработав таким образом компьютерный блок питания вы продлите его жизнь и обезопасите его от ряда непредвиденных неисправностей, которые, как мину замедленного действия заложили производители.
Как выбрать светодиод для подключения к 12 вольтам
Необходимый вид диодов подбирают исходя из конкретных задач. На рынке существует множество вариантов, от индикаторных до сверхмощных. Для подсветки кнопок и индикаторов на панели приборов в авто можно использовать маломощные диоды. Для подсветки интерьера квартиры или машины применяют простые сверхъяркие. Для установки в головную оптику, дневные головные огни автомобилей или в фонарики устанавливают мощные светодиоды.
Важным фактором является размер и форма корпуса. В зависимости от предназначения могут использоваться диоды в круглом корпусе или детали поверхностного монтажа (SMD). Все зависит от потребности и задач.
Нестандартное решение
Осветительные изделия на 12 вольт не всегда находят своего потребителя по нескольким причинам. Во-первых, это связано с нестандартным напряжением светильников — всего 12 вольт.
Во–вторых, для установки осветительных приборов на 12 вольт нужен специальный преобразователь (например, блок питания), который будет преобразовывать напряжение в сети из 220 вольт в нужное 12-ти вольтное. В третьих, чтобы освещение на 12 вольт работало, необходимо правильно собрать и подключить электрическую схему, особенно, если все работы будут проводиться своими руками.

Светильник на 12 вольт
Вот по этим причинам, многие сегодня не сильно горят желанием устанавливать в доме или квартире такое освещение. Но если разобраться в ситуации, то здесь сразу будут видны неоспоримые плюсы, о которых мы поговорим несколько ниже.
Разбор и определение неполадки
Первым делом необходимо разобрать телевизор, сняв заднюю крышку устройства, по периметру закреплённую на винтах. В зависимости от модели и производителя вашего ТВ получить доступ к БП можно уже после этого этапа.
Если же вы не заметили данную деталь после снятия крышки, то она находится поз защитным металлическим кожухом. В отдельных моделях также возможна установка ещё одной защиты специально для блока питания. На каждом из этапов вам потребуется по кругу откручивать винтики, на которых фиксируется извлекаемый компонент.
Как выглядит БП и его составляющие?
Прежде, чем начать ремонт блока питания телевизора, нужно разобраться в том, как выглядит данный компонент. Во всех современных моделях присутствует несколько БП, но все они размещаются на одной плате. Отличить её от других совсем не сложно, ведь кроме конденсаторов и других компонентов на данной плате также присутствует три трансформатора (окрашены в чёрно-жёлтый цвет).

Что же касается составляющих БП, то они следующие:
- Дежурный блок питания. Для того, чтобы устройство находилось в дежурном режиме (светился светодиод) и ожидал какой-либо команды оно должно получать напряжение 5В. Подаёт его на телевизор именно дежурный БП.

- Блок инвертора. Если телевизор пытается включиться, но после этого сразу же переходит обратно в дежурный режим, то проблема связана с данной деталью. Он отвечает за питание соответствующего компонента, поэтому при отсутствии питания процессор не может получить подтверждение работоспособности от инвертора и заменяет режим на дежурный.

- Блок PFC. Мощность разделяется на активную и реактивную. Первая выполняет полезную работу, а реактивная просто переходит от генератора к нагрузке и обратно. Второй типа может быть индуктивным или, как это и характерно для телевизоров, ёмкостным (конденсаторы). Реактивная мощность нужна для функционирования телевизора, но она может ощутимо увеличивать энергопотребление, а также быстрее изнашивать конденсаторы, что негативно влияет на долговечность БП в целом.

Чтобы исключить обозначенные явления применяется специальный блок PFC (Power Factor Correction), который, как следует из его названия, занимается коррекцией коэффициента мощности.
Проверка напряжения в розетке на дежурном блоке
Телевизор может не включаться из-за нестабильного напряжения, поэтому решается данная проблема при помощи стабилизатора. Также причиной часто выступает неработоспособность удлинителя либо розетки. Причём разные источники питания в квартире могут быть подключены к разным автоматам в щитке, поэтому наличие света в доме ещё не означает снабжение электроэнергией нужной вам розетки. Если с питанием проблем нет, тогда нужно при помощи тестера прозвонить выход дежурного блока питания.

В итоге должно получиться 5В, а если вы получили значение меньше или полностью отсутствующее напряжение, тогда проблема заключается в изношенных конденсаторах. Определить их можно при визуальном осмотре, ведь такие компоненты будут вздутыми.

В том же случае, когда и здесь не обнаружена проблема, необходимо проверить предохранитель. Для этого его также нужно прозвонить, проверив, нет ли где-то короткого замыкания. Дополнительно необходимо осмотреть заднюю часть платы, сняв её с каркаса.
Замена поврежденных элементов

- Паяльник с возможностью регулирования уровня нагрева.
- Отвертки.
- Кусачки.
- Пинцет.
- Мультиметр.
- Припой.
Чтобы удалить неисправный элемент, нужно перевернуть плату и нагреть припой, который фиксирует «ножки» элемента с общей дорожкой платы. Как только олово расплавиться, ножки можно будет вытащить, потянув за основание элемента. Далее рекомендуется удалить остатки старого припоя с местом работы и непосредственно в отверстиях платы под ножки. Это позволит более надежно впаять новые элементы. Вставив ножки нового элемента в отверстия, следует зафиксировать их оловом
Делать это необходимо предельно осторожно, используя небольшое количество припоя. В противном случае можно задеть соединение соседних элементов
Когда все ремонтные работы выполнены, можно проверить работоспособность БП. Но перед тем, как проверять блок питания телевизора на исправность в работе, следует провести дополнительную проверку. Для этого достаточно извлечь предохранитель и заменить его обычной лампочкой накаливания. Если при подаче питания на плату нить накала лампы раскаляется, значит можно пробовать подключать плату.
Где купить дешево?

Бывает, что у вас дома не оказалось БП подходящего от бытовых приборов, но точно есть у других, тоже валяется без дела. Сперва спросите у знакомых или соседей, наверняка что то есть. За пару сотен или жидкую валюту вы можете сними договорится.
Большой ассортимент вы найдете на Авито и на местных форумах. Многие избавляются от ненужного хлама и продают БП за символическую цену, потому что выбрасывать жалко, а реальную стоимость не знают. Таким образом, я часто покупаю хорошие приборы, тем более торг никто не отменял. Недавно мне удалось купить фирменный ACER от моноблока на 190W за 400 р. Он герметичен и высокого качества, так как компьютерная электроника требует очень стабильного и качественного питания в отличие от диодной ленты.
Принципиальные схемы БП телевизоров и их особенности

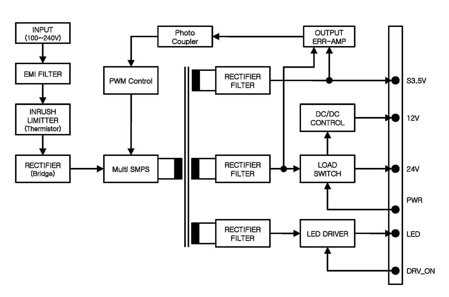
Типовая блок-схема источника питающих напряжений телевизора
Блоки питания ТВ выполняются по разным схемам с использованием различной элементной базы. Но принципы организации источника питания схожие.
Все БП современных телевизоров выполняются по импульсной схеме и содержат несколько модулей:
- Входной модуль. Его задача – подготовить напряжение для питания остальных узлов. Входная часть может содержать фильтр электромагнитных помех, ограничитель тока, коммутатор питания (работает по сигналу из модуля дежурного напряжения и подает питание на основные блоки), а также выпрямитель, питающий импульсные преобразователи.
- Корректор коэффициента мощности. На работу остальных блоков не влияет, БП может успешно работать и без него. Но выпрямители с фильтрами, коих в схема блока питания телевизора достаточно, отличаются резко несинусоидальной формой тока. Это приводит к появлению в токе потребления гармоник, создающих помехи в питающей сети, а также к повышению бесполезно потребляемого реактивного тока, что требует увеличения сечения проводников. Для борьбы с этими явлениями и служит ККМ, корректирующий соотношение активной и реактивной составляющей тока.
- Модуль дежурного напряжения. Запитан и работает даже тогда, когда телевизор выключен (но включен в сеть). Формирует постоянно присутствующее напряжение питания +5 VDC, а также коммутируемое внутренней схемой +5 VDC и +12 VDC – в зависимости от потребности узлов телевизора. По команде с ПДУ или с кнопки ТВ подает на коммутатор сигнал о включении питающего напряжения на основной модуль питания.
- Модуль питающего напряжения. Обесточен, если ТВ выключен. При подаче напряжения от выпрямителя входного модуля формирует несколько питающих напряжений для различных узлов телевизора и для питания экрана.
Обычно все модули расположены на одной плате и представляют собой различные функциональные участки схемы.
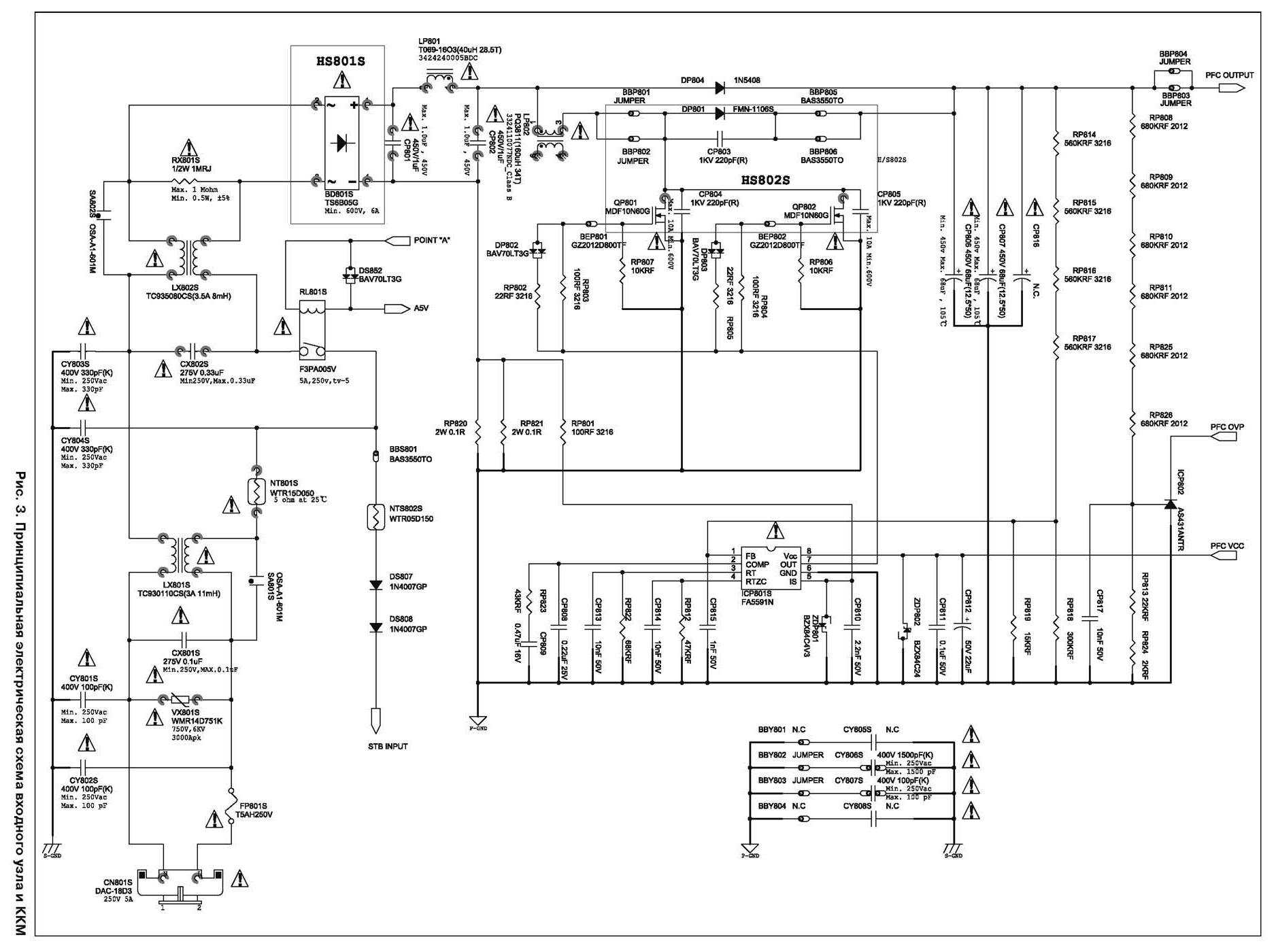
Конкретную схему можно рассмотреть на примере БП производства SAMSUNG платы источника питания BN44-0042. Он построен по приведенной выше блок-схеме.

Входные цепи и ККМ БП BN44-0042
От скачков напряжения схему защищает варистор CX801S. Дальше разработчики предусмотрели участок защиты от синфазных и противофазных помех, коммутатор питания основного модуля на реле F3PA005V и еще один защитный фильтр, после которого установлен выпрямитель HS801S. ККМ выполнен на базе специализированного контроллера FA5591N. Через ключи на мощных полевых транзисторах микросхема коммутирует дроссель LP802, улучшая форму потребляемого тока, и одновременно стабилизируя напряжение на выходе и осуществляя защиту от сверхтока.

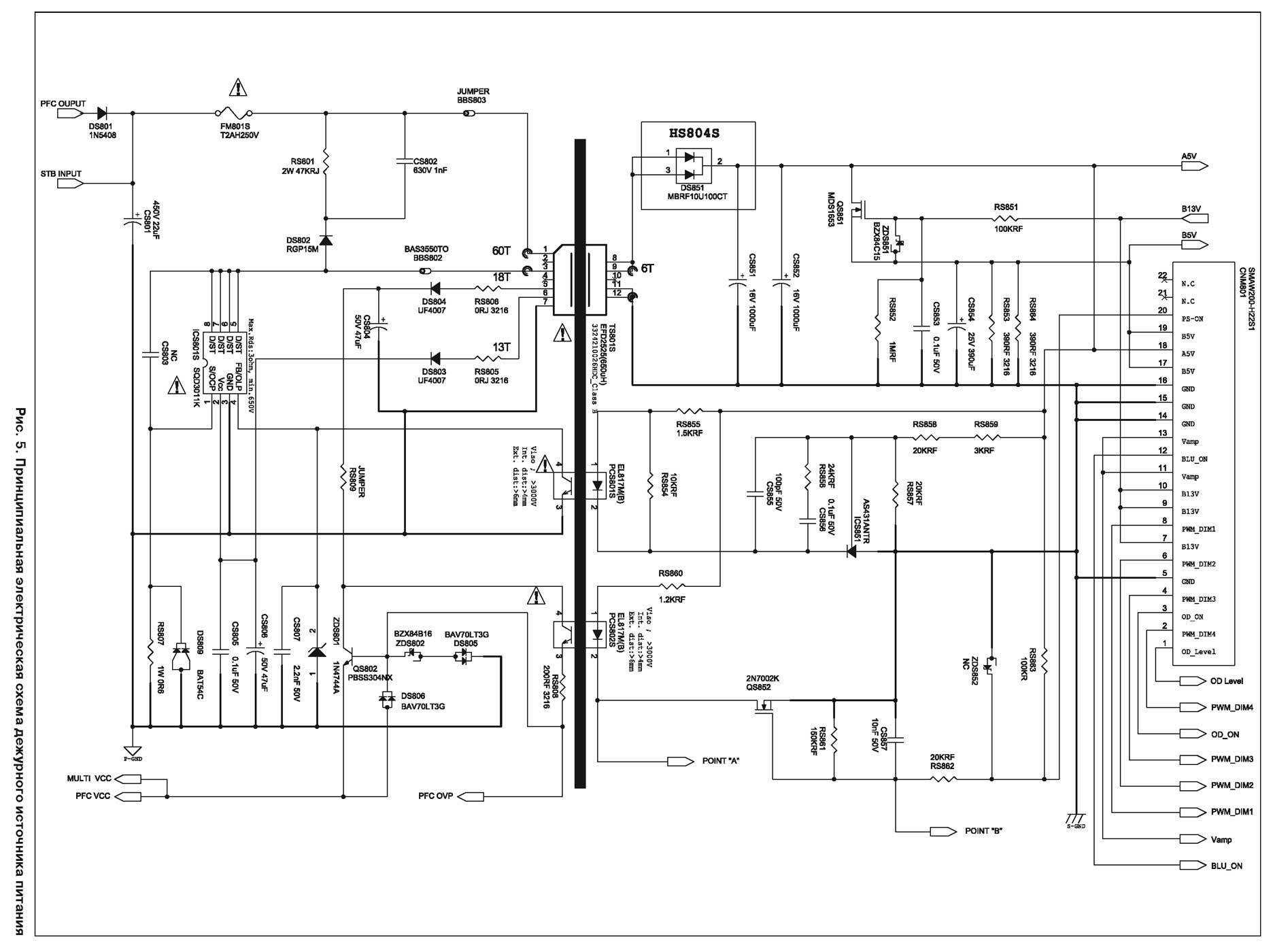
Схема источника дежурного напряжения БП Samsung BN44-0042
Дежурный источник питания формирует основное +5VDC напряжение, коммутируемое напряжение +5 VDC и вспомогательное напряжение +12 VDC для питания микросхем основного источника и ККМ. Основа схемы – ШИМ-контроллер SQD3011K. Обмотки импульсного трансформатора коммутируются без дополнительных внешних ключей. Схема формирования основного и коммутируемого напряжений особенностей не имеет и является типовой для импульсных источников питания. Обратная связь для стабилизации напряжения организована с помощью оптрона.

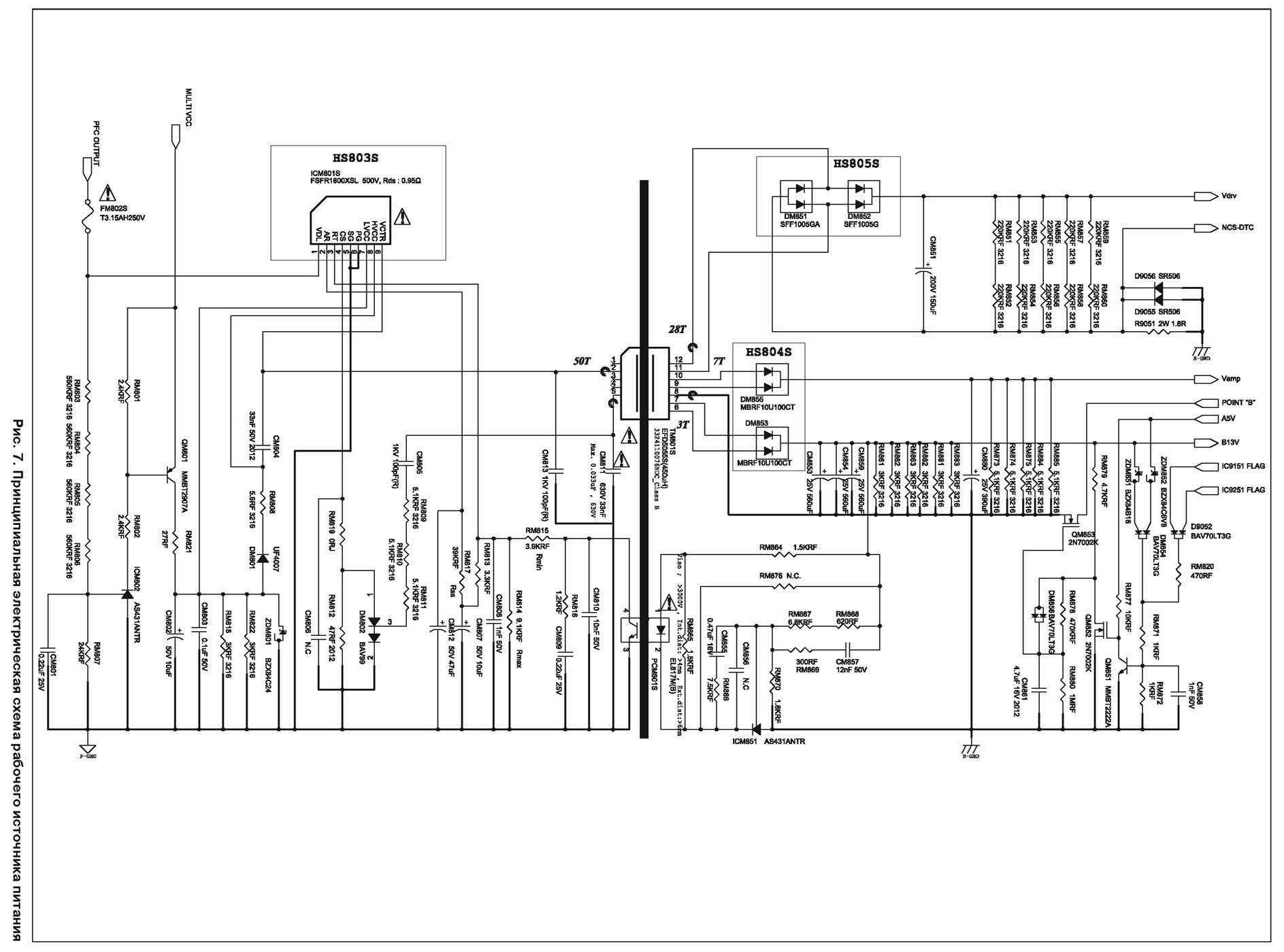
Схема основного модуля BN44-0042
Источник основного питания построен по импульсному принципу на ИМС FSFR1800XSL. Эта микросхема содержит встроенные силовые элементы, включенные по схеме полумоста, поэтому обмотку трансформатора она коммутирует также напрямую, без дополнительных элементов.
Выходное напряжение стабилизируется методом ШИМ, обратная связь организована через оптрон. Вторичные выпрямители выходных напряжений особенностей не имеют.
Похожие принципы положены в основу построения источников питания телевизоров LG (например, модуль LG32-13PL1). Но есть и отличия от рассмотренной раньше схемы. Главные из них:
- применена иная элементная база;
- отсутствует ККМ;
- на выходе источника другой набор питающих напряжений (так, для драйверов LED используется напряжение +65..87 VDC, а дежурное составляет всего 3,5 вольта);
- на модуль основного напряжения питание подано всегда, а коммутация ON/OFF производится по вторичной стороне.

Блок-схема БП LG32-13PL1
Схема ШИМ организована на микросхеме SSC1S311A. Она не имеет встроенных мощных ключей, поэтому для коммутации обмоток применен мощный MOSFET. Для питания драйверов LED используется отдельный контроллер PWM на микросхеме MAP3202.
Схема электрическая принципиальная БП LG
Источники питания

Чтобы подключить сверхяркие светодиоды к постоянному стабилизированному напряжению необходимо использовать токоограничивающий резистор. При мощности потребления энергии более 10W его использовать не рационально.
Самые распространённые имеют мощность:
- 0,5W в корпусе SMD;
- 1W, 3W, 5W в корпусе Эмиттер, круглый с ножками;
- квадратные COB диоды от 5W, 10W.
- 1,5V – пальчиковые батарейки;
- 3,7V – литиевые аккумуляторы от телефонов;
- 5 Вольт — это USB зарядные устройства для смартфоном и планшетов;
- 9V – батарейка Крона;
- 12 вольт – бортовая сеть автомобиля, блоки питания от бытовой электроники;
- 19V – блоки питания от ноутбуков, хорошо стабилизированы, и выдают до 90W.
Модуль стабилизатора за 100 руб
Для снижения количества вольт с источника питания нужен стабилизатор с возможностью регулировки. Обычно покупаю их на Aliexpress в средне по 2$ за модели на 2 Ампера, и 5$ за мощный модуль на 5 Ампер. В России на них цена слишком высокая, лучше купить заранее, но в 2-3 раза больше.
Основные свойства

Паяльник, рассчитанный на 12 Вольт, может работать как от переменного тока, так и от постоянного. Работающий на постоянном токе паяльник может быть подключен даже к бортовой сети автомобиля, при условии, что мощность его не будет превышать расчетную мощность автомобильной электропроводки.
В продаже есть немало конструкций паяльников, использующих низкое напряжение. Отличить их можно по обязательной надписи на корпусе, на упаковке.
Это напряжение должно быть указано и в технических характеристиках инструмента. При наличии ненужного паяльника на 220 вольт, можно изготовить 12 вольтовый самостоятельно.






























