Сборка АС комбика
Наиболее важным элементом при изготовлении является выбор правильного «пакета» для используемых динамиков. Это влияет на окончательный звук АС. Неправильный выбор этих параметров приводит к тому, что громкоговоритель сам по себе издает странные звуки, имеет призвуки. После расчетов и практических изменений, пришло время столярных работ.

Тут использовался скошенный тип расположения из-за места использования — дом — чтобы динамик «говорил» непосредственно с исполнителем, а не с полом.
Применен комплект акустики для гитары на мощность 120 Вт, фото динамика вы видели выше.

Задняя часть была вырезана на 1/3 ширины из-за полуоткрытия колонки, в этом месте лучше всего звучит сетка настройки, вставленная в рамку.


Обертывание колонки заняло весь день. Если хотите, можете использовать транспортные колесики или же резиновые ножки с подстраиваемой резьбой, чтобы выровнять их по полу. Динамики крепятся винтами М6 с самоконтрящимися шайбами, чтобы они не ослабли от вибрации.

Внутри были приклеены и привинчены полосы 25×25 мм для придания жесткости конструкции против сильных вибраций. Для эстетической отделки передняя часть была сделана из дерева, так называемая четверть круга, вырезанная по размеру. Центр был покрашен матовой черной акриловой краской, затем подрезаны все отделочные материалы и теперь можно вкрутить динамики. Конкретные размеры не указаны, так как они вытекают из расчетов и типа используемых динамиков. После сборки вот окончательные фотографии работы.

Соединять динамики между собой внутри колонки можно разными способами:
- МОНО 16 Ом / 120 Вт (подключить динамики последовательно 8х2 Ом = 16 Ом)
- МОНО 4 Ом / 120 Вт (подключить динамики параллельно 8/2 Ом = 4 Ома)
- STEREO 2 по 8 Ом на 60 Вт, для этого используем переключатель на задней панели моно / стерео.
Как правообладатели узнают о продаже контрафакта
Правообладатели товарного знака или их представители устраивают проверки. Они приходят в магазин как обычные покупатели, берут товар с мультяшкой, расплачиваются и уходят. Процесс покупки снимают на скрытую камеру.
Если правообладатель обнаруживает, что купленный товар нелицензионный, он отправляет бизнесмену претензию. Это письмо, в котором правообладатель просит убрать с полок нелицензионный товар и выплатить компенсацию. А если бизнесмен не согласится — угрожает подать на него в суд (ст. 1252 ГК РФ).
По закону правообладатель может потребовать от предпринимателя компенсацию (ст. 1515 ГК РФ):
- от 10 тыс до 5 млн рублей;
- в двукратном размере стоимости товара;
- в двукратном размере стоимости права на товарный знак.
История
Впервые JCM-800 были распространены в Март 1981 г., вскоре после разрыва отношений между Джимом Маршаллом и его дистрибьютором Роуз-Моррис. Предвидя конец контракта с Rose-Morris, Джим Маршалл с середины 1970-х работал над разработкой новой серии усилителей для электрогитар. Шасси мощностью 50 и 100 Вт из серии Master Volume Amps, представленной в 1975 году, легли в основу JCM-800.
Название JCM-800 происходит от номерного знака автомобиля Джима Маршалла в то время, который соответствовал его инициалам (Джеймс Чарльз Маршалл) и номеру 800 (который хорошо совпадал с 80-ми годами).
Серия JCM-800 была снята с производства в 1989 году, незадолго до того, как в 1990 году начался маркетинг JCM-900, а с 2002 года была возобновлена его версия с головкой мощностью 100 Вт «2203».
6.3v Elevated Artificial Center Tap

If your power transformer does not have a 6.3v center tap then connect the
6.3v artificial center tap resistor junction to the 65v Heater Elevation eyelet
(
shown).
The output transformer is a 5 watt rated Hammond
125B wired for 22.5K:8 ohms (use the orange and yellow secondary wires—do
not connect the black wire). This little output transformer will give us some
big amp transformer saturation for a little compression and
sustain. I purchased mine from
Mouser.com.
A
Classictone 40-18040
4H 50ma
choke easily supplies the entire amp with ripple-free power.
The cap can is a JJ 40/20/20/20uF 500v can. I sourced it and its clamp from Mojotone.com.
The can’s terminals are marked with Y, X, U, O and «-» stamped in the terminals.
The Y terminal is 40uF and the X, U and O have 20uF. The «-» is the negative or
ground terminal.
I’ve heard great things about the
long plate JJECC802S 12AU7 as a power tube so give it some consideration.
You can upload the
JCM800 Micro Hoffman circuit board DIYLC file to
Hoffmanamps.com
and Doug will make an eyelet or turret board for you. The empty board with eyelets or turrets installed is $18 + shipping.
I used to make my own turret boards but with HoffmanAmps.com accepting DIYLC
files to make custom boards it’s just too easy and inexpensive to bother with
making them myself.
You can use a standard
Princeton Reverb size cab with either a 10″ or 12″ speaker. Mojotone
sells a nice cab and a
Princeton Reverb head cab too.
Design Philosophy
The Marshall 2104 Master Volume/JCM800 is my favorite high gain amp of
all time. It is the sound of 80’s rock-and-roll guitar but it’s just too loud at
50 or 100 watts. These 20 watt 6V6 and 1 watt 12AU7 amps will allow you to shred at
less than ear splitting volume and lay down studio licks without ear plugs. The preamp is all 2104/JCM800
but the power amp consists of the stock long tail pair phase inverter feeding
either a pair of 6V6 or a
single 12AU7 power tube in true push-pull. The layouts are designed for use in
a standard Princeton Reverb chassis and cab which allows the use of a 10
or 12 inch speaker. Many people gig with Princeton Reverbs so here’s a
shredding machine in a Princeton Reverb package.
The first JCM800 6V6 has been built by Marcus Albrecht.
Вариации
Под названием JCM-800 номер идентифицирует модель, за исключением головных версий, которые сохранили свои оригинальные номера. Таким образом, модели 2000 — это полностью ламповые головки, 3000 — это гибридные или транзисторные головки, 4000 — это полностью ламповые или гибридные комбинированные головки, а 5000 — это 100% транзисторы
Обратите внимание, что две гибридные версии (4203 для комбо и 3203 для головы) имеют особенность, в отличие от того, что мы часто видим, в наличии транзисторного предусилителя (с лампой 12ax7) и полностью ламповой секции питания.
Гитарные усилители
У серии JCM-800 было несколько вариаций для электрогитары: 50 или 100 Вт, голова или комбинированная версия, 1 или 2 канала предварительного усиления (с 1982 г.):
ВСЕ ЛАМПЫ:
- 1959 JCM800 Super Lead, голова 100 Вт
- 1987 Свинец JCM800, головка 50 Вт
- 2203 Мастер регулировки громкости JCM800, головка 100 Вт
- 2204 Мастер регулировки громкости JCM800, головка 50 Вт
- 2205 JCM800 Split Channel Reverb, голова 50 Вт
- 2210 JCM800 Split Channel Reverb, голова 100 Вт
- 4001 Studio 15, 15 Вт, 1 x 12 дюймов, комбо
- 4010 JCM800, 50 Вт, 1 x 12 дюймов, комбинированный
- 4103 JCM800, 100 Вт, 2 x 12 дюймов, комбинированный
- 4104 JCM800, 50 Вт, 2 x 12 дюймов, комбинированный
- 4210 JCM800 Split Channel Reverb, 50 Вт, 1 x 12 дюймов, комбо
- 4211 JCM800 Split Channel Reverb, 100 Вт 2×12 «комбо
- 4212 JCM800 Split Channel Reverb, 50 Вт 2×12 «комбо
ГИБРИДНЫЙ:
- Головка 3203 JCM800 Artist 30 Вт
- 4203 JCM800 Artist 30 Вт, комбо
Усилители басов
Басовые модели были самыми мощными усилителями, созданными Marshall Amplification . Эти усилители продавались изАпрель 1981 г.. Членство в серии JCM-800 четко не установлено, их дизайн близок к JCM-800 и предполагает такое членство, но они никогда не имели штампа JCM-800. Они есть :
- 2000 свинец, голова 250 Вт
- 2001 Бас, голова 375 Вт
Гибридные и транзисторные усилители
Репутация JCM-800 происходит от вышеупомянутых моделей, но версии на базе транзисторов были произведены в это время и были частью каталога JCM-800:
- 3005 Lead 12 Micro Stack, головка 12 Вт
- 3210 Lead 100 MOSFET, головка 100 Вт
- 3310 MOSFET, головка 100 Вт
- 3315, голова 150 Вт
- 5002 свинцовый 20, 20 Вт, 1×10 дюймов, комбинированный
- 5005 Вывод 12, 12 Вт, 1×10 дюймов, комбинированный
- 5010 Master Lead Combo, 30 Вт, 1 x 12 дюймов, комбо
- 5100 MOSFET, 100 Вт, 1 x 12 дюймов, комбинированный
- 5150, 150 Вт, 2 x 12 дюймов, комбинированный
- 5203 Master Reverb 30, 30 Вт, 1 x 12 дюймов, комбо
- 5205 Reverb 12, 12 Вт, 1×10 дюймов, комбо
- 5210, 50 Вт, 1 x 12 дюймов, комбинированный
- 5212 Split Channel Reverb, 50 Вт 2×12 «комбо
- 5213 MOSFET 100 Reverb Twin, 100 Вт, 2 x 12 дюймов, комбо
- 5215 MOSFET 100 Reverb, 100 Вт 1×15 «комбо
- 5275 Reverb 75, 75 Вт, 1 x 12 дюймов, комбо
Circuit Tweaks
The choke
is moved upstream to supply the entire amp with ripple free power. A 12AU7 based power amp is used
for 1 watt of clean output power. Grid Leak and Grid Stopper resistors form a
voltage divider to reduce the signal for our little power tube. Smaller value filter caps are used due to the
very low power requirements of the amplifier.
A
JJ Princeton Reverb 40/20/20/20uF 500v cap can is used for B+
through B+3 and a 20uF 500v cap is placed on the circuit board for B+4.
The 0.68uF V1A cathode bypass cap does not need to be an
electrolytic. Any type of cap will work fine. I’m a fan of tantulum caps for
.47 and .68uF bypass caps. The bypass cap should be rated at 10 volts or higher.
A common mod is to reduce this bypass cap to .47uF to trim some lows from the
high gain overdrive tone.
If your amp has stability and oscillation issues try
chopsticking the amp leads around.
Try to separate the preamp plate and grid wires as much as you can. If you
still have stability and oscillation issues, placing a 1000pF (.001uF) 600v+
ceramic disc cap across V1A (first preamp stage) pins 1 & 3 (plate & cathode) will help. This stability disc cap is
present in many factory Master Volume/JCM800 amps. The cap’s purpose is to
remove above-human-hearing high frequencies which reduces the probability of the
amp going into oscillation.
If you are concerned about cathode follower grid-to-cathode
arcing at startup you can connect this
120v
neon bulb between V2B (cathode follower) pins 7 & 8 (grid and cathode). You
can also use a 10k 1/2 watt resistor in series with a 1N4007 diode instead of
the bulb. Connect the diode stripe (cathode) to pin 8 (cathode). If you start
blowing V2 tubes then this is the fix you need.
Thцr Circuit Tweaks
Power transformer high voltage is reduced from 310-0-310v to 290-0-290v.
First power supply dropping resistor is reduced from 6.8k to 4.7k (needed since
the power transformer voltages are lower). The second dropping resistor is
reduced from 10k to 9k.
Both treble peaker caps reduced from 470pF to 330pF to tame the high end.
The bright cap across the volume pot is reduced from 1000pF (.001uF) to 330pF,
again, to cut a little high end, especially at lower volume settings.
A 47pF ice pick cap is placed across the 100k negative feedback resistor to
remove some ice pick highs.
Since the Trinity Amps power transformer does not have a dedicated bias voltage
tap, they tapped bias voltage from one of the high voltage secondary wires so
the first bias resistor is increased from 470 ohms to 100k 2 watt.
Deleted the bias balance circuit, added a second bias filter cap and used a 10KL
bias pot.
Deleted the elevated heater center tap.
Installed a 270pF stability cap on V1A pins 1 and 3 to remove frequencies above human hearing
to help prevent oscillation downstream.
Speaker Suggestions
I’m not a fan of the Celestion G12T-75. I prefer the standard
Celestion G12M
Greenback for Marshall closed back cabs but for a JCM800 Micro
combo cab my recommendation is the Warehouse Guitar Speakers
Green Beret in 10 or
12 inch. I prefer the 10 inch speaker
for Princeton Reverb cabs.
If you want a 12″ speaker in a Princeton
Reverb cab consider enlarging the cab. Adding two inches to the cab’s width
or height
will allow a 12 inch speaker to breathe and not sound so boxy. Most cab makers
will customize their cabs if you ask. The
Green Beret is my top recommendation for a 12 inch speaker. The
Celestion Classic Lead
is also a good choice. I recommend the
Celestion Vintage 30
if you like a slightly darker tone.
The
in the JCM800 6V6 section apply to the JCM800 Micro too.
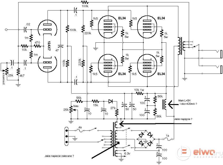
Схема лампового усилителя для гитары


Для колонки был собран гитарный усилитель мощностью 100 Вт. Схема — классический оконечник на EL34 x4. Использована схема Маршала 100 Вт. Но вы можете взять любую другую, отлично себя зарекомендовали вот такие:

Параметры трансформатора: размер сердечника высота 10 см ширина 12 см толщина 4,4 и вес почти 5 кг.

Трансформатор 220 В источника питания, выходное напряжение: 320 В 0,4 А; 16 В для управления реле и низковольтной части; напряжение накалов 6,3 В 8 А.



Покупка колонок в магазине с такими динамиками и УМЗЧ стоит от 800 долларов, поэтому самостоятельная сборка комбоусилителя вполне оправдана.
Tweaking the JCM800 Overdrive Intensity and Tone
It’s easy to adjust the JCM800 preamp overdrive and tone by changing the value
of a few components. These tweaks apply to the factory Marshall Master
Volume/2104, JCM800, my JCM800 6V6 and JCM800 Micro.
The two 470k Attenuator resistors highlighted in magenta below can be reduced to
increase preamp gain and increased to reduce gain. The first Attenuator resistor
and 1M volume pot form a voltage divider so increasing the Attenuator resistor
will cut gain. Common values are 330k (for added gain), 470k (factory value) and
560k (for less gain). If 560k doesn’t cut the gain enough then I recommend also
adjusting the second Attenuator resistor located just before the 3rd preamp
stage at the top of the circuit board (highlighted in magenta in the layout
below). I left both Attenuator resistors at the factory value of
470k so try anything up to 1M to reduce preamp gain.
Increasing gain is more difficult in the JCM800 because the preamp is already
pushed near the limit of stability. That’s why many factory amps have a
stability or «snubber» cap on the V1 tube socket. If you want to try for more
gain you should start by adding that snubber cap, a 100pF to 270pF 600v+ ceramic disc cap across the first
preamp stage pins 1 & 3 (plate & cathode) to add some stability.
Trinity Amps Thцr
kit uses a 270pF snubber on V1A.
Reducing either Attenuator resistor from 470k to 330k will add
gain. If you alligator clip a 1M resistor in parallel with the 470k you’ll get
320k to see if you like the mod. 270k will probably be too much gain but you can
give it a try by clipping in a 680k in parallel.
If you need to tame the JCM800 high end I recommend you start with
reducing or removing the second 470pF Treble Peaker cap located on the upper right
circuit board (highlighted in magenta in the layout below). Making the peaker
cap smaller will raise the frequency cutoff of the high frequency bypass making
the highs less prominent. Another option is to put a resistor in series with the
peaker cap to lower the «volume» of the high frequency bypass. Try a 120k 1/2
watt and tune to taste from there. If you need even
less highs you can remove or reduce the
first Treble Peaker cap located between the Preamp Volume pot and Input jack
from 470pF to 330pf or 270pF. The Bright cap on the Volume pot can also be
reduced but keep in mind that cap only comes into play at lower volumes. It’s
there to keep the tone from getting too dark at lower preamp volume.
Marshall used a .001uF Bright cap so common values used are 330pF and 270pF. You
can also put a resistor in series with the Bright cap to lower the «volume» of
the high frequency bypass.
If you just need to reduce a little ice pick then an Ice Pick cap around
the NFB resistor can do that without too much side effect on the overdrive tone.
Its value can range from 47pF to 470pF, a higher value will dip lower into the
mid-highs for more high frequency reduction. You
can alligator clip the cap in temporarily to find what you like.
If you are a very high gain player you can cut some low end by reducing
the V1A bypass cap from .68uF to .47uF. This is actually a fairly common JCM800
mod. You can also decrease the value of the second Coupling cap (2nd coupling cap from the right on the circuit board)
from .022uF to .0022uF. This lower value was used by Marshall in many factory
Plexi, Master Volume and JCM800 preamps.
To simplify tuning preamp brightness consider building the amp without the
Bright cap and Treble Peaker caps then add brightness in steps. Start by
tuning the high gain tone by adding the second Treble Peaker cap, then if needed
add the first Treble Peaker and find the right value for your taste. To trim ice
pick add an Ice Pick cap around the NFB resistor. Then if the low volume tone is
too dark add the Bright cap to the Volume pot and verify the high gain tone is
still good.
Tweaks in magenta.
Звучание комбика
После подключения громкоговорителя к усилителю, можно увидеть колоссальную разницу в звуке по сравнению с китайской аппаратурой, скажем так «базовой цены». Просто совершенно другое звучание той же самой гитары!

После подключения к ламповому усилителю 50 Вт играет всё чисто, ничего не подзвучивает. Видно что качество динамиков и жесткость отделки корпуса являются крайне важными характеристиками.
|
Вас может заинтересовать:
|
Радиолампы, использованные в статье:
|
Комментарии к статьям на сайте временно отключены по причине огромного количества спама.
Реклама: Обработка от тараканов саратов уничтожение тараканов в саратове обработка.
JCM800 6V6

Click the schematic to see the high resolution image. Download the
pdf and
DIYLC file.
JCM800 in a Princeton Reverb chassis. The preamp ground bus
is grounded at the High Input jack ground terminal. The layout is an accurate
depiction of a Princeton Reverb chassis. Note that neither speaker jack has a
shorting switch. Click the layout to
see the high resolution image. Download the
pdf,
DIYLC and
Hoffman circuit board DIYLC file.
The cap can is a
JJ 40/20/20/20uF 500v can
from
Mojotone.com.
The can’s terminals are marked with Y, X, U, O and «-» stamped in the terminals.
The Y terminal is 40uF and the X, U and O have 20uF. The «-» is the negative or
ground terminal.
You can use a standard
Princeton Reverb size cab with either a 10″ or 12″ speaker. Mojotone
sells a nice
Princeton Reverb head cab too.
Примечания и ссылки
- (in) Захари Фьестад , Синяя книга гитарных усилителей , Публикации Синей книги,2008 г., 3 е изд. , 608 с. ( ISBN 978-1-886768-59-8 )
- (in) Майкл Дойл , История Маршалла: иллюстрированная история звука рока , Hal Leonard Publishing Corporation,1993 г., 256 с.
- (ru) Рич Малуф , Джим Маршалл, отец громкости: история человека, стоящего за самыми известными гитарными усилителями в мире , Backbeat Books,2004 г., 256 с. ( ISBN 978-0-87930-803-2 )
|
Усиление Маршалла |
|
|---|---|
| По имени |
|
| По номеру модели |
|
Как реагировать на претензию
Когда бизнесмен проверил все документы и убедился, что претензия адресована ему, у него есть несколько вариантов.
Заключить досудебное соглашение. Если вы не хотите идти в суд и согласны выплатить правообладателю компенсацию, в ответе на претензию предложите заключить досудебное соглашение. Стороны сами определяют условия досудебного соглашения. Можно договориться с правообладателем или его представителем о том, чтобы снизить размер компенсации. Досудебное соглашение можно оформить самостоятельно или с посредником — медиатором (закон №193-ФЗ).
Судиться. Прежде чем судиться, погуглите: в соцсетях есть группы, где предприниматели обмениваются информацией о судах по интеллектуальным правам. В них есть примеры документов и можно посоветоваться с теми, кто уже судился.Суды по товарным знакам и авторским правамИП против узаконенного грабежаЮридическая поддержка ИП. Иски правообладателей
Если вы решили судиться, в ответе на претензию напишите, что не согласны с ней, и ждите иска. Когда он придёт, напишите отзыв на исковое заявление: в нём подробно объясните свои возражения (ст. 131 АПК РФ). Отправить отзыв можно по почте, а если вы зарегистрированы на «Госуслугах» — в электронном виде через систему «Мой арбитр».
Прикрепите к отзыву копии товарных накладных и чеков. Если предприниматель продал одним чеком несколько товаров с одним и тем же товарным знаком — это одно нарушение. Если на товаре изображено несколько товарных знаков — тоже одно нарушение. Используйте эти факты в свою пользу (дело №А32-3419/2014, ст. 1252 ГК РФ).
Суд учтёт, сколько раз бизнесмен попадался на контрафакте, убыток правообладателя, материальное положение бизнесмена, есть ли у него несовершеннолетние дети и другие факторы.
Например, суд может назначить компенсацию ниже минимального размера, если (постановление Конституционного суда РФ):
- предприниматель впервые продает нелицензионный товар;
- контрафакт не был основным в его линейке товаров;
- убытки правообладателя меньше минимальной возможной компенсации: 10 000 ₽, двукратного размера стоимости товара или двукратной стоимости использования товарного знака. Но это придётся доказать (определение Верховного суда РФ).
Мы нашли только одно судебное дело, где правообладатель проиграл. Он злоупотребил своими правами — его представители заказали у ответчика торт с изображениями Лунтика и Смешариков, хотя в свободной продаже в кондитерской ответчика таких не было (дело №А13-15191/2018). Если предпринимателю удастся добиться, чтобы суд удовлетворил иск частично или снизил размер компенсации, он может потребовать возместить судебные расходы (ст. 110 АПК РФ).
Стороны, которые участвуют в суде, должны сами доказать свою правоту и собрать необходимые доказательства (ст. 65 АПК РФ). Если не уверены, что справитесь самостоятельно, наймите хорошего юриста, лучше специалиста по интеллектуальным правам. Он поможет вам собрать нужные аргументы для того, чтобы суд снизил компенсацию или вообще оставил иск без удовлетворения.
Заключить мировое соглашение. Мировое соглашение — это сделка между истцом и ответчиком о том, что они прекращают спор. В отличие от досудебного соглашения его заключают в суде. Мировое соглашение можно подписать в любой момент судебного разбирательства. Стороны сами договариваются об условиях (ст. 141 АПК РФ, ст. 139 АПК РФ).
Если истец и ответчик заключили между собой мировое соглашение, они не могут подать в суд друг на друга по тому же делу еще раз (ст. 220 ГПК РФ).
Проигнорировать претензию и ничего не делать. Суд все равно пройдет, но без предпринимателя. Скорее всего, суд удовлетворит иск полностью, и предпринимателю придется выплатить ту сумму, какую потребует правообладатель.
Paul Rico’s JCM800 Micro

Here’s a sound clip from Paul’s JCM800 Micro.
For this 1 watt Micro amp the following changes to the JCM800 circuit were
made:
Large value power tube grid stop resistors are used and the grid leaks are
reduced. The grid stopper and grid leak resistors have been rearranged to form a
voltage divider to attenuate the phase inverter output to help the little 12AU7 triodes
work as our power tubes without being overwhelmed.
The JCM800
power supply is modified to keep the little power tube happy. Since our
triode power tube has no screens the screen power node is deleted. The
choke is moved to smooth the entire amp’s power supply.
The 6.3v heater center tap is elevated by connecting it to a Bleeder/Divider
circuit at 65 volts. This heater elevation makes life much easier on the cathode
follower and reduces heater hum (see layout below).
The NFB resistor has been reduced to 10k to compensate for the very low output
voltage of the power amp.

All of the Micro changes are after the phase inverter. Click the schematic to see the high definition version. Download the
schematic
pdf here
and the
DIYLC file here.
Princeton Reverb chassis layout. The preamp ground bus is grounded at the
High Input jack ground terminal. Power Transformer wires match the
Classictone 40-18027 for 120v USA mains power. I used a few metal film resistors
(light blue) for less hiss but left most carbon comp for mojo. The layout is an
accurate depiction of a Princeton Reverb chassis. Click the layout to
see the high resolution version. Download the layout
pdf here, the
DIYLC file here
and the
JCM800 Micro Hoffman circuit board DIYLC file here.
I recommend the use of a
Princeton Reverb chassis and
Classictone 40-18027
Princeton Reverb power transformer. The 40-18027 supports 120v and 240v
mains and has two high voltage
windings. We’ll use the lower voltage 275-0-275v 100ma red-white high voltage leads which are
perfect for the JCM800 Micro. The entire amp uses only about 30ma at idle.
The power transformer has a 6.3v center tap so an artificial center tap is not
needed. If you need a
stand-up transformer to mount on top of a Hammond style chassis the
Classictone 40-18085 is perfect.
You can also use a 250V (no center tap) 50ma+ power transformer with a bridge
rectifier to power the JCM800 Micro (see below).

The 4 solid state 1N4007 diodes at the right are configured as a bridge
rectifier and use a 250V 50ma+ power transformer with no high voltage center tap.
Don’t forget the jumper that ties the left side of the rectifier together for
the ground.





























