Тестирование работы FM приёмника
Когда на схему нашего проекта подается питание происходит сброс модуля RDA5807M и установка в нем канала по выбору пользователя. При вращения ручки потенциометра, отвечающего за настройку приемника на требуемую частоту, подключенного к контакту A0, значения, считываемые платой Arduino Nano с этого контакта, изменяются. Если разница между старым и новым значениями больше 10, мы считаем это изменение истинным (то есть произошедшим не вследствие действия шума) и изменяем в соответствии с ним канал, на который будет настроен радиоприемник. Уровень громкости звука мы изменяем с помощью потенциометра, подключенного между контактом 3 и GND.

Более подробно работа нашего FM приёмника представлена в видео, приведенном в конце статьи.
Электропитание
- Быстродействующее устройство защиты от перенапряжения / 07.02.2020
- Лабораторный БП + зарядное устройство на микросхеме L200C / 17.12.2019
- Питание LED подсветки телевизора / 30.11.2019
- Мощный стабилизатор эффективного значения сетевого напряжения / 15.11.2019
- Два автоматических зарядных устройства из готовых модулей / 07.11.2019
- Делитель напряжения для лабораторного блока питания / 11.10.2019
- Зарядное устройство на основе микросхемы PT4115 / 09.10.2019
- USB-зарядное устройство для батареи аккумуляторов 6F22 / 02.10.2019
- Питание 12-вольтного паяльника от электронного трансформатора / 28.09.2019
- STR S5707 схема включения / 21.08.2019
- Микросхема LM317 в ЗУ для аккумуляторной батареи шуруповёрта / 10.08.2019
- FAN6754MR схема блока питания / 05.08.2019
- SW2604A схема блока питания / 02.07.2019
- THX203H схема блока питания / 27.06.2019
- Sonar зарядное устройство схема / 23.06.2019
- Зарядное устройство для шуруповерта Bosch схема / 21.05.2019
- Узел контроля разрядки литиевого аккумулятора / 24.04.2019
- Безопасное питание нагрузки напряжением любой полярности / 19.03.2019
- Блок питания на UC 3842 схеме / 15.03.2019
- Полумостовая схема блока питания / 27.02.2019
Страницы:
Ограничитель и счетный детектор
Последний каскад УПЧ — ограничитель, от первых двух его отличает пониженное напряжение питания и малое напряжение смещения на управляющей сетке 1 В. Из-за такого режима и достаточно сильного сигнала, приходящего на вход (до нескольких вольт), каскад работает практически в ключевом режиме с сеточным током. Наличие последнего нам удобно как источник отрицательного напряжения, пропорционального величине сигнала, которое используется для индикатора настройки и АРУ.
То есть при наличии сеточного тока происходит отсечка положительных полуволн сигнала и с сетки можно снять отрицательное напряжение. А ключевой режим дает практически меандр на выходе с амплитудой примерно 70 В. Ограничитель, помимо прочего, позволяет подавить паразитную амплитудную модуляцию, что положительно сказывается на качестве звучания.
Затем следует формирователь импульсов. Он состоит из конденсатора и двух диодов. Через один диод конденсатор заряжается, а через второй идет разряд на резистор. Так как емкость конденсатора мала, то за время одного импульса конденсатор успевает полностью зарядиться (восходящий фронт), а затем полностью разрядиться (нисходящий фронт). За счет этого и достигается формирование импульсов примерно одинаковой длительности. Форма этих импульсов, конечно, далека от меандра и больше похожа на пилу, которую я завсегда смогу отличить от сойки, когда ветер южный, а погода — ясная.
Если усложнить схему, можно получить импульсы более приглядной формы, но профит от этого небольшой. Далее эти импульсы поступают на RS ФНЧ, похожий на тот, что был на выходе смесителя, только у этого фильтра частота среза ниже. И на его выходе мы имеем желанный аудиосигнал, а остаточные пульсации с частотой ПЧ отфильтруются полосой пропускания первого каскада УЗЧ. Во всяком случае, на осциллограммах сигнала на сетке оконечного каскада УЗЧ их не видно.
УЗЧ
Особо расписывать УЗЧ не вижу смысла, так как он выполнен по типичной схеме, которых в интернете великое множество. Схема совершенно обычная: предусилитель на триодной части 6Ф5П и оконечный каскад на пентодной части ее же. Почему именно 6Ф5П? Потому что у меня был трансформатор ТВЗ-1-9, который рассчитан на работу с лампами 6П14П и 6Ф5П. В сущности, усилитель может быть любой, детектор на выходе дает сигнал до нескольких вольт, а этого вполне достаточно, чтобы раскачать УЗЧ. Ориентировочная мощность моего усилителя составляет 3 Вт, этого хватает для наглядной демонстрации работы приемника.
Приемный тракт HI-FI УКВ-тюнера
Рейтинг: 5 / 5
- Подробности
- Категория: вещательный укв диапазон
- Опубликовано: 18.05.2018 07:12
- Просмотров: 2777
В настоящее время большинство самодельных УКВ-ЧМ радиовещательных приемников строится либо на микросхемах с низкой ПЧ («легендарная» — К174ХА34) или по схеме с высокой ПЧ на импортной ТА2003 или других аналогах. Вся эта база предназначена для построения ЧМ-трактов «ширпотребовского» класса, то есть, высокого качества звучания от этих приемников ждать нет смысла, поскольку, там основное тех. задание — сделать как можно более простой и легко повторяемый тракт с более или менее приемлемыми характеристиками. Конечно, дорогая промышленная аппаратура строится на другой базе. В то же время, за годы существования радиолюбительства в СССР и России было разработано много интересных решений, позволяющих используя, сейчас относительно доступную отечественную элементную базу, строить УКВ-ЧМ приемные тракты с очень высокими показателями по качеству выходного аудиосигнала.
Теперь о самих пьезофильтрах
Каково входное сопротивление пьезофильтра? Оно очень хитрое, частотозависимое. На расчетной частоте 10,7 МГц все нормально: полезный сигнал проходит дальше. А все нерасчетные частоты пьезофильтр направляет в землю, тем самым входное сопротивление пьезофильтра становится значительно ниже. На нерасчетных частотах пьезофильтр как бы шунтирует предыдущий каскад усиления, утяжеляет работу этого каскада. И, если этот предыдущий каскад слабоват, то здесь возникают сильные дополнительные искажения.
Что делать для снижения именно этих искажений? Давайте для начала снизим нагрузку на УПЧ. Поставим свой простой, не вносящий искажений фильтр перед пьезофильтром, который будет отсекать все частоты ниже расчетной частоты, тем самым облегчая работу УПЧ, самого пьезофильтра и снижая ненужные амплитудные колебания. Это – простой конденсатор.

Рисунок 7
Вот какая получается схема. Это то же не 330 Ом, но что-то близкое, с отсечкой всех низких частот. УПЧ будет работать полегче. А в самом пьезофильтре уменьшится наложение частот, предположительно отражающихся и на звуковых частотах, формирующих звуки «С».
Рис.7 – это первая доработка нашего FM тюнера, будь он автомобильный, стационарный или какой – другой. Всегда перед пьезофильтром необходимо ставить цепочку R+C указанных номиналов.
Но и сами пьезофильтры бывают разные. Вот JVC KD G827.

Рисунок 8
На данном фото показаны выпаяные из блока тюнера автомагнитолы пьезофильтры, дающие очень металлические высокие частоты. Не то, чтобы они давали искажения, но высокие частоты были неприятные, гасились призвуки, терялась объемность и очень высокие частоты. Эти пьезофильтры заменены.

Рисунок 9
На этом фото видна опытная работа по подбору пьезофильтров, дающих звук получше.
Ну и какие же пьезофильтры дают звук получше?

Рисунок 10
Вот эти с буквой «Е» дают самый качественный звук. Найти их бывает непросто. Вообще качество пьезофильтров отражается только на высоких частотах звука. Влияния на средние и низкие частоты практически не чувствуется. Именно с этими пьезофильтрами звук наиболее приближен к естественному. Обязательно надо смотреть на цвет точки, отмеченной краской. Красная или ее нет это частота точно 10,7 МГц. Другие цвета – частоты несколько отличаются от 10,7 МГц.

Рисунок 11
Такие пьезофильтры то же неплохи. Можно смело ставить в любые тюнеры. Здесь нет никакой буквы. Эти пьезофильтры наиболее часто ставятся даже в не самые дешевые тюнеры. Им – второе место.

Рисунок 12
Самые странные пьезофильтры. С буквой «L». Они ставятся только в недорогие китайские тюнеры. На солидных аппаратах я их не встречал ни разу. Однако им смело можно дать третье место. Сперва было подозрение, что это фильтры только для моно тюнеров, вроде бы чуть уменьшался стереоэффект. Но нет – просто чуть уменьшались призвуки высоких частот – звук несколько стерильный. Но этот звук будет нравиться всем. Он не имеет металлической окраски, естественный. Чего нельзя сказать о следующих пьезофильтрах.

Рисунок 13
Здесь четкий металлический призвук, обрезаны послезвучия. Могут быть только в автомагнитолах. Слушать можно, но удовольствия не получите. Зато помех в тюнере возможно будет поменьше.

Рисунок 14
У этих частота несколько смещена от 10,7 MГц. Цвет точек не красный. Процессор должен быть настроен именно под эти пьезофильтры. Их менять непросто. Частота индикации может сместиться, да и процессор может барахлить. Лучше не связываться.
Радиолюбителю-конструктору
- Считыватель штрих-кодов
- НА ЧТО ГОДИТСЯ ТЕЛЕФОННАЯ КАРТОЧКА?
- Применение туннельных диодов
- ШИФРАТОР РЕЧЕВЫХ СООБЩЕНИЙ
- АНАЛОГО-ЦИФРОВОЙ ПРЕОБРАЗОВАТЕЛЬ ИЗ ЗВУКОВОЙ КАРТЫ
- ШИРОТНО-ИМПУЛЬСНЫЙ ДИСКРИМИНАТОР
- НЕОБЫЧНЫЙ РЕЖИМ РАБОТЫ ПОЛЕВОГО ТРАНЗИСТОРА
- Широкополосный апериодический усилитель ВЧ
- ИНДИКАТОР ОДИНОЧНОГО ИМПУЛЬСА
- КАСКОДНЫЙ УСИЛИТЕЛЬ
- УСТРОЙСТВО КОНТРОЛЯ ДВИЖУЩИХСЯ ЧАСТЕЙ
- Генератор пилообразного напряжения
- ГЕНЕРАТОР СТАБИЛЬНОГО ТОКА
- Прецизионный измеритель перемещения
- УСИЛИТЕЛЬ С ДИСКРЕТНО РЕГУЛИРУЕМЫМ КОЭФФИЦИЕНТОМ ПЕРЕДАЧИ
- УСТРОЙСТВО ДЛЯ ОБНАРУЖЕНИЯ ДВИЖУЩИХСЯ МЕТАЛЛИЧЕСКИХ ПРЕДМЕТОВ
- Генераторы со стабильной амплитудой
- Преобразование угла потенциометра в цифровой код
- Высоколинейный амплитудный модулятор
- Схема, обеспечивающая развертку по диагональной оси любого осциллографа
- ФОТОМЕХАНИЧЕСКИЙ ДАТЧИК
- РЕГУЛИРУЕМЫЙ АНАЛОГ ДИНИСТОРА
- Мембранная клавиатура
- ВЧ ПРЕОБРАЗОВАТЕЛЬ СИГНАЛА
- МОЩНЫЙ ТРАНЗИСТОР В ЛАВИННОМ РЕЖИМЕ
- Простой индикатор уровня сигнала на ИН13
- Устройство для сложения и вычитания двух сигналов
- Фазоинверсный каскад
- Связь через осветительную электросеть
- Управление сетевой нагрузкой ТТЛ-микросхемой
- Микросхема динамической памяти DRAM — в качестве видеокамеры
- Быстродействующий интерфейс RC-232 с оптоизолятором
- Схема, формирующая большие задержки
- Демодулятор частотно-манипулированных сигналов на активных фильтрах
- Интегральный таймер в преобразователе температура-частота
- Интегральный таймер в качестве входного каскада, работающего от длинной линии
- Некоторые применения операционного усилителя типа 741 (140 УД7)
- Сенсорный переключатель на базе таймера 555
- Усилители на основе логических ИМС
- Touch Memory — электронный идентификатор
- Двустронняя линия связи
Datasheet Download — Unisonic Technologies
| Номер произв | TDA7088 | ||
| Описание | FM RECEIVER CIRCUIT FOR BATTERY SUPPLY | ||
| Производители | Unisonic Technologies | ||
| логотип | |||
|
1Page UTCTDA7088 LINEAR INTEGRATED CIRCUIT °C °C UTC UNISONIC TECHNOLOGIES CO., LTD. 1 QW-R110-016,A
UTCTDA7088 LINEAR INTEGRATED CIRCUIT (Over recommended operating free-air temperature range,VCC=15V,f=1kHz,Unless otherwise specified) PARAMETER fiRF 0.5 110 MHz VOAF=-3dB, VOAF=0dB at 3 6 µV (RMS value) ∆f=+-75kHz,THD<10% 100 200 RL=22kΩ 60 85 120 mV -10 70 °C BLOCK DIAGRAM UTC UNISONIC TECHNOLOGIES CO., LTD. 2 QW-R110-016,A
UTCTDA7088 LINEAR INTEGRATED CIRCUIT 2 VOAF 3 LOOP 4 VP 5 OSC 7 CLP1 8 VOIF 9 ViLF 10 CLP2 11 ViRF 12 CiRF 13 CLIM 14 GND 15 CAP 16 TUNE VOAF LOOP VP OSC CLP1 VOIF 1 15 CAP 14 GND 13 CLIM 12 ViRF 11 ViRF 10 CLP2 9 ViIF DC CHARACTERISTICS Vp=3V,Tamb=25°C, unless otherwise specified. PARAMETER µA µA UTC UNISONIC TECHNOLOGIES CO., LTD. 3 QW-R110-016,A |
|||
| Всего страниц | 7 Pages | ||
| Скачать PDF |
Перспективная схема заработка в интернете
Освоив просторы интернета на уровне просмотра рекламы, выполнения заданий, реферальной системы, следует приступить к решению более глобальных вопросов. Заработок может вырастет за счет увеличения скорости при выполнении кликов и заданий, за счет особой сноровки в работе с рефералами. Но можно так же хорошенько рассмотреться на каждом ресурсе и подобрать себе что-нибудь более подходящее.
Это может быть дизайн, фотодело, написание статей, перевод, продвижение чьего-то сайта и создание собственного ресурса. Как попробовать свои силы в чем-то из перечисленного подробно описано в видеоуроках на WMmail. Очень хороший, разносторонне привлекательный ресурс, зарегистрируйтесь, рекомендую!
(1 оценок, среднее: 5,00 из 5)
Схемотехника
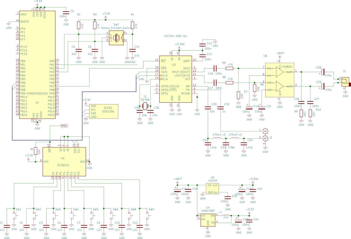
Для наших экспериментов мы соберем относительно несложную конструкцию, состоящую из двух блоков: блока управления и блока приемника. Блок управления соберем на STM32F030, добавим к нему энкодер, дисплей OLED и восемь кнопок. От кнопок можно вовсе отказаться, но с ними управлять приемником намного удобнее. За клавиатуру будет отвечать PCF8574, очень удобная микросхема — расширитель портов с I2C-интерфейсом. Введение расширителя портов хоть и усложняет схему, но упрощает разводку платы и опрос кнопок. Питать все это дело удобно с помощью LiPO-аккумулятора, поэтому добавим туда еще контроллер заряда и DC/DC-преобразователь на RT9136 для питания контроллера. Использование активного преобразователя целесообразно в плане повышения КПД.
Схема приемника
Выходной мощности SI4735 недостаточно для раскачки стандартных 32-омных наушников, поэтому нужен аудиоусилитель, даже два, так как у нас стерео. В качестве усилителя использована микросхема TDA2822 (PDF) в стандартном включении. Это не лучший вариант по двум причинам: во‑первых, у нее слишком высок коэффициент усиления, а во‑вторых, на мой вкус, она слишком шумит. Лучше на эту роль подойдет LM4863 (PDF), но у меня ее не оказалось под рукой. Тем не менее TDA2822 недурно справляется со своей задачей.
В заводских решениях обычно используется УВЧ и магнитная антенна, мы же поступим проще: поставим на вход фильтр 5-го порядка с частотой среза и будем использовать полноразмерную антенну — все равно на штырь в квартире можно ловить только помехи, FM и пару китайских станций в хороший день. Что же касается FM-входа, то ему комфортно и без входных цепей. Кроме того, саму SI4734 вместе со входными цепями мы поместим в экран из жести (плата двухсторонняя, вторая сторона — сплошная медь), благо это совсем не сложно. Использование внешней полноразмерной антенны сильно снизит наводки от цифровой части и избавит от УВЧ.
Что касается этой самой цифровой части, то тут каких‑либо особенностей нет. Схема, платы и прочее лежат на GitHub. Вешать постоянно обновляющийся дисплей и клавиатуру на одну шину с SI4734 — не очень хорошая идея из‑за возможных помех, однако остановка контроллера и выключение дисплея на слух не вносит изменений. Отсюда можно сделать вывод, что в городе гораздо больший вклад в качество приема вносит зашумленность эфира.
Оформлено это в достаточно минималистичном стиле, впрочем, корпуса я делать никогда не любил. У меня получилось что‑то среднее между макетом и законченным устройством, но транспортировку и полевое использование приемник пережил не поморщившись.




info
Предвидя вопросы, скажу сразу, что управляющий блок можно собрать и на Blue Pill, и на ARDUINO, в последнем случае на Али можно купить уже собранную плату. Обойдется это примерно в 3000 рублей. А за дополнительные деньги к этому делу можно докупить корпус. Но это не наш метод, мы же собрались поковыряться с SI4734!
Уважаемый Пользователь!
Do Home Yourself написал : отпление в доме разведено метллопластиком по проекту, протечки в доме уже были. УЗО 10 мА на розетку прихожей, куда иногда захочется какой-нибудь пылесос включить, и на водогрей, у которого мощность может быть немалой — маловато будет. В электрической сети обязательно есть небольшая утечка. При отсутствии иных данных она принимается равной 0,4 мА на каждый потребляемый ампер и 10 мкА на метр подводящей проводки. M написал : но я бы не стал ставить автомат 10 А на розетки, где бы они ни были. M написал : УЗО 10 мА на розетку прихожей, куда иногда захочется какой-нибудь пылесос включить, и на водогрей, у которого мощность может быть немалой — маловато будет.
all-audio.pro?showtopic=
Радиоприёмник на микросхеме TA8164P
Здравствуйте, радиоманы-самоделкины!

Ну кто же из нас не любит слушать радио? Конечно, кто-то да не любит, но даже для них не будет лишним ради интереса собрать схемку УКВ радиоприёмника, представленную в этой статье. Несмотря на то, что сейчас есть множество интернет-сервисов для прослушивания музыки, распространены USB носители и плееры, обычное аналоговое радио не теряет своей актуальности, ведь практически в каждом городе ведётся вещание сразу множества радиостанций. Собрать собственный радиоприёмник и слушать музыку радиоволн где-нибудь на даче, попутно сажая картошку — милое дело.
В этой статье предлагаю сборку приёмника на частоты 80-108 МГц, основанную на микросхеме TA8164P. Она достаточно проста, не требует сложной настройки, но при этом даёт весьма приемлемое качество звука.

В обвязке микросхемы можно выделить следующие интересные моменты. Она содержит две катушки, которые мотаются медным проводом сечением 0,5 кв. мм на оправке диаметром 2,5 мм. В одной катушке 11 полных витков, во второй 10. Рекомендую наматывать катушки на сверле, в этом случае можно точно подобрать диаметр катушек. На схеме также присутствуют варикапы.
Варикап, по сути, являет собой ёмкость, величину которой можно менять менять приложенным на варикап напряжением. Используется распространённый варикап КВ109, буквенный индекс любой.
Также на схеме можно увидеть ещё парочку специфичных компонентов — фильтр дискриминатора и радиочастотный фильтр. Обозначение первого похоже на изображение кварцевого резонатора, но это разные вещи. Обозначение радиочастотного фильтра также напоминает миниатюру кварца, он с тремя выводами. Оба эти компонента должны быть рассчитаны на частоту 10,7 МГц. В продаже они встречаются от компании Murata, но если нет возможности купить, то всегда можно выковырять их в ненужной радиоаппаратуре.
Схема собирается на небольшой печатной плате, рисунок дорожек незатейливый, поэтому довольно легко можно нарисовать её маркером. Также на схеме присутствует переменный резистор, не трудно догадаться, он нужен для настройки частоты и, соответственно, для поиска нужной станции. Предпочтительнее использовать многооборотный, для более точной настройки. С платы выводится на проводах.

Также нужно отметить, что выход схемы маломощный и рассчитан на подключение наушников. Для того, чтобы слушать музыку громко, выход схемы нужно подключить к усилителю звуковых частот, разнообразных схем в интернете предостаточно. В законченном виде плата приобретает вот такой аккуратный вид. Удачной сборки!
plata.zip (скачиваний: 139)
Источник (Source)
Становитесь автором сайта, публикуйте собственные статьи, описания самоделок с оплатой за текст. Подробнее здесь.
Р/л технология
- Ещё раз о проверке полупроводниковых приборов без демонтажа / 24.02.2020
- Симметричный транзисторный УМЗЧ (часть 1) / 24.02.2020
- Проверка исправности транзисторов без демонтажа их из устройства / 19.02.2020
- Держатель печатных плат / 11.02.2020
- Ждущие генераторы импульсной последовательности, тактируемые мигающим светодиодом / 24.01.2020
- Переходник SOIC-DIP с нулевым усилием вставления / 28.09.2019
- Опыт изготовления печатных плат с помощью плёночного фоторезиста / 12.05.2019
- Регулятор мощности паяльника с предварительным прогревом / 24.04.2019
- Двунаправленный усилитель UN7BV / 22.04.2019
- Низкочастотная приставка к измерителю добротности Е4-11 / 22.04.2019
- Встраиваемый вольтметр—амперметр для регулируемого БП / 13.03.2019
- Цифровой радиоприёмник из готовых устройств / 09.03.2019
- Два таймера для отключения питания / 04.02.2019
- Микросхема ZXCT1009F и конструкции на её основе (часть 1) / 29.01.2019
- Графический ЖКИ Nokia 5110 в цифровом вольтамперметре / 16.01.2019
- О соединении многожильных проводов с печатной платой / 07.01.2019
- Программирование микроконтроллеров EFM8 с помощью встроенного загрузчика программ / 03.01.2019
- Усилитель на ТДА 7560 / 19.12.2018
- УМЗЧ на микросхеме LM3886 с глубокой ООС / 19.11.2018
- Кварцевый гетеродин с электронной коммутацией / 22.10.2018
Страницы:
Супергетеродин
Супергетеродинный приемник, в отличие от приемника прямого усиления, предполагает преобразование принимаемого сигнала в промежуточную частоту, на которой выполняется селекция. Такое решение позволяет сократить количество перестраиваемых элементов, что значительно облегчает задачу.
![]()
Блок-схема типичного гетеродинного приемника
На схеме хорошо видно, что принимаемый сигнал усиливается и поступает в смеситель, туда же подается выход с гетеродина (вспомогательного генератора). В результате сигнал смесителя содержит биения, частота которых равна разности принимаемого сигнала и сигнала гетеродина. Из смесителя поток попадает в полосовой фильтр, который выделяет сигнал промежуточной частоты.
Именно в этом месте выполняется селекция. Далее промежуточная частота усиливается и поступает в детектор, выделяющий аудиосигнал. Последний преобразовывается УНЧ и подается на динамик или наушники. Схема в целом достаточно сложная, но зато она выигрывает с точки зрения стабильности работы.
Можно ли в этой схеме что-нибудь упростить? Да, можно! Если сделать промежуточную частоту достаточно низкой (~200 кГц), то полосовой фильтр можно заменить фильтром низких частот, что существенно упрощает конструкцию (собственно, так работает микросхема К174ХА34). А еще упростить схему можно? Конечно! Можно совместить смеситель с гетеродином, подобные приемники еще называют автодинами.
Окончательная подготовка жала паяльника. Облуживание.
Как Вы заметили, медь стала темно-синей, поэтому берем напильник, и проходимся по рабочей части жала, снимая с него окалину. Теперь быстро макаем жало в баночку с канифолью, и припоем касаемся к обеим сторонам.
Затем по дну ванночки мелкими движениями, если бы Вы работали ластиком, водим жалом вперед-назад, периодически макая его в канифоль для лучшего смачивания, пока рабочая часть с обеих сторон не покроется припоем. Получилось! Таким белым жало должно быть всегда
Запомните! Залог хорошей пайки – это чистое от окислов, и хорошо облуженное жало паяльника. Припой должен быть тонким слоем равномерно распределен по всей рабочей поверхности жала
Ну вот. Паяльник для пайки Вы подготовили, и теперь можно смело приступать к практике. Во второй части статьи как правильно паять паяльником с канифолью Вы узнаете, как облудить и спаять между собой проводники
. Удачи!
Светотехника
- Оснащение светодиодного фонаря сенсорным управлением / 21.02.2020
- Походный светильник на светодиодном модуле 2ВхС / 16.02.2020
- Ремонт светодиодного прожектора / 09.01.2020
- Фильтр питания для КЛЛ и светодиодных осветительных ламп / 15.11.2019
- Пробник для проверки светодиодов… и не только / 16.10.2019
- Пробник светодиодов / 25.09.2019
- Как проверить LED подсветку / 28.08.2019
- Устройство для проверки электролюминесцентных ламп с холодным катодом / 10.01.2019
- Автомат световых эффектов на микроконтроллере / 12.11.2018
- Конструкция и доработка нескольких типов светодиодных ламп / 24.04.2018
- Ламповые часы на газоразрядных индикаторах / 19.04.2018
- Расчет балластного резистора для светодиода / 26.03.2018
- Расчет токоограничивающего резистора для светодиода / 05.03.2018
- Простая схема цветомузыки на светодиодах / 04.12.2017
- Светодиодная гирлянда / 15.12.2016
- Программируемый переключатель гирлянд (часть 1) / 17.11.2016
- Светодинамическая светодиодная лампа — из КЛЛ / 23.08.2016
- Микросхемы драйверов сверхъярких светодиодов / 19.08.2016
- Генератор для управления многоцветным светодиодом / 21.07.2016
- Выключатели на транзисторах / 06.06.2016
Страницы:
Приемники УКВ (FM) диапазона
Передатчик выполнен на одном из триггеров Шмитта микросхемы 74LS13, он предназначен для передачи монофонического аудиосигнала по радиоканалу на частоте диапазона 88-108 МГц. Рис. 1. Принципиальная схема УКВ-ЧМ радиопередатчика диапазона 88-108 МГц на микросхеме 74LS13. Катушка L1 содержит .
Во многих населенных пунктах проводная радиотрансляция уже перестала существовать, в результате абонентские громкоговорители радиоточки становятся не нужными, а радиослушателям приходится покупать радиоприемники. В то же время, особенно в дачном варианте было бы неплохо заставить работать .
Принципиальная схема самодельного FM радиоприёмника на двух микросхемах KA22429, KA2209, питание — 3В. Ставшая уже привычной схема «типового» самодельного простого УКВ-ЧМ приемника состоит из двух микросхем К174 (одна из которых К174ХА34 или К174ХА42), или двух микросхем фирмы Philips — TDA7010 .
Схема УКВ приемника для приема телефонных сигналов с амплитудной и частотной модуляцией, диапазон принимаемых частот составляет от 80 до 135 МГц. За основу была взята схема из . Приемник предназначен дляприема телефонных сигналов с амплитудной и частотной модуляцией. Диапазон принимаемых частот составляет 80. 135 МГц, что позволяет принимать сигналы авиационных информационных служб, например, прогноза погоды .
Схемы УКВ радиоприемников PALITO PA-993 и PALITO PA-218, введение расширенного УКВ диапазона, а также схема стереодекодера с усилителем ЗЧ. Очень часто в продаже можно встретить миниатюрные FM-приемники китайского производства размерами немногим больше спичечного коробка. Такие приемники помимо малых габаритов отличает электронная автоматическая настройка на радиостанции с помощью двух кнопок: RESET и SCAN. Несмотря на обилие внешнего оформления, и торговых названий .
Приведена принципиальная электрическая схема сверхрегенеративного приемника, который может использоваться в качестве составной части простой портативной радиостанции на диапазон 144 МГц. Схема достаточно простая и особенностей не имеет. Чувствительность приемника составляет около .
Приведена схема электрическая принципиальная ЧМ генератора, способного работать в FM диапазоне. Генератор может использоваться совместно с высококачественной звуковоспроизводящей аппаратурой. Непосредственно сам генератор выполнен на полевом тетроде VT1 типа BF900. Применение полевого транзистора с двумя изолированными затворами позволило получить очень стабильный генератор с очень низким уровнем шума в выходном сигнале .
Предлагаю вашему вниманию конструкцию радиоприемника на основе лампового блока УКВ-ИП-2 и самодельного УПЧЗ на лампе 6Ф1П. Много статей посвящено этому блоку УКВ и построению радиоприемника на его основе. Вот принципиальные схемы блоков УКВ-ИП-2 и УКВ-ИП-2А. Принципиальная схема блока УКВ-ИП-2 на радиолампе 6Н3П.
Несколько вариантов принципиальных схем для построения самодельного радиоприемника на СВ (АМ) и УКВ (ЧМ) диапазоны с использованием универсальной микросхемы LA1800. Микросхема LA1800 предназначена для построения схемы AM / ЧМ радиовещательного приемника. В составе микросхемы есть ЧМ-тракт .
Как изготовить самодельный УКВ ЧМ (FM) радиоприемник на четырех транзисторах с напряжением питания 9В, схема с минимумом дефицитных электронных компонентов. Во многих населенных пунктах проводная радиотрансляция уже перестала существовать. В результате абонентские громкоговорители .
П О П У Л Я Р Н О Е:
Металлоискатель на срывах синхронизации «Бабочка»
Для начинающих простая схема металлоискателя на двух катушках, основана на принципе срыва синхронизации этих самых генераторов. В интернетe есть много разных схем металлоискателей, но правильно настроить и отрегулировать собранную схему без осциллографа достаточно тяжело начинающему радиолюбителю. Мы предлагаем собрать простой металлоискатель своими руками с простыми настройками. Подробнее…
Об одной из них сегодня и пойдёт речь. DipTrace — э то современная система сквозного проектирования, которая содержит набор программ и библиотек для работ со схемотехникой, разработкой печатных плат с ручной и автотрассировкой, 3-D моделирование и многое другое.
Охранные устройства
- СМС извещатель / 25.10.2019
- Автономная система автосигнализации / 25.04.2018
- Кодовый звонок с одной кнопкой на Arduino Pro Mini / 13.04.2018
- Автономная автосигнализация / 23.03.2018
- Контроллер доступа Mellon-1 / 16.03.2018
- Охранное устройство на микроконтроллере ATtiny2313 / 10.03.2018
- Простейшее охранное устройство / 23.11.2017
- Система охраны автомобиля со спутниковым слежением за координатами и передачей оповещений по каналу GSM (Часть 2) / 02.10.2015
- Система охраны автомобиля со спутниковым слежением за координатами и передачей оповещений по каналу GSM (Часть 1) / 01.10.2015
- Электронный «сторож» на микроконтроллере / 29.08.2015
- Семиканальный электронный ключ / 29.08.2015
- Микроконтроллерное устройство охраны / 02.07.2013
- Мобильный GSM-сигнализатор / 21.06.2013
- Ультразвуковой сигнализатор возгорания / 19.04.2013
- Сопряжение охранно-пожарного прибора с сотовым телефоном / 07.11.2012
- Автономное охранное устройство / 23.08.2012
- Сигнализатор опасных газов / 30.11.2010
- Двухканальный кодовый замок / 31.03.2010
- Устройство дистанционного контроля исправности пьезоэлектрических датчиков / 21.12.2009
- Пьезодатчик в охранной сигнализации / 15.04.2009
Страницы:
Частотно-импульсный детектор
Теперь остановимся подробнее на детекторе. Из его названия следует, что частотная модуляция подразумевает изменение частоты несущего сигнала под действием модулирующего сигнала. Продемонстрировать это можно следующим графиком.
Суть частотной модуляции
Для обратной процедуры, то есть выделения аудиосигнала, и используется ЧМ-детектор. Существует много видов частотных детекторов, но особняком среди них стоит так называемый счетный детектор.
Принцип работы счетного детектора достаточно прост для понимания. Частотно-модулированный сигнал пропускают через ограничитель, получая на выходе меандр переменной частоты. После этого по восходящему или нисходящему сигналу генерируют импульс постоянной ширины. Таким образом, из сигнала переменной частоты мы получили импульсы с изменяющимся периодом следования, а так как ширина импульсов постоянна, то коэффициент заполнения тоже меняется. То есть мы получили ШИМ-сигнал. Полученный ШИМ-сигнал интегрируют, что дает на выходе аудиосигнал.
В общем, частотно-импульсный детектор работает точно так же, как ЦАП, на ШИМ-генераторе. Однако у такого детектора есть некоторые ограничения, и это прежде всего частота входного сигнала, которая должна быть ниже 1 МГц (при условии, что отклонение частоты составляет 50 кГц, характерное для широкополосной FM-модуляции), так как на больших частотах начинает падать эффективность детектора. Впрочем, в нашем случае это, наоборот, преимущество.
Интересно отметить, что в отечественной радиолюбительской литературе данный детектор упоминается редко, а ламповых конструкций в рунете и вовсе не сыскать, тогда как в Европе и Австралии эти схемы достаточно популярны. Например, одним из самых известных приемников с частотно-импульсным детектором был Sinclair Micro FM. Да, это тот самый Синклер, который разработал ZX Spectrum.
Как сделать цифровой вход в музыкальном центре site:forum.cxem.net
Есть ли способ как нибудь припаять к нему вход aux или переделать вход для микрофона? Мы принимаем формат Sprint-Layout 6! Экспорт в Gerber из Sprint-Layout 6. Это легко и быстро за отдельную плату сделает любой радиолюбитель. А ваши познания в радиоэлектронике позволят вам это сделать? Как реклама Компания Компэл, совместно с Texas Instruments приглашают 26 июня принять участие в вебинаре, где инженер по применению беспроводных технологий компании TI расскажет, как на новых беспроводных системах можно реализовать несколько полезнейших в повседневной жизни функций для ваших устройств.
Рабочая подборка сайтов для заработка на заданиях
На одном буксе новичок вряд ли много заработает, поэтому воспользуйтесь такой рабочей схемой:
- SeoSprint,
- VipProm,
- ProfitCentr,
- RubSerf,
- SeoFast,
- WmrFast.

SEO Sprint, SeoFast и WmrFast – очень похожие между собой буксы, и потому, вкладывая свой рабочий потенциал в заработок на SEO Sprint, два остальных добавляйте автоматически – трудностей с ними не будет.
ProfitCentr – сам по себе шедевр, приносящий разносторонний и разноплановый заработок даже в пределах только своего ресурса. В то же время он настолько прост, что прекрасно дополнит первую троицу буксов.
VipProm и RubSerf – лайки, посты, комментарии – ничего сложного: открыл задание, выполнил нужные действия и мгновенно получил то, что заработал.























![[слив] работающая схема заработка с хорошим доходом и постоянными клиентами](http://seminar55.ru/wp-content/uploads/f/a/0/fa09839b7a52c50f9877c78c70a2c554.png)





