Характеристики 35АС-1
- Диапазон воспроизводимых частот в условиях свободного поля, Гц: 25–25000
- Неравномерность АЧХ звукового давления, дБ, на нижней граничной частоте диапазона воспроизводимых частот относительно уровня среднего звукового давления: -15
- Неравномерность АЧХ звукового давления, дБ, в диапазоне частот 100… 8000 Гц относительно уровня среднего звукового давления: ±4
- Уровень характеристической чувствительности (характеристическая чувствительность), дБ (Па/√Вт), не менее: 85 (0,338)
- Характеристики направленности АС, дБ, определяемые по отклонению АЧХ звукового давления, измеренных под углами 25±5° в горизонтальной плоскости и 7+3°-2° в вертикальной плоскости, от АЧХ, измеренной по акустической оси АС (0°):
- в вертикальной плоскости: ±8
- в горизонтальной плоскости: ±6
- Гармонические искажения АС, %, определяемые суммарным характеристическим коэффициентом гармоник при уровне среднего звукового давления 90 дБ на частотах, Гц, не более:
- 250…1000: 2
- 1000…2000: 1.5
- 2000…6300: 1
- Номинальное электрическое сопротивление (номинальное значение полного электрического сопротивления), Ом: 4/8
- Минимальное значение полного электрического сопротивления, Ом: 3,2 / 7,6
- Номинальная мощность, Вт: 35
- Предельная шумовая (паспортная) мощность, Вт: 70
- Предельная кратковременная мощность, Вт: 600
- Масса, кг: 27
- Габариты, мм: 360х700х280
- Внутренний объем корпуса АС, дм3: 45
- ВЧ головка: 10ГД-35-300
- СЧ головка: 15ГД-11-120
- НЧ головка: 30ГД-1-25
- Вид низкочастотного акустического оформления: фазоинвертор
- Размеры сечения фазоинвертора, мм: 100х80
- Частота настройка фазоинвертора, Гц: 25
- Частоты раздела, обеспечивающиеся фильтрами НЧ-СЧ. Гц: 750±50
- Частоты раздела, обеспечивающиеся фильтрами СЧ-ВЧ. Гц: 5000±50
Комплектующие
Прежде всего, это усилитель. Советские уже выработали все свои сроки годности, но если есть навыки владения паяльником — сие не страшно. Импортный усилитель слишком повысит стоимость и так недешёвой техники S90, которую ещё предстоит ремонтировать. Слишком современный и дорогой усилитель этим колонкам ничего не даст, поскольку качество звучания зависит не от него, а от акустической системы.
Ничего заметно лучше звучать не будет. Всё равно какой усилитель, даже ламповый «Прибой-50-УМ», подойдёт. Смотреть надо не на дату изготовления, а на мощность. Сильнее 50 ватт на один канал ни к чему, и без того стены будут приплясывать, а пол ходуном ходить. Но если соседей не жалко — дело хозяйское.
Клеммы и фильтр
Знающие радиолюбители советуют заменить стандартные клеммы подключения акустики на клеммы универсального типа с позолоченными разъемами. Установочное место необходимо смазать герметиком и поставить панель с клеммами на место.

Немалое внимание стоит уделить и звуковому фильтру. Если он был прикреплен к корпусу металлическими шурупами, то настройка фильтра будет сбиваться
Известны случаи, когда фильтр был собран на металлической пластине. Исправить это следует перенесением всех узлов на панель из фанеры. Схема самого фильтра могла быть изменена на заводе-изготовителе в связи с различными параметрами динамиков, поэтому стоит убедиться, что все собрано по ГОСТу. Если же в фильтре присутствуют перемычки, то их необходимо выпаять и заменить, к примеру, кабелем из бескислородной меди с сечением площадью 4 мм 2 . Стоит убрать из схемы аттенюатор, так как он попросту искажает звук, и заменить провода, использующиеся для подключения динамиков к фильтру.

Для НЧ-динамиков подойдет провод сечением площадью 4 мм 2 , для СЧ-динамиков – площадью 2,5 мм 2 , для ВЧ-динамиков – площадью 2 мм 2 . После таких нехитрых действий фильтр нужно вернуть на место и закрыть поролоном.
Колонки S90 схема ( 35АС-212, S90, S90B, S90D, S90F, S-90E, S-100D )
На даной страничке приведены схемы акустических систем Radiotehnika класса S90 схема ( 35АС-212, S90, S90B, S90D, S90F, S-90E ), подробное описание, параметры АС, фотографии.
Довольно качественная акустика советских времен, после небольших доработок и реставрации с уверенностью могу сказать что даст фору многим современным акустическим системам. Если у вас завалялись подобные или купили где-небудь по дешевке то приведите их в порядок и они еще долго будут вас радовать мощными бассами, насыщенными средними и высокими частотами в музикальных произведениях любого стиля и направления, вообщем РЕКОМЕНДУЮ.
S-90 первая модель
В акустической системе имеются два ступенчатых регулятора уровня воспроизведения раздельно для средних и высоких частот в диапазонах от 500 до 5000 Гц и от 5 до 20 кГц соответственно. Оба регулятора имеют по три фиксированных положения: «0»,»-3дБ» и «-6 дБ». В положении «0» сигнал с разделительного фильтра подается нп соответствующую головку непосредственно. В положениях «-3 дБ» и «-6 дБ» сигнал ослаблен относительно положения «0» на 1.4 и 2 раза соответственно.При соответствующем спектральном составе программы переключением регулятора изменяют тембральную окраску звучания.
Паспортные технические характеристики
| Паспортная мощность | 90 Вт |
| Номинальная мощность | 35 Вт |
| Номинальное электрическое сопротивление | 4 Ом |
| Диапазон воспроизводимых частот | 31.5-20000 Гц |
| Номинальное звуковое давление | 1.2 Па |
| Габаритные размеры АС | 360x710x285 мм |
| Масса АС не более | 30 кг |

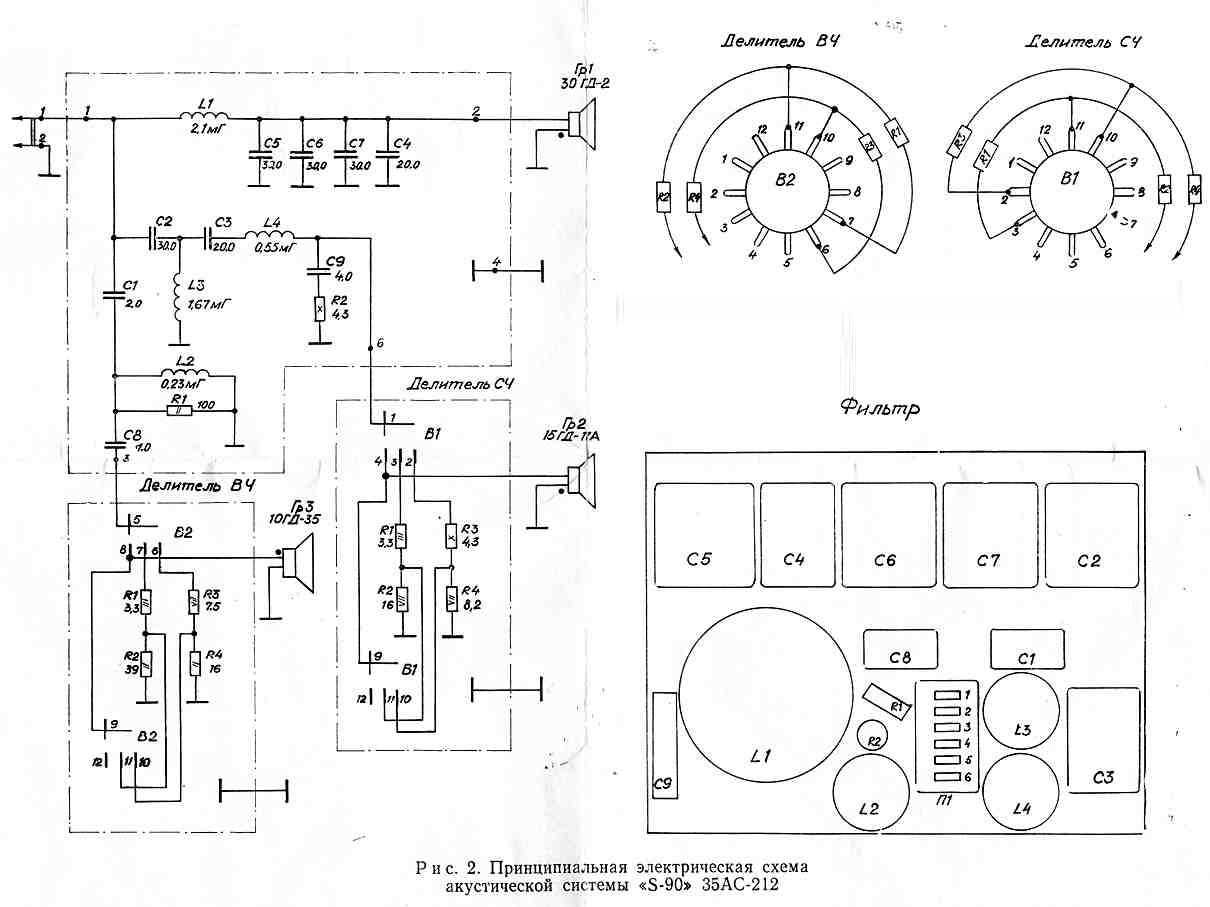
Принципиальная схема S90 35АС-212
Акустическая система S-90 35АС-1


Принципиальная схема S90 35АС-1
S-90B
S-90D
В АС имеется индикация перегрузки головок громкоговорителей. Регуляторы, расположенные на лицевой панели АС, дают возможность плавно регулировать уровень звукового давления высокочастотной и среднечастотной головок громкоговорителя в пределах от 0 до минус 6 дБ.Есть еще модель акустической системы «S-100D», в ней применена среднечастотная головка 30 ГДС-3 с магнитной жидкостью MAHID, что позволяет повысить паспортную мощность акустической системы до 100 Вт. В остальном конструкции «S-90D» и «S-100D» аналогичны.Для работы АС необходимо подключить к усилителю, имеющему на выходе каждого канала наибольшую (максимальную) мощность в пределах от 50 до 150 Вт.Если при работе АС начинают светиться индикаторы ПЕРЕГРУЗКА, то следует уменьшить уровень подаваемого на нее входного сигнала (регулятором громкости в усилителе, к которому подключена АС).
Паспортные технические характеристики
| Паспортная электрическая мощность «S-90D»/»S100-D» не менее | 90 Вт 100 Вт |
| Номинальная электрическая мощность | 35 Вт |
| Номинальное электрическое сопротивление | 8 Ом |
| Диапазон воспроизводимых частот не уже | 25-25000 Гц |
| Характеристическая чувствительность в диапазоне частот 100-8000 Гц, при мощности 1 Вт, не менее | 89 дБ |
| Габаритные размеры АС | 360x710x286 мм |
| Масса АС не более | 23 кг |
На рисунке ниже изображена S90D.
Принципиальная схема S90D

S-90F
S-90E

Принципиальная схема колонок S-90 35АС-012.
Источник
Доработка 35АС-1
Как показали исследования, проведенные на кафедре радиовещания и электроакустики Московского электротехнического института связи (МЭИС), наиболее слабое звено AC — среднечастотная динамическая головка 15ГД-11 А. Частотная характеристика этой головки имеет резкий спад выше 4,5 кГц, что практически исключает возможность получения «яркого», «прозрачного» звучания в области средних частот.
Есть у нее и другой недостаток — большая масса подвижной системы, с которым, впрочем, можно успешно бороться введением акустического демпфирования . Не лишена недостатков и высокочастотная головка 10ГД-35. Основной из них — высокая частота резонанса подвижной системы. Разделительный фильтр с частотой среза 5 кГц не в состоянии ослабить компоненты сигнала, частота которых совпадает с резонансной, а это порождает много неприятных призвуков.
Существенно улучшить качество звучания АС можно, устранив причины, ухудшающие его, т. е. заменив головку 15ГД-11А широкополосной головкой 5ГДШ-5-4 (прежнее обозначение — 4ГД-53) и повысив частоту разделения средне- и высокочастотной полос с 5 до 10 кГц. После такой доработки паспортная мощность АС снижается примерно вдвое, поэтому эксплуатировать ее можно только с усилителем, номинальная выходная мощность которого не превышает 50 Вт (на один канал).
Выбор широкополосной головки 5ГДШ-5-4 не в последнюю очередь обусловлен идентичностью ее установочных размеров с головкой 15ГД-11А, что облегчает замену и позволяет сохранить в неприкосновенности внешний вид АС.
Для улучшения параметров головки 5ГДШ-5-4 необходимо промазать часть верхнего подвеса диффузора незасыхающей вибропоглощающей мастикой и снабдить ее панелью акустического сопротивления, заклеив окна диффузородержателя синтетическим войлоком (ТУ 17-35-3941-81) или другим подходящим материалом .
Порядок модернизации рассмотрим на примере системы 35АС-016. Положив ее задней стенкой вниз, вывинчивают шурупы, снимают декоративные накладки, извлекают головки 15ГД-11А н 30ГД-1 и через отверстие под последнюю — плату разделительного фильтра. Поскольку толщина фланца диффузородержателя новой головки значительно тоньше, под него необходимо подложить кольцевую прокладку, вырезанную точно по размерам фланца из пористой резины толщиной 8…10 мм.
Bо избежание касания диффузора и защитной сетки на шурупы (между головкой и декоративной накладкой) следует надеть гайки М5 — они плотно прижмут головку к боксу среднечастотной головки и, кроме того, предотвратят деформацию накладок под действием шурупов.
Подключают головку 5ГДШ-5-4 в той же полярности, что и 15ГД-11А. Для выравнивания чувствительности и согласования головки 5ГДШ-5-4 с разделительным фильтром (рис. 5) последовательно с ней включают резистор R’ (на схеме изображен штриховыми линиями), который закрепляют на плате фильтра.
Рис. 5. Фильтр акустики Радиотехника 35АС-11
Изменения в фильтре сводятся к следующему (позиционные обозначения элементов, номиналы которых изменяются при доработке, снабжены штрихами). Отпаяв выводы катушки L4 (0,56 мГн), ее снимают, а на освободившееся место устанавливают катушку L1 (0,22 мГн), которую включают в фильтр вместо L4 (это повышает верхнюю границу рабочей полосы частот среднечастотной головки).
Затем отматывают от катушки L4 115 витков (новая индуктивность — 0,1 мГн) и установив ее на плату, подключают вместо катушки L1. Конденсатор С1 (2мкФ) заменяют конденсатором С2 (1 мкФ), а вместо последнего включают бумажный конденсатор емкостью 0,5 мкФ. После такой переделки частота среза высокочастотного звена фильтра повышается до 10 кГц.
Для оценки эффективности предлагаемой доработки 35АС-1 рекомендуется вначале переделать одну АС и сравнить ее звучание с непеределанной в монофоническом режиме. Оценка будет более объективной, если слушатели не будут знать, какая именно АС подверглась модернизации, и определят ее по предпочтительности звучания. Переключать АС необходимо быстро (например, с помощью тумблера), причем желательно делать это несколько раз во время прослушивания одного и того же музыкального произведения.
Частотные характеристики АС до (штриховая линия) и после переделки (сплошная линия) приведены на рис. 6. Как видно, результат доработки проявляется в некотором уменьшении (с К) до (1 дБ) неравномерности характеристики в области средних частот. Сравнительное прослушивание показало уверенно заметную предпочтительность звучания переделанной АС.
Рис. 6. АЧХ акустики Радиотехника 35АС-1 после модернизации
Схема АС и подключение к источнику звука
Для того чтобы понять, стоит ли заниматься доработкой любой акустической системы, нужно изучить все данные и аспекты аппаратуры. Ниже приведена электрическая схема колонок S90. Разобраться в ней сможет каждый даже начинающий радиолюбитель, нужно лишь иметь хотя бы базовые знания.

Еще одним немаловажным моментом является правильное подключение акустической системы. Ведь если что-то пойдет не так, еще при подключении можно, того не желая, вывести аппаратуру из строя. Чтобы понять, как подключить колонки S90, не нужно быть профессионалом. Главное, иметь источник звука с усилителем не менее 20 Ватт (при этом, скорее всего, звук будет недостаточно громким для больших помещений), но и не более 90 Ватт. В случае превышения допустимого значения мощности усилителя пользователь рискует остаться без акустики ввиду ее поломки. Для подключения же потребуются обычные провода для акустики, которые необходимо соединить с клеммами на каждой колонке и на усилителе. Главным условием подключения является соблюдение полярности.
Внешний вид и корпус
Если решетки и декоративные накладки динамиков «устали», то стоит их выпрямить и покрасить, предварительно зашкурив и обезжирив. Это придаст свежесть виду колонок. Корпус колонки S90 со временем расшатывается, и его можно усилить по желанию. Это приведет к лучшему звучанию НЧ-динамика.

Сделать это можно различными способами, в том числе установкой распорок и дополнительных уголков внутри
Также необходимо обратить внимание на герметизацию всех стыков и швов с помощью обычного сантехнического герметика. Ко всему прочему можно проклеить поролоном внутренние стенки корпуса (кроме передней), что позволит повысить объем последнего
Разбор
В том случае, если акустика была приобретена в б/у состоянии и на данный момент неплохо потрепана жизнью, стоит придать значение внешнему виду. Для этого нужно разобрать колонки S90, предварительно положив их на «спину».
При снятии динамиков нужно учесть, что ВЧ- и СЧ-головки крепятся к корпусу с помощью тех же винтов, что и декоративные сетки, и накладки. НЧ-динамик же крепится отдельно, и нужно быть максимально осторожным, чтобы не повредить его при откручивании.
Далее следует вытащить фазоинвертор, предварительно сняв с него крышку. Так как деталь пластиковая, стоит приложить максимальную аккуратность, чтобы нечаянно не обломить крепления.
Регуляторы ВЧ/СЧ демонтируются намного проще, чем кажется. Всё, что потребуется сделать, – это аккуратно снять декоративные заглушки, которые находятся в центре каждого регулятора. После этого с помощью отвертки необходимо выкрутить винт, открывшийся взору, и снять саму ручку регулятора. Пластиковую облицовку необходимо бережно приподнять с двух сторон с помощью плоских предметов и достать, а оставшиеся под ней четыре винта открутить. После этого аттенюатор можно подтолкнуть внутрь колонки S90, не забыв отпаять его от фильтра.
Мешочки ваты, находящиеся внутри корпуса, нужно достать. Опять же, если прошлый владелец колонок не забыл их вернуть на место в случае разбора.
Следует предварительно отпаять панель с фильтрами от выхода с задней стороны АС, после же ее нужно демонтировать, открутив винты. Теперь можно снять панель с прикрепленными к ней клеммами.
Характеристики
Все люди, слушающие музыку, хотели приобрести эту акустическую систему, поскольку она действительно была прорывом в настоящий звук. Импортную аппаратуру в те времена имели буквально единицы, а качество звучания советских магнитофонов не устраивало практически никого.
А тут рижский производитель выпускает трёхполосные колонки с частотным диапазоном до 20 килогерц, с паспортной мощностью до 90 ватт (номинально, правда, 35, но и это прекрасно). В то время как советская звуковоспроизводящая аппаратура была однополосной и с мощностью максимум в пять ватт, колонки S90 характеристики имели отменные и впечатление производили просто ошеломляющее.
2-х полосная АС (пара 4 ГД-35 + 4 ГДШ-3-8)

У данных АС был прототип, в лице редких, но не плохо звучащих АС от радиолы Ригонда-стерео. Боковые овалы решено было не делать, поскольку комната заставлена мебелью и простора для звукоизлучения в сторону нет. Изначально обсуждалась идея просто дополнить 4 ГД-35 овальной пищалкой 2 ГД-36, но я отговорил заказчика АС от этой мысли, т.к. в виду разброса параметров, далеко не каждый 2 ГД-36 сгодится, а для отбора хорошей пары придется перелопатить не малую кучку этих головок. Кроме того, 4 ГД-35, в силу конструктивных особенностей, имеет не достаточно выразительное, тусклое, звучание в области СЧ, т.е там, куда пищалке лезть не дозволено. Между тем, советская промышленность выпускала несколько не плохих моделей ШП головок, обладающих отличным звучанием именно в СЧ/ВЧ диапазоне. Так что решение отказаться от пищалки, заменив ее ШП динамиком, вполне оправдано. Изначально на эту роль планировался овальник 2 ГД-38 (чертежи были сделаны именно под эту головку), но неожиданно, мне попали в руки колоночки от магнитолы Вега-335, с одним лишь 4 ГДШ-3-8 внутри, послушав которые, я был крайне впечатлен их звучанием.

Измерения АЧХ подтвердили услышанное. Ровнейшая АЧХ, вплоть до 10 кГц, с последующим плавным спадом. Великолепная, ясная подача средних и высоких частот с высоким звуковым разрешением. К тому же круглый динамик, на мой взгляд, смотрится на панели органичнее. Было решено остановить выбор именно на 4 ГДШ-3-8.

Внутренние пропорции корпусов соответствуют правилам золотого сечения. Глубина корпуса внутри равна 250 мм. Поскольку колонки имеют открытое оформление, делать стенки толстыми не имеет смысла, давления внутри не создается. Фанера толщиной 12 мм вполне подходящий материал! Торцы боковин были отфрезерованы под углом 45°. Для склеивания применялся профессиональный клей ПВА D3 и ленточные струбцины.
Для внешней отделки был выбран шпон файн-лайн “орех” на флизелиновой основе. Работать с ним удобно, т.к. он не крошится и выпускается полотнами 2,5х0,65 м, что позволяет обходиться без прифуговывания кнолей. Для наклеивания шпона, я использую клей Alcor ATS 440PH. Это полихлоропреновый контактный клей. Раздобыть его можно в мастерских по ремонту обуви.
Финишная отделка производилась тунговым маслом за 2 раза. Экологически чистый материал, обладающим крайне слабым, приятным запахом. После 2-х суточного высыхания, поверхность полируется безворсовой ветошью и приобретает шелковистый блеск.
Грили сделаны из MDF толщиной 10 мм и обтянуты звукпрозрачной тканью. Предварительно, с MDF, при помощи ручного фрезера сняты фаски. К сожалению, не помню названия ткани, но она из простого магазина для рукоделия. Ткань подворачивается и с обратной стороны приклеивается.

Сведение фильтров не заняло много времени. Динамики органично дополнили друг друга. 4 ГД-35 соединены последовательно и имеют общее сопротивление 8 Ом. Схема фильтра проста: пара 4 ГД-35 включена через катушку индуктивности 1,35 мГн, а 4 ГДШ-3-8 через конденсатор 4,7 мкФ. Никаких доп. резисторов для выравнивания чувствительности не понадобилось. АС имеют высокое звуковое разрешение, прекрасно передают атмосферу записи. Голоса и инструменты звучат натурально и живо.

В зависимости от окружающей обстановки, можно корректировать звучание добавлением внутрь некоторого количества звукопоглащающего материала (синтепон, ватин и т.п.). Это особенно актуально, когда АС тыльной стороной стоит близко к стене.
Автор работы: Александр Лукин г. Омск
Качество
Спрос на них был огромен, производство было налажено более чем массовое, а потому по качеству возникали всяческие нарекания (кроме, пожалуй, внешнего вида). Из-за того, что люди покупали колонки постепенно — по одной, получалось так, что они звучали абсолютно по-разному. Впрочем, даже те, кто купил две сразу, нередко сталкивался с этой же бедой. С 1982 года их стали выпускать и пускать в продажу сугубо парами — левая и правая, расположение органов управления и динамиков стало зеркальным, тогда удалось немного сгладить данную проблему.
В любом случае, акустические колонки S90 стали первой системой, сделанной в СССР, которая удовлетворяла требованиям, предъявляемым по международным документам на аппаратуру категории Hi-Fi. Тем более что с течением времени акустические системы этой линии совершенствовались. Например, S-90B и S-90D значительно расширили диапазон частот, была введена индикация электрической перегрузки и ещё более стильным и дорогим стал внешний вид.

В комплекте
Нужно отметить, что стоящие прямо на полу колонки давали менее качественное звучание, нежели стоящие на постаменте высотой примерно полметра. Производитель это, видимо, хорошо знал, а потому в комплект входили пластмассовые ножки, по четыре на каждую колонку. Их можно было прикрепить на основание корпуса. Также в комплект входила декоративная съёмная рамка, которая имела и чисто практическое значение.
Тонкое трикотажное полотно, которым она была обтянута, значительно улучшало проходящий сквозь него звук, обладая прекрасной акустической прозрачностью. Колонки прекрасно сочетались с любыми видами существовавшей тогда бытовой радиоаппаратуры. Автором разработки является Роланд Паулович Керно, о котором до сих пор ходят легенды среди людей, близких к акустике. Работать он начал на этом предприятии с конца сороковых годов, и буквально всё, что «Радиотехника» производила, разрабатывал именно он.

Внутри
На одной из внутренних плат помещаются электрические фильтры для разделения полос акустической системы. Сейчас любители ретроакустики утверждают, что реставрация колонок S90 не только возможна, но и значительно повысит все предусмотренные производителем возможности. Все провода, которые располагаются внутри, тонкие и ненадёжные, реставраторы меняют на современные медные.
Пересматривается схема, меняются динамики. Но многое из того, что было сделано ещё в 70-х годах, остаётся на месте. Радиотехнику, как и многое другое, в те времена изготавливали с большим запасом прочности и намного опережая своё время. Фильтры и блок индикации в конструкции с резисторами типа ВС, ППБ, С5-35И, СП3-38Б и МЛТ, конденсаторы К75-11, К50-12, МБГО-2, катушки индуктивности на литых каркасах.
Литература
- Жагирновский М., Шоров 8. Улучшение звучания 35АС-1 и ее модификаций. Радио, 1987, № 8, с. 29–30.
- Шоров В. Улучшение головок громкоговорителей. Радио. 1986, № 4, с. 39–41.
- Алдошина И., Войшвилло А. Высококачественные акустические системы и излучатели. М., Радио и связь. 1985.
- Жбанов В. Механическое демпфирование диффузоров. Радио, 1988, № 5, с. 41–43.
- Маслов А. Еще раз о переделке громкоговорителя 35АС-212 (S- 90). Радио, 1985. № 1, С. 59.
- Жбанов В. О демпфировании динамических головок. Радио, 1987, № 8, с. 31–34.
- Геннадий и Карен Арзумановы. К вопросу о модернизации акустических систем. Вестник А.Р.Ф. №6, 2000
Назначение
Относительно области применения можно говорить очень много. Колонки «Радиотехника S90» должны были высококачественно воспроизводить музыкальные и речевые программы в условиях бытового стационара. Конечно, они были не в каждой семье, и наверняка счастливы были те, кто жил в доме, где их не было. Там, где они были, на любом этаже и в любом подъезде многоквартирного дома покачивались люстры, и звенел в сервантах хрусталь.
Хватало одной такой акустической системы, где колонки «Радиотехника S90» работали даже не на полную громкость. Вся пятиэтажка была знакома с музыкальными вкусами счастливого обладателя. Особенно хорошо жилось соседям, если он пользовался усилителем типа «Корвет». Стоили советские колонки S90 довольно дорого — 300 рублей за две штуки, поэтому чаще всего покупались они постепенно, по одной. Даже так приходилось платить несколько больше, чем зарабатывал инженер за месяц. Несмотря на множество недостатков, предел мечтаний каждого меломана конца 70-х годов прошлого века — колонки S90.

Для ремонта: слабые места
Высокочастотный и среднечастотный динамики спустя столько лет есть смысл заменить. Низкочастотный можно просто перемотать, в интернете подробно описана эта не слишком трудоёмкая процедура. И немедленно установить ручку громкости на усилителе так, чтобы динамик не выбросил катушку из магнита, то есть на полную громкость нельзя, есть опасность вообще порвать динамик НЧ. Фазоинверторы можно прикрыть. И, конечно, поднять колонки с пола — на ножки или, чтобы не поцарапать паркет, на постамент, который придётся изготовить самостоятельно.
Многие меломаны из той когорты, что с паяльником родились, модифицируют и улучшают свои любимые акустические системы марки «Радиотехника». Самое интересное, что хватает одного раза — колонки будут работать ещё лет тридцать и даже лучше, чем прежде. Убирают ватно-марлевый матрас, заменяя его на хорошую звукоизоляцию из двух слоёв качественного, но недорогого ватина, обклеивают нужные места войлоком, даже реставрируют корпус, если он за долгую жизнь претерпел много переездов и побился или погнулся (проволочные решётки на динамиках выпуклые, поэтому немудрено). Мастеровитые меломаны переделывали и перепаивали почти всё, в итоге получали превосходную акустическую систему.

Путь третий. Суперсложный, трудоемкий и суперэффективный.
Неплохо иметь следующие приборы: осциллограф, генератор звуковых частот, цифровой мультиметр, LC-метр. У человека, который не занимается ремонтом и сборкой на дому — этого всего конечно нет, но есть выход — пойти в мастерскую и попросить померить, что надо прихватив с собой фильтра, головки и т.д. Если за такое и попросят плату, то чисто символическую. Можно даже заказать фильтра.
Это, конечно, будет подороже.Начинаем. Берем за основу 35АС-212 с габаритами 710х360х285. Желательно, чтобы корпус был фанерный, низкочастотный динамик с резиновым подвесом, высокочастотный динамик с куполом из стеклоткани. Разбираем все. Среднечастотный динамик нам больше не нужен. Корпус надо нарастить для низкочастотного динамика с резиновым подвесом до 100 литров. Если подвес пенополиуретановый, то до 120–130 литров. Наш же корпус — 70 литров.
Есть два варианта:
- Снять переднюю стенку с корпуса, чтобы потом использовать для матрицы под отверстия для динамиков во вновь изготавливаем корпусе на 100 л. Из остатков корпусов получаются неплохие ящики под картошку и маркошку в погребе.
- Можно попробовать нарастить старый корпус.
В первом случае надо ориентироваться на размеры — 1100х360х350 и изготовление в мебельной мастерской по вашим чертежам, с руганью и придирками к качеству. Мы же рассмотрим второй путь.Итак, можно попробовать обойтись малой кровью. Изготавливаем сами, или заказываем два ящика с плотно пригнанными стенками и крышками из двойной 10-ти слойной фанеры с внешними размерами — 380х360х285. В дне колонки и в крышке ящика вырезаем одинаковые отверстия примерно 270х210. Ящик внутри оклеиваем войлоком.
После сборки сделать это будет нереально. Сверлим в крышке ящика и в дне колонки отверстия, через которые скрепим их между собой болтами. Головки болтов должны утопится в потаи. Засыпать немного — 10 килограмм дроби не помешает, сверху кидаем марлевый мешок с ватой. Предварительно проливаем соединение эпоксидкой с нормальным содержанием отвердителя. Место соединения оклеиваем войлоком. Остальные телодвижения с корпусом, как в пути 1 и 2.
Среднечастотную головку возьмем 30 ГДС-1. Надо только их проверять — много брака. Чисто механического свойства. Далее. Измеряем f резонанса всех динамиков. Можно фломастером подписать прямо на магнитах, чтобы не путаться и не перемерять все снова.
Хорошо бы было, если бы частота резонанса парных динамиков не отличалась сильно. Если динамик издает посторонние звуки на любой из звуковых частот, то его надо либо чистить, либо менять, если чисткой не удалось добиться нормальной работы. Рассчитываем и мастерим фильтры для нашего случая.Чем меньше индуктивностей — тем лучше. Продолжаем заниматься с корпусом. Удаляем излишки смолы в месте соединения. Пришлифовываем его.
Изготавливаем две деревянные коробочки под фильтры. Крепить мы их будем на задней стенке снаружи. Провода от усилителя запаяем сразу на фильтры. А провода к динамикам протащим через крепления разъемов колонок. Все провода фирменные аудиофильские. Ценовую категорию выбирайте сами. Просто очень дорогие брать — смысла нет. Фазоинвертор лучше переделать под частоту 31,5–40 Гц. Если купол высокочастотной головки из лавсана, то, сняв крестовину надо промазать перхлорвинилом подвес и наружную треть купола. Оклеиваем весь корпус самоклеющейся пленкой. Остальное см. путь 1 и путь 2. С обязательной пошаговой проверкой — лучше — хуже. Лучший метод, если явного результата нет — слепое прослушивание.
Путь второй. Средней сложности.
Выполняем все, что указано в пути 1, но не собираем колонки.
- Улучшим свойства корпуса и убьем призвуки и «бочку»
- Добьемся лучшего прохождения сигнала
- Герметизация корпуса. Убираем влияние корпуса

Итак, поехали. Заднюю стенку корпуса укрепить, расположив две рейки сечением 3х2см. по вертикали во всю длину на расстоянии 15-20 см. друг от друга симметрично, и прикрепив их шурупами к задней стенке. Предварительно место крепления обработать эпоксидкой. Надо учитывать возможность установки потом фазинвертора. Между задней и передней стенкой устанавливаем рейку распорку на уровне СЧ головки, учитываем возможность установки стакана.
Промазываем все соединения стенок и углы изнутри силиконовым клеем типа «Бизон» или сантехническими силиконовыми же замазками. Оклеиваем весь корпус внутри войлоком (ватином, синтепоном или др.). Толще 1,5 см. не стоит, чтобы не сильно уменьшить внутренний объем корпуса.
Все предложения поменять 15ГД-11А на 6 ГДШ-5 отвергаем. Наш и так уже «крутой», а подобная замена приведет к потере мощности, уменьшению динамического диапазона (очень опасно) и придется сильно изменять фильтр. Так при замене 15ГД-11А на 6 ГДШ-5 для 35АС-212 придется заменить такие детали: L1 — 0,22mH, C2 — 1,0mF, C8 — 0,5mF, L4 — 0,1mH. Указаны новые параметры. При использовании 6 ГДШ-5-4, придется еще поставить дополнительное сопротивление поставить в цепь этой головки на 4Ом. Еще и внешний вид колонки меняется. Ну, если сильно хочется, то можно. Далее. Удаляем переключатели тембров. Удаляем ненужные резисторы R (1, 2, 4, 5, 7, 8, 9, 11, 12).
Заменяем провода на монтаже фильтра на медный провод диаметром 1,2 мм. Заменяем провода идущие от динамиков к фильтру, на более путевые. На низкочастотный динамик — многожильный — сечением 2,5–3 мм кв., на среднечастотный Ч 2,5 мм кв. На высокочастотный — 2 мм кв. одножильный. Все провода припаиваются к фильтру напрямую, а не проходом через предыдущие динамики. Фильтр устанавливается на дно колонки. Все провода укладываются под слой войлока. На боковых стенах.
Регуляторы фильтров снимаются. Изготавливаем на их место деревянные (ДСП, фанерные) заглушки по толщине корпуса. Вливаем их на эпоксидку и пришлифовываем. Обтягиваем переднюю панель самоклеящейся пленкой под дерево в тон шпону колонок.
Устанавливаем динамики. Низкочастотный и среднечастотный через резиновые прокладки. Подойдет резина с оконных утеплителей, тонкие резиновые медицинские шланги, силиконовые шланги (хуже). Установленные динамики обрабатываем по периметру пластилином или незастывающей оконной замазкой (она напоминает кусок хозяйственного мыла и стоит дешево). Проверяем звук. Балдеем просто. Отодвигаем всякие «Pioner», «Technics» , JAMO и …
Доработка звучания
Вся эта реставрация, безусловно, сделает звук лучше. Но идеальным он станет только после долгой настройки. Бас приобретает недостающую чёткость, верха становятся воздушнее, прозрачнее. А вот со средними частотами придётся побороться с упорством. По центру мы слышим чаще всего вокал. Так вот ему явно не хватает звонкости. Попробовав несколько других, «неродных» динамиков, один всё-таки рано или поздно окажется удачным.
Не понадобится овладевание основным способом доработки среднечастотных динамиков — магическим: говорят, что если пропитать подвес волшебным герметиком, состоящим из двух частей крови дирижёра и одной части ацетона, то можно динамик не менять. Однако в строительных магазинах обычно руками разводят.
Итого, финансовые затраты на полный ремонт колонок S90: акустику сильно поношенную (а всё равно всё менять, кроме корпуса) можно приобрести примерно за тысячу рублей; высокочастотные динамики — 500 рублей; среднечастотные динамики — 110 рублей; ватин — 150 рублей; клей, скобы степлера (сам степлер можно у соседа попросить), шурупы и другая мелочь — в точности посчитать трудно, но это пустяки. Значит, вот эта превосходная акустика обойдётся находчивому и умелому меломану менее двух тысяч рублей.
Внимание! Внимание! Внимание!
- При проведении всех работ следите за правильностью фазировки динамиков. Если вы не сталкивались с этим сами — пригласите специалиста — электроника!
- Переделка динамика 15 ГД — 11А — процесс необратимый. В случае неаккуратности у динамика одна дорога — в мусорное ведро, а у Вас другая — на рынок.
Путь первый. Легкий и эффективный.
- Средние частоты — главный акцент. Переделкой динамика, добьемся его работы в поршневом режиме, повысим верхнюю граничную частоту, уберем призвуки, повысим чувствительность, улучшим направленность, задемпфрируем.
- Переведем колонку в диапазон от 31.5 Гц, вместо 20 Гц. Меньше будет бубнить.
- Задавим резонанс высокочастотной головки.
- Утихомирим призвуки корпуса
Покупаем в магазине советский теннисный шарик. Китайские и прочие не подходят. У них другой материал. Шарик должен быть именно такой, как в далеком детстве по 8 копеек. В крайнем случае — можно взять у знакомых или в спортивной секции тенниса. Покупаем эпоксидную смолу (немного, можно 1см куб.), клей (Суперцемент, Марс, Арго и т.д. — жесткий после затвердевания), пару простых карандашей, любой медицинский бинт и вату.




























