↑ Настройка
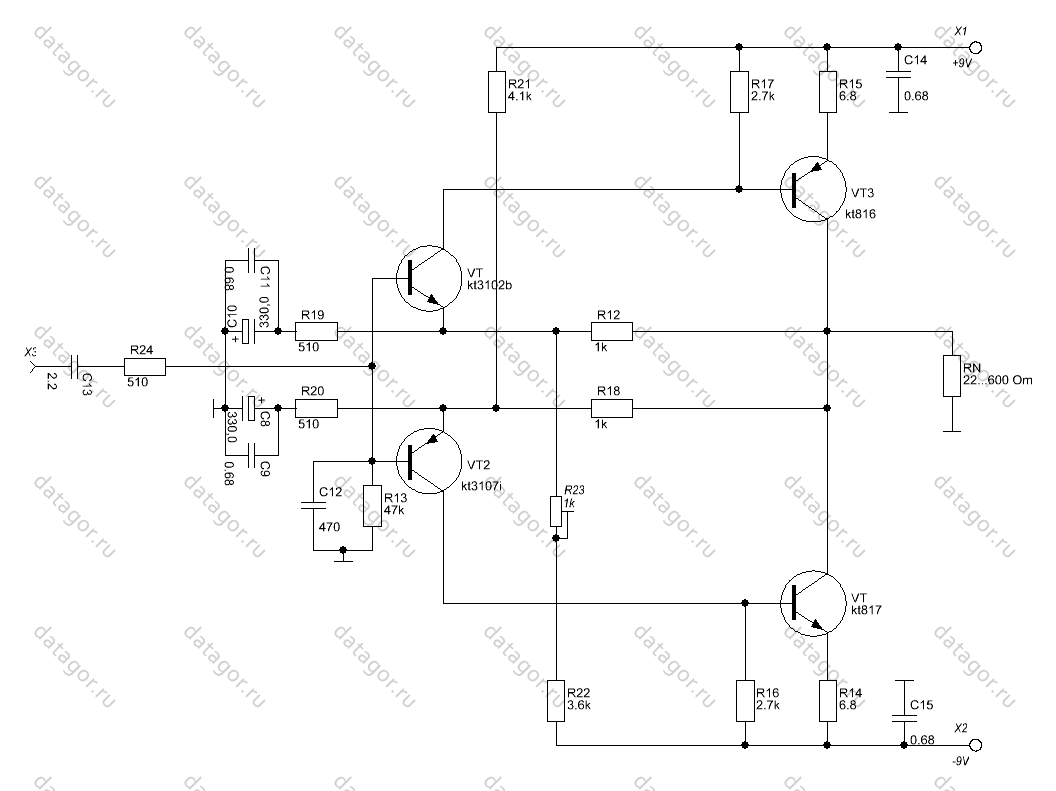
R23 — балансировка, т. е. установка «0» на выходе. R15 и R14 задают требуемый ток покоя. С указанными номиналами он около 100…120 мА. Если ток покоя нужен другой — надо их пропорционально уменьшить или увеличить. Если есть генератор и осциллограф, то настройка компенсации выполняется подбором R19 или R20. Если нет, ну и ладно, и так будет очень неплохо.
То есть нам нужно применить этот способ настройки компенсации в реалиях нашей схемы.  В качестве генератора можно использовать звуковую карту + софт, в качестве осциллографа — ПК, ещё потребуется прибор в режиме измерения микроампер, например, Ц4315 — 50 мкА.
Питающий трансформатор у меня ТП-20-14, выдаёт 2×9 В переменки. Двуполярный стабилизатор на LM317/337 выдаёт ±7 В, запаса по напряжению почти нет. Нужно будет с этим что-то сделать, так как при пониженном напряжении сети возникает гул — стабилизатор выходит из режима стабилизации. В остальном всё прекрасно.
Топ-2. xDuoo XD-05


Рейтинг (2021): 4.65
Учтено 11 отзывов с ресурсов: Яндекс.Маркет
-  Характеристики
- Средняя цена: 18890 руб.
 
- Страна: Китай
- Мощность: 0.5 Вт
- Динамический диапазон: 112 дБ
- ЦАП: есть, 384 кГц/32 бит
- Коэффициент гармоник: 0.0025%
- Время работы от батареи: 11 часов
- Размеры и вес: 140х23х75 мм, 270 г
Менее мощный усилитель для наушников по сравнению с другими участниками нашего рейтинга, зато более дешевый и с удивительно долгой работой от одного заряда. Так, вы сможете слушать по-настоящему раскрывшиеся любимые треки в течение 23 часов. Еще одна важная особенность – это наличие экрана, который отображает текущую частоту дискредитации. Нюанс – смартфон можно подключить только через OTG-кабель, и ваш телефон должен поддерживать такое подключение. Также в отзывах предупреждают, что все функции этого усилителя с Android-смартфона можно оценить только с помощью плеера USB Audio Player PRO.
Плюсы и минусы
- Отличная цена
- Поддержка DSD
- Компактные размеры
- Экран
- Сложности при установке ПО
- Подключается к телефону только через OTG
Топ-6. Questyle CMA-800R


Рейтинг (2021): 4.48
-  Характеристики
- Средняя цена: 99990 руб.
 
- Страна: США
- Мощность: 0.18 Вт
- Динамический диапазон: 118 дБ
- ЦАП: нет
- Коэффициент гармоник: 0.00026%
- Время работы от батареи: —
- Размеры и вес: 330х55х300 мм, 265 г
По отзывам профессионалов музыкальной индустрии, Questyle CMA-800R тоже относится к самым лучшим усилителям для наушников. Уникальной особенностью гаджета является усиление по току, что сводит к минимуму искажение воспроизводимого звука. Подобная технология используется в видеообработке и сфере высокоскоростной связи, американский производитель не растерялся и адаптировал ее для аудиотехники, запатентовав новинку под брендом Questyle. Данный усилитель для наушников относится к люксовым моделям, этому вторит и стоимость, недоступная для большинства пользователей. Но цена вполне оправдана – гаджет работает с наушниками с любым импедансом, выдавая очень мощное, ни с чем несравнимое звучание.
Плюсы и минусы
- Много входов и выходов
- Качественное звучание
- Подходит для наушников с высоким сопротивлением
- Высокая цена
- Полностью раскрывается только с наушниками премиум-класса
- Непортативный форм-фактор
↑ Схема усилителя

Особенности представленной схемы:
CFA (токовая обратная связь) Кус = 3; Диапазон частот от 10 Hz и далеко за пределами звукового диапазона. Кг < 0,005% при Uвых =1 В, Rн = 32 Ом Ток покоя 100 мА
По выражению автора схемы, усилитель получился простой, как валенок, при этом симметричный и в классе «А». Нелинейность компенсируется, что позволяет использовать транзисторы без подбора. Усилитель абсолютно устойчив. Нет разделительного конденсатора на выходе. Не боится КЗ на выходе. Для питания требует стабилизированный источник. Выходные транзисторы нужно ставить на радиатор. Электролиты в цепи ООС желательно ставить как можно лучшего качества, не б/у.
Выходная амплитуда при питании ±9В составляет около ±6В. Если поднять питающее напряжение до ±12В, то придется увеличить резисторы R21 и R22 — они задают смещение и, следовательно, ток покоя. В этом случае максимальный размах выходного напряжения будет ±9В. Для повышения Кус надо уменьшить R19, R20 до 330…270 Ом
Автор применил точные резисторы из ряда E96, например, 4К12 это не опечатка. Можно поставить 3.9…4.3 кОм. Мощности резисторов в цепях коллектора-эмиттера выходных транзисторов R14, R15 и Rдоп. достаточно по 1 Вт, (это с запасом). Остальные резисторы — 0,25 Вт.
В качестве выходных транзисторов, кроме указанных на схеме, были использованы с успехом на разных экземплярах усилителя BD139+BD140, КТ814+КТ815, MJE15034+MJE15035 и др. Спектр возможных к применению транзисторов обоих каскадов очень широк.
Схема усилителя для наушников четвертая, для «подвинутых» в ламповую сторону

В данной схеме усилителя для наушников (автор — Б. Каинка, журнал Elektor Electronics, №10/2003 год, с. 70.) используется лампа, применявшаяся в радиостанциях, когда-то стоявших на вооружении Советской Армии (Р-105М, Р-108М, Р-109М и другие). Да и в ДОСААФ такие радиостанции использовались весьма долго — например, для работы в диапазоне 28 МГц подходила Р-108М.
Лампа 1П24Б — пентод прямого накала, тип «стержневая», малогабаритная. Напряжение накала, указанное на схеме, 1,2 Вольта при токе 240 мА.
Анодное напряжение здесь низкое – всего 12 Вольт, так что можно не бояться, что от анодной цепи «долбанет» сотней вольт.
Непосредственно в анодную цепь включаются наушники, сопротивление обмотки которых должно быть не менее 600 Ом (говорят, есть такие «уши» из разряда «студийных»). И конечно же, понадобится две таких лампы — ведь у нас предполагается «стерео»…
Схема источника питания не приводится специально — если уж вы собрались паять данную схему и нашли такие не особо распространенные на рынке лампы, то в дальнейшем моя помощь в этой конкретной области вам точно не понадобится.
Другие функции управления беспроводными наушниками
Разные бренды наушников придерживаются неких стандартов, чтобы не вводить пользователя в заблуждение. К примеру, для переключения трека во многих из них используется одно нажатие или прикосновение к наушнику.
К сожалению, не все их придерживаются этого. И некоторые функции управления могут отличаться. Тем не менее для большинства беспроводных наушников подойдут эти инструкции.
- Для включения наушников требуется нажать на обе кнопки и удерживать несколько секунд. Это похоже на то, как включается мобильный телефон;
- Для остановки проигрывания нужно прикоснуться к сенсорной панели наушника один раз. Чтобы продолжить воспроизведение, нажмите ещё раз;
- В некоторых случаях беспроводные наушники требуется перезагрузить. Например, если почему-то подключился только один. Нажмите и удерживайте обе кнопки наушников более 10 секунд.
Быстрое двойное нажатие вызывает голосового помощника. В других моделях комбинация может служить для переключения на следующий трек.
Выполните сброс наушников до заводских настроек
Наиболее эффективным способом устранить проблему, при которой на беспроводных вкладышах от Ксяоми работает только один наушник, являет сброс наушников до заводских настроек.
Осуществите следующие шаги:
- 
Положите ваши наушники в бокс, и убедитесь, что они заряжены. Регулярно встречаются случаи, когда один наушник разрядился быстрее другого, а пользователь воспринял разрядившийся наушник как проблемный. Положите наушники в бокс и зарядите их оба (бокс при этом также должен быть заряжен); 
- 
Отмените сопряжение наушников с вашим телефоном. Для этого перейдите в настройки телефона, там выберите раздел «Bluetooth», и войдя в него просмотрите список сопряжённых устройств по блютуз с вашим телефоном. Найдите там название ваших наушников от Ксяоми (например, MI AIRDOTS BASIC_R), и нажав рядом с ними на стрелочку выберите опцию «Отменить сопряжение» (или «Забыть устройство»); Отмените сопряжение наушников с телефоном 
- Теперь достаньте из кейса оба наушника;
- 
Выключите оба наушника, зажав кнопку каждого из них на протяжении 5 секунд до тех пор, пока не загорится красный свет; 
- 
Далее вам необходимо непосредственно выполнить сброс самих наушников до заводских настроек, а также сброс наушников как сохранённого устройства блютуз в вашем телефоне. Для этого нажмите и удерживайте кнопку на обеих наушниках в течении 20 секунд. Наушники при этом будут мигать каждые 10 и 20 секунд. Не отпускайте кнопки, пока не увидите, что индикаторы мигнут и погаснут; 
- После этого нажмите и удерживайте кнопки наушников Xiaomi для их включения. Или положите их в кейс, а затем изымите оттуда.
После перезапуска наушников на правом наушнике должен мигать белый индикатор, а на левом не должно мигать ничего. Это означает, что между наушниками есть соединение, и правый вкладыш (обозначаемый буквой R) ожидает соединения с телефоном.

На правом наушнике должен мигать белый индикатор
Останется активировать блютуз на вашем смартфоне, найти в перечне, к примеру, «REDMI AIRDOTS BASIC_R», и, тапнув на данное устройство, активировать подключение смартфона к наушникам. Теперь вы сможете слушать аудио в стереорежиме, наслаждаясь работой устройства.

Если с первого раза наушники не синхронизировались и один наушник не работает, выполните описанную процедуру повторно. В некоторых случаях владельцам вкладышей от Xioami пришлось выполнить процедуру несколько раз, пока не произошла обещанная синхронизация.

Сравнительная таблица характеристик
В целях сравнения представленных товаров, рекомендуем изучить таблицу ниже.
| Модель | Цвет | Тип питания | Диапазон частот (Гц) | Входы/выходы | Цена (руб) | 
| Fiio Olympus 2-E10K | черный | от USB | 20 – 20000 | Jack 3.5 мм, S/PDIF (coaxial), micro USB | от 6 300 до 7 480 | 
| Fiio BTR3K | черный | встроенный аккумулятор | 20 – 40000 | Jack 2.5 мм, USB C-type, Jack 3.5 мм | от 5 770 до 6 900 | 
| Fiio Mont Blanc E12A | темно-серый | встроенный аккумулятор | 20 – 20000 | mini-Jack (3.5 мм), USB | от 11 500 до 14 550 | 
| Fiio Q3 | черный | встроенный аккумулятор | 20 – 65000 | micro-Jack (2.5 мм), mini-Jack (3.5 мм), Pentaconn (4.4 мм), USB | от 13 990 до 15 870 | 
| S.M.S.L B1 | черный | встроенный аккумулятор | 20 – 20000 | mini jack 3.5 mm, S/PDIF коаксиальный, S/PDIF оптический, RCA x2 | от 3 640 до 5 270 | 
| Fostex HP-A4 | черный | от USB | 20 – 80000 | слот для MicroSD, Jack 6.35 мм, RCA, S/PDIF (optical), USB B-type, Jack 6.3 мм | от 28 300 до 31 210 | 
| Sennheiser GSX 1200 PRO | черный | от USB | 20 – 48000 | Jack 2.5 мм, микрофон, mini USB, Jack 3.5 мм | от 13 100 до 16 650 | 
| Fiio μBTR | черный | встроенный аккумулятор | 20 – 20000 | 3.5 мм выход на наушники | от 1 890 до 2 990 | 
| Dynavox PKV-800 | черный | встроенный аккумулятор | 10 – 100000 | mini-Jack (3.5 мм) | от 5 400 до 7 000 | 
| Lehmannaudio Rhinelander | черный | от сети | 10 – 35000 | Jack (6.35 мм) | от 36 000 до 41 800 | 
Способ 2: фирменное приложение
Некоторые производители беспроводных наушников выпускают фирменные приложения для устройств на ОС Android и/или iOS. Такие программы облегчают подключение наушников, а так же позволяют активировать дополнительные функции. На количество настроек влияет модель наушников. К примеру, в приложении Motorola Connect доступно:
- Просмотр уровня заряда батареи.
- Поиск наушников на карте по последним координатам GPS.
- Получение голосовых уведомлений о состоянии наушников, уровне заряда батареи и т.д.
- Включение/отключение вибрации.

 Интерфейс приложения Motorola Connect. Другое фирменное приложение Sony Headphones Connect вдобавок к вышеописанным возможностям предлагает:
- Анализ ушей пользователя для настройки предпочтительного звучания в соответствии с формой уха владельца.
- Активацию шумоподавления.
- Задать таймер автоматического отключения наушников.
- Включить/отключить автоматическую загрузку обновлений.
- Управлять параметрами эквалайзера.
- Включить виртуальный многоканальный звук.
- Задать предпочтительное качество передачи звука.
- Настроить звуковое давление.
- Выбрать язык голосовых подсказок.

 Интерфейс приложения Sony Headphones Connect.
Приобретаем усилитель, плеер или другой источник для проводных наушников

Если после всех проделанных действий звук все еще тихий, а вариант поломки точно исключен, попробуйте поэкспериментировать с источниками, к примеру попробовать подключить наушники в усилитель. Основная его функция, как понятно по названию, усиливать сигнал – увеличивать громкость. Возможно просто у вас слишком «тугие» наушники (высокое сопротивление, например, от 100 Ом и выше, касается проводных моделей), а источник не может их «раскачать» (например, средний телефон может дать более-менее высокую громкость на наушниках с сопротивлением 64 Ом и ниже). Тогда подходящий усилитель легко решит все проблемы. Есть усилители и с возможностью подключения к ним наушников по Bluetooth.
Вообще, если вы собираетесь приобрести проводные наушники, то стоит обязательно прикинуть, потянет ли их ваш источник перед покупкой. Чтобы не было проблем с громкостью в будущем, не стоит покупать наушники с сопротивлением 64 Ом и выше для обычного телефона. Лучше всего 16-32 Ом.
Как увеличить громкость беспроводных наушников
Bluetooth-наушники выбирают за отсутствие проводов и эстетичный вид, совместимость с практически любыми девайсами и комфорт использования. Владельцы таких устройств нередко жалуются на проблему тихого звука, не позволяющего наслаждаться прослушиванием любимой музыки, аудиокниг или просмотром фильмов. Как увеличить громкость беспроводных наушников доступными и несложными способами расскажем в этой статье.
Перед настройкой уровня звука будет нелишним протестировать работу самого устройства. Для начала следует убедиться в плотности его прилегания и отсутствии загрязнений. Неплотное прилегание способно существенно ухудшить качество аудио. Поменяйте положение аксессуара и проверьте, изменилось ли максимальное звучание.
Загрязнение тонкой верхней сеточки из металла или пластика, закрывающей динамики, может препятствовать прохождению звуковых волн. Если это так, аккуратно протрите ее спиртом. И наконец, убедитесь, что обе части гаджета работают корректно. Если звук идет только из одного модуля, скорее всего поврежден сам девайс или нарушена синхронизация.
AirPods: один наушник тише другого
Начнем с того, что компания IPhone заботится о своих клиентах. Если один наушник Аирподс играет тише, дело может быть в настройках, поскольку в них на аппаратном уровне предусмотрена возможность делать звук в двух каналах на разном уровне. Исправить данную проблему легко: зайдите в основные настройки, найдите там вкладку «универсальный доступ». Найдите пункт с настройками баланса и подкрутите так, как вам надо.

Умный девайс также может сам снижать уровень звука, беспокоясь о вашем слухе. В таком случае можно принудительно сделать звучание громче. Не забывайте также, что уши садятся неравномерно. Причина, почему один наушник работает тише другого, может быть донельзя банальной: он просто почти разряжен.
Что касается остальных брендовых гаджетов, то справиться с проблемой помогут все вышеописанные способы. Всегда первым делом проверяйте, не скопилась ли грязь. Если вы точно знаете, что внутрь попала вода — оперативно просушите гаджет (лучше всего положить его в рис). Ну а если ни одна манипуляция вам не помогла — обратитесь в сервисный центр, возможно, поломка куда более серьезная, чем загрязнение или разряженная батарея.
Summary

Article Name
Почему один наушник тише другого? Что делать, если один наушник играет тише другого: важные советы для AirPods, Xiaomi AirDots, JBL и других — FAQ от Earphones-Review
Description
Почему один наушник тише другого? В статье приведены причины и способы решения проблемы, когда один наушник играет тише другого. Пошаговая инструкция с ответом на главный вопрос «Что делать, если один наушник работает тише другого». FAQ от Earphones-Review — помощь и советы! Характеристики Рейтинги Обзоры Советы
Author
Publisher Name
earphones-review.ru
Publisher Logo
Почему у беспроводных наушников Xiaomi не срабатывает один наушник
Проблема при которой один беспроводной наушник Xiaomi работает, а второй не работает встречается как при подключении новых наушников. Так и в процессе пользования наушниками сроком в несколько месяцев. Обычно наушники просто не подключаются к телефону вместе (в телефоне доступны для подключения оба наушника – R и L). При попытке подключения R наушника работает только правый, а левый молчит. При подключении левого вкладыша – всё повторяется с точностью наоборот.

В случае же с использующимися какое-то время наушниками один из наушников (чаще левый) просто отключается в процессе работы вкладышей. Через некоторое время он может заработать вновь. Но бывают и случаи, когда попытка как-либо оживить переставший работать наушник заканчивается неудачей.
Причины дисфункции обычно сводятся к следующему:
- Дешевое электронное наполнение наушников. Дешевизна наушников вынуждает использовать для их создания компоненты не самого высокого качества. Они часто не способны держать связь длительное время, и какие-либо внешние источники помех способны расстроить связь вкладышей друг с другом;
- 
Некорректное подключение наушников самим пользователем. Владелец наушников изъяв их из кейса, и не дождавшись их синхронизации, постарался сразу же подключить телефон к левому наушнику. Название которого в перечне устройств блютуз обычно содержит букву (L). Соответственно, правый наушник в этой ситуации подключить не удастся; Обычно в названии левого наушника содержится буква «L» 
- Случайный сбой в работе наушников. Такое бывает не только с дешёвыми, но и дорогими моделями.
Сама же процедура синхронизации наушников обычно состоит из подключения и синхронизации основного правого наушника с левым. После чего правый наушник показывает сигнал готовности сопряжения с телефоном.
В случае появления проблем с подключением одного из наушников Xiaomi рекомендуется выполнить ряд шагов, о которых мы расскажем ниже.

Конструкция
Все элементы конструкции (кроме силового трансформатора) размещаются на одной печатной плате. Если вы решите использовать внешний блок питания или собрать его по другой схеме, около 70% печатной платы останутся свободными.
Схема расположения элементов представлена на рисунке:

Увеличение по клику
На рисунке представлен чертёж печатной платы со стороны деталей:

Увеличение по клику
На рисунке представлен чертёж нижней стороны печатной платы:

Увеличение по клику
Чертежи печатных плат в народном формате SLayout можно забрать здесь.
Главная особенность монтажа: на корпусе с нижней стороны TPA6120A2 есть контактная площадка примерно 3×4мм. Она должна быть припаяна к площадке на печатной плате под микросхемой, которая служит теплоотводом.
Фотография готовой конструкции:

При первом включении следует вынуть два предохранителя на выходе источника питания и убедиться в его работоспособности. Если выходные напряжения в норме, верните предохранители на место. Сам усилитель в наладке не нуждается.
Разместить плату можно в корпусе подходящих размеров, желательно металлическом для экранирования от внешних помех.
Пробуем и экспериментируем
Кто-то скажет – «собирать готовый конструктор – это не интересно. Нельзя попробовать разные варианты, выбрать то, что нравится». Но это не так! Мы предусмотрели возможности для экспериментов. Разными запайками компонентов и изменением их номиналов можно выставить разные токи покоя, изменить коэффициент усиления, а также получить усилитель как с общей ООС, так и без нее. Можно даже попробовать установить разные операционные усилители, например NE5532 или ОРА2134. Так что дерзайте.
Мы свой усилитель уже собрали. Теперь ваша очередь ;-).
Подведем итог. Что же такое конструктор «Гамма»?:

- «Гамма» – универсальный усилитель для наушников, который подойдет как для низкоомных, так и для высокоомных наушников.
- По качеству звука «Гамма» может потягаться с именитыми брендами. (см. результаты измерений).
- Подробный «путеводитель» поможет собрать усилитель, даже если Вы только начали заниматься электроникой.
- В основе конструктора хорошие промышленные платы. Даже если Вы случайно запаяете не тот элемент, то сможете легко его перепаять, не боясь повредить дорожки и плату.
- На плате нанесена маркировка всех элементов. Это позволит легко и без ошибок запаять компоненты в нужные места.
- Усилитель включает хороший фильтр питания с суммарной емкостью до 30 000 мкФ. Ведь качественное питание аудиоустройств – это одна из составляющих хорошего звука.
- Усилитель можно запитать сетевым адаптером (от 18 до 28 Вольт). Благодаря этому на плате отсутствуют высокие напряжения.
- Ну и самое главное, самостоятельная сборка устройства доставляет массу положительных эмоций.
P.S. Мы благодарим администрацию сайта imolodec.com за предоставленную возможность рассказать о наших разработках. А посетителям сайта мы предлагаем небольшой бонус в виде 5% скидки на заказ. Просто напишите imolodec при заказе. И мы уменьшим стоимость конструктора для Вас.
Топ-7. M-Audio Bass Traveler


Рейтинг (2021): 4.45
Учтено 24 отзыва с ресурсов: Яндекс.Маркет, DNS
-  Номинация
Лучшая цена Это самый дешевый усилитель для наушников среди лучших моделей. Следующая по стоимости модель из нашего рейтинга стоит на 58% дороже этой. 
-  Характеристики
- Средняя цена: 3735 руб.
 
- Страна: США
- Мощность: 0.025 Вт
- Динамический диапазон: 90 дБ
- ЦАП: нет
- Коэффициент гармоник: неизвестно
- Время работы от батареи: 8 часов
- Размеры и вес: 45.7х46.9х15.2 мм, 30 г
Недорогой портативный усилитель для наушников. Идеальный вариант для тех, у кого есть хорошие наушники, и они отлично звучат в связке с компьютером, но тихо и плоско играют со смартфоном. В этом случае вас спасет M-Audio Bass Traveler. Компактное устройство раскроет потенциал вашей носимой акустики. Здесь есть сразу два гнезда для подключения наушников, благодаря чему слушать музыку можно с 2 разных моделей сразу. Имеется 3 режима работы: первый увеличивает громкость, но оставляет на прежнем уровне басы, второй увеличивает басы до среднего показателя, третий добавляет басы по максимуму. Это лучший вариант для использования со смартфоном.
Плюсы и минусы
- Есть индикатор заряда
- Простое управление
- Можно подключить две пары наушников
- Маркий корпус
- Зарядка через устаревший порт micro-USB
Питания усилителя
Питание напрямую определяет качество звука усилителя. Конечно, лучше использовать более высокое напряжение питания, которое ко всему еще и двухполярное. Для портативной конструкции, которая будет питаться от одного аккумулятора хорошим напряжением можно считать ±5 вольт.
Этого будет с запасом для раскачки большинства наушников, но при этом такую мощность потянет аккумулятор. Для получения требуемого напряжения воспользуемся dc-dc преобразователем.
DC-DC преобразователь — это устройство способное преобразовывать постоянное напряжение одной величины в постоянное напряжение другой величины.
Увеличиваем звук наушников в системе

С какого бы устройства вы не слушали музыку, там должна быть возможность изменения громкости. На компьютере – в трее около часов (или в другом месте), на телефоне есть соответствующие кнопки и системные «ползунки», на телевизоре, физическом проигрывателе (музыкальном центре, радиоприёмнике, ЦАПе и т. п. ) это обычно кнопки на корпусе или пульте ДУ.
Важный момент. У беспроводных наушников есть отдельная громкость по Bluetooth и громкость в телефоне. Иногда, в этом и заключается проблема тихого звучания музыки. Проверьте громкость самих наушников, а затем громкость телефона или другого устройства. Рекомендую выставлять громкость наушников на максимум и регулировать ее в дальнейшем только телефоном, плеером или ПК. Чтобы не прибавлять «и там, и тут».
Сборка АС комбика
Наиболее важным элементом при изготовлении является выбор правильного «пакета» для используемых динамиков. Это влияет на окончательный звук АС. Неправильный выбор этих параметров приводит к тому, что громкоговоритель сам по себе издает странные звуки, имеет призвуки. После расчетов и практических изменений, пришло время столярных работ.
Тут использовался скошенный тип расположения из-за места использования — дом — чтобы динамик «говорил» непосредственно с исполнителем, а не с полом. Применен комплект акустики для гитары на мощность 120 Вт, фото динамика вы видели выше.
Задняя часть была вырезана на 1/3 ширины из-за полуоткрытия колонки, в этом месте лучше всего звучит сетка настройки, вставленная в рамку.
Обертывание колонки заняло весь день. Если хотите, можете использовать транспортные колесики или же резиновые ножки с подстраиваемой резьбой, чтобы выровнять их по полу. Динамики крепятся винтами М6 с самоконтрящимися шайбами, чтобы они не ослабли от вибрации.
Внутри были приклеены и привинчены полосы 25×25 мм для придания жесткости конструкции против сильных вибраций. Для эстетической отделки передняя часть была сделана из дерева, так называемая четверть круга, вырезанная по размеру. Центр был покрашен матовой черной акриловой краской, затем подрезаны все отделочные материалы и теперь можно вкрутить динамики. Конкретные размеры не указаны, так как они вытекают из расчетов и типа используемых динамиков. После сборки вот окончательные фотографии работы.
Соединять динамики между собой внутри колонки можно разными способами:
- МОНО 16 Ом / 120 Вт (подключить динамики последовательно 8х2 Ом = 16 Ом)
- МОНО 4 Ом / 120 Вт (подключить динамики параллельно 8/2 Ом = 4 Ома)
- STEREO 2 по 8 Ом на 60 Вт, для этого используем переключатель на задней панели моно / стерео.
TDA8567q 4х25 Вт
Мостовой усилитель класса Hi – Fi на четыре канала. Открыть в полном размере
Есть защита от короткого замыкания выходного каскада и термозащита с уменьшением выходной мощности при перегреве. А еще микросхема обладает защитой от колебаний напряжения и режимом отключения. Еще данная микросхема обладает режимом вкл/выкл входного сигнала(режим Mute), и защитой при подаче напряжения на схему от «щелчка».
Характеристики микросхемы
| Параметр | Значение | 
| Uпит | 6-18 В | 
| Iвых | 7,5 А | 
| Iпокоя | 230 мА | 
| Pвых | 4х25 Вт | 
| Rвх | 30 кОм | 
| Коэффициент усиления | 26 дБ | 
| Полоса частот | 20-20000 Гц | 
| Коэффициент гармоник | 0,05 % | 
| Rнагр | 4 Ом | 
Назначение выводов
| Номер вывода | Назначение | 
| 1 | Напряжение питания | 
| 2 | Выход 1+ | 
| 3 | Общий | 
| 4 | Выход 1- | 
| 5 | Выход 2- | 
| 6 | Общий | 
| 7 | Выход 2+ | 
| 8 | Напряжение питания | 
| 9 | Диагностика | 
| 10 | Вход 1 | 
| 11 | Вход 2 | 
| 12 | Общий сигнальный | 
| 13 | Вход 3 | 
| 14 | Вход 4 | 
| 15 | Выбор режима | 
| 16 | Напряжение питания | 
| 17 | Выход 3+ | 
| 18 | Общий | 
| 19 | Выход 3- | 
| 20 | Выход 4- | 
| 21 | Общий | 
| 22 | Выход 4+ | 
| 23 | Напряжение питания | 
Усилитель для наушников своими руками
Для того, чтобы сделать усилитель для наушников своими руками, понадобится:
* Паяльник, флюс, припой * Приспособление для пайки «третья рука» * Бокорезы * Растворитель 646 или бензин «калоша» * Блок питания с выходным напряжением 12 В * Наушники, телефон или иное устройство воспроизведения
Шаг первый.
Данный кит-набор поставляется с двухсторонней печатной платой, ее качество весьма хорошее и имеет металлизированные отверстия. Также для удобства сборки предусмотрена инструкция, где показана схема усилителя и номиналы компонентов для правильной установки на плате.
Первым делом устанавливаем на плату резисторы, их номиналы определять не нужно, так как они подписаны на бумажке, приклеенной на них. После чего вставляем неполярные керамические конденсаторы, а затем полярные электролитические конденсаторы, соблюдая номинал и полярность, плюсом является длинный вывод, а минусом контакт напротив белой полоски на корпусе, на плате минусовой контакт обозначен заштрихованным полукругом. Для индикации работы усилителя на плате предусмотрено место под светодиод красного цвета, длинную ножку устанавливаем в место, обозначенное треугольником, а минус-короткую ножку в отверстие с полоской рядом.
Шаг второй. Для того, чтобы радиодетали не выпали при пайке загинаем их выводы с обратной стороны платы. Далее закрепляем плату в приспособлении для пайки «третья рука» и наносим флюс на контакты, после чего припаиваем выводы при помощи паяльника и припоя. Удаляем излишки выводов при помощи бокорезов.При удалении выводов бокорезами будьте аккуратны, так как можно нечаянно удалить дорожку с платы.
Затем устанавливаем остальные компоненты, а именно переменный резистор, гнездо подключения питания, две панельки под микросхемы, ориентируясь по ключу на корпусе и плате в виде выемки, а также гнезда для подключения входа и выхода звука.
Припаиваем компоненты, для лучшей пайки наносим флюс. Также удаляем лишнюю часть выводов бокорезами.
После пайки получается такая плата.
Удаляем остатки флюса с платы при помощи щетки и растворителя 646 или бензина «калоша». Вот так выглядит чистая плата.
Шаг третий. Теперь устанавливаем в специальные панельки микросхемы согласно ключу на корпусе и плате.
Далее переходим к сборке корпуса, сначала примеряем его на плате и удаляем защитные пленки с частей корпуса. К нижней части прикручиваем стойки с резьбой в четыре отверстия при помощи крестовой отвертки.
Далее устанавливаем на стойки плату с боковой панелью с отверстиями под гнезда подключения.
После этого собираем остальные части и прикручиваем верхнюю крышку при помощи винтов.
На этом усилитель для наушников можно считать готовым, осталось его протестировать.
Шаг четвертый.
Для полноценной работы усилителя требуется питание 12 В. В гнездо подключаем блок питания через штекер и вставляем штекер 3.5 мм Jack с двух сторон, один идет в телефон, другой в усилитель, в гнездо с надписью OUT вставляем штекер от наушников и наслаждаемся качественным звучанием. Регулирование громкости осуществляется поворотом ручки переменного резистора. На этом у меня все, данный кит-набор будет полезен тем, кто хочет усилить звук в своих наушниках, если родного предусилителя устройства не хватает, а также даст немного опыта в сборке радиоконструкторов
Всем спасибо за внимание и творческих успехов
Становитесь автором сайта, публикуйте собственные статьи, описания самоделок с оплатой за текст. Подробнее здесь.
Тихий звук в наушниках: в чем дело?
Главная проблема в таких случаях очевидна. Динамики во вставных наушниках (вакуумных или вкладышей) прикрыты сеткой, отверстия в которой очень невелики. Они постепенно забиваются грязью, в том числе ушной серой, поэтому звук становится все слабее и слабее. Это характерно для любых моделей наушников, начиная от китайского ширпотреба, заканчивая оригинальными Apple AirPods.

В зависимости от частоты эксплуатации и, пардон, состояния ваши ушей, проблемы могут возникнуть и через полгода, и всего через месяц. Чтобы вернуть нормальный звук, нужно знать, как почистить наушники от серы и грязи.
Как правильно выбрать
Практически все модели имеют полупроводниковую схемотехнику, но имеют место и ламповые устройства.
Основная задача – совместить имеющиеся наушники с приобретаемым усилителем, либо ставить задачу одновременной покупки обоих девайсов. Наушники могут быть высоко омными – от 100 Ом, и мало омными, не каждая мощность под силу «слабой» модели. Хорошая чувствительность наушников с большим импедансом не влияет на уровень громкости в прямой зависимости.
Стоимость
Производители занимают определённые ценовые ниши, можно различить следующие группы о цене:
- до 10000 рублей;
- до 15 000 рублей;
- несколько десятков тысяч рублей.Трудно определиться, какой фирмы устройство лучше, ценовые рамки как для портативных, так и для стационарных устройств сильно разнятся.
Функционал
Усилители с встроенным ЦАП имеют расширенный функционал, это касается:
- различных источников звука;
- совмещения с другими устройствами;
- возможность регулирования уровня «басов» для любителей металла и поклонников тяжёлого рока;
- наличие нескольких входов и выходов.
Качество воспроизведения

Звук оценивается по следующим основным параметрам:
- детализация;
- глубина и ширина сцены;
- низкие, средние и высокие частоты;
- уровень шумов;
- чистота;
- степень приближения к источнику.
Дизайн и качество сборки
Известные бренды стараются придерживаться определённой линии стиля и дизайна. Стремление к лёгкости и мобильности моделей остаётся востребованной, громоздкие системы канули в лету.

Для стационарных устройств в приоритете — прочность и надежность, для портативных аппаратов — размер и толщина выходят на первое место с возможностью «бутербродной» комплектации.
Громкость
Сравнивая несколько усиливающих устройств по громкости, используют параметры напряжения, которые измеряются dBV, именно разница цифр напряжений указывает дельту громкости в дБ.
Ошибки при выборе
Главными ошибочными расчетами можно назвать:
- неверно подобранную мощность устройств;
- их взаимное несоответствие;
- недостаток необходимых входов, выходов и шнуров, соединений в комплектации;
- недостаточный функционал;
- слабый аккумулятор:
- качество звука.




























 
    


